Мы используем cookie для наилучшего представления нашего сайта. Подробнее об этом в Политике конфиденциальности.
Ок

Тимашевск

Ваш город:
Тимашевск (Краснодарский край)?
Нет
Да
Каталог
Каталог Написать в WhatsApp
Мотоэкипировка

Силовая отделка 2-Х ТАКТНОГО ПЛМ MERCURY 50EO Серийный номер от 0T980000 до 0T999999

Силовая отделка 2-Х ТАКТНОГО ПЛМ MERCURY 50EO Серийный номер от 0T980000 до 0T999999 в Краснодаре: актуальный каталог, цены, фото, описание. Купите силовая отделка 2-х тактного плм mercury 50eo серийный номер от 0t980000 до 0t999999 в кредит – оформите заявку онлайн за 1 минуту!

Оригинальные запчасти

Артикул НАИМЕНОВАНИЕ Кол-во деталей в узле Примечание Наличие Цена Аналоги Фото
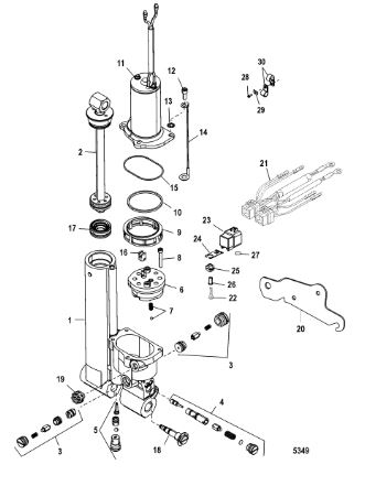
1 822344T14 Система электрогидроподъема (POWER TRIM ASSEMBLY)

Под заказ

1

Под заказ

уточнить

Купить
2 827668A1 O RING KIT

Под заказ

1

Под заказ

уточнить

Купить
3 893931A01 SHOCK ROD ASSY

Под заказ

1

Под заказ

уточнить

Купить
4 827671A1 PILOT CHECK ASSEMBLY

Под заказ

1

Под заказ

уточнить

Купить
5 827672A1 TILT RELIEF VALVE ASSEMBLY

Под заказ

1

Под заказ

уточнить

Купить
6 827673A1 SUCTION SEAT ASSEMBLY

Под заказ

1

Под заказ

уточнить

Купить
7 827674A1 PUMP ASSEMBLY

Под заказ

1

Под заказ

уточнить

Купить
8 827675A1 MOTOR ASSEMBLY

Под заказ

1

Под заказ

уточнить

Купить
9 88238A15 CABLE

Под заказ

1

Под заказ

уточнить

Купить
10 827676 MEMORY PISTON

Под заказ

1

Под заказ

уточнить

Купить
11 893929A01 Клапан (VALVE KIT-RELIEF)

Под заказ

1

Под заказ

уточнить

Купить
12 811613 Пробка (PLUG ASSY)

Под заказ

1

Под заказ

уточнить

Купить
13 831276T BRACKET

Под заказ

1

Под заказ

уточнить

Купить
14 826802A9 Электрокабель (HARNESS-TRIM)

Под заказ

1

Под заказ

уточнить

Купить
15 82129125 Болт (SCREW)

Под заказ

2

Под заказ

уточнить

Купить
16 882751A1 Реле (RELAY ASSY-TRIM )

Под заказ

2

Под заказ

уточнить

Купить
17 828102 BRACKET, Mounting

Под заказ

2

Под заказ

уточнить

Купить
18 818967 Уплотнитель (GROMMET)

Под заказ

2

Под заказ

уточнить

Купить
19 818968 Втулка (BUSHING)

Под заказ

2

Под заказ

уточнить

Купить
20 878609 Болт (SCREW, (#10-16 x .600))

Под заказ

1

Под заказ

уточнить

Купить
21 8M0084613 WASHER

Под заказ

1

Под заказ

уточнить

Купить
22 22740 CLIP

Под заказ

2

Под заказ

уточнить

Купить

Нулевая цена не означает отсутствие товара. Оформите заказ, и менеджер сообщит вам цену и наличие товара, предварительно запросив их у поставщика

Главная Магазины
Корзина0
Профиль