Уважаемый клиент! Цены на сайте в процессе обновления. Уточняйте актуальную цену у менеджера в магазине.
Оригинальные запчасти
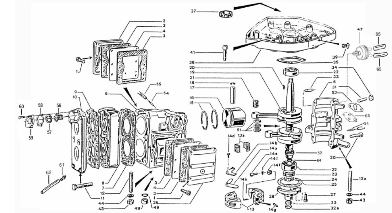
| № | Артикул | НАИМЕНОВАНИЕ | Кол-во деталей в узле | Примечание | Наличие | Цена | Аналоги | Фото | |
| 1 | B057830006002570U | 
												Винт м6х25
							 Под заказ  | 
					14 | 							 Screw TE M6x25								 
											Screw TE M6x25 
							 | 
					
							 Под заказ  | 
					Купить | |||
| 2 | 02002-D05-0000 | 
												Крышка картера боковая (правая)
							 Под заказ  | 
					1 | 							 EXHAUST COVER-RIGHT								 
											EXHAUST COVER-RIGHT 
							 | 
					
							 Под заказ  | 
					Купить | |||
| 3 | 02001-D05-0000 | 
												Прокладка боковой крышки
							 Под заказ  | 
					1 | 							 EXHAUST COVER-LEFT								 
											EXHAUST COVER-LEFT 
							 | 
					
							 Под заказ  | 
					Купить | |||
| 4 | 02110-D05-0000 | 
												Картер с цилиндрами
							 Под заказ  | 
					1 | 							 CYLINDER AND HALF CA...								 
											CYLINDER AND HALF CASING 
							 | 
					
							 Под заказ  | 
					Купить | |||
| 5 | 02101-D05-0000 | 
												Картер с цилиндрами
							 Под заказ  | 
					1 | 							 CYLINDER AND HALF CA...								 
											CYLINDER AND HALF CASING 
							 | 
					
							 Под заказ  | 
					Купить | |||
| 6 | 01002-D05-0000 | 
												Прокладка головки цилиндров
							 Под заказ  | 
					1 | 							 HEAD GASKET								 
											HEAD GASKET 
							 | 
					
							 Под заказ  | 
					Купить | |||
| 7 | 01001-D05-0000 | 
												Головка цилиндров
							 Под заказ  | 
					1 | 							 HEAD								 
											HEAD 
							 | 
					
							 Под заказ  | 
					Купить | |||
| 8 | 01004-D05-0000 | 
												Прокладка крышки головки
							 Под заказ  | 
					1 | 							 HEAD COVER GASKET								 
											HEAD COVER GASKET 
							 | 
					
							 Под заказ  | 
					Купить | |||
| 9 | 01003-D05-0000 | 
												Крышка головки
							 Под заказ  | 
					1 | 							 HEAD COVER								 
											HEAD COVER 
							 | 
					
							 Под заказ  | 
					Купить | |||
| 10 | B057830008005570U | 
												Винт M8×55
							 Под заказ  | 
					6 | 							 HEAD SCREW TE M8*55								 
											HEAD SCREW TE M8*55 
							 | 
					
							 Под заказ  | 
					Купить | |||
| 11 | 02113-D05-0000 | 
												Шпилька
							 Под заказ  | 
					6 | 							 STUD								 
											STUD 
							 | 
					
							 Под заказ  | 
					Купить | |||
| 12 | 05906-D05-0000 | 
												Блок клапанов лепестковых
							 Под заказ  | 
					1 | 							 LEAF VALVE								 
											LEAF VALVE 
							 | 
					
							 Под заказ  | 
					Купить | |||
| 13 | 05904-D05-0000 | 
												Обойма подшипника
							 Под заказ  | 
					17 | 							 NEEDLE SET								 
											NEEDLE SET 
							 | 
					
							 Под заказ  | 
					Купить | |||
| 14 | 05901-D05-0000 | 
												Клапан лепестковый
							 Под заказ  | 
					8 | 							 LEAF								 
											LEAF 
							 | 
					
							 Под заказ  | 
					Купить | |||
| 15 | B057890004000070U | 
												Винт M4×8
							 Под заказ  | 
					8 | 							 LEAF FIXING SCREW TE...								 
											LEAF FIXING SCREW TEF M4*8 
							 | 
					
							 Под заказ  | 
					Купить | |||
| 16 | 05903-C96-0000 | 
												Штифт
							 Под заказ  | 
					1 | 							 Pin 5x10								 
											Pin 5x10 
							 | 
					
							 Под заказ  | 
					Купить | |||
| 17 | B0009500050000J00 | 
												Шайба 5
							 Под заказ  | 
					4 | 							 Washer M5								 
											Washer M5 
							 | 
					
							 Под заказ  | 
					Купить | |||
| 18 | 03118-C96-0000 | 
												Шпонка коленвала маховика
							 Под заказ  | 
					2 | 							 Flywheel key								 
											Flywheel key 
							 | 
					
							 Под заказ  | 
					Купить | |||
| 19 | B25407FPM | 
												Сальник коленвала нижний 25х4х7
							 Под заказ  | 
					1 | 							 GROMMET								 
											GROMMET 
							 | 
					
							 Под заказ  | 
					Купить | |||
| 20 | FB20357FPM | 
												Сальник коленвала (нижний или верхний) 20х35х7
							 Под заказ  | 
					1 | 							 GROMMET								 
											GROMMET 
							 | 
					
							 Под заказ  | 
					Купить | |||
| 21 | 02007-D05-0000 | 
												Прокладка крышки нижней
							 Под заказ  | 
					1 | 							 LOWER CRANKCASE HEAD...								 
											LOWER CRANKCASE HEAD GASKET 
							 | 
					
							 Под заказ  | 
					Купить | |||
| 22 | B0007001060020000 | 
												Винт м6х20
							 Под заказ  | 
					4 | 							 Screw TCEI M6x20								 
											Screw TCEI M6x20 
							 | 
					
							 Под заказ  | 
					Купить | |||
| 23 | 02201-D05-0000 | 
												Крышка нижняя
							 Под заказ  | 
					1 | 							 COMPLETE LEAF VALVE								 
											COMPLETE LEAF VALVE 
							 | 
					
							 Под заказ  | 
					Купить | |||
| 24 | 02210-C96-0000 | 
												Крышка нижняя
							 Под заказ  | 
					1 | 							 COMPLETE LEAF VALVE								 
											COMPLETE LEAF VALVE 
							 | 
					
							 Под заказ  | 
					Купить | |||
| 25 | B000700106004070U | 
												Винт M6×40
							 Под заказ  | 
					8 | 							 SCREW TCE M6*40								 
											SCREW TCE M6*40 
							 | 
					
							 Под заказ  | 
					Купить | |||
| 26 | 02005-D05-0000 | 
												Уплотнитель пробки
							 Под заказ  | 
					1 | 							 RUBBER								 
											RUBBER 
							 | 
					
							 Под заказ  | 
					Купить | |||
| 27 | 02006-D05-0000 | 
												Пробка нижняя
							 Под заказ  | 
					3 | 							 SPACER								 
											SPACER 
							 | 
					
							 Под заказ  | 
					Купить | |||
| 28 | 02008-D05-0000 | 
												Прокладка верхней крышки картера
							 Под заказ  | 
					1 | 							 SUMP GASKET								 
											SUMP GASKET 
							 | 
					
							 Под заказ  | 
					Купить | |||
| 29 | FB20357FPM | 
												Сальник коленвала (нижний или верхний) 20х35х7
							 Под заказ  | 
					1 | 							 GROMMET								 
											GROMMET 
							 | 
					
							 Под заказ  | 
					Купить | |||
| 30 | 02009-D05-0000 | 
												Шпилька
							 Под заказ  | 
					1 | 							 MANUAL START IGNITIO...								 
											MANUAL START IGNITION SUMP 
							 | 
					
							 Под заказ  | 
					Купить | |||
| 31 | 02011-D05-0000 | 
												Фиксатор провода
							 Под заказ  | 
					1 | 							 CABLES CLIP								 
											CABLES CLIP 
							 | 
					
							 Под заказ  | 
					Купить | |||
| 32 | B0007001060016000 | 
												Винт м6х16
							 Под заказ  | 
					4 | 							 Screw TCEI M6 x 16								 
											Screw TCEI M6 x 16 
							 | 
					
							 Под заказ  | 
					Купить | |||
| 33 | B0617000060000000 | 
												Гайка M6
							 Под заказ  | 
					6 | 							 NUT M6								 
											NUT M6 
							 | 
					
							 Под заказ  | 
					Купить | |||
| 34 | B0009500060000J00 | 
												Шайба
							 Под заказ  | 
					6 | 							 Washer								 
											Washer 
							 | 
					
							 Под заказ  | 
					Купить | |||
| 35 | 02102-D05-0000 | 
												Втулка водопровода
							 Под заказ  | 
					1 | 							 WATER PIPE BUSHING								 
											WATER PIPE BUSHING 
							 | 
					
							 Под заказ  | 
					Купить | |||
| 36 | 90101-10100000200 | 
												Кольцо уплотнительное 10х2
							 Под заказ  | 
					1 | 							 OR ring 10x2								 
											OR ring 10x2 
							 | 
					
							 Под заказ  | 
					Купить | |||
| 37 | 03117-D05-0000 | 
												Кольцо коленвала
							 Под заказ  | 
					3 | 							 RING FEY FK3								 
											RING FEY FK3 
							 | 
					
							 Под заказ  | 
					Купить | |||
| 38 | 03115-D05-0000 | 
												Втулка коленвала нижняя
							 Под заказ  | 
					1 | 							 TERMINAL								 
											TERMINAL 
							 | 
					
							 Под заказ  | 
					Купить | |||
| 39 | 05007-C96-0000 | 
												Прокладка
							 Под заказ  | 
					1 | 							 Carburettor gasket								 
											Carburettor gasket 
							 | 
					
							 Под заказ  | 
					Купить | |||
| 40 | 02011-C96-0000 | 
												Шланг
							 Под заказ  | 
					1 | 							 Recovery pipe								 
											Recovery pipe 
							 | 
					
							 Под заказ  | 
					Купить | |||
| 41 | 01008-C96-0000 | 
												Прокладка термостата
							 Под заказ  | 
					1 | 							 Thermostat gasket								 
											Thermostat gasket 
							 | 
					
							 Под заказ  | 
					Купить | |||
| 42 | 01006-D05-0000 | 
												Прокладка термостата
							 Под заказ  | 
					1 | 							 THERMOSTAT COVER GAS...								 
											THERMOSTAT COVER GASKET 
							 | 
					
							 Под заказ  | 
					Купить | |||
| 43 | 01005-D05-0000 | 
												Крышка термостата
							 Под заказ  | 
					1 | 							 THERMOSTAT COVER								 
											THERMOSTAT COVER 
							 | 
					
							 Под заказ  | 
					Купить | |||
| 44 | B057830005002070U | 
												Винт M5×20
							 Под заказ  | 
					3 | 							 SCREW TE M5*20								 
											SCREW TE M5*20 
							 | 
					
							 Под заказ  | 
					Купить | |||
| 45 | 02008-C96-0000 | 
												Ниппель картера
							 Под заказ  | 
					1 | 							 Connector								 
											Connector 
							 | 
					
							 Под заказ  | 
					Купить | |||
| 46 | 02009-C96-0000 | 
												Трубка
							 Под заказ  | 
					1 | 							 Water pipe								 
											Water pipe 
							 | 
					
							 Под заказ  | 
					Купить | |||
| 47 | 03116-D05-0000 | 
												Кольцо
							 Под заказ  | 
					1 | 							 OR RING								 
											OR RING 
							 | 
					
							 Под заказ  | 
					Купить | |||
| 48 | 05301-C96-0000 | 
												Шланг (Карбюратор – Насос
топливный)
							 Под заказ  | 
					1 | 							 Pipe (between ca...								 
											Pipe (between carburettor 
							and fuel pump)  | 
					
							 Под заказ  | 
					Купить | 
Нулевая цена не означает отсутствие товара. Оформите заказ, и менеджер сообщит вам цену и наличие товара, предварительно запросив их у поставщика