Запчасти для подвесных лодочных моторов MERCURY (2х-тактные)
Аксессуары 2-Х ТАКТНОГО ПЛМ MERCURY ME 2,5M Серийный номер от 0A855097 до 0G710612
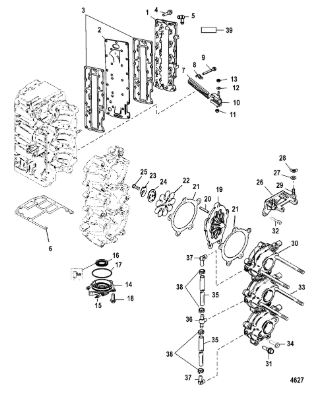
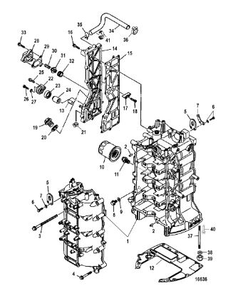
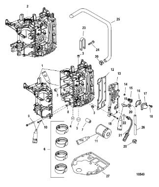
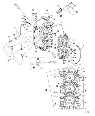
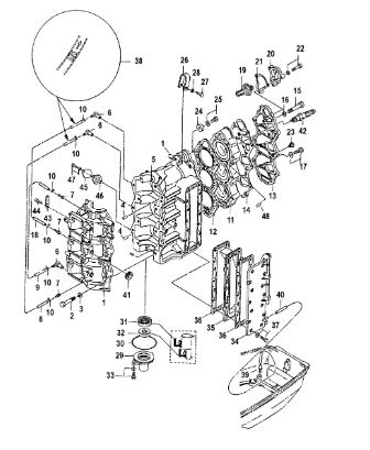
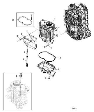
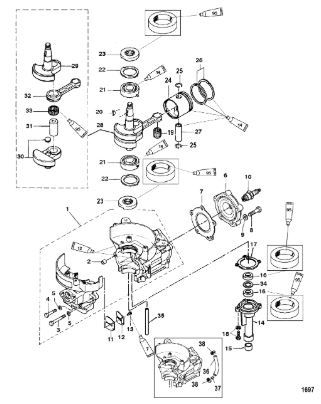
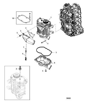
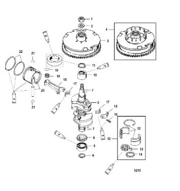
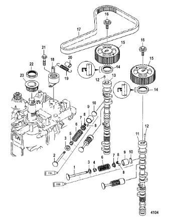
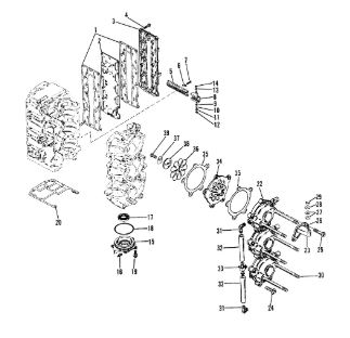
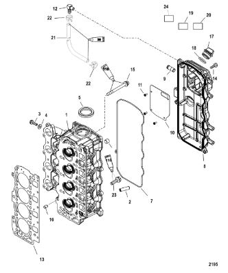
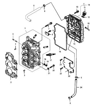
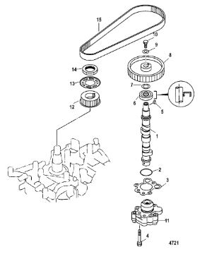
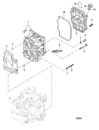
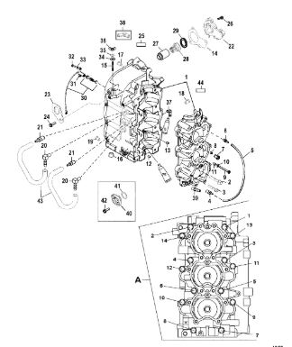
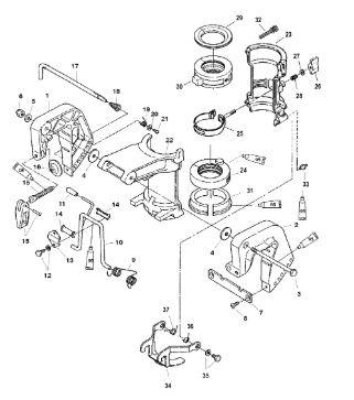
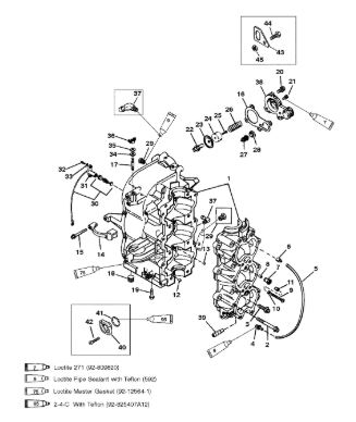
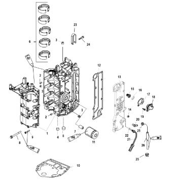
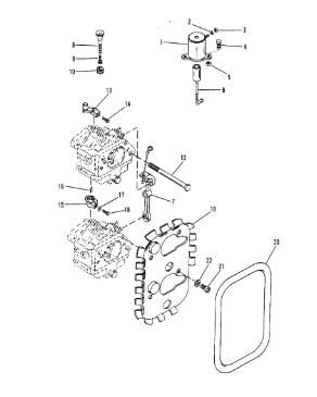
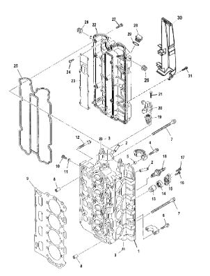
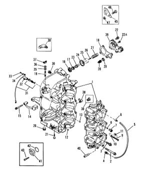
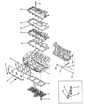
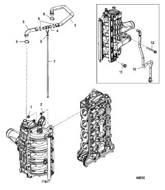
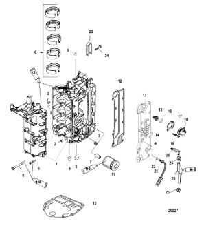
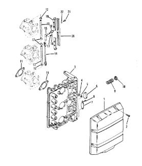
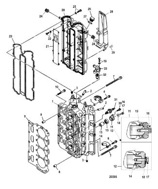
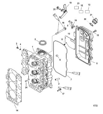
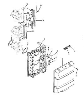
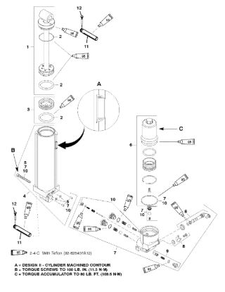
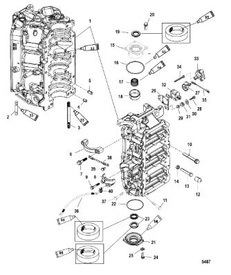
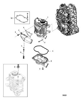
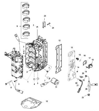
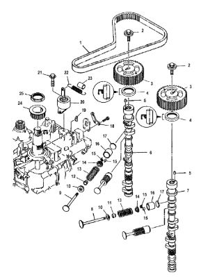
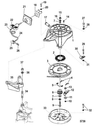
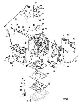
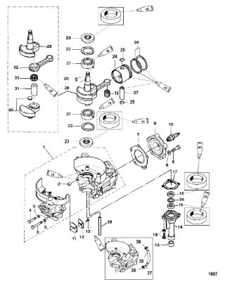
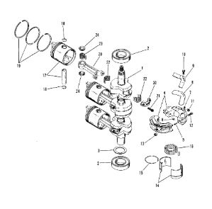
Блок цилиндров, коленчатый вал и поршень 2-Х ТАКТНОГО ПЛМ MERCURY ME 2,5M Серийный номер от 0A855097 до 0G710612
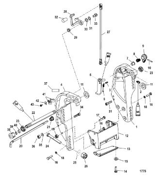
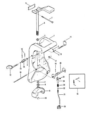
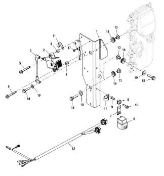
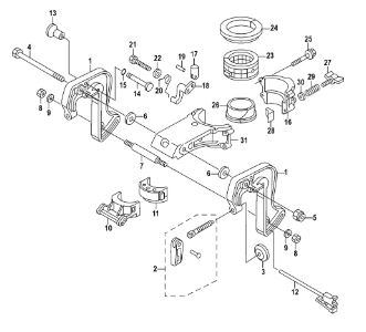
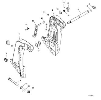
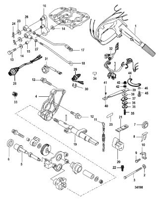
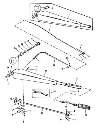
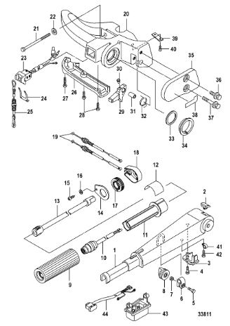
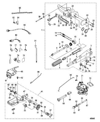
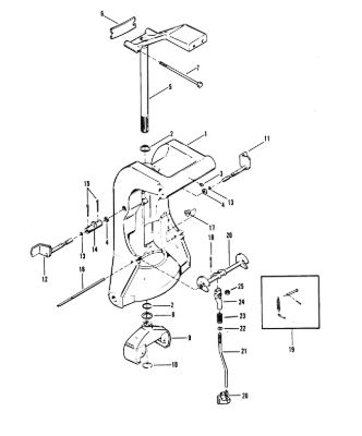
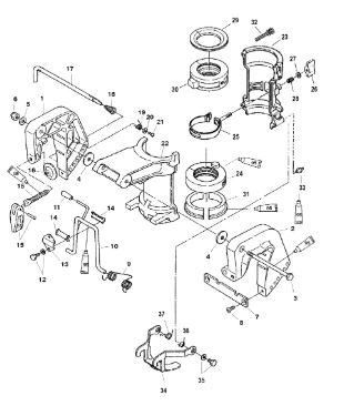
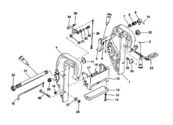
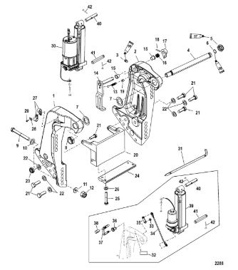
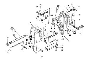
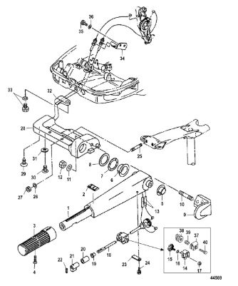
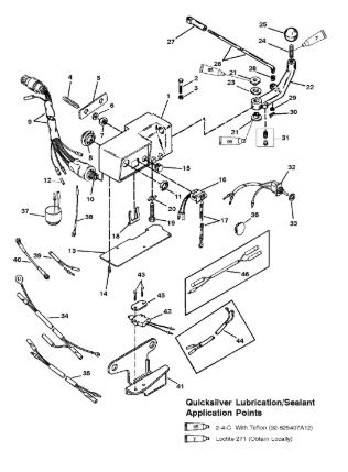
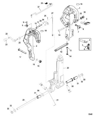
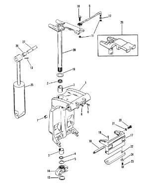
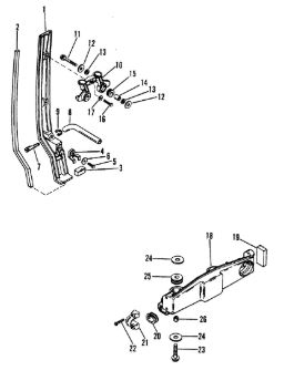
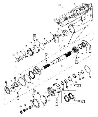
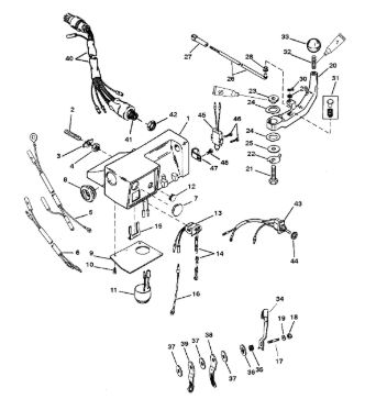
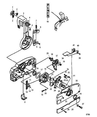
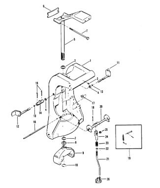
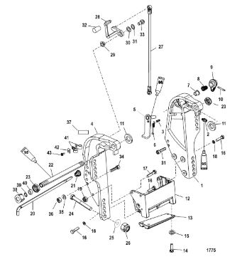
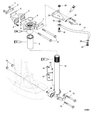
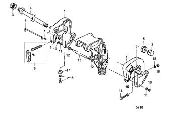
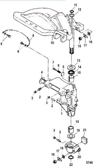
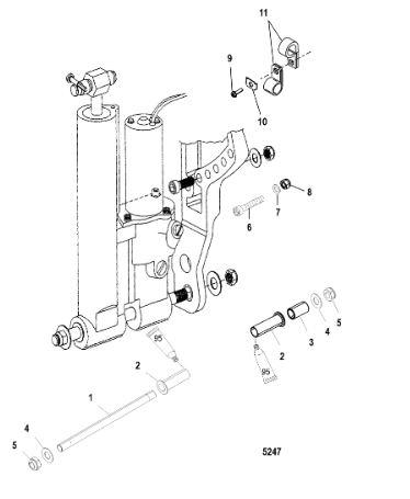
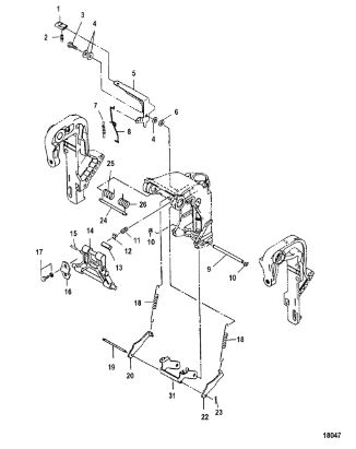
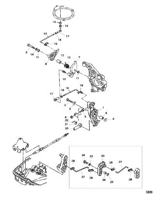
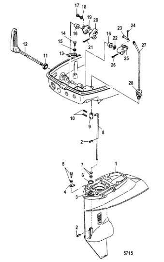
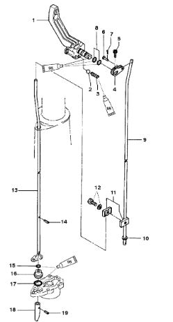
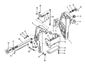
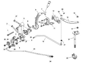
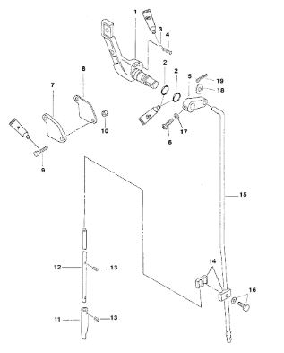
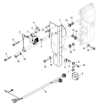
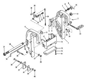
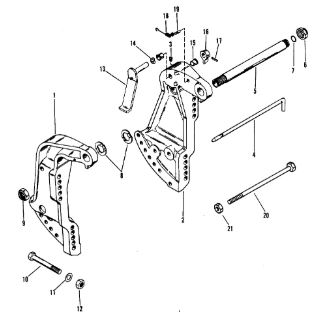
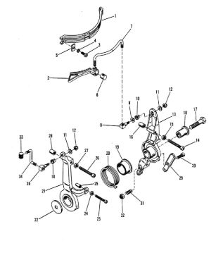
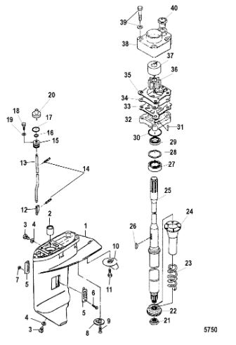
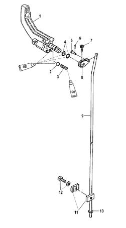
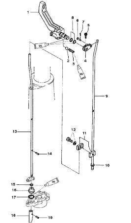
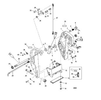
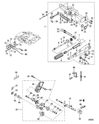
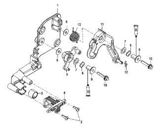
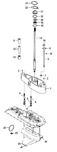
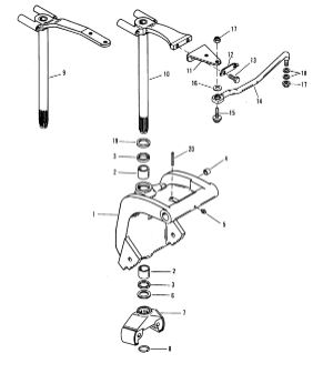
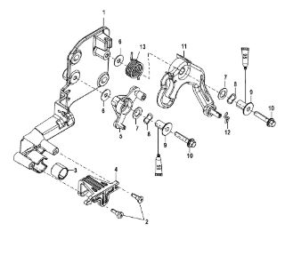
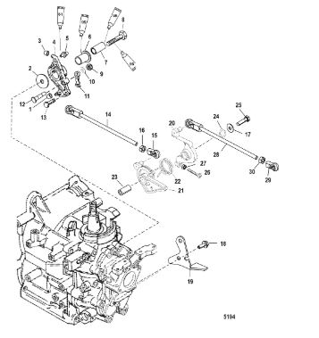
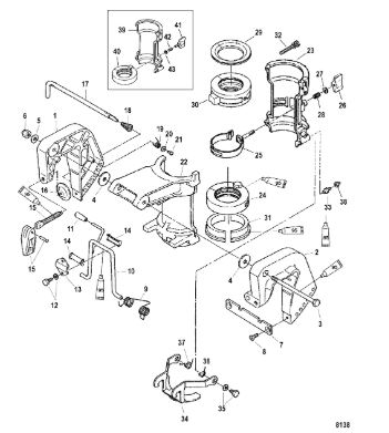
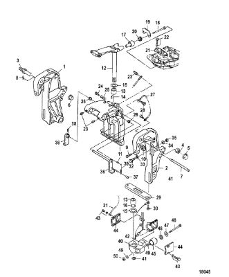
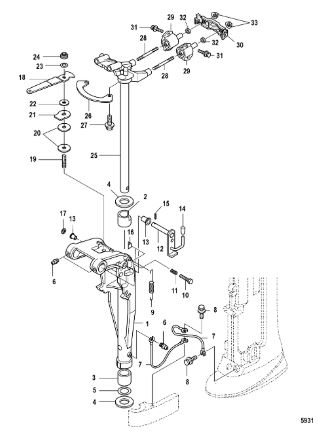
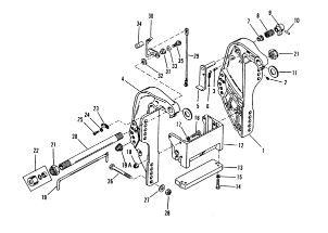
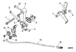
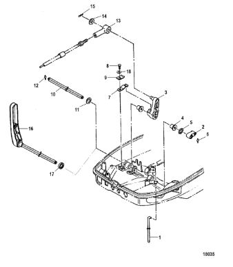
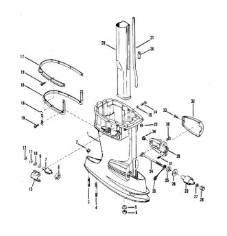
Вал и кронштейны 2-Х ТАКТНОГО ПЛМ MERCURY ME 2,5M Серийный номер от 0A855097 до 0G710612
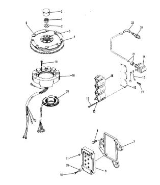
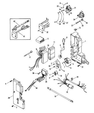
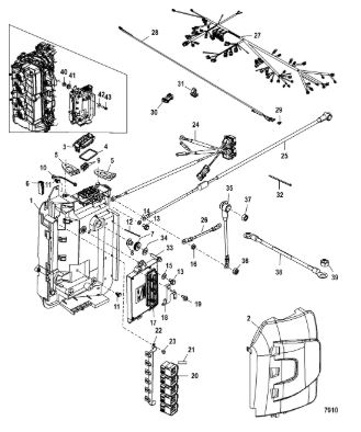
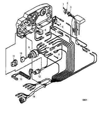
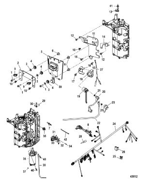
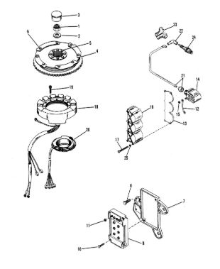
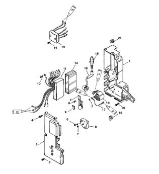
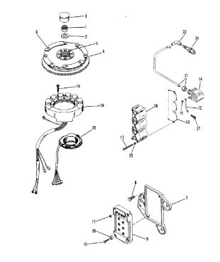
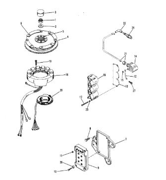
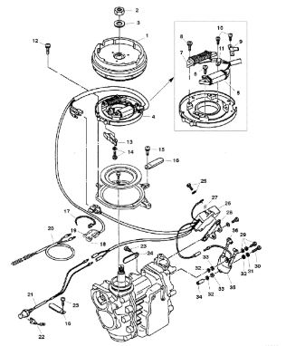
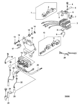
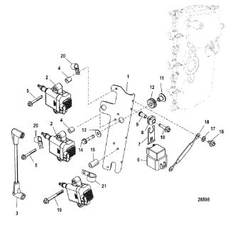
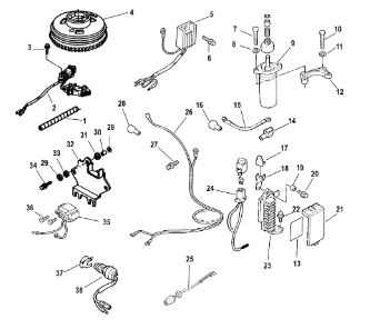
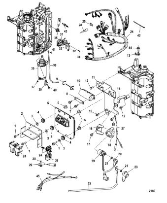
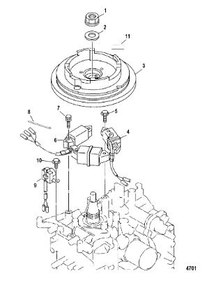
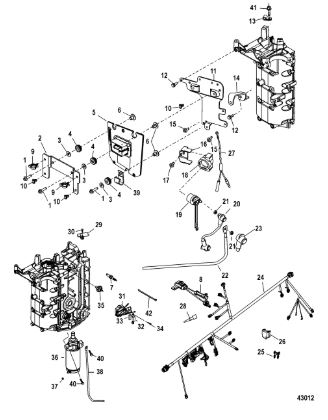
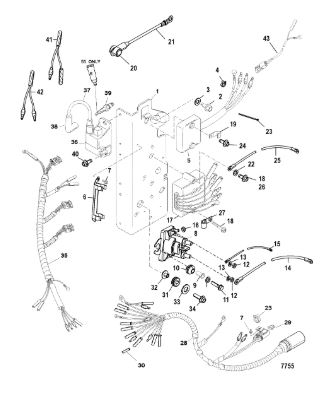
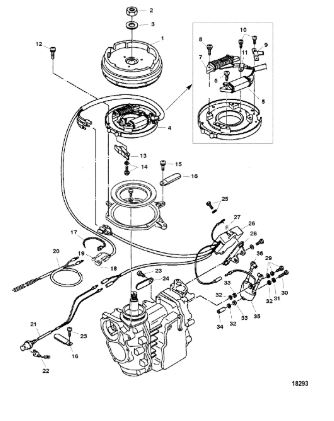
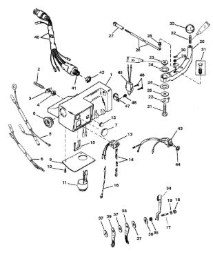
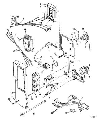
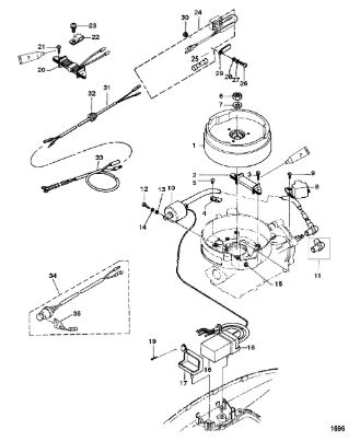
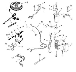
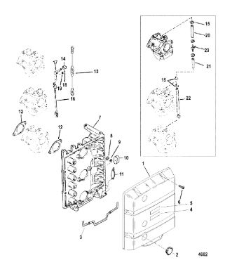
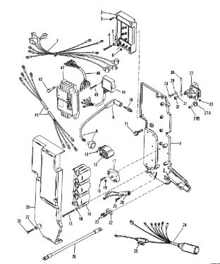
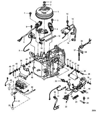
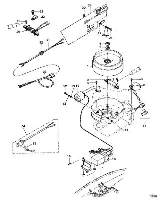
Зажигание 2-Х ТАКТНОГО ПЛМ MERCURY ME 2,5M Серийный номер от 0A855097 до 0G710612
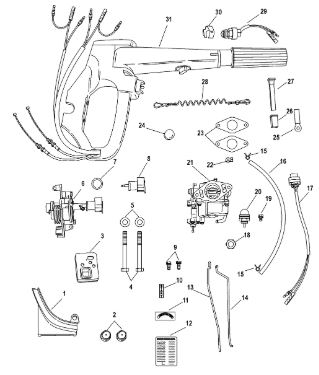
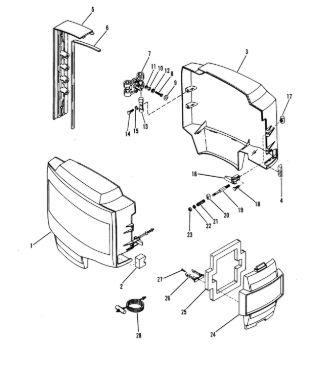
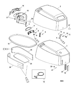
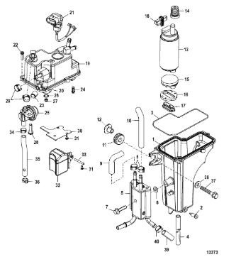
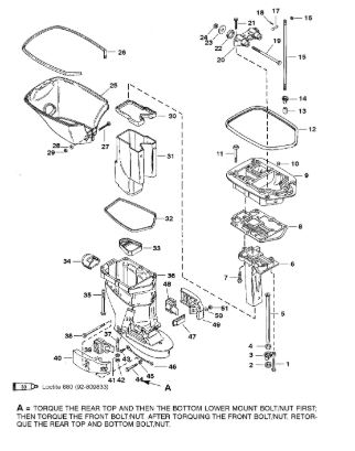
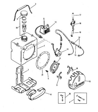
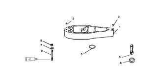
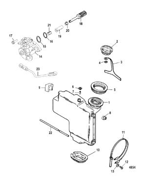
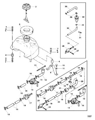
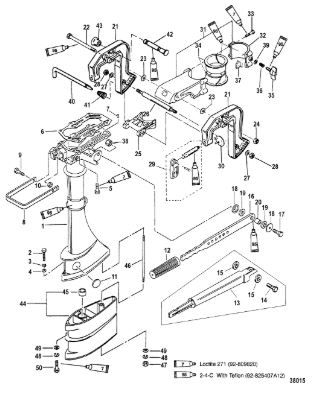
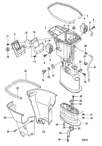
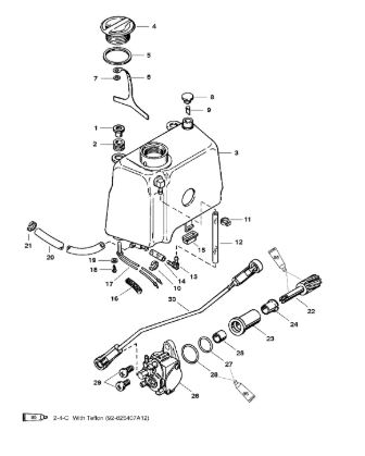
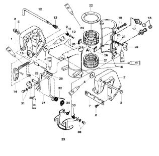
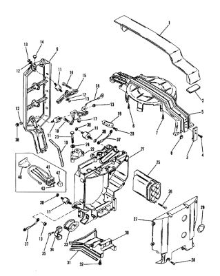
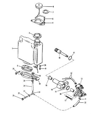
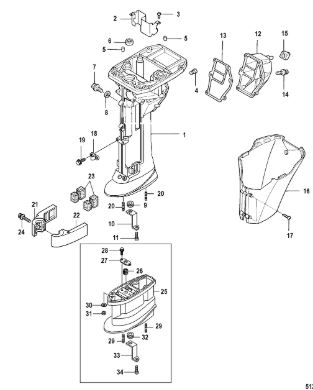
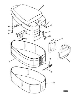
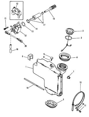
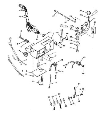
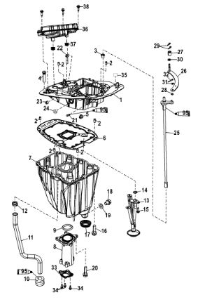
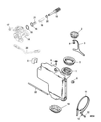
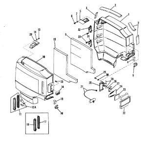
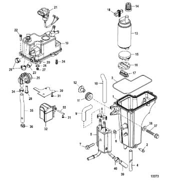
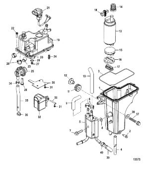
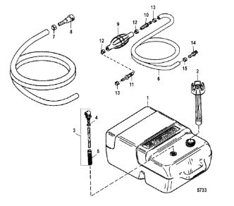
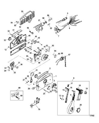
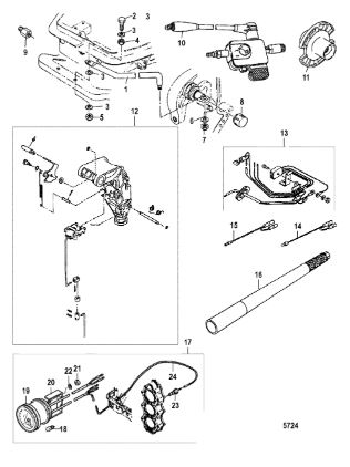
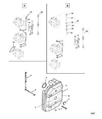
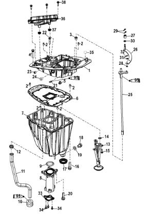
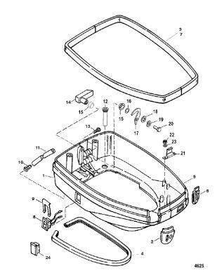
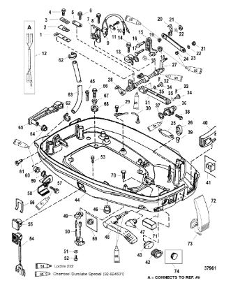
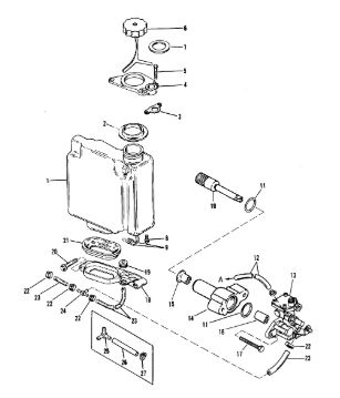
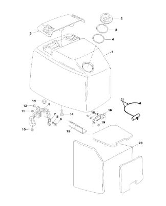
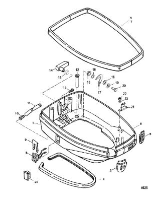
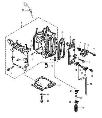
Капот и топливный бак 2-Х ТАКТНОГО ПЛМ MERCURY ME 2,5M Серийный номер от 0A855097 до 0G710612
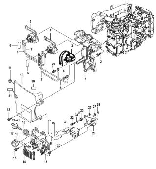
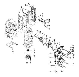
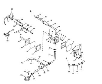
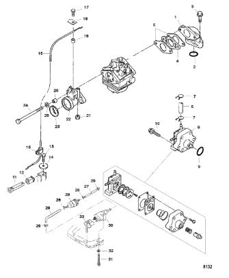
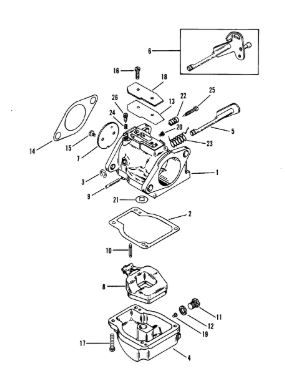
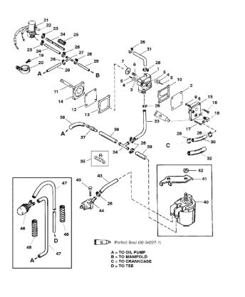
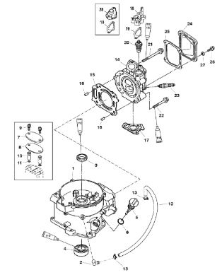
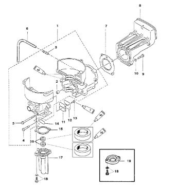
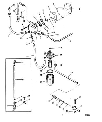
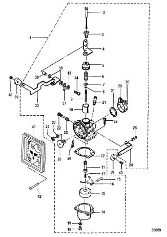
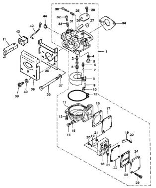
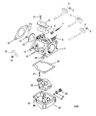
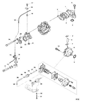
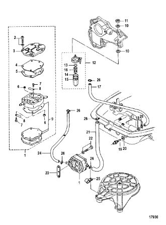
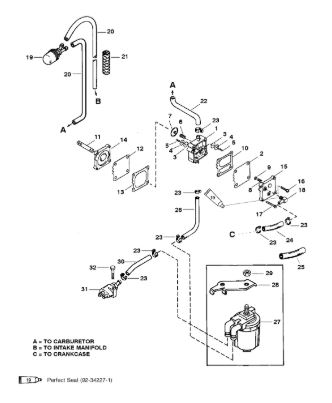
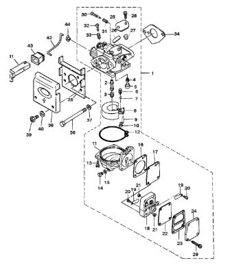
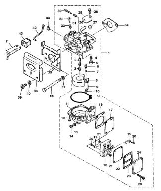
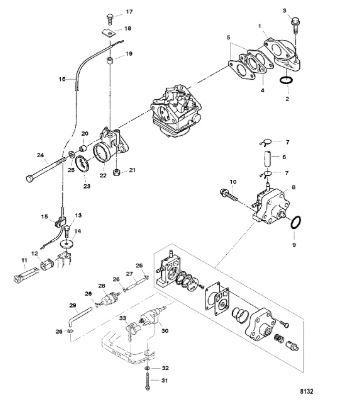
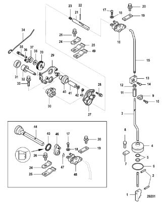
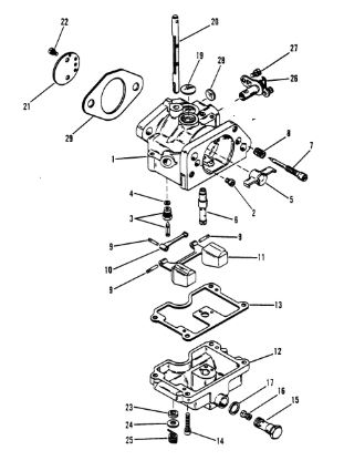
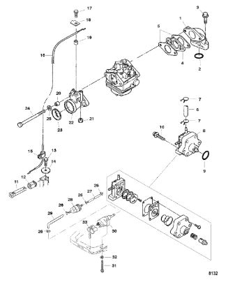
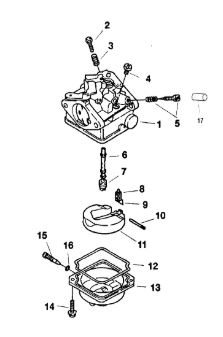
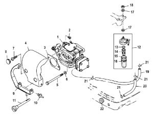
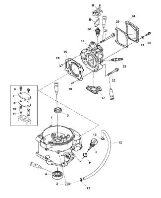
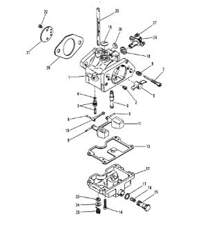
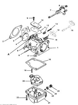
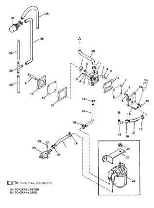
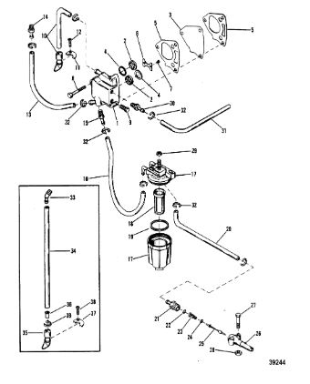
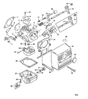
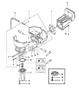
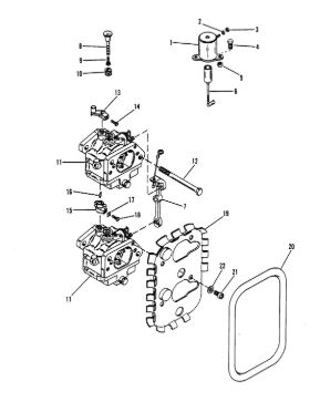
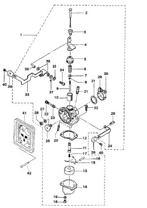
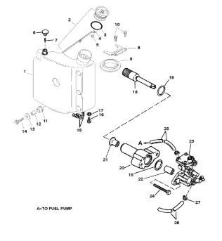
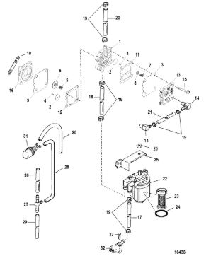
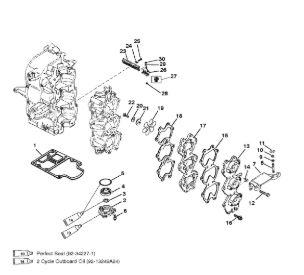
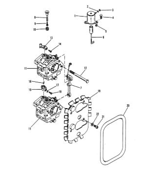
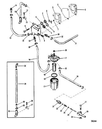
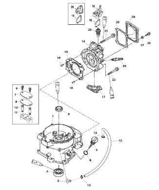
Карбюратор 2-Х ТАКТНОГО ПЛМ MERCURY ME 2,5M Серийный номер от 0A855097 до 0G710612
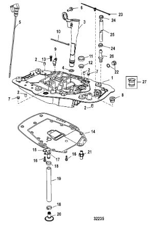
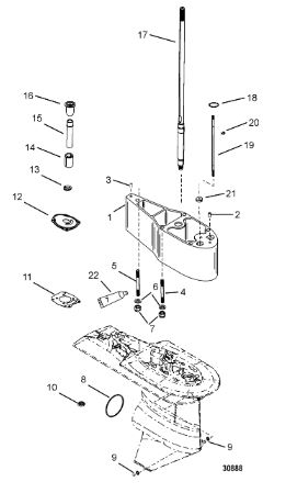
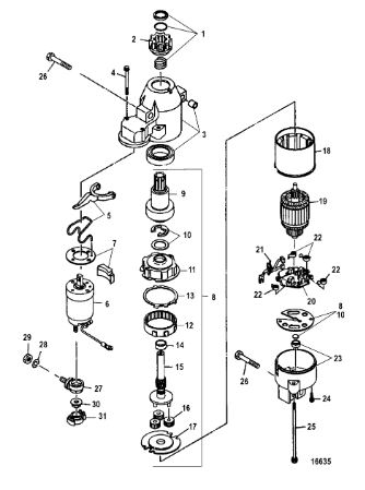
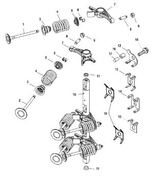
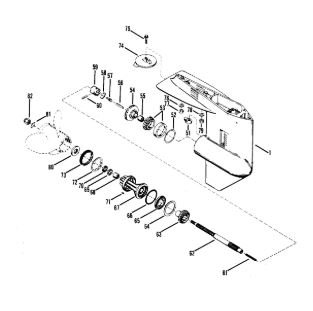
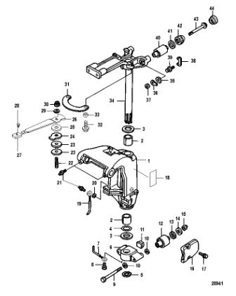
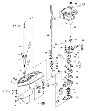
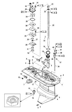
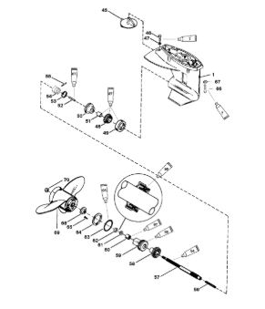
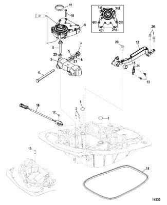
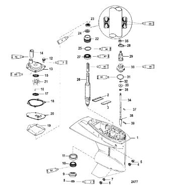
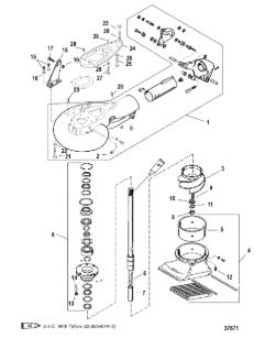
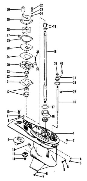
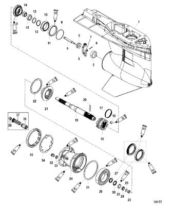
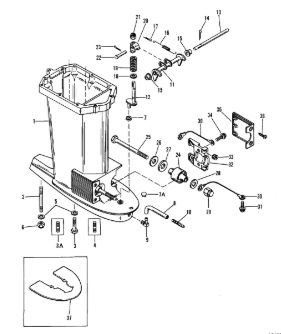
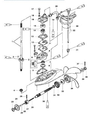
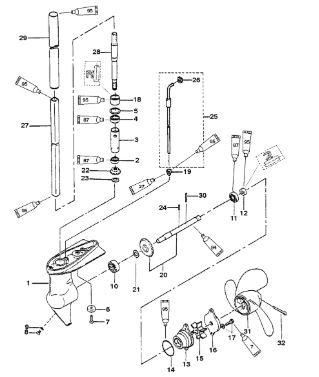
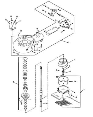
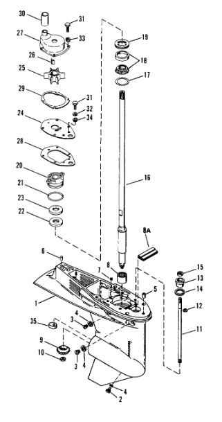
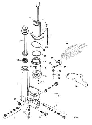
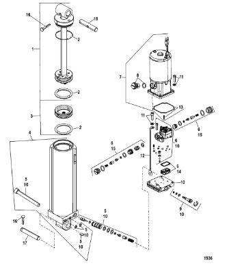
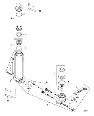
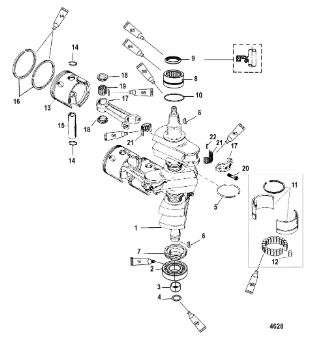
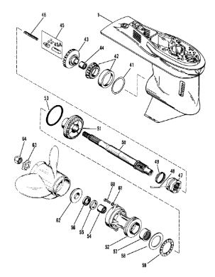
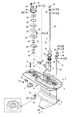
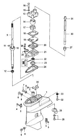
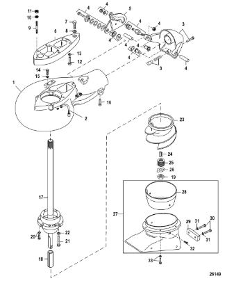
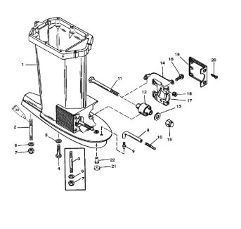
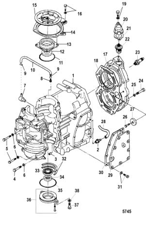
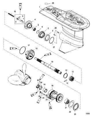
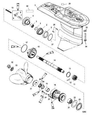
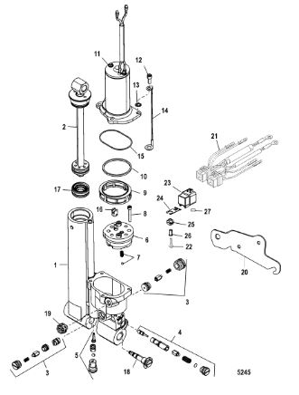
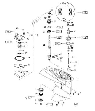
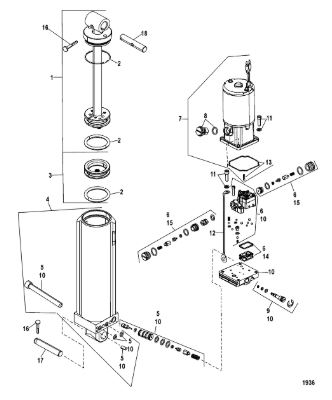
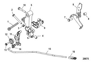
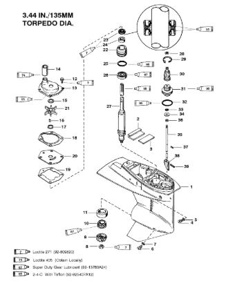
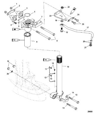
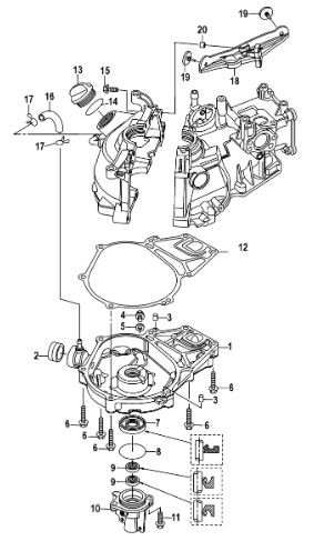
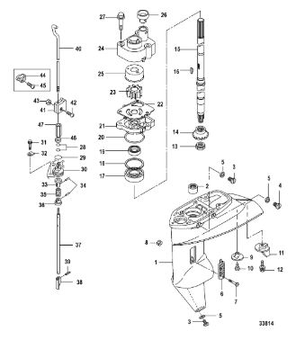
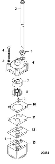
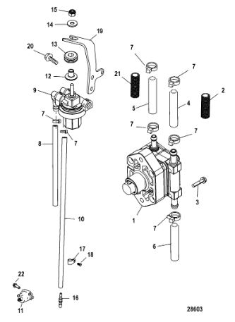
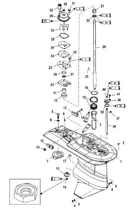
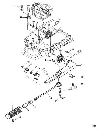
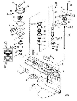
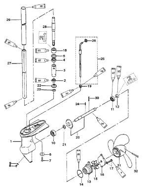
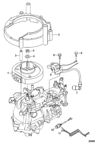
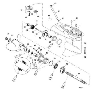
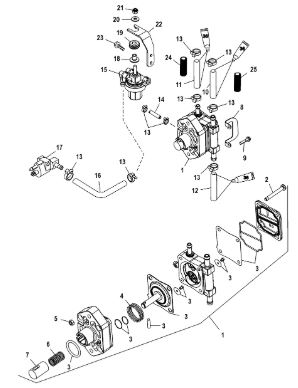
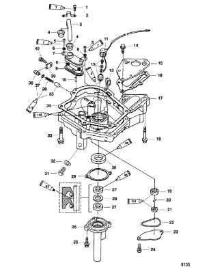
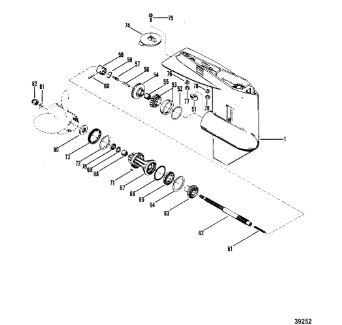
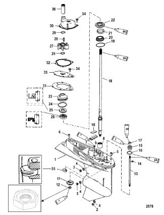
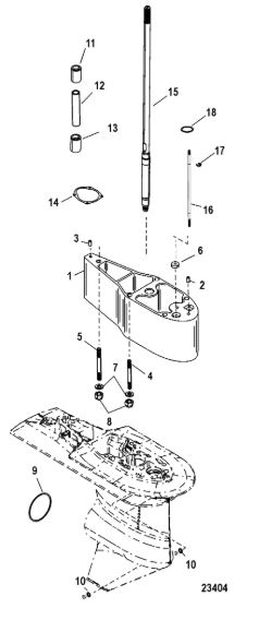
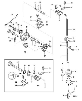
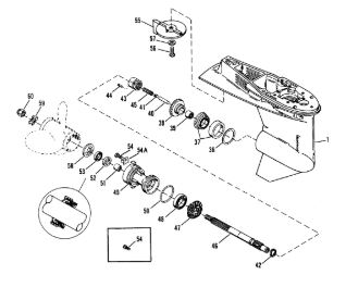
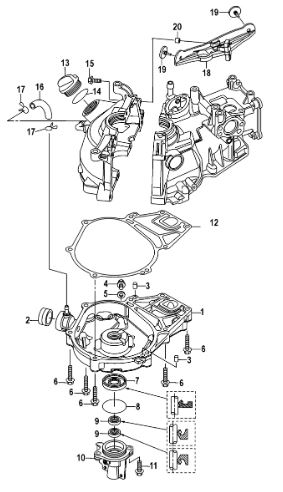
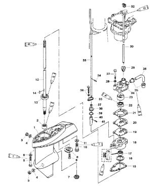
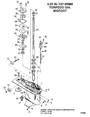
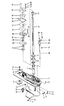
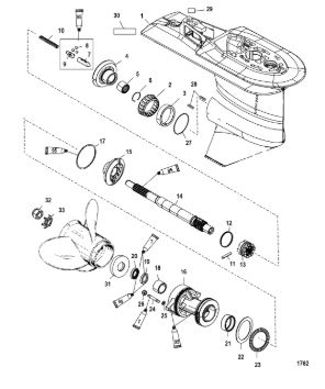
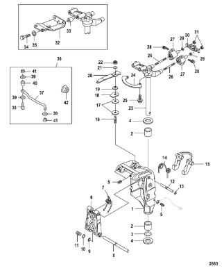
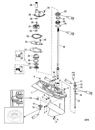
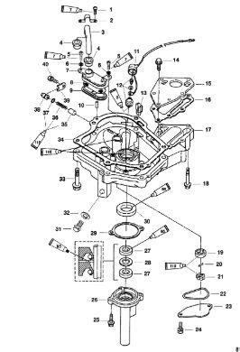
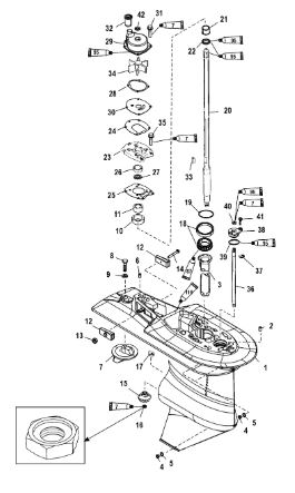
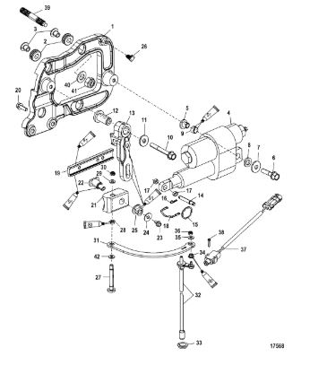
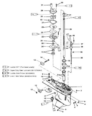
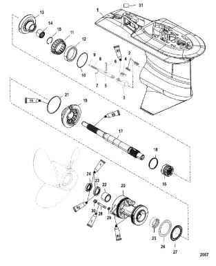
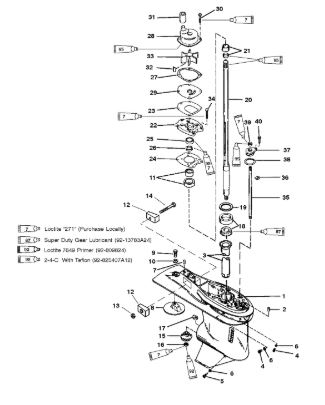
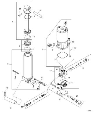
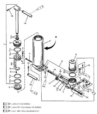
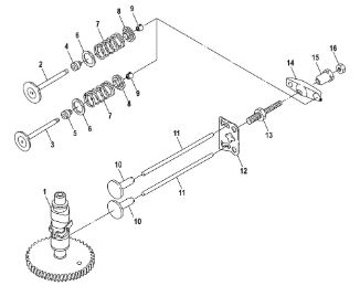
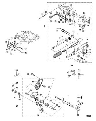
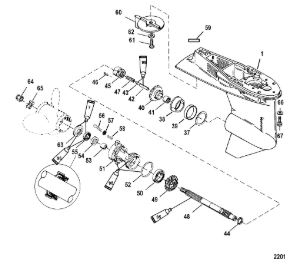
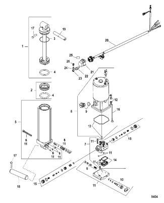
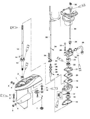
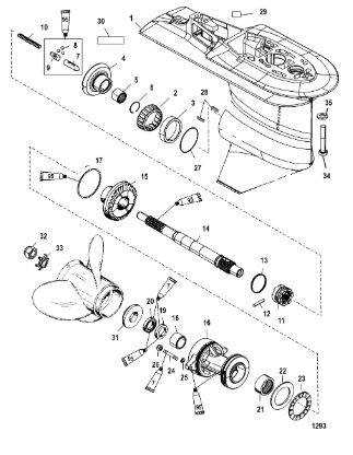
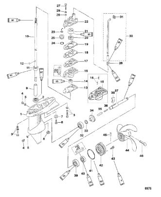
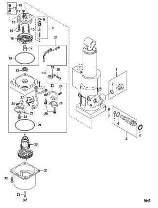
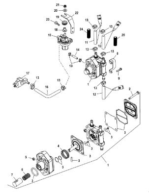
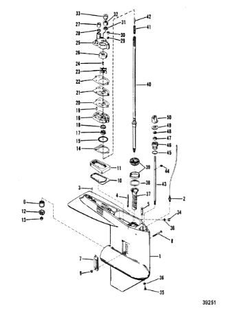
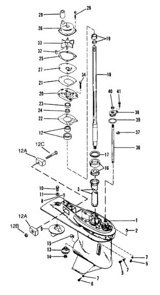
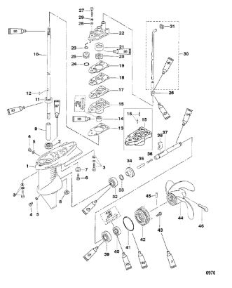
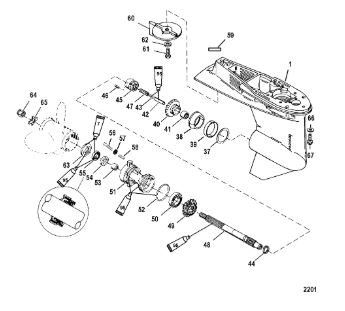
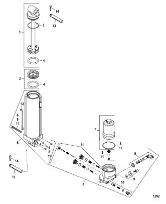
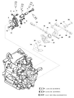
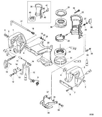
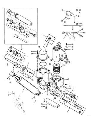
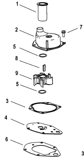
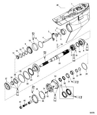
Коробка передач 2-Х ТАКТНОГО ПЛМ MERCURY ME 2,5M Серийный номер от 0A855097 до 0G710612
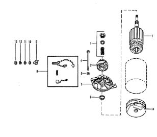
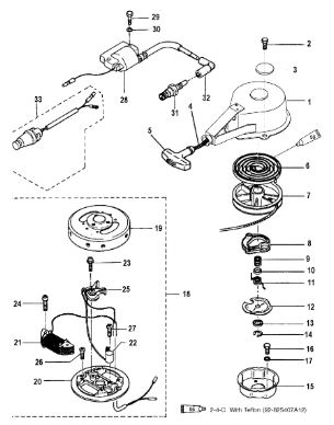
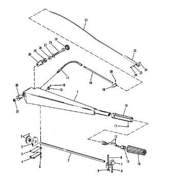
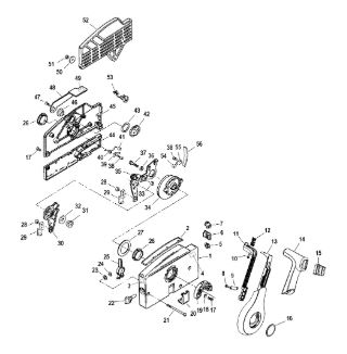
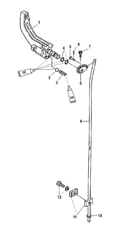
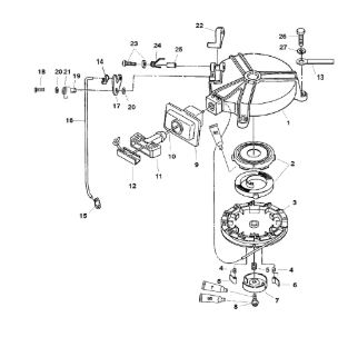
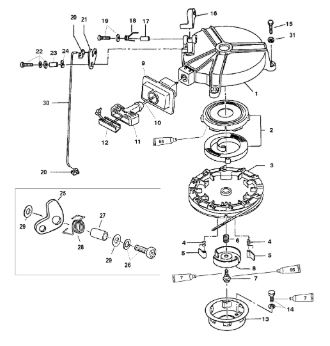
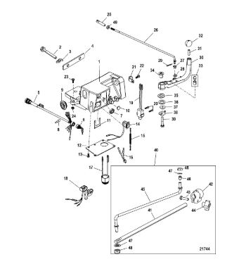
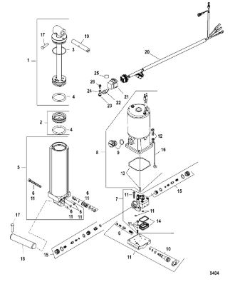
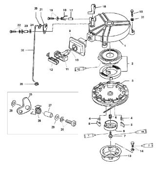
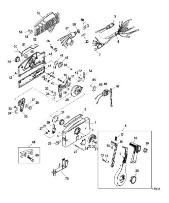
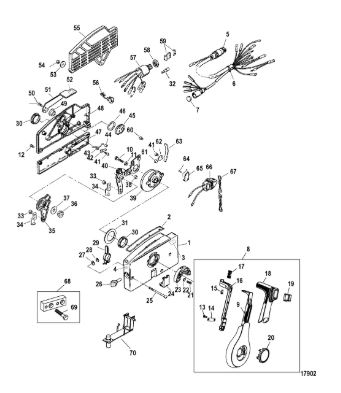
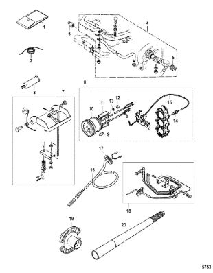
Ручной стартер 2-Х ТАКТНОГО ПЛМ MERCURY ME 2,5M Серийный номер от 0A855097 до 0G710612
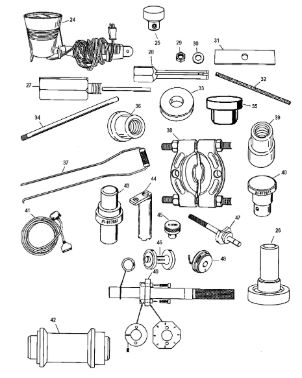
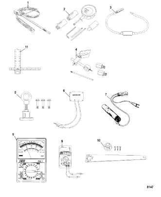
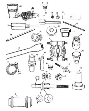
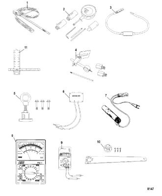
Спец. инструмент 2-Х ТАКТНОГО ПЛМ MERCURY ME 2,5M Серийный номер от 0A855097 до 0G710612
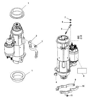
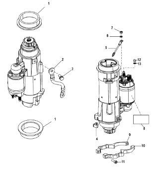
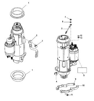
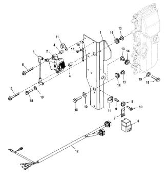
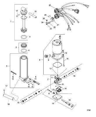
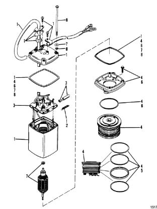
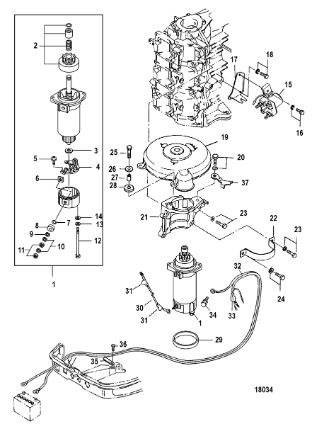
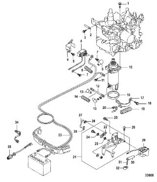
Стартер 2-Х ТАКТНОГО ПЛМ MERCURY ME 2,5M Серийный номер от 0A855097 до 0G710612
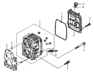
Блок цилиндров 2-Х ТАКТНОГО ПЛМ MERCURY ME 2,5M Серийный номер от 0G710613 до 0T894576
Зажигание 2-Х ТАКТНОГО ПЛМ MERCURY ME 2,5M Серийный номер от 0G710613 до 0T894576
Инструменты 2-Х ТАКТНОГО ПЛМ MERCURY ME 2,5M Серийный номер от 0G710613 до 0T894576
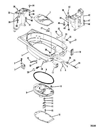
Капот и топливный бак 2-Х ТАКТНОГО ПЛМ MERCURY ME 2,5M Серийный номер от 0G710613 до 0T894576
Карбюратор 2-Х ТАКТНОГО ПЛМ MERCURY ME 2,5M Серийный номер от 0G710613 до 0T894576
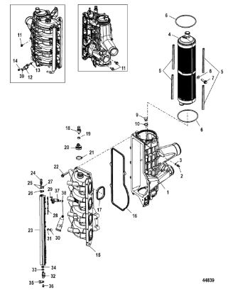
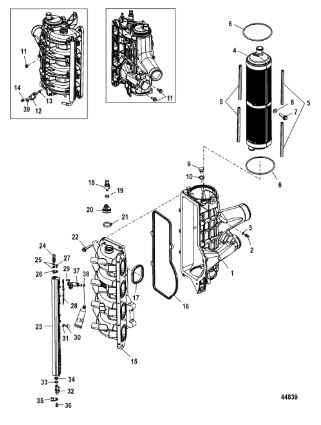
Комплектующие для прокладок двигателя 2-Х ТАКТНОГО ПЛМ MERCURY ME 2,5M Серийный номер от 0G710613 до 0T894576
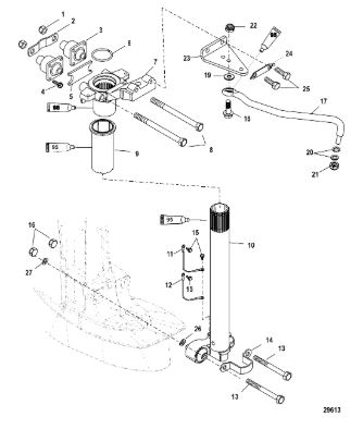
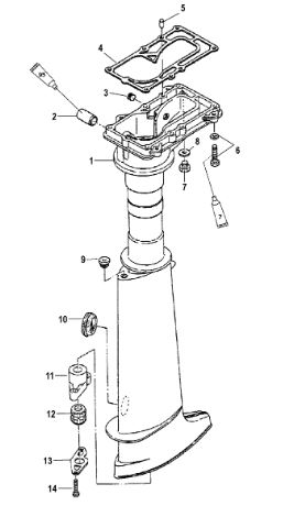
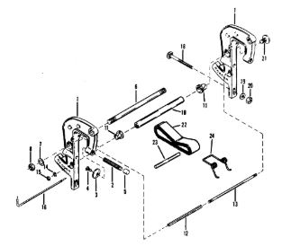
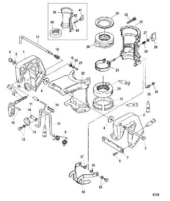
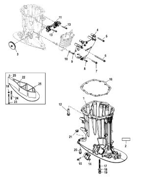
Корпус карданного вала и зажимные скобы 2-Х ТАКТНОГО ПЛМ MERCURY ME 2,5M Серийный номер от 0G710613 до 0T894576
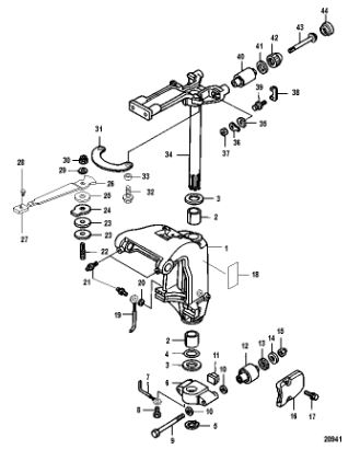
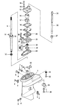
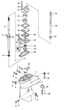
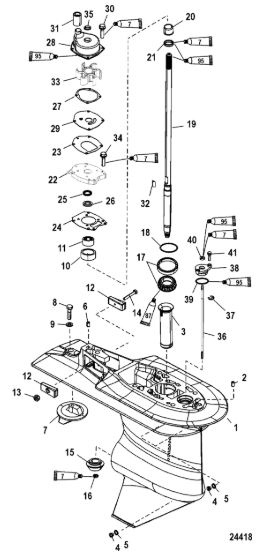
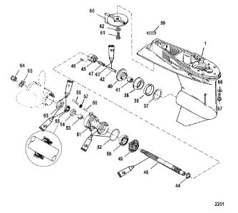
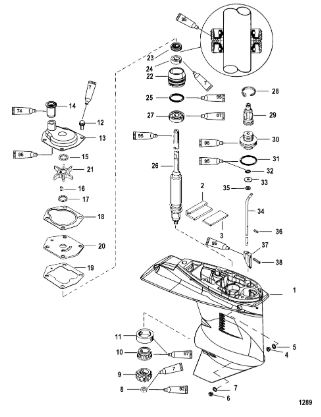
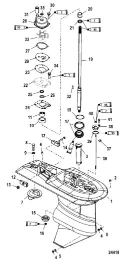
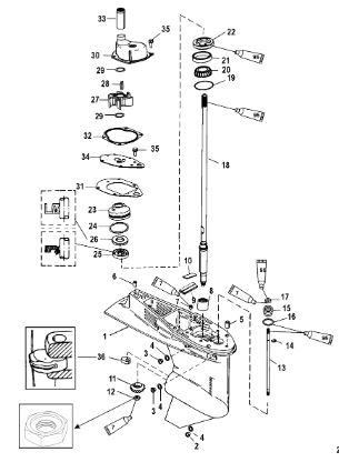
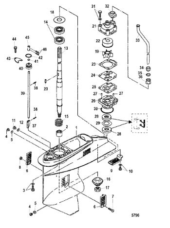
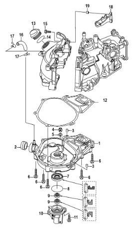
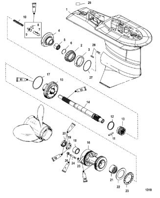
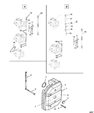
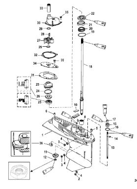
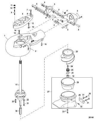
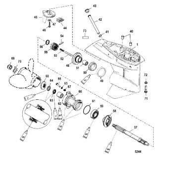
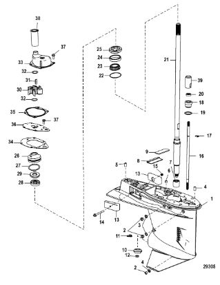
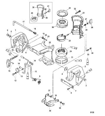
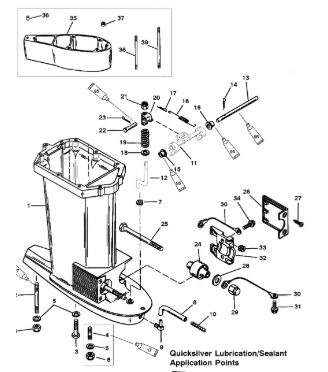
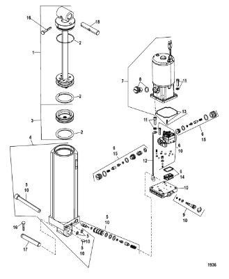
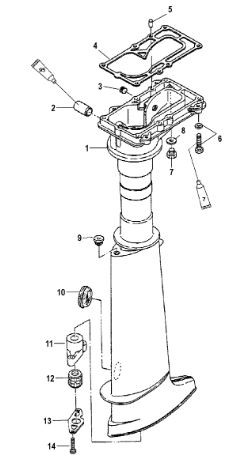
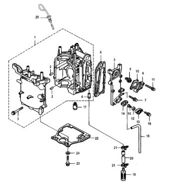
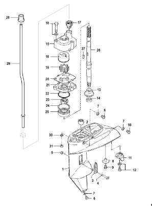
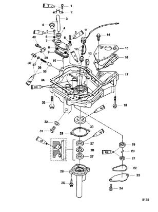
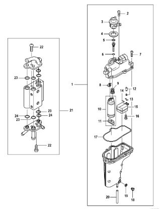
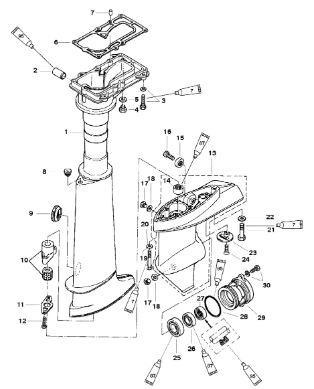
Корпус редуктора в сборе (2 / 2,5 л.с.) 2-Х ТАКТНОГО ПЛМ MERCURY ME 2,5M Серийный номер от 0G710613 до 0T894576
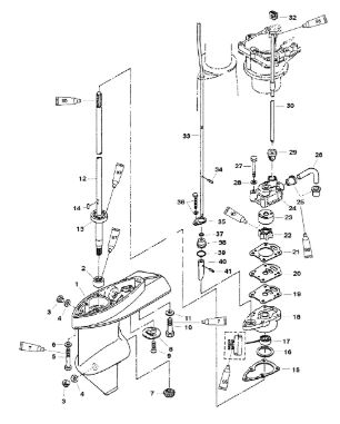
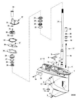
Корпус редуктора в сборе (3,3 л.с.) 2-Х ТАКТНОГО ПЛМ MERCURY ME 2,5M Серийный номер от 0G710613 до 0T894576
Ручной стартер 2-Х ТАКТНОГО ПЛМ MERCURY ME 2,5M Серийный номер от 0G710613 до 0T894576
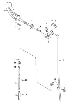
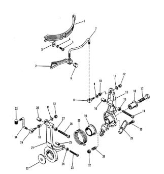
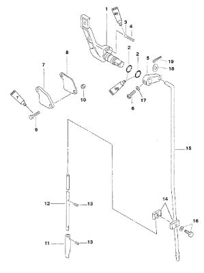
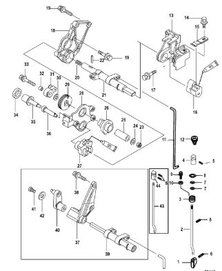
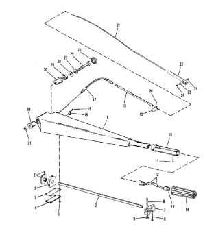
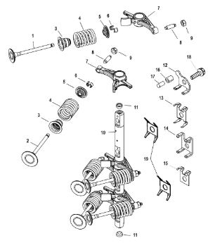
Рычаг переключения 3.3 л.с. 2-Х ТАКТНОГО ПЛМ MERCURY ME 2,5M Серийный номер от 0G710613 до 0T894576
Блок цилиндров 2-Х ТАКТНОГО ПЛМ MERCURY ME 2,5M Серийный номер от 0P017000 до 0P400999
Зажигание 2-Х ТАКТНОГО ПЛМ MERCURY ME 2,5M Серийный номер от 0P017000 до 0P400999
Инструменты 2-Х ТАКТНОГО ПЛМ MERCURY ME 2,5M Серийный номер от 0P017000 до 0P400999
Капот и топливный бак 2-Х ТАКТНОГО ПЛМ MERCURY ME 2,5M Серийный номер от 0P017000 до 0P400999
Карбюратор 2-Х ТАКТНОГО ПЛМ MERCURY ME 2,5M Серийный номер от 0P017000 до 0P400999
Коленчатый вал и поршень 2-Х ТАКТНОГО ПЛМ MERCURY ME 2,5M Серийный номер от 0P017000 до 0P400999
Комплектующие для прокладок двигателя 2-Х ТАКТНОГО ПЛМ MERCURY ME 2,5M Серийный номер от 0P017000 до 0P400999
Корпус карданного вала и зажимные скобы 2-Х ТАКТНОГО ПЛМ MERCURY ME 2,5M Серийный номер от 0P017000 до 0P400999
Корпус редуктора в сборе (2 / 2,5 л.с.) 2-Х ТАКТНОГО ПЛМ MERCURY ME 2,5M Серийный номер от 0P017000 до 0P400999
Корпус редуктора в сборе (3,3 л.с.) 2-Х ТАКТНОГО ПЛМ MERCURY ME 2,5M Серийный номер от 0P017000 до 0P400999
Ручной стартер 2-Х ТАКТНОГО ПЛМ MERCURY ME 2,5M Серийный номер от 0P017000 до 0P400999
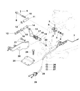
Рычаг КПП 2-Х ТАКТНОГО ПЛМ MERCURY ME 2,5M Серийный номер от 0P017000 до 0P400999
Блок цилиндров 2-Х ТАКТНОГО ПЛМ MERCURY ME 2,5M Серийный номер от 0P401000 и выше
Зажигание 2-Х ТАКТНОГО ПЛМ MERCURY ME 2,5M Серийный номер от 0P401000 и выше
Инструменты 2-Х ТАКТНОГО ПЛМ MERCURY ME 2,5M Серийный номер от 0P401000 и выше
Капот и топливный бак, 1B575522 и ниже 2-Х ТАКТНОГО ПЛМ MERCURY ME 2,5M Серийный номер от 0P401000 и выше
Капот и топливный бак, 1B575523 и выше 2-Х ТАКТНОГО ПЛМ MERCURY ME 2,5M Серийный номер от 0P401000 и выше
Карбюратор 2-Х ТАКТНОГО ПЛМ MERCURY ME 2,5M Серийный номер от 0P401000 и выше
Коленчатый вал и поршень 2-Х ТАКТНОГО ПЛМ MERCURY ME 2,5M Серийный номер от 0P401000 и выше
Комплектующие для прокладок двигателя 2-Х ТАКТНОГО ПЛМ MERCURY ME 2,5M Серийный номер от 0P401000 и выше
Корпус карданного вала и зажимные скобы 2-Х ТАКТНОГО ПЛМ MERCURY ME 2,5M Серийный номер от 0P401000 и выше
Корпус редуктора в сборе, 2 / 2.5 л.с. 2-Х ТАКТНОГО ПЛМ MERCURY ME 2,5M Серийный номер от 0P401000 и выше
Корпус редуктора в сборе, 3.3 л.с. 2-Х ТАКТНОГО ПЛМ MERCURY ME 2,5M Серийный номер от 0P401000 и выше
Ручной стартер 2-Х ТАКТНОГО ПЛМ MERCURY ME 2,5M Серийный номер от 0P401000 и выше
Рычаг КПП, 3.3 л.с. 2-Х ТАКТНОГО ПЛМ MERCURY ME 2,5M Серийный номер от 0P401000 и выше
Блок цилиндров 2-Х ТАКТНОГО ПЛМ MERCURY ME 2,5M Серийный номер от 0T894577 и выше
Зажигание 2-Х ТАКТНОГО ПЛМ MERCURY ME 2,5M Серийный номер от 0T894577 и выше
Инструменты 2-Х ТАКТНОГО ПЛМ MERCURY ME 2,5M Серийный номер от 0T894577 и выше
Капот и топливный бак, 1B575522 и ранее 2-Х ТАКТНОГО ПЛМ MERCURY ME 2,5M Серийный номер от 0T894577 и выше
Капот и топливный бак, 1B575523 и выше 2-Х ТАКТНОГО ПЛМ MERCURY ME 2,5M Серийный номер от 0T894577 и выше
Карбюратор 2-Х ТАКТНОГО ПЛМ MERCURY ME 2,5M Серийный номер от 0T894577 и выше
Коленчатый вал и поршень 2-Х ТАКТНОГО ПЛМ MERCURY ME 2,5M Серийный номер от 0T894577 и выше
Комплектующие для прокладок двигателя 2-Х ТАКТНОГО ПЛМ MERCURY ME 2,5M Серийный номер от 0T894577 и выше
Корпус карданного вала и зажимные скобы 2-Х ТАКТНОГО ПЛМ MERCURY ME 2,5M Серийный номер от 0T894577 и выше
Корпус редуктора в сборе, 2 / 2.5 л.с. 2-Х ТАКТНОГО ПЛМ MERCURY ME 2,5M Серийный номер от 0T894577 и выше
Корпус редуктора в сборе, 3.3 л.с. 2-Х ТАКТНОГО ПЛМ MERCURY ME 2,5M Серийный номер от 0T894577 и выше
Ручной стартер 2-Х ТАКТНОГО ПЛМ MERCURY ME 2,5M Серийный номер от 0T894577 и выше
Рычаг КПП, 3.3 л.с. 2-Х ТАКТНОГО ПЛМ MERCURY ME 2,5M Серийный номер от 0T894577 и выше
Блок цилиндров 2-Х ТАКТНОГО ПЛМ MERCURY 3.3M Серийный номер от 0D901217 до 0G710612
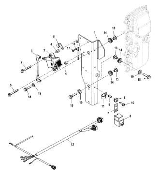
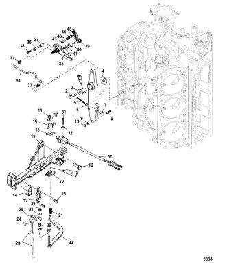
Вал и кронштейны 2-Х ТАКТНОГО ПЛМ MERCURY 3.3M Серийный номер от 0D901217 до 0G710612
Зажигание 2-Х ТАКТНОГО ПЛМ MERCURY 3.3M Серийный номер от 0D901217 до 0G710612
Капот и топливный бак 2-Х ТАКТНОГО ПЛМ MERCURY 3.3M Серийный номер от 0D901217 до 0G710612
Карбюратор 2-Х ТАКТНОГО ПЛМ MERCURY 3.3M Серийный номер от 0D901217 до 0G710612
Коленвал 2-Х ТАКТНОГО ПЛМ MERCURY 3.3M Серийный номер от 0D901217 до 0G710612
Коробка передач 2-Х ТАКТНОГО ПЛМ MERCURY 3.3M Серийный номер от 0D901217 до 0G710612
Ручной стартер 2-Х ТАКТНОГО ПЛМ MERCURY 3.3M Серийный номер от 0D901217 до 0G710612
Рычаг переключения передач 2-Х ТАКТНОГО ПЛМ MERCURY 3.3M Серийный номер от 0D901217 до 0G710612
Специальные инструменты 2-Х ТАКТНОГО ПЛМ MERCURY 3.3M Серийный номер от 0D901217 до 0G710612
Блок цилиндров 2-Х ТАКТНОГО ПЛМ MERCURY 3.3M Серийный номер от 0G710613 до 0T894576
Зажигание 2-Х ТАКТНОГО ПЛМ MERCURY 3.3M Серийный номер от 0G710613 до 0T894576
Инструменты 2-Х ТАКТНОГО ПЛМ MERCURY 3.3M Серийный номер от 0G710613 до 0T894576
Капот и топливный бак 2-Х ТАКТНОГО ПЛМ MERCURY 3.3M Серийный номер от 0G710613 до 0T894576
Карбюратор 2-Х ТАКТНОГО ПЛМ MERCURY 3.3M Серийный номер от 0G710613 до 0T894576
Коленчатый вал и поршень 2-Х ТАКТНОГО ПЛМ MERCURY 3.3M Серийный номер от 0G710613 до 0T894576
Комплектующие для прокладок двигателя 2-Х ТАКТНОГО ПЛМ MERCURY 3.3M Серийный номер от 0G710613 до 0T894576
Корпус карданного вала и зажимные скобы 2-Х ТАКТНОГО ПЛМ MERCURY 3.3M Серийный номер от 0G710613 до 0T894576
Корпус редуктора в сборе (2 / 2,5 л.с.) 2-Х ТАКТНОГО ПЛМ MERCURY 3.3M Серийный номер от 0G710613 до 0T894576
Корпус редуктора в сборе (3,3 л.с.) 2-Х ТАКТНОГО ПЛМ MERCURY 3.3M Серийный номер от 0G710613 до 0T894576
Механизм переключения передач 2-Х ТАКТНОГО ПЛМ MERCURY 3.3M Серийный номер от 0G710613 до 0T894576
Ручной стартер 2-Х ТАКТНОГО ПЛМ MERCURY 3.3M Серийный номер от 0G710613 до 0T894576
Блок цилиндров 2-Х ТАКТНОГО ПЛМ MERCURY 3.3M Серийный номер от 0P017000 до 0P400999
Зажигание 2-Х ТАКТНОГО ПЛМ MERCURY 3.3M Серийный номер от 0P017000 до 0P400999
Инструменты 2-Х ТАКТНОГО ПЛМ MERCURY 3.3M Серийный номер от 0P017000 до 0P400999
Капот и топливный бак 2-Х ТАКТНОГО ПЛМ MERCURY 3.3M Серийный номер от 0P017000 до 0P400999
Карбюратор 2-Х ТАКТНОГО ПЛМ MERCURY 3.3M Серийный номер от 0P017000 до 0P400999
Коленчатый вал и поршень 2-Х ТАКТНОГО ПЛМ MERCURY 3.3M Серийный номер от 0P017000 до 0P400999
Комплектующие для прокладок двигателя 2-Х ТАКТНОГО ПЛМ MERCURY 3.3M Серийный номер от 0P017000 до 0P400999
Корпус карданного вала и зажимные скобы 2-Х ТАКТНОГО ПЛМ MERCURY 3.3M Серийный номер от 0P017000 до 0P400999
Корпус редуктора в сборе (2 / 2,5 л.с.) 2-Х ТАКТНОГО ПЛМ MERCURY 3.3M Серийный номер от 0P017000 до 0P400999
Корпус редуктора в сборе (3,3 л.с.) 2-Х ТАКТНОГО ПЛМ MERCURY 3.3M Серийный номер от 0P017000 до 0P400999
Механизм переключения передач 2-Х ТАКТНОГО ПЛМ MERCURY 3.3M Серийный номер от 0P017000 до 0P400999
Ручной стартер 2-Х ТАКТНОГО ПЛМ MERCURY 3.3M Серийный номер от 0P017000 до 0P400999
Блок цилиндров 2-Х ТАКТНОГО ПЛМ MERCURY 3.3M Серийный номер от 0P401000 и выше
Зажигание 2-Х ТАКТНОГО ПЛМ MERCURY 3.3M Серийный номер от 0P401000 и выше
Инструменты 2-Х ТАКТНОГО ПЛМ MERCURY 3.3M Серийный номер от 0P401000 и выше
Капот и топливный бак, 1B575522 и ниже 2-Х ТАКТНОГО ПЛМ MERCURY 3.3M Серийный номер от 0P401000 и выше
Карбюратор 2-Х ТАКТНОГО ПЛМ MERCURY 3.3M Серийный номер от 0P401000 и выше
Коленчатый вал и поршень 2-Х ТАКТНОГО ПЛМ MERCURY 3.3M Серийный номер от 0P401000 и выше
Комплектующие для прокладок двигателя 2-Х ТАКТНОГО ПЛМ MERCURY 3.3M Серийный номер от 0P401000 и выше
Корпус карданного вала и зажимные скобы 2-Х ТАКТНОГО ПЛМ MERCURY 3.3M Серийный номер от 0P401000 и выше
Корпус редуктора в сборе, 2 / 2.5 л.с. 2-Х ТАКТНОГО ПЛМ MERCURY 3.3M Серийный номер от 0P401000 и выше
Корпус редуктора в сборе, 3.3 л.с. 2-Х ТАКТНОГО ПЛМ MERCURY 3.3M Серийный номер от 0P401000 и выше
Ручной стартер 2-Х ТАКТНОГО ПЛМ MERCURY 3.3M Серийный номер от 0P401000 и выше
Рычаг переключения передач 2-Х ТАКТНОГО ПЛМ MERCURY 3.3M Серийный номер от 0P401000 и выше
Блок цилиндров 2-Х ТАКТНОГО ПЛМ MERCURY 3.3M Серийный номер от 0T894577 и выше
Зажигание 2-Х ТАКТНОГО ПЛМ MERCURY 3.3M Серийный номер от 0T894577 и выше
Инструменты 2-Х ТАКТНОГО ПЛМ MERCURY 3.3M Серийный номер от 0T894577 и выше
Капот и топливный бак, 1B575522 и ниже 2-Х ТАКТНОГО ПЛМ MERCURY 3.3M Серийный номер от 0T894577 и выше
Капот и топливный бак, 1B575523 и выше 2-Х ТАКТНОГО ПЛМ MERCURY 3.3M Серийный номер от 0T894577 и выше
Карбюратор 2-Х ТАКТНОГО ПЛМ MERCURY 3.3M Серийный номер от 0T894577 и выше
Коленчатый вал и поршень 2-Х ТАКТНОГО ПЛМ MERCURY 3.3M Серийный номер от 0T894577 и выше
Комплектующие для прокладок двигателя 2-Х ТАКТНОГО ПЛМ MERCURY 3.3M Серийный номер от 0T894577 и выше
Корпус карданного вала и зажимные скобы 2-Х ТАКТНОГО ПЛМ MERCURY 3.3M Серийный номер от 0T894577 и выше
Корпус редуктора в сборе, 2 / 2.5 л.с. 2-Х ТАКТНОГО ПЛМ MERCURY 3.3M Серийный номер от 0T894577 и выше
Корпус редуктора в сборе, 3.3 л.с. 2-Х ТАКТНОГО ПЛМ MERCURY 3.3M Серийный номер от 0T894577 и выше
Ручной стартер 2-Х ТАКТНОГО ПЛМ MERCURY 3.3M Серийный номер от 0T894577 и выше
Аксессуары 2-Х ТАКТНОГО ПЛМ MERCURY 4 M Серийный номер от 0G710613 до 0T894438
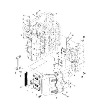
Блок цилиндров, коленчатый вал, поршень 2-Х ТАКТНОГО ПЛМ MERCURY 4 M Серийный номер от 0G710613 до 0T894438
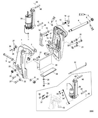
Зажим и поворотные кронштейны 2-Х ТАКТНОГО ПЛМ MERCURY 4 M Серийный номер от 0G710613 до 0T894438
Инструменты 2-Х ТАКТНОГО ПЛМ MERCURY 4 M Серийный номер от 0G710613 до 0T894438
Капот 2-Х ТАКТНОГО ПЛМ MERCURY 4 M Серийный номер от 0G710613 до 0T894438
Карбюратор 2-Х ТАКТНОГО ПЛМ MERCURY 4 M Серийный номер от 0G710613 до 0T894438
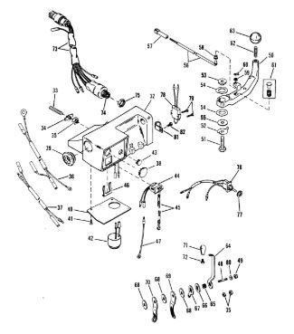
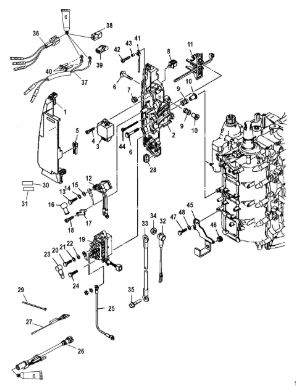
Комплект для дистанционного управления 2-Х ТАКТНОГО ПЛМ MERCURY 4 M Серийный номер от 0G710613 до 0T894438
Комплектующие для прокладок двигателя 2-Х ТАКТНОГО ПЛМ MERCURY 4 M Серийный номер от 0G710613 до 0T894438
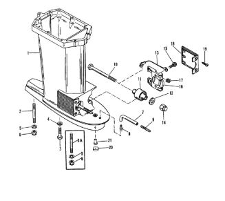
Корпус карданного вала, редуктор 2-Х ТАКТНОГО ПЛМ MERCURY 4 M Серийный номер от 0G710613 до 0T894438
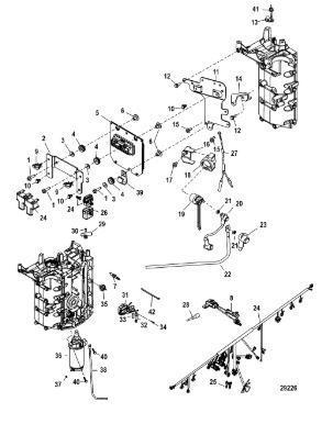
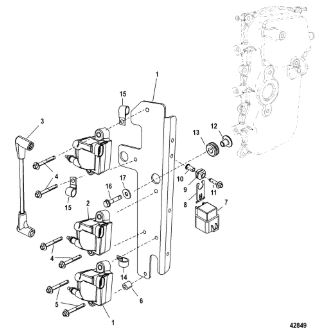
Магнето и компоненты зажигания 2-Х ТАКТНОГО ПЛМ MERCURY 4 M Серийный номер от 0G710613 до 0T894438
Ручной стартер 2-Х ТАКТНОГО ПЛМ MERCURY 4 M Серийный номер от 0G710613 до 0T894438
Рычаг переключения передач 2-Х ТАКТНОГО ПЛМ MERCURY 4 M Серийный номер от 0G710613 до 0T894438
Топливный бак 2-Х ТАКТНОГО ПЛМ MERCURY 4 M Серийный номер от 0G710613 до 0T894438
Аксессуары 2-Х ТАКТНОГО ПЛМ MERCURY 4 M Серийный номер от 0P017000 до 0P400999
Блок цилиндров, коленчатый вал, поршень 2-Х ТАКТНОГО ПЛМ MERCURY 4 M Серийный номер от 0P017000 до 0P400999
Зажим и поворотные кронштейны 2-Х ТАКТНОГО ПЛМ MERCURY 4 M Серийный номер от 0P017000 до 0P400999
Инструменты 2-Х ТАКТНОГО ПЛМ MERCURY 4 M Серийный номер от 0P017000 до 0P400999
Капот 2-Х ТАКТНОГО ПЛМ MERCURY 4 M Серийный номер от 0P017000 до 0P400999
Карбюратор 2-Х ТАКТНОГО ПЛМ MERCURY 4 M Серийный номер от 0P017000 до 0P400999
Комплект для дистанционного управления 2-Х ТАКТНОГО ПЛМ MERCURY 4 M Серийный номер от 0P017000 до 0P400999
Комплектующие для прокладок двигателя 2-Х ТАКТНОГО ПЛМ MERCURY 4 M Серийный номер от 0P017000 до 0P400999
Компоненты дроссельной заслонки 2-Х ТАКТНОГО ПЛМ MERCURY 4 M Серийный номер от 0P017000 до 0P400999
Компоненты корпуса редуктора 2-Х ТАКТНОГО ПЛМ MERCURY 4 M Серийный номер от 0P017000 до 0P400999
Корпус карданного вала, редуктор 2-Х ТАКТНОГО ПЛМ MERCURY 4 M Серийный номер от 0P017000 до 0P400999
Магнето и компоненты зажигания 2-Х ТАКТНОГО ПЛМ MERCURY 4 M Серийный номер от 0P017000 до 0P400999
Ручной стартер 2-Х ТАКТНОГО ПЛМ MERCURY 4 M Серийный номер от 0P017000 до 0P400999
Рычаг переключения передач 2-Х ТАКТНОГО ПЛМ MERCURY 4 M Серийный номер от 0P017000 до 0P400999
Топливный бак 2-Х ТАКТНОГО ПЛМ MERCURY 4 M Серийный номер от 0P017000 до 0P400999
Аксессуары 2-Х ТАКТНОГО ПЛМ MERCURY 4 M Серийный номер от 0P401000 и выше
Блок цилиндров, коленчатый вал, поршень 2-Х ТАКТНОГО ПЛМ MERCURY 4 M Серийный номер от 0P401000 и выше
Зажим и поворотные кронштейны 2-Х ТАКТНОГО ПЛМ MERCURY 4 M Серийный номер от 0P401000 и выше
Инструменты 2-Х ТАКТНОГО ПЛМ MERCURY 4 M Серийный номер от 0P401000 и выше
Капот 2-Х ТАКТНОГО ПЛМ MERCURY 4 M Серийный номер от 0P401000 и выше
Карбюратор 2-Х ТАКТНОГО ПЛМ MERCURY 4 M Серийный номер от 0P401000 и выше
Комплект для дистанционного управления 2-Х ТАКТНОГО ПЛМ MERCURY 4 M Серийный номер от 0P401000 и выше
Комплектующие для прокладок двигателя 2-Х ТАКТНОГО ПЛМ MERCURY 4 M Серийный номер от 0P401000 и выше
Компоненты дроссельной заслонки 2-Х ТАКТНОГО ПЛМ MERCURY 4 M Серийный номер от 0P401000 и выше
Компоненты корпуса редуктора 2-Х ТАКТНОГО ПЛМ MERCURY 4 M Серийный номер от 0P401000 и выше
Корпус карданного вала, редуктор 2-Х ТАКТНОГО ПЛМ MERCURY 4 M Серийный номер от 0P401000 и выше
Магнето и компоненты зажигания 2-Х ТАКТНОГО ПЛМ MERCURY 4 M Серийный номер от 0P401000 и выше
Ручной стартер 2-Х ТАКТНОГО ПЛМ MERCURY 4 M Серийный номер от 0P401000 и выше
Рычаг переключения передач 2-Х ТАКТНОГО ПЛМ MERCURY 4 M Серийный номер от 0P401000 и выше
Топливный бак 2-Х ТАКТНОГО ПЛМ MERCURY 4 M Серийный номер от 0P401000 и выше
Аксессуары 2-Х ТАКТНОГО ПЛМ MERCURY 4 M Серийный номер от 0T894439 и выше
Блок цилиндров, коленчатый вал, поршень 2-Х ТАКТНОГО ПЛМ MERCURY 4 M Серийный номер от 0T894439 и выше
Зажим и поворотные кронштейны 2-Х ТАКТНОГО ПЛМ MERCURY 4 M Серийный номер от 0T894439 и выше
Инструменты 2-Х ТАКТНОГО ПЛМ MERCURY 4 M Серийный номер от 0T894439 и выше
Капот 2-Х ТАКТНОГО ПЛМ MERCURY 4 M Серийный номер от 0T894439 и выше
Карбюратор 2-Х ТАКТНОГО ПЛМ MERCURY 4 M Серийный номер от 0T894439 и выше
Комплект для дистанционного управления 2-Х ТАКТНОГО ПЛМ MERCURY 4 M Серийный номер от 0T894439 и выше
Комплектующие для прокладок двигателя 2-Х ТАКТНОГО ПЛМ MERCURY 4 M Серийный номер от 0T894439 и выше
Компоненты дроссельной заслонки 2-Х ТАКТНОГО ПЛМ MERCURY 4 M Серийный номер от 0T894439 и выше
Компоненты корпуса редуктора 2-Х ТАКТНОГО ПЛМ MERCURY 4 M Серийный номер от 0T894439 и выше
Корпус карданного вала, редуктор 2-Х ТАКТНОГО ПЛМ MERCURY 4 M Серийный номер от 0T894439 и выше
Магнето и компоненты зажигания 2-Х ТАКТНОГО ПЛМ MERCURY 4 M Серийный номер от 0T894439 и выше
Ручной стартер 2-Х ТАКТНОГО ПЛМ MERCURY 4 M Серийный номер от 0T894439 и выше
Рычаг переключения передач 2-Х ТАКТНОГО ПЛМ MERCURY 4 M Серийный номер от 0T894439 и выше
Топливный бак 2-Х ТАКТНОГО ПЛМ MERCURY 4 M Серийный номер от 0T894439 и выше
Аксессуары 2-х тактного ПЛМ MERCURY 5 M Серийный номер от 0G710613 до 0T894438
Блок цилиндров, коленчатый вал, поршень 2-х тактного ПЛМ MERCURY 5 M Серийный номер от 0G710613 до 0T894438
Зажим и поворотные кронштейны 2-х тактного ПЛМ MERCURY 5 M Серийный номер от 0G710613 до 0T894438
Инструменты 2-х тактного ПЛМ MERCURY 5 M Серийный номер от 0G710613 до 0T894438
Капот 2-х тактного ПЛМ MERCURY 5 M Серийный номер от 0G710613 до 0T894438
Карбюратор 2-х тактного ПЛМ MERCURY 5 M Серийный номер от 0G710613 до 0T894438
Комплект для дистанционного управления 2-х тактного ПЛМ MERCURY 5 M Серийный номер от 0G710613 до 0T894438
Комплектующие для прокладок двигателя 2-х тактного ПЛМ MERCURY 5 M Серийный номер от 0G710613 до 0T894438
Компоненты дроссельной заслонки 2-х тактного ПЛМ MERCURY 5 M Серийный номер от 0G710613 до 0T894438
Компоненты корпуса редуктора 2-х тактного ПЛМ MERCURY 5 M Серийный номер от 0G710613 до 0T894438
Корпус карданного вала, редуктор 2-х тактного ПЛМ MERCURY 5 M Серийный номер от 0G710613 до 0T894438
Магнето и компоненты зажигания 2-х тактного ПЛМ MERCURY 5 M Серийный номер от 0G710613 до 0T894438
Ручка переключения передач 2-х тактного ПЛМ MERCURY 5 M Серийный номер от 0G710613 до 0T894438
Ручной стартер 2-х тактного ПЛМ MERCURY 5 M Серийный номер от 0G710613 до 0T894438
Топливный бак 2-х тактного ПЛМ MERCURY 5 M Серийный номер от 0G710613 до 0T894438
Аксессуары 2-х тактного ПЛМ MERCURY 5 M Серийный номер от 0P017000 до 0P400999
Блок цилиндров, коленчатый вал, поршень 2-х тактного ПЛМ MERCURY 5 M Серийный номер от 0P017000 до 0P400999
Зажим и поворотные кронштейны 2-х тактного ПЛМ MERCURY 5 M Серийный номер от 0P017000 до 0P400999
Инструменты 2-х тактного ПЛМ MERCURY 5 M Серийный номер от 0P017000 до 0P400999
Комплектующие для прокладок двигателя 2-х тактного ПЛМ MERCURY 5 M Серийный номер от 0P017000 до 0P400999
Компоненты дроссельной заслонки 2-х тактного ПЛМ MERCURY 5 M Серийный номер от 0P017000 до 0P400999
Компоненты корпуса редуктора 2-х тактного ПЛМ MERCURY 5 M Серийный номер от 0P017000 до 0P400999
Корпус карданного вала, редуктор 2-х тактного ПЛМ MERCURY 5 M Серийный номер от 0P017000 до 0P400999
Магнето и компоненты зажигания 2-х тактного ПЛМ MERCURY 5 M Серийный номер от 0P017000 до 0P400999
Ручка переключения передач 2-х тактного ПЛМ MERCURY 5 M Серийный номер от 0P017000 до 0P400999
Ручной стартер 2-х тактного ПЛМ MERCURY 5 M Серийный номер от 0P017000 до 0P400999
Топливный бак 2-х тактного ПЛМ MERCURY 5 M Серийный номер от 0P017000 до 0P400999
Аксессуары 2-х тактного ПЛМ MERCURY 5 M Серийный номер от 0P401000 и выше
Блок цилиндров, коленчатый вал, поршень 2-х тактного ПЛМ MERCURY 5 M Серийный номер от 0P401000 и выше
Зажим и поворотные кронштейны 2-х тактного ПЛМ MERCURY 5 M Серийный номер от 0P401000 и выше
Инструменты 2-х тактного ПЛМ MERCURY 5 M Серийный номер от 0P401000 и выше
Капот 2-х тактного ПЛМ MERCURY 5 M Серийный номер от 0P401000 и выше
Карбюратор 2-х тактного ПЛМ MERCURY 5 M Серийный номер от 0P401000 и выше
Комплект для дистанционного управления 2-х тактного ПЛМ MERCURY 5 M Серийный номер от 0P401000 и выше
Комплектующие для прокладок двигателя 2-х тактного ПЛМ MERCURY 5 M Серийный номер от 0P401000 и выше
Компоненты дроссельной заслонки 2-х тактного ПЛМ MERCURY 5 M Серийный номер от 0P401000 и выше
Компоненты корпуса редуктора 2-х тактного ПЛМ MERCURY 5 M Серийный номер от 0P401000 и выше
Корпус карданного вала, редуктор 2-х тактного ПЛМ MERCURY 5 M Серийный номер от 0P401000 и выше
Магнето и компоненты зажигания 2-х тактного ПЛМ MERCURY 5 M Серийный номер от 0P401000 и выше
Ручка переключения передач 2-х тактного ПЛМ MERCURY 5 M Серийный номер от 0P401000 и выше
Ручной стартер 2-х тактного ПЛМ MERCURY 5 M Серийный номер от 0P401000 и выше
Топливный бак 2-х тактного ПЛМ MERCURY 5 M Серийный номер от 0P401000 и выше
Аксессуары 2-х тактного ПЛМ MERCURY 5 M Серийный номер от 0T894439 и выше
Блок цилиндров, коленчатый вал, поршень 2-х тактного ПЛМ MERCURY 5 M Серийный номер от 0T894439 и выше
Зажим и поворотные кронштейны 2-х тактного ПЛМ MERCURY 5 M Серийный номер от 0T894439 и выше
Инструменты 2-х тактного ПЛМ MERCURY 5 M Серийный номер от 0T894439 и выше
Капот 2-х тактного ПЛМ MERCURY 5 M Серийный номер от 0T894439 и выше
Карбюратор 2-х тактного ПЛМ MERCURY 5 M Серийный номер от 0T894439 и выше
Комплект для дистанционного управления 2-х тактного ПЛМ MERCURY 5 M Серийный номер от 0T894439 и выше
Комплектующие для прокладок двигателя 2-х тактного ПЛМ MERCURY 5 M Серийный номер от 0T894439 и выше
Компоненты дроссельной заслонки 2-х тактного ПЛМ MERCURY 5 M Серийный номер от 0T894439 и выше
Компоненты корпуса редуктора 2-х тактного ПЛМ MERCURY 5 M Серийный номер от 0T894439 и выше
Корпус карданного вала, редуктор 2-х тактного ПЛМ MERCURY 5 M Серийный номер от 0T894439 и выше
Магнето и компоненты зажигания 2-х тактного ПЛМ MERCURY 5 M Серийный номер от 0T894439 и выше
Ручка переключения передач 2-х тактного ПЛМ MERCURY 5 M Серийный номер от 0T894439 и выше
Ручной стартер 2-х тактного ПЛМ MERCURY 5 M Серийный номер от 0T894439 и выше
Топливный бак 2-х тактного ПЛМ MERCURY 5 M Серийный номер от 0T894439 и выше
Аксессуары 2-х тактного ПЛМ MERCURY 9.9 M TMC Серийный номер от 0N059858 и выше
Блок цилиндров 2-х тактного ПЛМ MERCURY 9.9 M TMC Серийный номер от 0N059858 и выше
Блокировка обратного вращения 2-х тактного ПЛМ MERCURY 9.9 M TMC Серийный номер от 0N059858 и выше
Воздушный глушитель и топливопроводы 2-х тактного ПЛМ MERCURY 9.9 M TMC Серийный номер от 0N059858 и выше
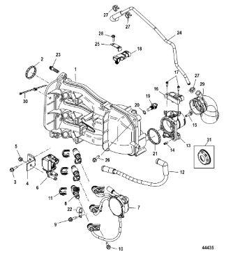
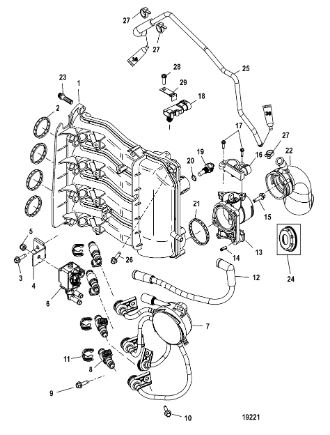
Впускной коллектор 2-х тактного ПЛМ MERCURY 9.9 M TMC Серийный номер от 0N059858 и выше
Дистанционное управление-боковое крепление без силовой отделки 2-х тактного ПЛМ MERCURY 9.9 M TMC Серийный номер от 0N059858 и выше
Дроссельная тяга, рукоятка управления 2-х тактного ПЛМ MERCURY 9.9 M TMC Серийный номер от 0N059858 и выше
Зажимная скоба 2-х тактного ПЛМ MERCURY 9.9 M TMC Серийный номер от 0N059858 и выше
Инструменты 2-х тактного ПЛМ MERCURY 9.9 M TMC Серийный номер от 0N059858 и выше
Капот 2-х тактного ПЛМ MERCURY 9.9 M TMC Серийный номер от 0N059858 и выше
Карбюратор 2-х тактного ПЛМ MERCURY 9.9 M TMC Серийный номер от 0N059858 и выше
Коленчатый вал, поршни и шатуны 2-х тактного ПЛМ MERCURY 9.9 M TMC Серийный номер от 0N059858 и выше
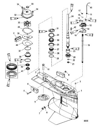
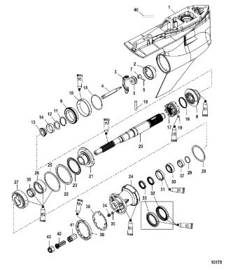
Корпус редуктора, карданный вал (Часть 1) 2-х тактного ПЛМ MERCURY 9.9 M TMC Серийный номер от 0N059858 и выше
Корпус редуктора, карданный вал (Часть 2) 2-х тактного ПЛМ MERCURY 9.9 M TMC Серийный номер от 0N059858 и выше
Поворотный кронштейн 2-х тактного ПЛМ MERCURY 9.9 M TMC Серийный номер от 0N059858 и выше
Ручной стартер 2-х тактного ПЛМ MERCURY 9.9 M TMC Серийный номер от 0N059858 и выше
Соединительные компоненты 2-х тактного ПЛМ MERCURY 9.9 M TMC Серийный номер от 0N059858 и выше
Топливный бак пластиковый 6.6 гал. 2-х тактного ПЛМ MERCURY 9.9 M TMC Серийный номер от 0N059858 и выше
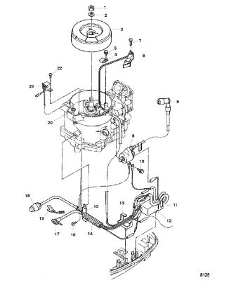
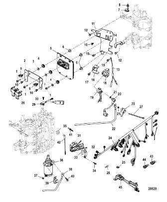
Электрика 2-х тактного ПЛМ MERCURY 9.9 M TMC Серийный номер от 0N059858 и выше
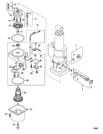
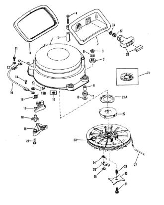
Электростартер 2-х тактного ПЛМ MERCURY 9.9 M TMC Серийный номер от 0N059858 и выше
Аксессуары 2-х тактного ПЛМ MERCURY 9.9 MH 169CC Серийный номер от 0N007788 до 0N055109
Блок цилиндров 2-х тактного ПЛМ MERCURY 9.9 MH 169CC Серийный номер от 0N007788 до 0N055109
Впускной коллектор 2-х тактного ПЛМ MERCURY 9.9 MH 169CC Серийный номер от 0N007788 до 0N055109
Дроссельная тяга 2-х тактного ПЛМ MERCURY 9.9 MH 169CC Серийный номер от 0N007788 до 0N055109
Зажим и поворотные кронштейны 2-х тактного ПЛМ MERCURY 9.9 MH 169CC Серийный номер от 0N007788 до 0N055109
Инструменты 2-х тактного ПЛМ MERCURY 9.9 MH 169CC Серийный номер от 0N007788 до 0N055109
Капот 2-х тактного ПЛМ MERCURY 9.9 MH 169CC Серийный номер от 0N007788 до 0N055109
Карбюратор 2-х тактного ПЛМ MERCURY 9.9 MH 169CC Серийный номер от 0N007788 до 0N055109
Коленчатый вал, поршни и шатуны 2-х тактного ПЛМ MERCURY 9.9 MH 169CC Серийный номер от 0N007788 до 0N055109
Коробка передач 2-х тактного ПЛМ MERCURY 9.9 MH 169CC Серийный номер от 0N007788 до 0N055109
Корпус карданного вала 2-х тактного ПЛМ MERCURY 9.9 MH 169CC Серийный номер от 0N007788 до 0N055109
Корпус редуктора, карданный вал (Часть 1) 2-х тактного ПЛМ MERCURY 9.9 MH 169CC Серийный номер от 0N007788 до 0N055109
Корпус редуктора, карданный вал (Часть 2) 2-х тактного ПЛМ MERCURY 9.9 MH 169CC Серийный номер от 0N007788 до 0N055109
Рукоятка рулевого управления 2-х тактного ПЛМ MERCURY 9.9 MH 169CC Серийный номер от 0N007788 до 0N055109
Ручной стартер 2-х тактного ПЛМ MERCURY 9.9 MH 169CC Серийный номер от 0N007788 до 0N055109
Топливный бак в сборе (пластик 3,2 галлона) 2-х тактного ПЛМ MERCURY 9.9 MH 169CC Серийный номер от 0N007788 до 0N055109
Электрика 2-х тактного ПЛМ MERCURY 9.9 MH 169CC Серийный номер от 0N007788 до 0N055109
Электростартер 2-х тактного ПЛМ MERCURY 9.9 MH 169CC Серийный номер от 0N007788 до 0N055109
Аксессуары 2-Х ТАКТНОГО ПЛМ MERCURY 15 MH 294CC Серийный номер от 0N001590 до 0N055284
Блок цилиндров 2-Х ТАКТНОГО ПЛМ MERCURY 15 MH 294CC Серийный номер от 0N001590 до 0N055284
Воздушный глушитель и топливопроводы 2-Х ТАКТНОГО ПЛМ MERCURY 15 MH 294CC Серийный номер от 0N001590 до 0N055284
Впускной коллектор 2-Х ТАКТНОГО ПЛМ MERCURY 15 MH 294CC Серийный номер от 0N001590 до 0N055284
Дистанционное управление 2-Х ТАКТНОГО ПЛМ MERCURY 15 MH 294CC Серийный номер от 0N001590 до 0N055284
Дроссельная тяга, рукоятка управления 2-Х ТАКТНОГО ПЛМ MERCURY 15 MH 294CC Серийный номер от 0N001590 до 0N055284
Зажимная скоба 2-Х ТАКТНОГО ПЛМ MERCURY 15 MH 294CC Серийный номер от 0N001590 до 0N055284
Инструменты 2-Х ТАКТНОГО ПЛМ MERCURY 15 MH 294CC Серийный номер от 0N001590 до 0N055284
Капот 2-Х ТАКТНОГО ПЛМ MERCURY 15 MH 294CC Серийный номер от 0N001590 до 0N055284
Карбюратор 2-Х ТАКТНОГО ПЛМ MERCURY 15 MH 294CC Серийный номер от 0N001590 до 0N055284
Коленчатый вал, поршни и шатуны 2-Х ТАКТНОГО ПЛМ MERCURY 15 MH 294CC Серийный номер от 0N001590 до 0N055284
Комплект для дистанционного управления 2-Х ТАКТНОГО ПЛМ MERCURY 15 MH 294CC Серийный номер от 0N001590 до 0N055284
Компоненты электрического запуска 2-Х ТАКТНОГО ПЛМ MERCURY 15 MH 294CC Серийный номер от 0N001590 до 0N055284
Коробка передач 2-Х ТАКТНОГО ПЛМ MERCURY 15 MH 294CC Серийный номер от 0N001590 до 0N055284
Корпус приводного вала 2-Х ТАКТНОГО ПЛМ MERCURY 15 MH 294CC Серийный номер от 0N001590 до 0N055284
Корпус редуктора, карданный вал (Часть 1) 2-Х ТАКТНОГО ПЛМ MERCURY 15 MH 294CC Серийный номер от 0N001590 до 0N055284
Корпус редуктора, карданный вал (Часть 2) 2-Х ТАКТНОГО ПЛМ MERCURY 15 MH 294CC Серийный номер от 0N001590 до 0N055284
Обратный замок 2-Х ТАКТНОГО ПЛМ MERCURY 15 MH 294CC Серийный номер от 0N001590 до 0N055284
Поворотный кронштейн 2-Х ТАКТНОГО ПЛМ MERCURY 15 MH 294CC Серийный номер от 0N001590 до 0N055284
Ручной стартер 2-Х ТАКТНОГО ПЛМ MERCURY 15 MH 294CC Серийный номер от 0N001590 до 0N055284
Топливный бак (пластик - 6,6 галлона) 2-Х ТАКТНОГО ПЛМ MERCURY 15 MH 294CC Серийный номер от 0N001590 до 0N055284
Электрика 2-Х ТАКТНОГО ПЛМ MERCURY 15 MH 294CC Серийный номер от 0N001590 до 0N055284
Аксессуары 2-Х ТАКТНОГО ПЛМ MERCURY 15 MH 294CC Серийный номер от 0N055285 и выше
Блок цилиндров 2-Х ТАКТНОГО ПЛМ MERCURY 15 MH 294CC Серийный номер от 0N055285 и выше
Впускной коллектор 2-Х ТАКТНОГО ПЛМ MERCURY 15 MH 294CC Серийный номер от 0N055285 и выше
Глушитель и топливопроводы 2-Х ТАКТНОГО ПЛМ MERCURY 15 MH 294CC Серийный номер от 0N055285 и выше
Дистанционное управление-боковое крепление(без питания) 2-Х ТАКТНОГО ПЛМ MERCURY 15 MH 294CC Серийный номер от 0N055285 и выше
Зажимная скоба 2-Х ТАКТНОГО ПЛМ MERCURY 15 MH 294CC Серийный номер от 0N055285 и выше
Инструменты 2-Х ТАКТНОГО ПЛМ MERCURY 15 MH 294CC Серийный номер от 0N055285 и выше
Капот 2-Х ТАКТНОГО ПЛМ MERCURY 15 MH 294CC Серийный номер от 0N055285 и выше
Карбюратор 2-Х ТАКТНОГО ПЛМ MERCURY 15 MH 294CC Серийный номер от 0N055285 и выше
Коленчатый вал, поршни и шатуны 2-Х ТАКТНОГО ПЛМ MERCURY 15 MH 294CC Серийный номер от 0N055285 и выше
Комплект для дистанционного управления 2-Х ТАКТНОГО ПЛМ MERCURY 15 MH 294CC Серийный номер от 0N055285 и выше
Компоненты электрического запуска 2-Х ТАКТНОГО ПЛМ MERCURY 15 MH 294CC Серийный номер от 0N055285 и выше
Коробка передач 2-Х ТАКТНОГО ПЛМ MERCURY 15 MH 294CC Серийный номер от 0N055285 и выше
Корпус карданного вала 2-Х ТАКТНОГО ПЛМ MERCURY 15 MH 294CC Серийный номер от 0N055285 и выше
Корпус редуктора, карданный вал (Часть 1) 2-Х ТАКТНОГО ПЛМ MERCURY 15 MH 294CC Серийный номер от 0N055285 и выше
Корпус редуктора, карданный вал (Часть 2) 2-Х ТАКТНОГО ПЛМ MERCURY 15 MH 294CC Серийный номер от 0N055285 и выше
Обратный замок 2-Х ТАКТНОГО ПЛМ MERCURY 15 MH 294CC Серийный номер от 0N055285 и выше
Поворотный кронштейн 2-Х ТАКТНОГО ПЛМ MERCURY 15 MH 294CC Серийный номер от 0N055285 и выше
Ручной стартер 2-Х ТАКТНОГО ПЛМ MERCURY 15 MH 294CC Серийный номер от 0N055285 и выше
Топливный бак (пластик - 6,6 галлона) 2-Х ТАКТНОГО ПЛМ MERCURY 15 MH 294CC Серийный номер от 0N055285 и выше
Электрика 2-Х ТАКТНОГО ПЛМ MERCURY 15 MH 294CC Серийный номер от 0N055285 и выше
Аксессуары 2-х тактного ПЛМ MERCURY 25 М Серийный номер от 0N018456 до 0N055504
Блок цилиндров 2-х тактного ПЛМ MERCURY 25 М Серийный номер от 0N018456 до 0N055504
Дистанционное управление без наклейки Quicksilver (Часть 2) 2-х тактного ПЛМ MERCURY 25 М Серийный номер от 0N018456 до 0N055504
Дистанционное управление с логотипом Quicksilver 2-х тактного ПЛМ MERCURY 25 М Серийный номер от 0N018456 до 0N055504
Дистанционное управление с наклейкой Quicksilver 2-х тактного ПЛМ MERCURY 25 М Серийный номер от 0N018456 до 0N055504
Дополнительные детали для электростартера 2-х тактного ПЛМ MERCURY 25 М Серийный номер от 0N018456 до 0N055504
Дроссельная тяга 2-х тактного ПЛМ MERCURY 25 М Серийный номер от 0N018456 до 0N055504
Зажимная скоба 2-х тактного ПЛМ MERCURY 25 М Серийный номер от 0N018456 до 0N055504
Замок стартера 2-х тактного ПЛМ MERCURY 25 М Серийный номер от 0N018456 до 0N055504
Инструменты 2-х тактного ПЛМ MERCURY 25 М Серийный номер от 0N018456 до 0N055504
Капот 2-х тактного ПЛМ MERCURY 25 М Серийный номер от 0N018456 до 0N055504
Карбюратор 2-х тактного ПЛМ MERCURY 25 М Серийный номер от 0N018456 до 0N055504
Коленчатый вал, поршни и шатуны 2-х тактного ПЛМ MERCURY 25 М Серийный номер от 0N018456 до 0N055504
Коллектор 2-х тактного ПЛМ MERCURY 25 М Серийный номер от 0N018456 до 0N055504
Корпус редуктора, карданный вал (Часть 1) 2-х тактного ПЛМ MERCURY 25 М Серийный номер от 0N018456 до 0N055504
Корпус редуктора, карданный вал (Часть 2) 2-х тактного ПЛМ MERCURY 25 М Серийный номер от 0N018456 до 0N055504
Поворотный кронштейн 2-х тактного ПЛМ MERCURY 25 М Серийный номер от 0N018456 до 0N055504
Рукоятка румпеля 2-х тактного ПЛМ MERCURY 25 М Серийный номер от 0N018456 до 0N055504
Ручной стартер 2-х тактного ПЛМ MERCURY 25 М Серийный номер от 0N018456 до 0N055504
Топливный бак (пластик - 6,6 галлона) 2-х тактного ПЛМ MERCURY 25 М Серийный номер от 0N018456 до 0N055504
Топливный насос 2-х тактного ПЛМ MERCURY 25 М Серийный номер от 0N018456 до 0N055504
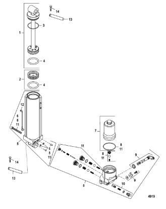
Удлинитель корпуса приводного вала 2-х тактного ПЛМ MERCURY 25 М Серийный номер от 0N018456 до 0N055504
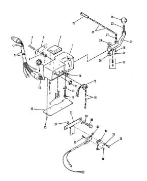
Электрические компоненты 2-х тактного ПЛМ MERCURY 25 М Серийный номер от 0N018456 до 0N055504
Аксессуары 2-х тактного ПЛМ MERCURY 25 М Серийный номер от 0N055505 и выше
Блок цилиндров 2-х тактного ПЛМ MERCURY 25 М Серийный номер от 0N055505 и выше
Дистанционное управление-боковое крепление без силовой отделки 2-х тактного ПЛМ MERCURY 25 М Серийный номер от 0N055505 и выше
Дополнительные детали для электростартера 2-х тактного ПЛМ MERCURY 25 М Серийный номер от 0N055505 и выше
Дроссельная тяга 2-х тактного ПЛМ MERCURY 25 М Серийный номер от 0N055505 и выше
Зажимная скоба 2-х тактного ПЛМ MERCURY 25 М Серийный номер от 0N055505 и выше
Замок стартера 2-х тактного ПЛМ MERCURY 25 М Серийный номер от 0N055505 и выше
Инструменты 2-х тактного ПЛМ MERCURY 25 М Серийный номер от 0N055505 и выше
Капот 2-х тактного ПЛМ MERCURY 25 М Серийный номер от 0N055505 и выше
Карбюратор 2-х тактного ПЛМ MERCURY 25 М Серийный номер от 0N055505 и выше
Коленчатый вал, поршни и шатуны 2-х тактного ПЛМ MERCURY 25 М Серийный номер от 0N055505 и выше
Коллектор 2-х тактного ПЛМ MERCURY 25 М Серийный номер от 0N055505 и выше
Комплект для дистанционного управления 2-х тактного ПЛМ MERCURY 25 М Серийный номер от 0N055505 и выше
Компоненты водяного насоса двигателя 2-х тактного ПЛМ MERCURY 25 М Серийный номер от 0N055505 и выше
Компоненты электрического стартера 2-х тактного ПЛМ MERCURY 25 М Серийный номер от 0N055505 и выше
Корпус карданного вала 2-х тактного ПЛМ MERCURY 25 М Серийный номер от 0N055505 и выше
Корпус редуктора, карданный вал (Часть 1) 2-х тактного ПЛМ MERCURY 25 М Серийный номер от 0N055505 и выше
Механизм переключения передач 2-х тактного ПЛМ MERCURY 25 М Серийный номер от 0N055505 и выше
Поворотный кронштейн 2-х тактного ПЛМ MERCURY 25 М Серийный номер от 0N055505 и выше
Реактивный блок 2-х тактного ПЛМ MERCURY 25 М Серийный номер от 0N055505 и выше
Рукоятка румпеля 2-х тактного ПЛМ MERCURY 25 М Серийный номер от 0N055505 и выше
Ручной стартер 2-х тактного ПЛМ MERCURY 25 М Серийный номер от 0N055505 и выше
Топливный бак (пластик - 6,6 галлона) 2-х тактного ПЛМ MERCURY 25 М Серийный номер от 0N055505 и выше
Топливный насос 2-х тактного ПЛМ MERCURY 25 М Серийный номер от 0N055505 и выше
Удлинитель корпуса приводного вала 2-х тактного ПЛМ MERCURY 25 М Серийный номер от 0N055505 и выше
Электрические компоненты 2-х тактного ПЛМ MERCURY 25 М Серийный номер от 0N055505 и выше
Аксессуары 2-х тактного ПЛМ MERCURY Jet 25 Серийный номер от 0N088578 и выше
Блок цилиндров 2-х тактного ПЛМ MERCURY Jet 25 Серийный номер от 0N088578 и выше
Дистанционное управление-боковое крепление без силовой отделки 2-х тактного ПЛМ MERCURY Jet 25 Серийный номер от 0N088578 и выше
Дополнительные детали для электростартера 2-х тактного ПЛМ MERCURY Jet 25 Серийный номер от 0N088578 и выше
Дроссельная тяга 2-х тактного ПЛМ MERCURY Jet 25 Серийный номер от 0N088578 и выше
Жиклер 2-х тактного ПЛМ MERCURY Jet 25 Серийный номер от 0N088578 и выше
Зажимная скоба 2-х тактного ПЛМ MERCURY Jet 25 Серийный номер от 0N088578 и выше
Замок стартера 2-х тактного ПЛМ MERCURY Jet 25 Серийный номер от 0N088578 и выше
Инструменты 2-х тактного ПЛМ MERCURY Jet 25 Серийный номер от 0N088578 и выше
Капот 2-х тактного ПЛМ MERCURY Jet 25 Серийный номер от 0N088578 и выше
Карбюратор 2-х тактного ПЛМ MERCURY Jet 25 Серийный номер от 0N088578 и выше
Коленчатый вал, поршни и шатуны 2-х тактного ПЛМ MERCURY Jet 25 Серийный номер от 0N088578 и выше
Коллектор 2-х тактного ПЛМ MERCURY Jet 25 Серийный номер от 0N088578 и выше
Комплект для дистанционного управления 2-х тактного ПЛМ MERCURY Jet 25 Серийный номер от 0N088578 и выше
Компоненты водяного насоса двигателя 2-х тактного ПЛМ MERCURY Jet 25 Серийный номер от 0N088578 и выше
Компоненты электрического стартера 2-х тактного ПЛМ MERCURY Jet 25 Серийный номер от 0N088578 и выше
Корпус карданного вала 2-х тактного ПЛМ MERCURY Jet 25 Серийный номер от 0N088578 и выше
Корпус редуктора, карданный вал (Часть 1) 2-х тактного ПЛМ MERCURY Jet 25 Серийный номер от 0N088578 и выше
Корпус редуктора, карданный вал (Часть 2) 2-х тактного ПЛМ MERCURY Jet 25 Серийный номер от 0N088578 и выше
Механизм переключения передач 2-х тактного ПЛМ MERCURY Jet 25 Серийный номер от 0N088578 и выше
Поворотный кронштейн 2-х тактного ПЛМ MERCURY Jet 25 Серийный номер от 0N088578 и выше
Рукоятка румпеля 2-х тактного ПЛМ MERCURY Jet 25 Серийный номер от 0N088578 и выше
Ручной стартер 2-х тактного ПЛМ MERCURY Jet 25 Серийный номер от 0N088578 и выше
Топливный бак (пластик - 6,6 галлона) 2-х тактного ПЛМ MERCURY Jet 25 Серийный номер от 0N088578 и выше
Топливный насос 2-х тактного ПЛМ MERCURY Jet 25 Серийный номер от 0N088578 и выше
Удлинитель корпуса приводного вала 2-х тактного ПЛМ MERCURY Jet 25 Серийный номер от 0N088578 и выше
Электрические компоненты 2-х тактного ПЛМ MERCURY Jet 25 Серийный номер от 0N088578 и выше
Аксессуары 2-х тактного ПЛМ MERCURY 30 M Серийный номер от 0N001875 до 0N055504
Блок цилиндров 2-х тактного ПЛМ MERCURY 30 M Серийный номер от 0N001875 до 0N055504
Дистанционное управление без наклейки Quicksilver (Часть 1) 2-х тактного ПЛМ MERCURY 30 M Серийный номер от 0N001875 до 0N055504
Дополнительные детали для электростартера 2-х тактного ПЛМ MERCURY 30 M Серийный номер от 0N001875 до 0N055504
Дроссельная тяга 2-х тактного ПЛМ MERCURY 30 M Серийный номер от 0N001875 до 0N055504
Зажимная скоба 2-х тактного ПЛМ MERCURY 30 M Серийный номер от 0N001875 до 0N055504
Замок стартера 2-х тактного ПЛМ MERCURY 30 M Серийный номер от 0N001875 до 0N055504
Инструменты 2-х тактного ПЛМ MERCURY 30 M Серийный номер от 0N001875 до 0N055504
Капот 2-х тактного ПЛМ MERCURY 30 M Серийный номер от 0N001875 до 0N055504
Карбюратор 2-х тактного ПЛМ MERCURY 30 M Серийный номер от 0N001875 до 0N055504
Коленчатый вал, поршни и шатуны 2-х тактного ПЛМ MERCURY 30 M Серийный номер от 0N001875 до 0N055504
Коллектор 2-х тактного ПЛМ MERCURY 30 M Серийный номер от 0N001875 до 0N055504
Комплект для дистанционного управления 2-х тактного ПЛМ MERCURY 30 M Серийный номер от 0N001875 до 0N055504
Компоненты электрического стартера 2-х тактного ПЛМ MERCURY 30 M Серийный номер от 0N001875 до 0N055504
Корпус приводного вала 2-х тактного ПЛМ MERCURY 30 M Серийный номер от 0N001875 до 0N055504
Корпус редуктора, карданный вал (Часть 1) 2-х тактного ПЛМ MERCURY 30 M Серийный номер от 0N001875 до 0N055504
Корпус редуктора, карданный вал (Часть 2) 2-х тактного ПЛМ MERCURY 30 M Серийный номер от 0N001875 до 0N055504
Поворотный кронштейн 2-х тактного ПЛМ MERCURY 30 M Серийный номер от 0N001875 до 0N055504
Рукоятка румпеля 2-х тактного ПЛМ MERCURY 30 M Серийный номер от 0N001875 до 0N055504
Ручной стартер 2-х тактного ПЛМ MERCURY 30 M Серийный номер от 0N001875 до 0N055504
Топливный бак (пластик - 6,6 галлона) 2-х тактного ПЛМ MERCURY 30 M Серийный номер от 0N001875 до 0N055504
Топливный насос 2-х тактного ПЛМ MERCURY 30 M Серийный номер от 0N001875 до 0N055504
Удлинитель корпуса приводного вала 2-х тактного ПЛМ MERCURY 30 M Серийный номер от 0N001875 до 0N055504
Электрические компоненты 2-х тактного ПЛМ MERCURY 30 M Серийный номер от 0N001875 до 0N055504
Аксессуары 2-х тактного ПЛМ MERCURY 30 M Серийный номер от 0N055505 и выше
Блок цилиндров 2-х тактного ПЛМ MERCURY 30 M Серийный номер от 0N055505 и выше
Дистанционное управление-боковое крепление без силовой отделки 2-х тактного ПЛМ MERCURY 30 M Серийный номер от 0N055505 и выше
Дополнительные детали для электростартера 2-х тактного ПЛМ MERCURY 30 M Серийный номер от 0N055505 и выше
Дроссельная тяга 2-х тактного ПЛМ MERCURY 30 M Серийный номер от 0N055505 и выше
Жиклер 2-х тактного ПЛМ MERCURY 30 M Серийный номер от 0N055505 и выше
Зажимная скоба 2-х тактного ПЛМ MERCURY 30 M Серийный номер от 0N055505 и выше
Замок стартера 2-х тактного ПЛМ MERCURY 30 M Серийный номер от 0N055505 и выше
Инструменты 2-х тактного ПЛМ MERCURY 30 M Серийный номер от 0N055505 и выше
Капот 2-х тактного ПЛМ MERCURY 30 M Серийный номер от 0N055505 и выше
Карбюратор 2-х тактного ПЛМ MERCURY 30 M Серийный номер от 0N055505 и выше
Коленчатый вал, поршни и шатуны 2-х тактного ПЛМ MERCURY 30 M Серийный номер от 0N055505 и выше
Коллектор 2-х тактного ПЛМ MERCURY 30 M Серийный номер от 0N055505 и выше
Комплект для дистанционного управления 2-х тактного ПЛМ MERCURY 30 M Серийный номер от 0N055505 и выше
Компоненты водяного насоса двигателя 2-х тактного ПЛМ MERCURY 30 M Серийный номер от 0N055505 и выше
Компоненты электрического стартера 2-х тактного ПЛМ MERCURY 30 M Серийный номер от 0N055505 и выше
Корпус карданного вала 2-х тактного ПЛМ MERCURY 30 M Серийный номер от 0N055505 и выше
Корпус редуктора, карданный вал (Часть 2) 2-х тактного ПЛМ MERCURY 30 M Серийный номер от 0N055505 и выше
Механизм переключения передач 2-х тактного ПЛМ MERCURY 30 M Серийный номер от 0N055505 и выше
Поворотный кронштейн 2-х тактного ПЛМ MERCURY 30 M Серийный номер от 0N055505 и выше
Рукоятка румпеля 2-х тактного ПЛМ MERCURY 30 M Серийный номер от 0N055505 и выше
Ручной стартер 2-х тактного ПЛМ MERCURY 30 M Серийный номер от 0N055505 и выше
Топливный бак (пластик - 6,6 галлона) 2-х тактного ПЛМ MERCURY 30 M Серийный номер от 0N055505 и выше
Топливный насос 2-х тактного ПЛМ MERCURY 30 M Серийный номер от 0N055505 и выше
Электрические компоненты 2-х тактного ПЛМ MERCURY 30 M Серийный номер от 0N055505 и выше
Аксессуары 2-х тактного ПЛМ MERCURY 40 M Серийный номер от 00P017000 до 0P325499
Блок цилиндров 2-х тактного ПЛМ MERCURY 40 M Серийный номер от 00P017000 до 0P325499
Верх капота 2-х тактного ПЛМ MERCURY 40 M Серийный номер от 00P017000 до 0P325499
Дополнительные компоненты 2-х тактного ПЛМ MERCURY 40 M Серийный номер от 00P017000 до 0P325499
Дроссельная катушка 2-х тактного ПЛМ MERCURY 40 M Серийный номер от 00P017000 до 0P325499
Дроссельная тяга 2-х тактного ПЛМ MERCURY 40 M Серийный номер от 00P017000 до 0P325499
Зажимная скоба 2-х тактного ПЛМ MERCURY 40 M Серийный номер от 00P017000 до 0P325499
Зажимной кронштейн 2-х тактного ПЛМ MERCURY 40 M Серийный номер от 00P017000 до 0P325499
Индукционный коллектор 2-х тактного ПЛМ MERCURY 40 M Серийный номер от 00P017000 до 0P325499
Инструменты, специальные 2-х тактного ПЛМ MERCURY 40 M Серийный номер от 00P017000 до 0P325499
Карбюратор 2-х тактного ПЛМ MERCURY 40 M Серийный номер от 00P017000 до 0P325499
Коленвал, поршень, маховик 2-х тактного ПЛМ MERCURY 40 M Серийный номер от 00P017000 до 0P325499
Комплектующие прокладок, капитального ремонта двигателя 2-х тактного ПЛМ MERCURY 40 M Серийный номер от 00P017000 до 0P325499
Компоненты впрыска масла 2-х тактного ПЛМ MERCURY 40 M Серийный номер от 00P017000 до 0P325499
Компоненты ручного запуска 2-х тактного ПЛМ MERCURY 40 M Серийный номер от 00P017000 до 0P325499
Корпус карданного вала 2-х тактного ПЛМ MERCURY 40 M Серийный номер от 00P017000 до 0P325499
Корпус редуктора (карданный вал) (2.00: 1 передаточное число) 2-х тактного ПЛМ MERCURY 40 M Серийный номер от 00P017000 до 0P325499
Корпус редуктора (приводной вал) (2.00: 1 передаточное число) 2-х тактного ПЛМ MERCURY 40 M Серийный номер от 00P017000 до 0P325499
Нагреватель коллектора 2-х тактного ПЛМ MERCURY 40 M Серийный номер от 00P017000 до 0P325499
Низ капота 2-х тактного ПЛМ MERCURY 40 M Серийный номер от 00P017000 до 0P325499
Поворотный кронштейн (Часть 1) 2-х тактного ПЛМ MERCURY 40 M Серийный номер от 00P017000 до 0P325499
Поворотный кронштейн (Часть 2) 2-х тактного ПЛМ MERCURY 40 M Серийный номер от 00P017000 до 0P325499
Рукоятка румпеля 2-х тактного ПЛМ MERCURY 40 M Серийный номер от 00P017000 до 0P325499
Стартер 2-х тактного ПЛМ MERCURY 40 M Серийный номер от 00P017000 до 0P325499
Статор, триггер (электрические модели) 2-х тактного ПЛМ MERCURY 40 M Серийный номер от 00P017000 до 0P325499
Топливный насос ручной (Дизайн 1) 2-х тактного ПЛМ MERCURY 40 M Серийный номер от 00P017000 до 0P325499
Топливный насос ручной (Дизайн 2) 2-х тактного ПЛМ MERCURY 40 M Серийный номер от 00P017000 до 0P325499
Триммер (Часть 1) 2-х тактного ПЛМ MERCURY 40 M Серийный номер от 00P017000 до 0P325499
Триммер (Часть 2) 2-х тактного ПЛМ MERCURY 40 M Серийный номер от 00P017000 до 0P325499
Электрические компоненты 2-х тактного ПЛМ MERCURY 40 M Серийный номер от 00P017000 до 0P325499
Аксессуары 2-х тактного ПЛМ MERCURY 40 M Серийный номер от 0G055314 до 0G760299
Блок цилиндров (Часть 1) 2-х тактного ПЛМ MERCURY 40 M Серийный номер от 0G055314 до 0G760299
Блок цилиндров (Часть 2) 2-х тактного ПЛМ MERCURY 40 M Серийный номер от 0G055314 до 0G760299
Дополнительные компоненты 2-х тактного ПЛМ MERCURY 40 M Серийный номер от 0G055314 до 0G760299
Зажимной кронштейн (Часть 1) 2-х тактного ПЛМ MERCURY 40 M Серийный номер от 0G055314 до 0G760299
Зажимной кронштейн (Часть 2) 2-х тактного ПЛМ MERCURY 40 M Серийный номер от 0G055314 до 0G760299
Индукционный коллектор 2-х тактного ПЛМ MERCURY 40 M Серийный номер от 0G055314 до 0G760299
Инструменты спецальные 2-х тактного ПЛМ MERCURY 40 M Серийный номер от 0G055314 до 0G760299
Капот 2-х тактного ПЛМ MERCURY 40 M Серийный номер от 0G055314 до 0G760299
Карбюратор 2-х тактного ПЛМ MERCURY 40 M Серийный номер от 0G055314 до 0G760299
Коленчатый вал, поршень, маховик 2-х тактного ПЛМ MERCURY 40 M Серийный номер от 0G055314 до 0G760299
Компоненты впрыска масла 2-х тактного ПЛМ MERCURY 40 M Серийный номер от 0G055314 до 0G760299
Компоненты ручного запуска 2-х тактного ПЛМ MERCURY 40 M Серийный номер от 0G055314 до 0G760299
Корпус редуктора (карданный вал)(2.00: 1 передаточное число) 2-х тактного ПЛМ MERCURY 40 M Серийный номер от 0G055314 до 0G760299
Корпус редуктора (приводной вал)(2.00: 1 передаточное число) 2-х тактного ПЛМ MERCURY 40 M Серийный номер от 0G055314 до 0G760299
Крепления системы электрогидроподъема 2-х тактного ПЛМ MERCURY 40 M Серийный номер от 0G055314 до 0G760299
Низ капота (Часть 1) 2-х тактного ПЛМ MERCURY 40 M Серийный номер от 0G055314 до 0G760299
Низ капота (Часть 2) 2-х тактного ПЛМ MERCURY 40 M Серийный номер от 0G055314 до 0G760299
Поворотный кронштейн (Часть 1) 2-х тактного ПЛМ MERCURY 40 M Серийный номер от 0G055314 до 0G760299
Поворотный кронштейн (Часть 2) 2-х тактного ПЛМ MERCURY 40 M Серийный номер от 0G055314 до 0G760299
Приводной вал (Часть 1) 2-х тактного ПЛМ MERCURY 40 M Серийный номер от 0G055314 до 0G760299
Приводной вал (Часть 2) 2-х тактного ПЛМ MERCURY 40 M Серийный номер от 0G055314 до 0G760299
Румпель 2-х тактного ПЛМ MERCURY 40 M Серийный номер от 0G055314 до 0G760299
Рычаг дроссельной заслонки (S/N -USA-0G5899999/BEL-9973099 & BELOW) 2-х тактного ПЛМ MERCURY 40 M Серийный номер от 0G055314 до 0G760299
Система электрогидроподъема 2-х тактного ПЛМ MERCURY 40 M Серийный номер от 0G055314 до 0G760299
Стартер 2-х тактного ПЛМ MERCURY 40 M Серийный номер от 0G055314 до 0G760299
Статор, триггер (электрические модели) 2-х тактного ПЛМ MERCURY 40 M Серийный номер от 0G055314 до 0G760299
Топливный насос ручной 2-х тактного ПЛМ MERCURY 40 M Серийный номер от 0G055314 до 0G760299
Топливный насос электрический 2-х тактного ПЛМ MERCURY 40 M Серийный номер от 0G055314 до 0G760299
Электрические компоненты (Часть 1) 2-х тактного ПЛМ MERCURY 40 M Серийный номер от 0G055314 до 0G760299
Электрические компоненты (Часть 2) 2-х тактного ПЛМ MERCURY 40 M Серийный номер от 0G055314 до 0G760299
Электрические компоненты (Часть 3) 2-х тактного ПЛМ MERCURY 40 M Серийный номер от 0G055314 до 0G760299
Аксессуары 2-х тактного ПЛМ MERCURY 40 M Серийный номер от 0G760300 до 0T979999
Блок цилиндров 2-х тактного ПЛМ MERCURY 40 M Серийный номер от 0G760300 до 0T979999
Верхний капот 2-х тактного ПЛМ MERCURY 40 M Серийный номер от 0G760300 до 0T979999
Дополнительные компоненты 2-х тактного ПЛМ MERCURY 40 M Серийный номер от 0G760300 до 0T979999
Дроссельная катушка 2-х тактного ПЛМ MERCURY 40 M Серийный номер от 0G760300 до 0T979999
Дроссельная тяга 2-х тактного ПЛМ MERCURY 40 M Серийный номер от 0G760300 до 0T979999
Зажимная скоба 2-х тактного ПЛМ MERCURY 40 M Серийный номер от 0G760300 до 0T979999
Зажимной кронштейн 2-х тактного ПЛМ MERCURY 40 M Серийный номер от 0G760300 до 0T979999
Индукционный коллектор 2-х тактного ПЛМ MERCURY 40 M Серийный номер от 0G760300 до 0T979999
Инструменты, специальные 2-х тактного ПЛМ MERCURY 40 M Серийный номер от 0G760300 до 0T979999
Карбюратор 2-х тактного ПЛМ MERCURY 40 M Серийный номер от 0G760300 до 0T979999
Коленвал, поршень, маховик 2-х тактного ПЛМ MERCURY 40 M Серийный номер от 0G760300 до 0T979999
Комплектующие прокладок, капитального ремонта двигателя 2-х тактного ПЛМ MERCURY 40 M Серийный номер от 0G760300 до 0T979999
Компоненты впрыска масла 2-х тактного ПЛМ MERCURY 40 M Серийный номер от 0G760300 до 0T979999
Компоненты ручного запуска 2-х тактного ПЛМ MERCURY 40 M Серийный номер от 0G760300 до 0T979999
Корпус карданного вала 2-х тактного ПЛМ MERCURY 40 M Серийный номер от 0G760300 до 0T979999
Корпус редуктора (карданный вал) (2.00: 1 передаточное число) 2-х тактного ПЛМ MERCURY 40 M Серийный номер от 0G760300 до 0T979999
Корпус редуктора (приводной вал) (2.00: 1 передаточное число) 2-х тактного ПЛМ MERCURY 40 M Серийный номер от 0G760300 до 0T979999
Низ капота 2-х тактного ПЛМ MERCURY 40 M Серийный номер от 0G760300 до 0T979999
Поворотный кронштейн (Часть 1) 2-х тактного ПЛМ MERCURY 40 M Серийный номер от 0G760300 до 0T979999
Поворотный кронштейн (Часть 2) 2-х тактного ПЛМ MERCURY 40 M Серийный номер от 0G760300 до 0T979999
Рукоятка румпеля 2-х тактного ПЛМ MERCURY 40 M Серийный номер от 0G760300 до 0T979999
Стартер 2-х тактного ПЛМ MERCURY 40 M Серийный номер от 0G760300 до 0T979999
Статор, триггер (электрические модели) 2-х тактного ПЛМ MERCURY 40 M Серийный номер от 0G760300 до 0T979999
Топливный насос ручной (Дизайн 1) 2-х тактного ПЛМ MERCURY 40 M Серийный номер от 0G760300 до 0T979999
Топливный насос электрический (Дизайн 2) 2-х тактного ПЛМ MERCURY 40 M Серийный номер от 0G760300 до 0T979999
Триммер (Часть 1) 2-х тактного ПЛМ MERCURY 40 M Серийный номер от 0G760300 до 0T979999
Триммер (Часть 2) 2-х тактного ПЛМ MERCURY 40 M Серийный номер от 0G760300 до 0T979999
Электрические компоненты 2-х тактного ПЛМ MERCURY 40 M Серийный номер от 0G760300 до 0T979999
Manual Tilt, Serial Number 0N096057 and Below 2-х тактного ПЛМ MERCURY 40 M Серийный номер от 0N056165 и выше
Manual Tilt, Serial Number 0N096058 and Up 2-х тактного ПЛМ MERCURY 40 M Серийный номер от 0N056165 и выше
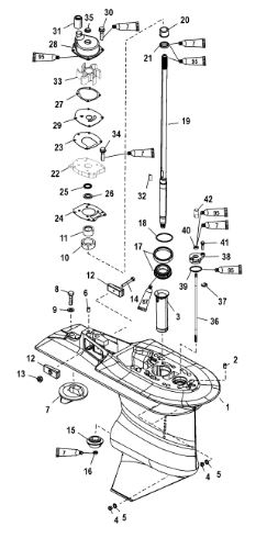
Аксессуары (Часть 1) 2-х тактного ПЛМ MERCURY 40 M Серийный номер от 0N056165 и выше
Аксессуары (Часть 2) 2-х тактного ПЛМ MERCURY 40 M Серийный номер от 0N056165 и выше
Блок цилиндров 2-х тактного ПЛМ MERCURY 40 M Серийный номер от 0N056165 и выше
Верх капота 2-х тактного ПЛМ MERCURY 40 M Серийный номер от 0N056165 и выше
Впускной коллектор и резонатор 2-х тактного ПЛМ MERCURY 40 M Серийный номер от 0N056165 и выше
Глушитель 2-х тактного ПЛМ MERCURY 40 M Серийный номер от 0N056165 и выше
Дроссельная тяга 2-х тактного ПЛМ MERCURY 40 M Серийный номер от 0N056165 и выше
Инструменты 2-х тактного ПЛМ MERCURY 40 M Серийный номер от 0N056165 и выше
Карбюратор 2-х тактного ПЛМ MERCURY 40 M Серийный номер от 0N056165 и выше
Коленчатый вал, поршни и шатуны 2-х тактного ПЛМ MERCURY 40 M Серийный номер от 0N056165 и выше
Компоненты впрыска масла 2-х тактного ПЛМ MERCURY 40 M Серийный номер от 0N056165 и выше
Компоненты дистанционного управления (Часть 1) 2-х тактного ПЛМ MERCURY 40 M Серийный номер от 0N056165 и выше
Компоненты дистанционного управления (Часть 2) 2-х тактного ПЛМ MERCURY 40 M Серийный номер от 0N056165 и выше
Компоненты переключения передач 2-х тактного ПЛМ MERCURY 40 M Серийный номер от 0N056165 и выше
Компоненты рулевого управления 2-х тактного ПЛМ MERCURY 40 M Серийный номер от 0N056165 и выше
Компоненты силовой отделки 2-х тактного ПЛМ MERCURY 40 M Серийный номер от 0N056165 и выше
Корпус карданного вала 2-х тактного ПЛМ MERCURY 40 M Серийный номер от 0N056165 и выше
Корпус редуктора, карданный вал, серийный 0N116270 и ниже 2-х тактного ПЛМ MERCURY 40 M Серийный номер от 0N056165 и выше
Корпус редуктора, карданный вал, серийный 0N116271 и выше 2-х тактного ПЛМ MERCURY 40 M Серийный номер от 0N056165 и выше
Корпус редуктора, карданный вал, серийный номер 0N116270 и ниже 2-х тактного ПЛМ MERCURY 40 M Серийный номер от 0N056165 и выше
Корпус редуктора, карданный вал, серийный номер 0N116271 и выше 2-х тактного ПЛМ MERCURY 40 M Серийный номер от 0N056165 и выше
Маховик 2-х тактного ПЛМ MERCURY 40 M Серийный номер от 0N056165 и выше
Низ капота 2-х тактного ПЛМ MERCURY 40 M Серийный номер от 0N056165 и выше
Рукоятка рулевого управления 2-х тактного ПЛМ MERCURY 40 M Серийный номер от 0N056165 и выше
Ручной стартер 2-х тактного ПЛМ MERCURY 40 M Серийный номер от 0N056165 и выше
Силовая отделка 2-х тактного ПЛМ MERCURY 40 M Серийный номер от 0N056165 и выше
Стартер 2-х тактного ПЛМ MERCURY 40 M Серийный номер от 0N056165 и выше
Топливный бак (пластик - 6,6 галлона) 2-х тактного ПЛМ MERCURY 40 M Серийный номер от 0N056165 и выше
Топливопровод 2-х тактного ПЛМ MERCURY 40 M Серийный номер от 0N056165 и выше
Транец и поворотные кронштейны (Часть 1) 2-х тактного ПЛМ MERCURY 40 M Серийный номер от 0N056165 и выше
Транец и поворотные кронштейны (Часть 2) 2-х тактного ПЛМ MERCURY 40 M Серийный номер от 0N056165 и выше
Электрические компоненты (электрические модели) 2-х тактного ПЛМ MERCURY 40 M Серийный номер от 0N056165 и выше
Электрические компоненты 2-х тактного ПЛМ MERCURY 40 M Серийный номер от 0N056165 и выше
Аксессуары 2-х тактного ПЛМ MERCURY 40 M Серийный номер от 0P325500 и выше
Блок цилиндров 2-х тактного ПЛМ MERCURY 40 M Серийный номер от 0P325500 и выше
Верх капота 2-х тактного ПЛМ MERCURY 40 M Серийный номер от 0P325500 и выше
Дополнительные компоненты 2-х тактного ПЛМ MERCURY 40 M Серийный номер от 0P325500 и выше
Дроссельная катушка 2-х тактного ПЛМ MERCURY 40 M Серийный номер от 0P325500 и выше
Дроссельная тяга 2-х тактного ПЛМ MERCURY 40 M Серийный номер от 0P325500 и выше
Зажимная скоба 2-х тактного ПЛМ MERCURY 40 M Серийный номер от 0P325500 и выше
Зажимной кронштейн 2-х тактного ПЛМ MERCURY 40 M Серийный номер от 0P325500 и выше
Индукционный коллектор 2-х тактного ПЛМ MERCURY 40 M Серийный номер от 0P325500 и выше
Инструменты, специальные 2-х тактного ПЛМ MERCURY 40 M Серийный номер от 0P325500 и выше
Карбюратор 2-х тактного ПЛМ MERCURY 40 M Серийный номер от 0P325500 и выше
Коленвал, поршень, маховик 2-х тактного ПЛМ MERCURY 40 M Серийный номер от 0P325500 и выше
Комплектующие прокладок, капитального ремонта двигателя 2-х тактного ПЛМ MERCURY 40 M Серийный номер от 0P325500 и выше
Компоненты впрыска масла 2-х тактного ПЛМ MERCURY 40 M Серийный номер от 0P325500 и выше
Компоненты ручного запуска 2-х тактного ПЛМ MERCURY 40 M Серийный номер от 0P325500 и выше
Корпус карданного вала 2-х тактного ПЛМ MERCURY 40 M Серийный номер от 0P325500 и выше
Корпус редуктора (карданный вал) (2.00: 1 передаточное число) 2-х тактного ПЛМ MERCURY 40 M Серийный номер от 0P325500 и выше
Корпус редуктора (приводной вал) (2.00: 1 передаточное число) 2-х тактного ПЛМ MERCURY 40 M Серийный номер от 0P325500 и выше
Нагреватель коллектора 2-х тактного ПЛМ MERCURY 40 M Серийный номер от 0P325500 и выше
Низ капота 2-х тактного ПЛМ MERCURY 40 M Серийный номер от 0P325500 и выше
Поворотный кронштейн (Часть 1) 2-х тактного ПЛМ MERCURY 40 M Серийный номер от 0P325500 и выше
Поворотный кронштейн (Часть 2) 2-х тактного ПЛМ MERCURY 40 M Серийный номер от 0P325500 и выше
Рукоятка румпеля 2-х тактного ПЛМ MERCURY 40 M Серийный номер от 0P325500 и выше
Стартер 2-х тактного ПЛМ MERCURY 40 M Серийный номер от 0P325500 и выше
Статор, триггер (электрические модели) 2-х тактного ПЛМ MERCURY 40 M Серийный номер от 0P325500 и выше
Топливный насос (ручной) 2-х тактного ПЛМ MERCURY 40 M Серийный номер от 0P325500 и выше
Топливный насос (электрический) 2-х тактного ПЛМ MERCURY 40 M Серийный номер от 0P325500 и выше
Триммер (Часть 1) 2-х тактного ПЛМ MERCURY 40 M Серийный номер от 0P325500 и выше
Триммер (Часть 2) 2-х тактного ПЛМ MERCURY 40 M Серийный номер от 0P325500 и выше
Электрические компоненты 2-х тактного ПЛМ MERCURY 40 M Серийный номер от 0P325500 и выше
Аксессуары 2-х тактного ПЛМ MERCURY 40 M Серийный номер от 0T980000 до 0T999999
Блок цилиндров 2-х тактного ПЛМ MERCURY 40 M Серийный номер от 0T980000 до 0T999999
Верх капота 2-х тактного ПЛМ MERCURY 40 M Серийный номер от 0T980000 до 0T999999
Дополнительные компоненты 2-х тактного ПЛМ MERCURY 40 M Серийный номер от 0T980000 до 0T999999
Дроссельная катушка 2-х тактного ПЛМ MERCURY 40 M Серийный номер от 0T980000 до 0T999999
Дроссельная тяга 2-х тактного ПЛМ MERCURY 40 M Серийный номер от 0T980000 до 0T999999
Зажимная скоба 2-х тактного ПЛМ MERCURY 40 M Серийный номер от 0T980000 до 0T999999
Зажимной кронштейн 2-х тактного ПЛМ MERCURY 40 M Серийный номер от 0T980000 до 0T999999
Индукционный коллектор 2-х тактного ПЛМ MERCURY 40 M Серийный номер от 0T980000 до 0T999999
Инструменты, специальные 2-х тактного ПЛМ MERCURY 40 M Серийный номер от 0T980000 до 0T999999
Карбюратор 2-х тактного ПЛМ MERCURY 40 M Серийный номер от 0T980000 до 0T999999
Коленвал, поршень, маховик 2-х тактного ПЛМ MERCURY 40 M Серийный номер от 0T980000 до 0T999999
Комплектующие прокладок, капитального ремонта двигателя 2-х тактного ПЛМ MERCURY 40 M Серийный номер от 0T980000 до 0T999999
Компоненты впрыска масла 2-х тактного ПЛМ MERCURY 40 M Серийный номер от 0T980000 до 0T999999
Компоненты ручного запуска 2-х тактного ПЛМ MERCURY 40 M Серийный номер от 0T980000 до 0T999999
Корпус карданного вала 2-х тактного ПЛМ MERCURY 40 M Серийный номер от 0T980000 до 0T999999
Корпус редуктора (карданный вал) (2.00: 1 передаточное число) 2-х тактного ПЛМ MERCURY 40 M Серийный номер от 0T980000 до 0T999999
Корпус редуктора (приводной вал) (2.00: 1 передаточное число) 2-х тактного ПЛМ MERCURY 40 M Серийный номер от 0T980000 до 0T999999
Нагреватель коллектора 2-х тактного ПЛМ MERCURY 40 M Серийный номер от 0T980000 до 0T999999
Низ капота 2-х тактного ПЛМ MERCURY 40 M Серийный номер от 0T980000 до 0T999999
Поворотный кронштейн (Часть 1) 2-х тактного ПЛМ MERCURY 40 M Серийный номер от 0T980000 до 0T999999
Поворотный кронштейн (Часть 2) 2-х тактного ПЛМ MERCURY 40 M Серийный номер от 0T980000 до 0T999999
Рукоятка румпеля 2-х тактного ПЛМ MERCURY 40 M Серийный номер от 0T980000 до 0T999999
Стартер 2-х тактного ПЛМ MERCURY 40 M Серийный номер от 0T980000 до 0T999999
Статор, триггер (электрические модели) 2-х тактного ПЛМ MERCURY 40 M Серийный номер от 0T980000 до 0T999999
Топливный насос (ручной) 2-х тактного ПЛМ MERCURY 40 M Серийный номер от 0T980000 до 0T999999
Топливный насос (электрический) 2-х тактного ПЛМ MERCURY 40 M Серийный номер от 0T980000 до 0T999999
Триммер (Часть 1) 2-х тактного ПЛМ MERCURY 40 M Серийный номер от 0T980000 до 0T999999
Триммер (Часть 2) 2-х тактного ПЛМ MERCURY 40 M Серийный номер от 0T980000 до 0T999999
Электрические компоненты 2-х тактного ПЛМ MERCURY 40 M Серийный номер от 0T980000 до 0T999999
Аксессуары 2-х тактного ПЛМ MERCURY 40 M Серийный номер от 1B000001 и выше
Блок цилиндров 2-х тактного ПЛМ MERCURY 40 M Серийный номер от 1B000001 и выше
Верх капота 2-х тактного ПЛМ MERCURY 40 M Серийный номер от 1B000001 и выше
Дополнительные компоненты 2-х тактного ПЛМ MERCURY 40 M Серийный номер от 1B000001 и выше
Дроссельная катушка 2-х тактного ПЛМ MERCURY 40 M Серийный номер от 1B000001 и выше
Дроссельная тяга 2-х тактного ПЛМ MERCURY 40 M Серийный номер от 1B000001 и выше
Зажимная скоба 2-х тактного ПЛМ MERCURY 40 M Серийный номер от 1B000001 и выше
Зажимной кронштейн 2-х тактного ПЛМ MERCURY 40 M Серийный номер от 1B000001 и выше
Индукционный коллектор 2-х тактного ПЛМ MERCURY 40 M Серийный номер от 1B000001 и выше
Инструменты, специальные 2-х тактного ПЛМ MERCURY 40 M Серийный номер от 1B000001 и выше
Карбюратор 2-х тактного ПЛМ MERCURY 40 M Серийный номер от 1B000001 и выше
Коленвал, поршень, маховик 2-х тактного ПЛМ MERCURY 40 M Серийный номер от 1B000001 и выше
Комплектующие прокладок, капитального ремонта двигателя 2-х тактного ПЛМ MERCURY 40 M Серийный номер от 1B000001 и выше
Компоненты впрыска масла 2-х тактного ПЛМ MERCURY 40 M Серийный номер от 1B000001 и выше
Компоненты ручного запуска 2-х тактного ПЛМ MERCURY 40 M Серийный номер от 1B000001 и выше
Корпус карданного вала 2-х тактного ПЛМ MERCURY 40 M Серийный номер от 1B000001 и выше
Корпус редуктора (карданный вал) (2.00: 1 передаточное число) 2-х тактного ПЛМ MERCURY 40 M Серийный номер от 1B000001 и выше
Корпус редуктора (приводной вал) (2.00: 1 передаточное число) 2-х тактного ПЛМ MERCURY 40 M Серийный номер от 1B000001 и выше
Нагреватель коллектора 2-х тактного ПЛМ MERCURY 40 M Серийный номер от 1B000001 и выше
Низ капота 2-х тактного ПЛМ MERCURY 40 M Серийный номер от 1B000001 и выше
Поворотный кронштейн (Часть 1) 2-х тактного ПЛМ MERCURY 40 M Серийный номер от 1B000001 и выше
Поворотный кронштейн (Часть 2) 2-х тактного ПЛМ MERCURY 40 M Серийный номер от 1B000001 и выше
Рукоятка румпеля 2-х тактного ПЛМ MERCURY 40 M Серийный номер от 1B000001 и выше
Стартер 2-х тактного ПЛМ MERCURY 40 M Серийный номер от 1B000001 и выше
Статор, триггер (электрические модели) 2-х тактного ПЛМ MERCURY 40 M Серийный номер от 1B000001 и выше
Топливный насос (ручной) 2-х тактного ПЛМ MERCURY 40 M Серийный номер от 1B000001 и выше
Топливный насос (электрический) 2-х тактного ПЛМ MERCURY 40 M Серийный номер от 1B000001 и выше
Триммер (Часть 1) 2-х тактного ПЛМ MERCURY 40 M Серийный номер от 1B000001 и выше
Триммер (Часть 2) 2-х тактного ПЛМ MERCURY 40 M Серийный номер от 1B000001 и выше
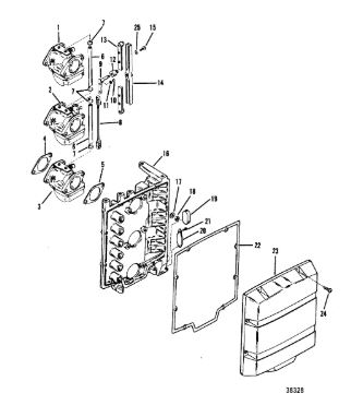
Аксессуары 2-х тактного ПЛМ MERCURY 40 M Серийный номер от 7144763 и выше
Блок цилиндров и термостат 2-х тактного ПЛМ MERCURY 40 M Серийный номер от 7144763 и выше
Верхний капот и обтекатель 2-х тактного ПЛМ MERCURY 40 M Серийный номер от 7144763 и выше
Дроссель и свечи зажигания 2-х тактного ПЛМ MERCURY 40 M Серийный номер от 7144763 и выше
Зажим и поворотный кронштейн в сборе 2-х тактного ПЛМ MERCURY 40 M Серийный номер от 7144763 и выше
Карбюратор в сборе 2-х тактного ПЛМ MERCURY 40 M Серийный номер от 7144763 и выше
Картер и крышки блока цилиндров 2-х тактного ПЛМ MERCURY 40 M Серийный номер от 7144763 и выше
Коленчатый вал, поршни и шатуны 2-х тактного ПЛМ MERCURY 40 M Серийный номер от 7144763 и выше
Корпус ведущего вала в сборе 2-х тактного ПЛМ MERCURY 40 M Серийный номер от 7144763 и выше
Корпус редуктора (карданный вал) 2-х тактного ПЛМ MERCURY 40 M Серийный номер от 7144763 и выше
Корпус стартера в сборе 2-х тактного ПЛМ MERCURY 40 M Серийный номер от 7144763 и выше
Маховик, катушка зажигания и распределительная коробка (Часть 1) 2-х тактного ПЛМ MERCURY 40 M Серийный номер от 7144763 и выше
Нижний капот и выхлопная пластина 2-х тактного ПЛМ MERCURY 40 M Серийный номер от 7144763 и выше
Ручное управление в сборе 2-х тактного ПЛМ MERCURY 40 M Серийный номер от 7144763 и выше
Рычаг КПП 2-х тактного ПЛМ MERCURY 40 M Серийный номер от 7144763 и выше
Стартер в сборе 2-х тактного ПЛМ MERCURY 40 M Серийный номер от 7144763 и выше
Стартер, выпрямитель и жгут проводов (только электрический) 2-х тактного ПЛМ MERCURY 40 M Серийный номер от 7144763 и выше
Топливный насос и топливная линия 2-х тактного ПЛМ MERCURY 40 M Серийный номер от 7144763 и выше
Аксессуары 2-х тактного ПЛМ MERCURY 40 M Серийный номер от 8064750 и выше
Блок цилиндров и термостат 2-х тактного ПЛМ MERCURY 40 M Серийный номер от 8064750 и выше
Верхний капот и обтекатель 2-х тактного ПЛМ MERCURY 40 M Серийный номер от 8064750 и выше
Винты 2-х тактного ПЛМ MERCURY 40 M Серийный номер от 8064750 и выше
Дроссель и свечи зажигания 2-х тактного ПЛМ MERCURY 40 M Серийный номер от 8064750 и выше
Зажим и поворотный кронштейн в сборе 2-х тактного ПЛМ MERCURY 40 M Серийный номер от 8064750 и выше
Карбюратор в сборе 2-х тактного ПЛМ MERCURY 40 M Серийный номер от 8064750 и выше
Картер и крышки блока цилиндров 2-х тактного ПЛМ MERCURY 40 M Серийный номер от 8064750 и выше
Коленчатый вал, поршни и шатуны 2-х тактного ПЛМ MERCURY 40 M Серийный номер от 8064750 и выше
Корпус ведущего вала в сборе 2-х тактного ПЛМ MERCURY 40 M Серийный номер от 8064750 и выше
Корпус редуктора (карданный вал) 2-х тактного ПЛМ MERCURY 40 M Серийный номер от 8064750 и выше
Корпус редуктора (приводной вал) 2-х тактного ПЛМ MERCURY 40 M Серийный номер от 8064750 и выше
Корпус стартера в сборе 2-х тактного ПЛМ MERCURY 40 M Серийный номер от 8064750 и выше
Маховик, катушка зажигания и распределительная коробка (Часть 1) 2-х тактного ПЛМ MERCURY 40 M Серийный номер от 8064750 и выше
Нижний капот и выхлопная пластина 2-х тактного ПЛМ MERCURY 40 M Серийный номер от 8064750 и выше
Ручное управление в сборе 2-х тактного ПЛМ MERCURY 40 M Серийный номер от 8064750 и выше
Рычаг КПП 2-х тактного ПЛМ MERCURY 40 M Серийный номер от 8064750 и выше
Стартер в сборе 2-х тактного ПЛМ MERCURY 40 M Серийный номер от 8064750 и выше
Стартер, выпрямитель и жгут проводов (только электрический) 2-х тактного ПЛМ MERCURY 40 M Серийный номер от 8064750 и выше
Топливный насос и топливная линия 2-х тактного ПЛМ MERCURY 40 M Серийный номер от 8064750 и выше
Аксессуары 2-х тактного ПЛМ MERCURY 40 M Серийный номер от 9251456 и выше
Блок цилиндров и термостат 2-х тактного ПЛМ MERCURY 40 M Серийный номер от 9251456 и выше
Верхний капот и обтекатель 2-х тактного ПЛМ MERCURY 40 M Серийный номер от 9251456 и выше
Винты 2-х тактного ПЛМ MERCURY 40 M Серийный номер от 9251456 и выше
Дроссель и свечи зажигания 2-х тактного ПЛМ MERCURY 40 M Серийный номер от 9251456 и выше
Зажим и поворотный кронштейн в сборе 2-х тактного ПЛМ MERCURY 40 M Серийный номер от 9251456 и выше
Карбюратор в сборе 2-х тактного ПЛМ MERCURY 40 M Серийный номер от 9251456 и выше
Картер и крышки блока цилиндров 2-х тактного ПЛМ MERCURY 40 M Серийный номер от 9251456 и выше
Коленчатый вал, поршни и шатуны 2-х тактного ПЛМ MERCURY 40 M Серийный номер от 9251456 и выше
Корпус ведущего вала в сборе 2-х тактного ПЛМ MERCURY 40 M Серийный номер от 9251456 и выше
Корпус редуктора (карданный вал) 2-х тактного ПЛМ MERCURY 40 M Серийный номер от 9251456 и выше
Корпус редуктора (приводной вал) 2-х тактного ПЛМ MERCURY 40 M Серийный номер от 9251456 и выше
Корпус стартера в сборе 2-х тактного ПЛМ MERCURY 40 M Серийный номер от 9251456 и выше
Маховик, катушка зажигания и распределительная коробка (Часть 1) 2-х тактного ПЛМ MERCURY 40 M Серийный номер от 9251456 и выше
Нижний капот и выхлопная пластина 2-х тактного ПЛМ MERCURY 40 M Серийный номер от 9251456 и выше
Ручное управление в сборе 2-х тактного ПЛМ MERCURY 40 M Серийный номер от 9251456 и выше
Рычаг КПП 2-х тактного ПЛМ MERCURY 40 M Серийный номер от 9251456 и выше
Стартер, выпрямитель и жгут проводов (только электрический) 2-х тактного ПЛМ MERCURY 40 M Серийный номер от 9251456 и выше
Топливный насос и топливная линия 2-х тактного ПЛМ MERCURY 40 M Серийный номер от 9251456 и выше
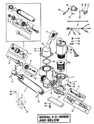
Аксессуары 2-х тактного ПЛМ MERCURY 40 M Серийный номер от 9854537 до 0P016999
Блок цилиндров (Часть 1) 2-х тактного ПЛМ MERCURY 40 M Серийный номер от 9854537 до 0P016999
Блок цилиндров (Часть 2) 2-х тактного ПЛМ MERCURY 40 M Серийный номер от 9854537 до 0P016999
Верхний капот 2-х тактного ПЛМ MERCURY 40 M Серийный номер от 9854537 до 0P016999
Дополнительные компоненты 2-х тактного ПЛМ MERCURY 40 M Серийный номер от 9854537 до 0P016999
Зажимной кронштейн (Часть 1) 2-х тактного ПЛМ MERCURY 40 M Серийный номер от 9854537 до 0P016999
Зажимной кронштейн (Часть 2) 2-х тактного ПЛМ MERCURY 40 M Серийный номер от 9854537 до 0P016999
Индукционный коллектор 2-х тактного ПЛМ MERCURY 40 M Серийный номер от 9854537 до 0P016999
Инструменты, специальные 2-х тактного ПЛМ MERCURY 40 M Серийный номер от 9854537 до 0P016999
Карбюратор 2-х тактного ПЛМ MERCURY 40 M Серийный номер от 9854537 до 0P016999
Коленчатый вал, поршень, маховик 2-х тактного ПЛМ MERCURY 40 M Серийный номер от 9854537 до 0P016999
Компоненты для закачки масла 2-х тактного ПЛМ MERCURY 40 M Серийный номер от 9854537 до 0P016999
Компоненты ручного запуска 2-х тактного ПЛМ MERCURY 40 M Серийный номер от 9854537 до 0P016999
Корпус ведущего вала (Часть 1) 2-х тактного ПЛМ MERCURY 40 M Серийный номер от 9854537 до 0P016999
Корпус ведущего вала (Часть 2) 2-х тактного ПЛМ MERCURY 40 M Серийный номер от 9854537 до 0P016999
Корпус редуктора (карданный вал) (2.00: 1 передаточное число) 2-х тактного ПЛМ MERCURY 40 M Серийный номер от 9854537 до 0P016999
Корпус редуктора (приводной вал) (2.00: 1 передаточное число) 2-х тактного ПЛМ MERCURY 40 M Серийный номер от 9854537 до 0P016999
Низ капота (Часть 1) 2-х тактного ПЛМ MERCURY 40 M Серийный номер от 9854537 до 0P016999
Низ капота (Часть 2) 2-х тактного ПЛМ MERCURY 40 M Серийный номер от 9854537 до 0P016999
Поворотный кронштейн (Часть 2) 2-х тактного ПЛМ MERCURY 40 M Серийный номер от 9854537 до 0P016999
Разнообразная информация 2-х тактного ПЛМ MERCURY 40 M Серийный номер от 9854537 до 0P016999
Румпель 2-х тактного ПЛМ MERCURY 40 M Серийный номер от 9854537 до 0P016999
Рычаг дроссельной заслонки (S/N-0G590000/BEL-9973100 & UP) 2-х тактного ПЛМ MERCURY 40 M Серийный номер от 9854537 до 0P016999
Стартер 2-х тактного ПЛМ MERCURY 40 M Серийный номер от 9854537 до 0P016999
Статор, триггер (электрические модели) 2-х тактного ПЛМ MERCURY 40 M Серийный номер от 9854537 до 0P016999
Топливный насос (электрический) 2-х тактного ПЛМ MERCURY 40 M Серийный номер от 9854537 до 0P016999
Триммер (Часть 1) 2-х тактного ПЛМ MERCURY 40 M Серийный номер от 9854537 до 0P016999
Триммер (Часть 2) 2-х тактного ПЛМ MERCURY 40 M Серийный номер от 9854537 до 0P016999
Электрические компоненты (Часть 1) 2-х тактного ПЛМ MERCURY 40 M Серийный номер от 9854537 до 0P016999
Электрические компоненты (Часть 2) 2-х тактного ПЛМ MERCURY 40 M Серийный номер от 9854537 до 0P016999
Электрические компоненты (Часть 3) 2-х тактного ПЛМ MERCURY 40 M Серийный номер от 9854537 до 0P016999
Manual Tilt Components 2-х тактного ПЛМ MERCURY 50EO Серийный номер от 0A721308 и выше
Авто-смесь 2-х тактного ПЛМ MERCURY 50EO Серийный номер от 0A721308 и выше
Блок цилиндров 2-х тактного ПЛМ MERCURY 50EO Серийный номер от 0A721308 и выше
Выхлопная труба 2-х тактного ПЛМ MERCURY 50EO Серийный номер от 0A721308 и выше
Выхлопной коллектор и крышки 2-х тактного ПЛМ MERCURY 50EO Серийный номер от 0A721308 и выше
Дроссельная тяга 2-х тактного ПЛМ MERCURY 50EO Серийный номер от 0A721308 и выше
Зажимной кронштейн (короткий) (длинный-0C160935 и ниже) (60EL NOI) (NPT) 2-х тактного ПЛМ MERCURY 50EO Серийный номер от 0A721308 и выше
Капот и передняя крышка 2-х тактного ПЛМ MERCURY 50EO Серийный номер от 0A721308 и выше
Карбюратор 2-х тактного ПЛМ MERCURY 50EO Серийный номер от 0A721308 и выше
Карбюратор и дроссель 2-х тактного ПЛМ MERCURY 50EO Серийный номер от 0A721308 и выше
Коленвал, поршни и шатуны 2-х тактного ПЛМ MERCURY 50EO Серийный номер от 0A721308 и выше
Компоненты силовой отделки (S/N-0C160935 и ниже) 2-х тактного ПЛМ MERCURY 50EO Серийный номер от 0A721308 и выше
Корпус карданного вала (длинный-0C160936 & выше) (60EL NOI) (NPT) 2-х тактного ПЛМ MERCURY 50EO Серийный номер от 0A721308 и выше
Корпус карданного вала (короткий)(длинный S/N-0C160935 и ниже) 2-х тактного ПЛМ MERCURY 50EO Серийный номер от 0A721308 и выше
Корпус редуктора (карданный вал) 2-х тактного ПЛМ MERCURY 50EO Серийный номер от 0A721308 и выше
Корпус шестерни, карданный вал 2-х тактного ПЛМ MERCURY 50EO Серийный номер от 0A721308 и выше
Кронштейн транца (силовая отделка)(S/N-0C160935 и ниже) 2-х тактного ПЛМ MERCURY 50EO Серийный номер от 0A721308 и выше
Кронштейн транца(длинный вал SN-0C160936 и выше) 2-х тактного ПЛМ MERCURY 50EO Серийный номер от 0A721308 и выше
Маховик, распределительная коробка, катушка зажигания и статор 2-х тактного ПЛМ MERCURY 50EO Серийный номер от 0A721308 и выше
Насос отсечки мощности (прямоугольный двигатель Eaton) 2-х тактного ПЛМ MERCURY 50EO Серийный номер от 0A721308 и выше
Опорные кронштейны капота 2-х тактного ПЛМ MERCURY 50EO Серийный номер от 0A721308 и выше
Поворотный кронштейн (длинный вал-S/N-0C160936 и выше) 2-х тактного ПЛМ MERCURY 50EO Серийный номер от 0A721308 и выше
Поворотный кронштейн (силовая отделка)(S/N-0C160935 & ниже) 2-х тактного ПЛМ MERCURY 50EO Серийный номер от 0A721308 и выше
Стартер 2-х тактного ПЛМ MERCURY 50EO Серийный номер от 0A721308 и выше
Стартер, соленоид и выпрямитель 2-х тактного ПЛМ MERCURY 50EO Серийный номер от 0A721308 и выше
Топливный насос 2-х тактного ПЛМ MERCURY 50EO Серийный номер от 0A721308 и выше
Электрические компоненты (длинные-S/N-0C160936 & Up) 2-х тактного ПЛМ MERCURY 50EO Серийный номер от 0A721308 и выше
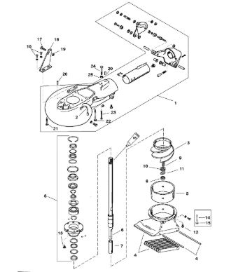
Manual Tilt Components 2-Х ТАКТНОГО ПЛМ MERCURY 50EO Серийный номер от 0B122930 до 0D000749
Авто-смесь 2-Х ТАКТНОГО ПЛМ MERCURY 50EO Серийный номер от 0B122930 до 0D000749
Блок цилиндров 2-Х ТАКТНОГО ПЛМ MERCURY 50EO Серийный номер от 0B122930 до 0D000749
Выхлопная труба 2-Х ТАКТНОГО ПЛМ MERCURY 50EO Серийный номер от 0B122930 до 0D000749
Выхлопной коллектор и крышки 2-Х ТАКТНОГО ПЛМ MERCURY 50EO Серийный номер от 0B122930 до 0D000749
Дроссельная тяга 2-Х ТАКТНОГО ПЛМ MERCURY 50EO Серийный номер от 0B122930 до 0D000749
Зажимной кронштейн (короткий) (длинный-0C160935 и ниже) (60EL NOI) (NPT) 2-Х ТАКТНОГО ПЛМ MERCURY 50EO Серийный номер от 0B122930 до 0D000749
Капот и передняя крышка 2-Х ТАКТНОГО ПЛМ MERCURY 50EO Серийный номер от 0B122930 до 0D000749
Карбюратор 2-Х ТАКТНОГО ПЛМ MERCURY 50EO Серийный номер от 0B122930 до 0D000749
Карбюратор и дроссель 2-Х ТАКТНОГО ПЛМ MERCURY 50EO Серийный номер от 0B122930 до 0D000749
Коленчатый вал, поршни и шатуны 2-Х ТАКТНОГО ПЛМ MERCURY 50EO Серийный номер от 0B122930 до 0D000749
Компоненты силовой отделки(S/N-0C160935 и ниже) 2-Х ТАКТНОГО ПЛМ MERCURY 50EO Серийный номер от 0B122930 до 0D000749
Корпус карданного вала (короткий)(длинный S / N-0C160935 и ниже) 2-Х ТАКТНОГО ПЛМ MERCURY 50EO Серийный номер от 0B122930 до 0D000749
Корпус редуктора (карданный вал) 2-Х ТАКТНОГО ПЛМ MERCURY 50EO Серийный номер от 0B122930 до 0D000749
Корпус шестерни (карданный вал) 2-Х ТАКТНОГО ПЛМ MERCURY 50EO Серийный номер от 0B122930 до 0D000749
Кронштейн транца(длинный вал S/N-0C160936 и выше) 2-Х ТАКТНОГО ПЛМ MERCURY 50EO Серийный номер от 0B122930 до 0D000749
Маховик, распределительная коробка, катушка зажигания и статор 2-Х ТАКТНОГО ПЛМ MERCURY 50EO Серийный номер от 0B122930 до 0D000749
Насос отсечки мощности (прямоугольный двигатель Eaton) 2-Х ТАКТНОГО ПЛМ MERCURY 50EO Серийный номер от 0B122930 до 0D000749
Опорные кронштейны капота 2-Х ТАКТНОГО ПЛМ MERCURY 50EO Серийный номер от 0B122930 до 0D000749
Поворотный кронштейн (короткий) (длинный-0C160935 и ниже) (60EL NOI) (NPT) 2-Х ТАКТНОГО ПЛМ MERCURY 50EO Серийный номер от 0B122930 до 0D000749
Поворотный кронштейн (силовая отделка)(S/N-0C160935 & ниже) 2-Х ТАКТНОГО ПЛМ MERCURY 50EO Серийный номер от 0B122930 до 0D000749
Стартер 2-Х ТАКТНОГО ПЛМ MERCURY 50EO Серийный номер от 0B122930 до 0D000749
Стартер, соленоид и выпрямитель 2-Х ТАКТНОГО ПЛМ MERCURY 50EO Серийный номер от 0B122930 до 0D000749
Топливный насос 2-Х ТАКТНОГО ПЛМ MERCURY 50EO Серийный номер от 0B122930 до 0D000749
Электрические компоненты (длинные-S/N-0C160936 и выше) 2-Х ТАКТНОГО ПЛМ MERCURY 50EO Серийный номер от 0B122930 до 0D000749
Аксессуары 2-Х ТАКТНОГО ПЛМ MERCURY 50EO Серийный номер от 0D000750 до 0G290584
Блок цилиндров и картер 2-Х ТАКТНОГО ПЛМ MERCURY 50EO Серийный номер от 0D000750 до 0G290584
Впускной коллектор и резонатор 2-Х ТАКТНОГО ПЛМ MERCURY 50EO Серийный номер от 0D000750 до 0G290584
Выхлопная труба 2-Х ТАКТНОГО ПЛМ MERCURY 50EO Серийный номер от 0D000750 до 0G290584
Дроссель и рычаг 2-Х ТАКТНОГО ПЛМ MERCURY 50EO Серийный номер от 0D000750 до 0G290584
Зажимной кронштейн (S/N: 0D181999 и ниже) 2-Х ТАКТНОГО ПЛМ MERCURY 50EO Серийный номер от 0D000750 до 0G290584
Зажимной кронштейн (ручной) (S/N: 0D1812000 и выше) 2-Х ТАКТНОГО ПЛМ MERCURY 50EO Серийный номер от 0D000750 до 0G290584
Капот 2-Х ТАКТНОГО ПЛМ MERCURY 50EO Серийный номер от 0D000750 до 0G290584
Карбюратор (WME-22/22B/23/24/35) 2-Х ТАКТНОГО ПЛМ MERCURY 50EO Серийный номер от 0D000750 до 0G290584
Карбюратор (WME-26/27/28/28/43/44/45) 2-Х ТАКТНОГО ПЛМ MERCURY 50EO Серийный номер от 0D000750 до 0G290584
Коленчатый вал, поршни и шатуны 2-Х ТАКТНОГО ПЛМ MERCURY 50EO Серийный номер от 0D000750 до 0G290584
Компоненты двигателя 2-Х ТАКТНОГО ПЛМ MERCURY 50EO Серийный номер от 0D000750 до 0G290584
Компоненты для закачки масла 2-Х ТАКТНОГО ПЛМ MERCURY 50EO Серийный номер от 0D000750 до 0G290584
Компоненты расширения 2-Х ТАКТНОГО ПЛМ MERCURY 50EO Серийный номер от 0D000750 до 0G290584
Компоненты силовой отделки(S/N: 0D181999 и ниже) 2-Х ТАКТНОГО ПЛМ MERCURY 50EO Серийный номер от 0D000750 до 0G290584
Корпус ведущего вала 2-Х ТАКТНОГО ПЛМ MERCURY 50EO Серийный номер от 0D000750 до 0G290584
Корпус коробки передач (DR/ SHAFT)(BIGFOOT)(SEAPRO/MARATHON/PONTOON) 2-Х ТАКТНОГО ПЛМ MERCURY 50EO Серийный номер от 0D000750 до 0G290584
Корпус коробки передач (PROP SHAFT)(BIGFOOT)(SEAPRO/MARATHON/PONTOON) 2-Х ТАКТНОГО ПЛМ MERCURY 50EO Серийный номер от 0D000750 до 0G290584
Корпус редуктора (приводной вал) 2-Х ТАКТНОГО ПЛМ MERCURY 50EO Серийный номер от 0D000750 до 0G290584
Корпус шестерни (карданный вал) 2-Х ТАКТНОГО ПЛМ MERCURY 50EO Серийный номер от 0D000750 до 0G290584
Кронштейн транца(50/60)(S/N: 0D181999 и ниже) 2-Х ТАКТНОГО ПЛМ MERCURY 50EO Серийный номер от 0D000750 до 0G290584
Маховик 2-Х ТАКТНОГО ПЛМ MERCURY 50EO Серийный номер от 0D000750 до 0G290584
Маховик и статор 2-Х ТАКТНОГО ПЛМ MERCURY 50EO Серийный номер от 0D000750 до 0G290584
Пластина аттенюатора 2-Х ТАКТНОГО ПЛМ MERCURY 50EO Серийный номер от 0D000750 до 0G290584
Поворотный кронштейн (S/N: 0D181999 и ниже) 2-Х ТАКТНОГО ПЛМ MERCURY 50EO Серийный номер от 0D000750 до 0G290584
Поворотный кронштейн (S/N: 0D182000 и выше) 2-Х ТАКТНОГО ПЛМ MERCURY 50EO Серийный номер от 0D000750 до 0G290584
Ручки руля комплект (Часть 1) 2-Х ТАКТНОГО ПЛМ MERCURY 50EO Серийный номер от 0D000750 до 0G290584
Ручки руля комплект (Часть 2) 2-Х ТАКТНОГО ПЛМ MERCURY 50EO Серийный номер от 0D000750 до 0G290584
Ручные компоненты наклона 2-Х ТАКТНОГО ПЛМ MERCURY 50EO Серийный номер от 0D000750 до 0G290584
Стартер в сборе (ручной)(55) 2-Х ТАКТНОГО ПЛМ MERCURY 50EO Серийный номер от 0D000750 до 0G290584
Стартер в сборе 2-Х ТАКТНОГО ПЛМ MERCURY 50EO Серийный номер от 0D000750 до 0G290584
Струйный насос в сборе 2-Х ТАКТНОГО ПЛМ MERCURY 50EO Серийный номер от 0D000750 до 0G290584
Топливный насос (белый или красный) 2-Х ТАКТНОГО ПЛМ MERCURY 50EO Серийный номер от 0D000750 до 0G290584
Топливный насос (черный) 2-Х ТАКТНОГО ПЛМ MERCURY 50EO Серийный номер от 0D000750 до 0G290584
Топливный насос 2-Х ТАКТНОГО ПЛМ MERCURY 50EO Серийный номер от 0D000750 до 0G290584
Электрические компоненты (50/60) 2-Х ТАКТНОГО ПЛМ MERCURY 50EO Серийный номер от 0D000750 до 0G290584
Электрические компоненты (55) 2-Х ТАКТНОГО ПЛМ MERCURY 50EO Серийный номер от 0D000750 до 0G290584
Аксессуары 2-Х ТАКТНОГО ПЛМ MERCURY 50EO Серийный номер от 0G290585 до 0G589999
Блок цилиндров и картер (Часть 1) 2-Х ТАКТНОГО ПЛМ MERCURY 50EO Серийный номер от 0G290585 до 0G589999
Блок цилиндров и картер (Часть 2) 2-Х ТАКТНОГО ПЛМ MERCURY 50EO Серийный номер от 0G290585 до 0G589999
Впускной коллектор и резонатор 2-Х ТАКТНОГО ПЛМ MERCURY 50EO Серийный номер от 0G290585 до 0G589999
Выхлопная труба 2-Х ТАКТНОГО ПЛМ MERCURY 50EO Серийный номер от 0G290585 до 0G589999
Дроссель и рычаг 2-Х ТАКТНОГО ПЛМ MERCURY 50EO Серийный номер от 0G290585 до 0G589999
Зажимной кронштейн (ручной) 2-Х ТАКТНОГО ПЛМ MERCURY 50EO Серийный номер от 0G290585 до 0G589999
Капот (Часть 1) 2-Х ТАКТНОГО ПЛМ MERCURY 50EO Серийный номер от 0G290585 до 0G589999
Капот (Часть 2) 2-Х ТАКТНОГО ПЛМ MERCURY 50EO Серийный номер от 0G290585 до 0G589999
Карбюратор 2-Х ТАКТНОГО ПЛМ MERCURY 50EO Серийный номер от 0G290585 до 0G589999
Коленчатый вал, поршни и соединительные стержни 2-Х ТАКТНОГО ПЛМ MERCURY 50EO Серийный номер от 0G290585 до 0G589999
Компоненты двигателя 2-Х ТАКТНОГО ПЛМ MERCURY 50EO Серийный номер от 0G290585 до 0G589999
Компоненты закачки масла 2-Х ТАКТНОГО ПЛМ MERCURY 50EO Серийный номер от 0G290585 до 0G589999
Компоненты расширения 2-Х ТАКТНОГО ПЛМ MERCURY 50EO Серийный номер от 0G290585 до 0G589999
Компоненты силовой отделки (S / # 0G357070 и ниже) (черная заливка) 2-Х ТАКТНОГО ПЛМ MERCURY 50EO Серийный номер от 0G290585 до 0G589999
Корпус ведущего вала 2-Х ТАКТНОГО ПЛМ MERCURY 50EO Серийный номер от 0G290585 до 0G589999
Корпус редуктора (карданный вал)(50/55/60) 2-Х ТАКТНОГО ПЛМ MERCURY 50EO Серийный номер от 0G290585 до 0G589999
Корпус редуктора (опорный вал)(60 SEA/MARA/BIG FOOT, 3 JAW REV. CLUTCH 2-Х ТАКТНОГО ПЛМ MERCURY 50EO Серийный номер от 0G290585 до 0G589999
Корпус редуктора (приводной вал)(50/55/60) (Часть 1) 2-Х ТАКТНОГО ПЛМ MERCURY 50EO Серийный номер от 0G290585 до 0G589999
Корпус редуктора (приводной вал)(50/55/60) (Часть 2) 2-Х ТАКТНОГО ПЛМ MERCURY 50EO Серийный номер от 0G290585 до 0G589999
Корпус редуктора (приводной вал)(60 SEA/MARA/BIG FOOT,3 JAW REV. CLUTCH 1 2-Х ТАКТНОГО ПЛМ MERCURY 50EO Серийный номер от 0G290585 до 0G589999
Корпус редуктора (приводной вал)(60 SEA/MARA/BIG FOOT,3 JAW REV. CLUTCH 2 2-Х ТАКТНОГО ПЛМ MERCURY 50EO Серийный номер от 0G290585 до 0G589999
Корпус редуктора (приводной вал)(60 SEA/MARA/BIG FOOT,6 JAW REV. CLUTCH 1 2-Х ТАКТНОГО ПЛМ MERCURY 50EO Серийный номер от 0G290585 до 0G589999
Кронштейн транца (50/60) 2-Х ТАКТНОГО ПЛМ MERCURY 50EO Серийный номер от 0G290585 до 0G589999
Маховик 2-Х ТАКТНОГО ПЛМ MERCURY 50EO Серийный номер от 0G290585 до 0G589999
Пластина аттенюатора 2-Х ТАКТНОГО ПЛМ MERCURY 50EO Серийный номер от 0G290585 до 0G589999
Поворотный кронштейн 2-Х ТАКТНОГО ПЛМ MERCURY 50EO Серийный номер от 0G290585 до 0G589999
Ручка румпеля комплект адаптеров (JET 45) 2-Х ТАКТНОГО ПЛМ MERCURY 50EO Серийный номер от 0G290585 до 0G589999
Ручки руля комплект (Часть 1) 2-Х ТАКТНОГО ПЛМ MERCURY 50EO Серийный номер от 0G290585 до 0G589999
Ручки руля комплект (Часть 2) 2-Х ТАКТНОГО ПЛМ MERCURY 50EO Серийный номер от 0G290585 до 0G589999
Ручки руля комплект (Часть 3) 2-Х ТАКТНОГО ПЛМ MERCURY 50EO Серийный номер от 0G290585 до 0G589999
Ручные компоненты наклона (Дизайн 1) 2-Х ТАКТНОГО ПЛМ MERCURY 50EO Серийный номер от 0G290585 до 0G589999
Ручные компоненты наклона (Дизайн 2) 2-Х ТАКТНОГО ПЛМ MERCURY 50EO Серийный номер от 0G290585 до 0G589999
Силовые элементы отделки (З/П 0G357070 и выше)(желтая заливка) 2-Х ТАКТНОГО ПЛМ MERCURY 50EO Серийный номер от 0G290585 до 0G589999
Стартер в сборе (ручной - 55) 2-Х ТАКТНОГО ПЛМ MERCURY 50EO Серийный номер от 0G290585 до 0G589999
Стартер в сборе 2-Х ТАКТНОГО ПЛМ MERCURY 50EO Серийный номер от 0G290585 до 0G589999
Струйный насос в сборе 2-Х ТАКТНОГО ПЛМ MERCURY 50EO Серийный номер от 0G290585 до 0G589999
Топливный насос (50/60) 2-Х ТАКТНОГО ПЛМ MERCURY 50EO Серийный номер от 0G290585 до 0G589999
Топливный насос (55/60) 2-Х ТАКТНОГО ПЛМ MERCURY 50EO Серийный номер от 0G290585 до 0G589999
Электрические компоненты (50/60) 2-Х ТАКТНОГО ПЛМ MERCURY 50EO Серийный номер от 0G290585 до 0G589999
Электрические компоненты (55) 2-Х ТАКТНОГО ПЛМ MERCURY 50EO Серийный номер от 0G290585 до 0G589999
Аксессуары 2-Х ТАКТНОГО ПЛМ MERCURY 50EO Серийный номер от 0G590000 до 0G760299
Блок цилиндров и картер 2-Х ТАКТНОГО ПЛМ MERCURY 50EO Серийный номер от 0G590000 до 0G760299
Верх капота 2-Х ТАКТНОГО ПЛМ MERCURY 50EO Серийный номер от 0G590000 до 0G760299
Впускной коллектор и резонатор 2-Х ТАКТНОГО ПЛМ MERCURY 50EO Серийный номер от 0G590000 до 0G760299
Дроссель и рычаг 2-Х ТАКТНОГО ПЛМ MERCURY 50EO Серийный номер от 0G590000 до 0G760299
Зажимной кронштейн 2-Х ТАКТНОГО ПЛМ MERCURY 50EO Серийный номер от 0G590000 до 0G760299
Инструменты (Часть 1) 2-Х ТАКТНОГО ПЛМ MERCURY 50EO Серийный номер от 0G590000 до 0G760299
Карбюратор 2-Х ТАКТНОГО ПЛМ MERCURY 50EO Серийный номер от 0G590000 до 0G760299
Коленчатый вал, поршни и шатуны 2-Х ТАКТНОГО ПЛМ MERCURY 50EO Серийный номер от 0G590000 до 0G760299
Комплект выключателей, отделка 2-Х ТАКТНОГО ПЛМ MERCURY 50EO Серийный номер от 0G590000 до 0G760299
Компоненты двигателя 2-Х ТАКТНОГО ПЛМ MERCURY 50EO Серийный номер от 0G590000 до 0G760299
Компоненты закачки масла 2-Х ТАКТНОГО ПЛМ MERCURY 50EO Серийный номер от 0G590000 до 0G760299
Корпус ведущего вала и выхлопная труба 2-Х ТАКТНОГО ПЛМ MERCURY 50EO Серийный номер от 0G590000 до 0G760299
Корпус коробки передач (карданный вал) (1.83: 1 передаточное отношение) 2-Х ТАКТНОГО ПЛМ MERCURY 50EO Серийный номер от 0G590000 до 0G760299
Корпус коробки передач (приводной вал) (1.83: 1 передаточное отношение) 2-Х ТАКТНОГО ПЛМ MERCURY 50EO Серийный номер от 0G590000 до 0G760299
Маховик и статор (ручной) 2-Х ТАКТНОГО ПЛМ MERCURY 50EO Серийный номер от 0G590000 до 0G760299
Маховик и статор (электрический) 2-Х ТАКТНОГО ПЛМ MERCURY 50EO Серийный номер от 0G590000 до 0G760299
Низ капота 2-Х ТАКТНОГО ПЛМ MERCURY 50EO Серийный номер от 0G590000 до 0G760299
Пластина аттенюатора 2-Х ТАКТНОГО ПЛМ MERCURY 50EO Серийный номер от 0G590000 до 0G760299
Поворотная труба 2-Х ТАКТНОГО ПЛМ MERCURY 50EO Серийный номер от 0G590000 до 0G760299
Поворотный кронштейн 2-Х ТАКТНОГО ПЛМ MERCURY 50EO Серийный номер от 0G590000 до 0G760299
Ручка румпеля 2-Х ТАКТНОГО ПЛМ MERCURY 50EO Серийный номер от 0G590000 до 0G760299
Силовая отделка 2-Х ТАКТНОГО ПЛМ MERCURY 50EO Серийный номер от 0G590000 до 0G760299
Стартер 2-Х ТАКТНОГО ПЛМ MERCURY 50EO Серийный номер от 0G590000 до 0G760299
Стартер в сборе (ручной) 2-Х ТАКТНОГО ПЛМ MERCURY 50EO Серийный номер от 0G590000 до 0G760299
Струйный насос в сборе 2-Х ТАКТНОГО ПЛМ MERCURY 50EO Серийный номер от 0G590000 до 0G760299
Топливный насос (ручной) 2-Х ТАКТНОГО ПЛМ MERCURY 50EO Серийный номер от 0G590000 до 0G760299
Топливный насос (электрический) 2-Х ТАКТНОГО ПЛМ MERCURY 50EO Серийный номер от 0G590000 до 0G760299
Электрические компоненты 2-Х ТАКТНОГО ПЛМ MERCURY 50EO Серийный номер от 0G590000 до 0G760299
Аксессуары 2-Х ТАКТНОГО ПЛМ MERCURY 50EO Серийный номер от 0G760300 до 0T979999
Блок цилиндров и картер 2-Х ТАКТНОГО ПЛМ MERCURY 50EO Серийный номер от 0G760300 до 0T979999
Верх капота 2-Х ТАКТНОГО ПЛМ MERCURY 50EO Серийный номер от 0G760300 до 0T979999
Впускной коллектор и резонатор 2-Х ТАКТНОГО ПЛМ MERCURY 50EO Серийный номер от 0G760300 до 0T979999
Зажимной кронштейн 2-Х ТАКТНОГО ПЛМ MERCURY 50EO Серийный номер от 0G760300 до 0T979999
Инструменты (Часть 1) 2-Х ТАКТНОГО ПЛМ MERCURY 50EO Серийный номер от 0G760300 до 0T979999
Инструменты (Часть 2) 2-Х ТАКТНОГО ПЛМ MERCURY 50EO Серийный номер от 0G760300 до 0T979999
Карбюратор 2-Х ТАКТНОГО ПЛМ MERCURY 50EO Серийный номер от 0G760300 до 0T979999
Коленчатый вал, поршни и шатуны 2-Х ТАКТНОГО ПЛМ MERCURY 50EO Серийный номер от 0G760300 до 0T979999
Комплект выключателей, отделка 2-Х ТАКТНОГО ПЛМ MERCURY 50EO Серийный номер от 0G760300 до 0T979999
Комплект прокладок, капитального ремонта двигателя 2-Х ТАКТНОГО ПЛМ MERCURY 50EO Серийный номер от 0G760300 до 0T979999
Компоненты двигателя 2-Х ТАКТНОГО ПЛМ MERCURY 50EO Серийный номер от 0G760300 до 0T979999
Компоненты закачки масла 2-Х ТАКТНОГО ПЛМ MERCURY 50EO Серийный номер от 0G760300 до 0T979999
Корпус ведущего вала и выхлопная труба 2-Х ТАКТНОГО ПЛМ MERCURY 50EO Серийный номер от 0G760300 до 0T979999
Корпус коробки передач (карданный вал) (1.83: 1 передаточное отношение) 2-Х ТАКТНОГО ПЛМ MERCURY 50EO Серийный номер от 0G760300 до 0T979999
Корпус коробки передач (приводной вал) (1.83: 1 передаточное отношение) 2-Х ТАКТНОГО ПЛМ MERCURY 50EO Серийный номер от 0G760300 до 0T979999
Маховик и статор (ручной) 2-Х ТАКТНОГО ПЛМ MERCURY 50EO Серийный номер от 0G760300 до 0T979999
Маховик и статор (электрический) 2-Х ТАКТНОГО ПЛМ MERCURY 50EO Серийный номер от 0G760300 до 0T979999
Низ капота 2-Х ТАКТНОГО ПЛМ MERCURY 50EO Серийный номер от 0G760300 до 0T979999
Пластина аттенюатора 2-Х ТАКТНОГО ПЛМ MERCURY 50EO Серийный номер от 0G760300 до 0T979999
Поворотная труба 2-Х ТАКТНОГО ПЛМ MERCURY 50EO Серийный номер от 0G760300 до 0T979999
Поворотный кронштейн 2-Х ТАКТНОГО ПЛМ MERCURY 50EO Серийный номер от 0G760300 до 0T979999
Рукоятка румпеля 2-Х ТАКТНОГО ПЛМ MERCURY 50EO Серийный номер от 0G760300 до 0T979999
Рычаг дроссельной заслонки и сцепление 2-Х ТАКТНОГО ПЛМ MERCURY 50EO Серийный номер от 0G760300 до 0T979999
Силовая отделка 2-Х ТАКТНОГО ПЛМ MERCURY 50EO Серийный номер от 0G760300 до 0T979999
Стартер 2-Х ТАКТНОГО ПЛМ MERCURY 50EO Серийный номер от 0G760300 до 0T979999
Стартер в сборе (ручной) 2-Х ТАКТНОГО ПЛМ MERCURY 50EO Серийный номер от 0G760300 до 0T979999
Струйный насос в сборе 2-Х ТАКТНОГО ПЛМ MERCURY 50EO Серийный номер от 0G760300 до 0T979999
Топливный насос (ручной) 2-Х ТАКТНОГО ПЛМ MERCURY 50EO Серийный номер от 0G760300 до 0T979999
Топливный насос (электрический) 2-Х ТАКТНОГО ПЛМ MERCURY 50EO Серийный номер от 0G760300 до 0T979999
Электрические компоненты 2-Х ТАКТНОГО ПЛМ MERCURY 50EO Серийный номер от 0G760300 до 0T979999
Аксессуары 2-Х ТАКТНОГО ПЛМ MERCURY 50EO Серийный номер от 0P017000 до 0P325499
Блок цилиндров и картер 2-Х ТАКТНОГО ПЛМ MERCURY 50EO Серийный номер от 0P017000 до 0P325499
Верх капота 2-Х ТАКТНОГО ПЛМ MERCURY 50EO Серийный номер от 0P017000 до 0P325499
Впускной коллектор и резонатор 2-Х ТАКТНОГО ПЛМ MERCURY 50EO Серийный номер от 0P017000 до 0P325499
Зажимной кронштейн 2-Х ТАКТНОГО ПЛМ MERCURY 50EO Серийный номер от 0P017000 до 0P325499
Инструменты 2-Х ТАКТНОГО ПЛМ MERCURY 50EO Серийный номер от 0P017000 до 0P325499
Карбюратор 2-Х ТАКТНОГО ПЛМ MERCURY 50EO Серийный номер от 0P017000 до 0P325499
Коленчатый вал, поршни и шатуны 2-Х ТАКТНОГО ПЛМ MERCURY 50EO Серийный номер от 0P017000 до 0P325499
Комплект прокладок, капитального ремонта двигателя 2-Х ТАКТНОГО ПЛМ MERCURY 50EO Серийный номер от 0P017000 до 0P325499
Компоненты двигателя 2-Х ТАКТНОГО ПЛМ MERCURY 50EO Серийный номер от 0P017000 до 0P325499
Компоненты закачки масла 2-Х ТАКТНОГО ПЛМ MERCURY 50EO Серийный номер от 0P017000 до 0P325499
Корпус ведущего вала и выхлопная труба 2-Х ТАКТНОГО ПЛМ MERCURY 50EO Серийный номер от 0P017000 до 0P325499
Корпус коробки передач (карданный вал) (1.83: 1 передаточное отношение) 2-Х ТАКТНОГО ПЛМ MERCURY 50EO Серийный номер от 0P017000 до 0P325499
Корпус коробки передач (приводной вал) (1.83: 1 передаточное отношение) 2-Х ТАКТНОГО ПЛМ MERCURY 50EO Серийный номер от 0P017000 до 0P325499
Маховик и статор (ручной) 2-Х ТАКТНОГО ПЛМ MERCURY 50EO Серийный номер от 0P017000 до 0P325499
Маховик и статор (электрический) 2-Х ТАКТНОГО ПЛМ MERCURY 50EO Серийный номер от 0P017000 до 0P325499
Низ капота 2-Х ТАКТНОГО ПЛМ MERCURY 50EO Серийный номер от 0P017000 до 0P325499
Пластина аттенюатора 2-Х ТАКТНОГО ПЛМ MERCURY 50EO Серийный номер от 0P017000 до 0P325499
Поворотная труба 2-Х ТАКТНОГО ПЛМ MERCURY 50EO Серийный номер от 0P017000 до 0P325499
Поворотный кронштейн 2-Х ТАКТНОГО ПЛМ MERCURY 50EO Серийный номер от 0P017000 до 0P325499
Рукоятка румпеля 2-Х ТАКТНОГО ПЛМ MERCURY 50EO Серийный номер от 0P017000 до 0P325499
Рычаг дроссельной заслонки и сцепление 2-Х ТАКТНОГО ПЛМ MERCURY 50EO Серийный номер от 0P017000 до 0P325499
Силовая отделка 2-Х ТАКТНОГО ПЛМ MERCURY 50EO Серийный номер от 0P017000 до 0P325499
Стартер 2-Х ТАКТНОГО ПЛМ MERCURY 50EO Серийный номер от 0P017000 до 0P325499
Стартер в сборе (ручной) 2-Х ТАКТНОГО ПЛМ MERCURY 50EO Серийный номер от 0P017000 до 0P325499
Струйный насос в сборе 2-Х ТАКТНОГО ПЛМ MERCURY 50EO Серийный номер от 0P017000 до 0P325499
Топливный насос (ручной) 2-Х ТАКТНОГО ПЛМ MERCURY 50EO Серийный номер от 0P017000 до 0P325499
Топливный насос (электрический) 2-Х ТАКТНОГО ПЛМ MERCURY 50EO Серийный номер от 0P017000 до 0P325499
Электрические компоненты 2-Х ТАКТНОГО ПЛМ MERCURY 50EO Серийный номер от 0P017000 до 0P325499
Аксессуары 2-Х ТАКТНОГО ПЛМ MERCURY 50EO Серийный номер от 0P325500 и выше
Блок цилиндров и картер 2-Х ТАКТНОГО ПЛМ MERCURY 50EO Серийный номер от 0P325500 и выше
Верх капота 2-Х ТАКТНОГО ПЛМ MERCURY 50EO Серийный номер от 0P325500 и выше
Впускной коллектор и резонатор 2-Х ТАКТНОГО ПЛМ MERCURY 50EO Серийный номер от 0P325500 и выше
Зажимной кронштейн 2-Х ТАКТНОГО ПЛМ MERCURY 50EO Серийный номер от 0P325500 и выше
Инструменты 2-Х ТАКТНОГО ПЛМ MERCURY 50EO Серийный номер от 0P325500 и выше
Карбюратор 2-Х ТАКТНОГО ПЛМ MERCURY 50EO Серийный номер от 0P325500 и выше
Коленчатый вал, поршни и шатуны 2-Х ТАКТНОГО ПЛМ MERCURY 50EO Серийный номер от 0P325500 и выше
Комплект выключателей, отделка 2-Х ТАКТНОГО ПЛМ MERCURY 50EO Серийный номер от 0P325500 и выше
Комплект прокладок, капитального ремонта двигателя 2-Х ТАКТНОГО ПЛМ MERCURY 50EO Серийный номер от 0P325500 и выше
Компоненты закачки масла 2-Х ТАКТНОГО ПЛМ MERCURY 50EO Серийный номер от 0P325500 и выше
Корпус ведущего вала и выхлопная труба 2-Х ТАКТНОГО ПЛМ MERCURY 50EO Серийный номер от 0P325500 и выше
Корпус коробки передач (карданный вал) (1.83: 1 передаточное отношение) 2-Х ТАКТНОГО ПЛМ MERCURY 50EO Серийный номер от 0P325500 и выше
Корпус коробки передач (приводной вал) (1.83: 1 передаточное отношение) 2-Х ТАКТНОГО ПЛМ MERCURY 50EO Серийный номер от 0P325500 и выше
Маховик и статор (ручной) 2-Х ТАКТНОГО ПЛМ MERCURY 50EO Серийный номер от 0P325500 и выше
Маховик и статор (электрический) 2-Х ТАКТНОГО ПЛМ MERCURY 50EO Серийный номер от 0P325500 и выше
Низ капота 2-Х ТАКТНОГО ПЛМ MERCURY 50EO Серийный номер от 0P325500 и выше
Пластина аттенюатора 2-Х ТАКТНОГО ПЛМ MERCURY 50EO Серийный номер от 0P325500 и выше
Поворотная труба 2-Х ТАКТНОГО ПЛМ MERCURY 50EO Серийный номер от 0P325500 и выше
Поворотный кронштейн 2-Х ТАКТНОГО ПЛМ MERCURY 50EO Серийный номер от 0P325500 и выше
Рукоятка румпеля 2-Х ТАКТНОГО ПЛМ MERCURY 50EO Серийный номер от 0P325500 и выше
Рычаг дроссельной заслонки и сцепление 2-Х ТАКТНОГО ПЛМ MERCURY 50EO Серийный номер от 0P325500 и выше
Силовая отделка 2-Х ТАКТНОГО ПЛМ MERCURY 50EO Серийный номер от 0P325500 и выше
Стартер 2-Х ТАКТНОГО ПЛМ MERCURY 50EO Серийный номер от 0P325500 и выше
Стартер в сборе (ручной) 2-Х ТАКТНОГО ПЛМ MERCURY 50EO Серийный номер от 0P325500 и выше
Топливный насос (ручной) 2-Х ТАКТНОГО ПЛМ MERCURY 50EO Серийный номер от 0P325500 и выше
Топливный насос (электрический) 2-Х ТАКТНОГО ПЛМ MERCURY 50EO Серийный номер от 0P325500 и выше
Электрические компоненты 2-Х ТАКТНОГО ПЛМ MERCURY 50EO Серийный номер от 0P325500 и выше
Аксессуары 2-Х ТАКТНОГО ПЛМ MERCURY 50EO Серийный номер от 0T980000 до 0T999999
Блок цилиндров и картер 2-Х ТАКТНОГО ПЛМ MERCURY 50EO Серийный номер от 0T980000 до 0T999999
Верх капота 2-Х ТАКТНОГО ПЛМ MERCURY 50EO Серийный номер от 0T980000 до 0T999999
Впускной коллектор и резонатор 2-Х ТАКТНОГО ПЛМ MERCURY 50EO Серийный номер от 0T980000 до 0T999999
Зажимной кронштейн 2-Х ТАКТНОГО ПЛМ MERCURY 50EO Серийный номер от 0T980000 до 0T999999
Инструменты 2-Х ТАКТНОГО ПЛМ MERCURY 50EO Серийный номер от 0T980000 до 0T999999
Карбюратор 2-Х ТАКТНОГО ПЛМ MERCURY 50EO Серийный номер от 0T980000 до 0T999999
Коленчатый вал, поршни и шатуны 2-Х ТАКТНОГО ПЛМ MERCURY 50EO Серийный номер от 0T980000 до 0T999999
Комплект выключателей, отделка 2-Х ТАКТНОГО ПЛМ MERCURY 50EO Серийный номер от 0T980000 до 0T999999
Комплект прокладок, капитального ремонта двигателя 2-Х ТАКТНОГО ПЛМ MERCURY 50EO Серийный номер от 0T980000 до 0T999999
Компоненты закачки масла 2-Х ТАКТНОГО ПЛМ MERCURY 50EO Серийный номер от 0T980000 до 0T999999
Корпус ведущего вала и выхлопная труба 2-Х ТАКТНОГО ПЛМ MERCURY 50EO Серийный номер от 0T980000 до 0T999999
Корпус коробки передач (карданный вал) (1.83: 1 передаточное отношение) 2-Х ТАКТНОГО ПЛМ MERCURY 50EO Серийный номер от 0T980000 до 0T999999
Корпус коробки передач (приводной вал) (1.83: 1 передаточное отношение) 2-Х ТАКТНОГО ПЛМ MERCURY 50EO Серийный номер от 0T980000 до 0T999999
Маховик и статор (ручной) 2-Х ТАКТНОГО ПЛМ MERCURY 50EO Серийный номер от 0T980000 до 0T999999
Маховик и статор (электрический) 2-Х ТАКТНОГО ПЛМ MERCURY 50EO Серийный номер от 0T980000 до 0T999999
Низ капота 2-Х ТАКТНОГО ПЛМ MERCURY 50EO Серийный номер от 0T980000 до 0T999999
Пластина аттенюатора 2-Х ТАКТНОГО ПЛМ MERCURY 50EO Серийный номер от 0T980000 до 0T999999
Поворотная труба 2-Х ТАКТНОГО ПЛМ MERCURY 50EO Серийный номер от 0T980000 до 0T999999
Поворотный кронштейн 2-Х ТАКТНОГО ПЛМ MERCURY 50EO Серийный номер от 0T980000 до 0T999999
Рукоятка румпеля 2-Х ТАКТНОГО ПЛМ MERCURY 50EO Серийный номер от 0T980000 до 0T999999
Рычаг дроссельной заслонки и сцепление 2-Х ТАКТНОГО ПЛМ MERCURY 50EO Серийный номер от 0T980000 до 0T999999
Силовая отделка 2-Х ТАКТНОГО ПЛМ MERCURY 50EO Серийный номер от 0T980000 до 0T999999
Стартер 2-Х ТАКТНОГО ПЛМ MERCURY 50EO Серийный номер от 0T980000 до 0T999999
Стартер в сборе (ручной) 2-Х ТАКТНОГО ПЛМ MERCURY 50EO Серийный номер от 0T980000 до 0T999999
Топливный насос (ручной) 2-Х ТАКТНОГО ПЛМ MERCURY 50EO Серийный номер от 0T980000 до 0T999999
Топливный насос (электрический) 2-Х ТАКТНОГО ПЛМ MERCURY 50EO Серийный номер от 0T980000 до 0T999999
Электрические компоненты 2-Х ТАКТНОГО ПЛМ MERCURY 50EO Серийный номер от 0T980000 до 0T999999
Авто-смесь 2-Х ТАКТНОГО ПЛМ MERCURY 50EO Серийный номер от 6428681 до 0B122929
Аксессуары 2-Х ТАКТНОГО ПЛМ MERCURY 50EO Серийный номер от 6428681 до 0B122929
Блок цилиндров и картер в сборе 2-Х ТАКТНОГО ПЛМ MERCURY 50EO Серийный номер от 6428681 до 0B122929
Выхлопной коллектор и крышки 2-Х ТАКТНОГО ПЛМ MERCURY 50EO Серийный номер от 6428681 до 0B122929
Гидравлический насос в сборе (пластиковый резервуар) 2-Х ТАКТНОГО ПЛМ MERCURY 50EO Серийный номер от 6428681 до 0B122929
Зажимной кронштейн в сборе 2-Х ТАКТНОГО ПЛМ MERCURY 50EO Серийный номер от 6428681 до 0B122929
Капот и передняя крышка 2-Х ТАКТНОГО ПЛМ MERCURY 50EO Серийный номер от 6428681 до 0B122929
Карбюратор в сборе 2-Х ТАКТНОГО ПЛМ MERCURY 50EO Серийный номер от 6428681 до 0B122929
Карбюратор и дроссель 2-Х ТАКТНОГО ПЛМ MERCURY 50EO Серийный номер от 6428681 до 0B122929
Коленчатый вал, поршни и шатуны 2-Х ТАКТНОГО ПЛМ MERCURY 50EO Серийный номер от 6428681 до 0B122929
Комплект для ремонта цилиндра 2-Х ТАКТНОГО ПЛМ MERCURY 50EO Серийный номер от 6428681 до 0B122929
Корпус ведущего вала в сборе 2-Х ТАКТНОГО ПЛМ MERCURY 50EO Серийный номер от 6428681 до 0B122929
Корпус шестерни (карданный вал) 2-Х ТАКТНОГО ПЛМ MERCURY 50EO Серийный номер от 6428681 до 0B122929
Корпус шестерни (приводной вал) 2-Х ТАКТНОГО ПЛМ MERCURY 50EO Серийный номер от 6428681 до 0B122929
Маховик, распределительная коробка, катушка зажимная и статор 2-Х ТАКТНОГО ПЛМ MERCURY 50EO Серийный номер от 6428681 до 0B122929
Опорные кронштейны капота 2-Х ТАКТНОГО ПЛМ MERCURY 50EO Серийный номер от 6428681 до 0B122929
Поворотный кронштейн и блокировка обратного вращения 2-Х ТАКТНОГО ПЛМ MERCURY 50EO Серийный номер от 6428681 до 0B122929
Рычаг дроссельной заслонки и зажигание 2-Х ТАКТНОГО ПЛМ MERCURY 50EO Серийный номер от 6428681 до 0B122929
Рычаг переключения передач и выпускная платина 2-Х ТАКТНОГО ПЛМ MERCURY 50EO Серийный номер от 6428681 до 0B122929
Силовая отделка 2-Х ТАКТНОГО ПЛМ MERCURY 50EO Серийный номер от 6428681 до 0B122929
Стартер в сборе (BOSCH) 2-Х ТАКТНОГО ПЛМ MERCURY 50EO Серийный номер от 6428681 до 0B122929
Стартер в сборе (престолит) 2-Х ТАКТНОГО ПЛМ MERCURY 50EO Серийный номер от 6428681 до 0B122929
Стартер, соленоид стартера, выпрямитель тока 2-Х ТАКТНОГО ПЛМ MERCURY 50EO Серийный номер от 6428681 до 0B122929
Топливный насос, топливный фильтр и топливные линии 2-Х ТАКТНОГО ПЛМ MERCURY 50EO Серийный номер от 6428681 до 0B122929
Цилиндры и гидравлические шланги 2-Х ТАКТНОГО ПЛМ MERCURY 50EO Серийный номер от 6428681 до 0B122929
Маховик (55) 2-Х ТАКТНОГО ПЛМ MERCURY 50EO Серийный номер от 9683055 до 9885344
Маховик и стартер (50/60) 2-Х ТАКТНОГО ПЛМ MERCURY 50EO Серийный номер от 9683055 до 9885344
Пластина аттенюатора 2-Х ТАКТНОГО ПЛМ MERCURY 50EO Серийный номер от 9683055 до 9885344
Поворотный кронштейн (S/N: 0D181999 и ниже) 2-Х ТАКТНОГО ПЛМ MERCURY 50EO Серийный номер от 9683055 до 9885344
Поворотный кронштейн (S/N: 0D182000 и выше) 2-Х ТАКТНОГО ПЛМ MERCURY 50EO Серийный номер от 9683055 до 9885344
Ручки руля комплект (Часть 1) 2-Х ТАКТНОГО ПЛМ MERCURY 50EO Серийный номер от 9683055 до 9885344
Ручки руля комплект (Часть 2) 2-Х ТАКТНОГО ПЛМ MERCURY 50EO Серийный номер от 9683055 до 9885344
Ручные компоненты наклона 2-Х ТАКТНОГО ПЛМ MERCURY 50EO Серийный номер от 9683055 до 9885344
Стартер в сборе (ручной)(55) 2-Х ТАКТНОГО ПЛМ MERCURY 50EO Серийный номер от 9683055 до 9885344
Струйный насос в сборе 2-Х ТАКТНОГО ПЛМ MERCURY 50EO Серийный номер от 9683055 до 9885344
Топливный насос (белый или красный) 2-Х ТАКТНОГО ПЛМ MERCURY 50EO Серийный номер от 9683055 до 9885344
Топливный насос (черный) 2-Х ТАКТНОГО ПЛМ MERCURY 50EO Серийный номер от 9683055 до 9885344
Топливный насос 2-Х ТАКТНОГО ПЛМ MERCURY 50EO Серийный номер от 9683055 до 9885344
Электрические компоненты (50/60) 2-Х ТАКТНОГО ПЛМ MERCURY 50EO Серийный номер от 9683055 до 9885344
Электрические компоненты (55) 2-Х ТАКТНОГО ПЛМ MERCURY 50EO Серийный номер от 9683055 до 9885344
Аксессуары 2-Х ТАКТНОГО ПЛМ MERCURY 50EO Серийный номер от 9885345 до 9973099
Блок цилиндров и картер (Часть 1) 2-Х ТАКТНОГО ПЛМ MERCURY 50EO Серийный номер от 9885345 до 9973099
Блок цилиндров и картер (Часть 2) 2-Х ТАКТНОГО ПЛМ MERCURY 50EO Серийный номер от 9885345 до 9973099
Впускной коллектор и резонатор 2-Х ТАКТНОГО ПЛМ MERCURY 50EO Серийный номер от 9885345 до 9973099
Выхлопная труба 2-Х ТАКТНОГО ПЛМ MERCURY 50EO Серийный номер от 9885345 до 9973099
Дроссель и рычаг 2-Х ТАКТНОГО ПЛМ MERCURY 50EO Серийный номер от 9885345 до 9973099
Зажимной кронштейн (ручной) 2-Х ТАКТНОГО ПЛМ MERCURY 50EO Серийный номер от 9885345 до 9973099
Капот (Часть 1) 2-Х ТАКТНОГО ПЛМ MERCURY 50EO Серийный номер от 9885345 до 9973099
Капот (Часть 2) 2-Х ТАКТНОГО ПЛМ MERCURY 50EO Серийный номер от 9885345 до 9973099
Карбюратор 2-Х ТАКТНОГО ПЛМ MERCURY 50EO Серийный номер от 9885345 до 9973099
Коленчатый вал, поршни и шатуны 2-Х ТАКТНОГО ПЛМ MERCURY 50EO Серийный номер от 9885345 до 9973099
Комплект ручного адаптера (JET 45) 2-Х ТАКТНОГО ПЛМ MERCURY 50EO Серийный номер от 9885345 до 9973099
Компоненты двигателя 2-Х ТАКТНОГО ПЛМ MERCURY 50EO Серийный номер от 9885345 до 9973099
Компоненты для закачки масла 2-Х ТАКТНОГО ПЛМ MERCURY 50EO Серийный номер от 9885345 до 9973099
Компоненты расширения 2-Х ТАКТНОГО ПЛМ MERCURY 50EO Серийный номер от 9885345 до 9973099
Компоненты силовой отделки (S/# 0G357070 и ниже) (BLACK FILL) 2-Х ТАКТНОГО ПЛМ MERCURY 50EO Серийный номер от 9885345 до 9973099
Компоненты силовой отделки (S/N 0G357070 и выше)(YELLOW FILL PLUG) 2-Х ТАКТНОГО ПЛМ MERCURY 50EO Серийный номер от 9885345 до 9973099
Коробка передач (карданный вал)(60 SEA/MARA/BIG FOOT,3 JAW REV. CLUTCH 2-Х ТАКТНОГО ПЛМ MERCURY 50EO Серийный номер от 9885345 до 9973099
Коробка передач (приводной вал)(60 SEA/MARA/BIG FOOT,3 JAW REV. CLUTCH 1 2-Х ТАКТНОГО ПЛМ MERCURY 50EO Серийный номер от 9885345 до 9973099
Кронштейн транца (50/60) 2-Х ТАКТНОГО ПЛМ MERCURY 50EO Серийный номер от 9885345 до 9973099
Маховик 2-Х ТАКТНОГО ПЛМ MERCURY 50EO Серийный номер от 9885345 до 9973099
Маховик и стартер (50/60) 2-Х ТАКТНОГО ПЛМ MERCURY 50EO Серийный номер от 9885345 до 9973099
Пластина аттенюатора 2-Х ТАКТНОГО ПЛМ MERCURY 50EO Серийный номер от 9885345 до 9973099
Поворотный кронштейн 2-Х ТАКТНОГО ПЛМ MERCURY 50EO Серийный номер от 9885345 до 9973099
Ручки руля комплект (Часть 1) 2-Х ТАКТНОГО ПЛМ MERCURY 50EO Серийный номер от 9885345 до 9973099
Ручки руля комплект (Часть 2) 2-Х ТАКТНОГО ПЛМ MERCURY 50EO Серийный номер от 9885345 до 9973099
Ручки руля комплект (Часть 3) 2-Х ТАКТНОГО ПЛМ MERCURY 50EO Серийный номер от 9885345 до 9973099
Ручные компоненты наклона (Дизайн 1) 2-Х ТАКТНОГО ПЛМ MERCURY 50EO Серийный номер от 9885345 до 9973099
Ручные компоненты наклона (Дизайн 2) 2-Х ТАКТНОГО ПЛМ MERCURY 50EO Серийный номер от 9885345 до 9973099
Стартер в сборе (ручной - 55) 2-Х ТАКТНОГО ПЛМ MERCURY 50EO Серийный номер от 9885345 до 9973099
Стартер в сборе 2-Х ТАКТНОГО ПЛМ MERCURY 50EO Серийный номер от 9885345 до 9973099
Топливный насос (50/60) 2-Х ТАКТНОГО ПЛМ MERCURY 50EO Серийный номер от 9885345 до 9973099
Топливный насос 2-Х ТАКТНОГО ПЛМ MERCURY 50EO Серийный номер от 9885345 до 9973099
Топливный насос в сборе 2-Х ТАКТНОГО ПЛМ MERCURY 50EO Серийный номер от 9885345 до 9973099
Электрические компоненты (50/60) 2-Х ТАКТНОГО ПЛМ MERCURY 50EO Серийный номер от 9885345 до 9973099
Электрические компоненты (55) 2-Х ТАКТНОГО ПЛМ MERCURY 50EO Серийный номер от 9885345 до 9973099
Аксессуары 2-Х ТАКТНОГО ПЛМ MERCURY 50EO Серийный номер от 9973100 до 0P016999
Блок цилиндров и картер 2-Х ТАКТНОГО ПЛМ MERCURY 50EO Серийный номер от 9973100 до 0P016999
Верх капота 2-Х ТАКТНОГО ПЛМ MERCURY 50EO Серийный номер от 9973100 до 0P016999
Впускной коллектор и резонатор 2-Х ТАКТНОГО ПЛМ MERCURY 50EO Серийный номер от 9973100 до 0P016999
Зажимной кронштейн 2-Х ТАКТНОГО ПЛМ MERCURY 50EO Серийный номер от 9973100 до 0P016999
Инструменты 2-Х ТАКТНОГО ПЛМ MERCURY 50EO Серийный номер от 9973100 до 0P016999
Карбюратор 2-Х ТАКТНОГО ПЛМ MERCURY 50EO Серийный номер от 9973100 до 0P016999
Коленчатый вал, поршни и шатуны 2-Х ТАКТНОГО ПЛМ MERCURY 50EO Серийный номер от 9973100 до 0P016999
Комплект выключателей, отделка 2-Х ТАКТНОГО ПЛМ MERCURY 50EO Серийный номер от 9973100 до 0P016999
Компоненты двигателя 2-Х ТАКТНОГО ПЛМ MERCURY 50EO Серийный номер от 9973100 до 0P016999
Компоненты закачки масла 2-Х ТАКТНОГО ПЛМ MERCURY 50EO Серийный номер от 9973100 до 0P016999
Корпус ведущего вала и выхлопная труба 2-Х ТАКТНОГО ПЛМ MERCURY 50EO Серийный номер от 9973100 до 0P016999
Корпус коробки передач (карданный вал) (1.83: 1 передаточное отношение) 2-Х ТАКТНОГО ПЛМ MERCURY 50EO Серийный номер от 9973100 до 0P016999
Корпус коробки передач (приводной вал) (1.83 1 передаточное отношение) 2-Х ТАКТНОГО ПЛМ MERCURY 50EO Серийный номер от 9973100 до 0P016999
Маховик и статор (ручной) 2-Х ТАКТНОГО ПЛМ MERCURY 50EO Серийный номер от 9973100 до 0P016999
Маховик и статор (электрический) 2-Х ТАКТНОГО ПЛМ MERCURY 50EO Серийный номер от 9973100 до 0P016999
Низ капота 2-Х ТАКТНОГО ПЛМ MERCURY 50EO Серийный номер от 9973100 до 0P016999
Пластина аттенюатора 2-Х ТАКТНОГО ПЛМ MERCURY 50EO Серийный номер от 9973100 до 0P016999
Поворотная труба 2-Х ТАКТНОГО ПЛМ MERCURY 50EO Серийный номер от 9973100 до 0P016999
Поворотный кронштейн 2-Х ТАКТНОГО ПЛМ MERCURY 50EO Серийный номер от 9973100 до 0P016999
Рукоятка румпеля 2-Х ТАКТНОГО ПЛМ MERCURY 50EO Серийный номер от 9973100 до 0P016999
Рычаг дроссельной заслонки и сцепление 2-Х ТАКТНОГО ПЛМ MERCURY 50EO Серийный номер от 9973100 до 0P016999
Силовая отделка 2-Х ТАКТНОГО ПЛМ MERCURY 50EO Серийный номер от 9973100 до 0P016999
Стартер 2-Х ТАКТНОГО ПЛМ MERCURY 50EO Серийный номер от 9973100 до 0P016999
Стартер в сборе (ручной) 2-Х ТАКТНОГО ПЛМ MERCURY 50EO Серийный номер от 9973100 до 0P016999
Топливный насос (ручной) 2-Х ТАКТНОГО ПЛМ MERCURY 50EO Серийный номер от 9973100 до 0P016999
Топливный насос (электрический) 2-Х ТАКТНОГО ПЛМ MERCURY 50EO Серийный номер от 9973100 до 0P016999
Топливный насос в сборе 2-Х ТАКТНОГО ПЛМ MERCURY 50EO Серийный номер от 9973100 до 0P016999
Электрические компоненты 2-Х ТАКТНОГО ПЛМ MERCURY 50EO Серийный номер от 9973100 до 0P016999
Аксессуары 2-Х ТАКТНОГО ПЛМ MERCURY 55 Серийный номер от 0D000750 до 0G290584
Блок цилиндров и картер 2-Х ТАКТНОГО ПЛМ MERCURY 55 Серийный номер от 0D000750 до 0G290584
Впускной коллектор и резонатор 2-Х ТАКТНОГО ПЛМ MERCURY 55 Серийный номер от 0D000750 до 0G290584
Выхлопная труба 2-Х ТАКТНОГО ПЛМ MERCURY 55 Серийный номер от 0D000750 до 0G290584
Дроссель и рычаг 2-Х ТАКТНОГО ПЛМ MERCURY 55 Серийный номер от 0D000750 до 0G290584
Зажимной кронштейн (55) (S/N: 0D181999 и ниже) 2-Х ТАКТНОГО ПЛМ MERCURY 55 Серийный номер от 0D000750 до 0G290584
Зажимной кронштейн (ручной) (S/N: 0D1812000 и выше) 2-Х ТАКТНОГО ПЛМ MERCURY 55 Серийный номер от 0D000750 до 0G290584
Капот 2-Х ТАКТНОГО ПЛМ MERCURY 55 Серийный номер от 0D000750 до 0G290584
Карбюратор (WME-22/22B/23/24/35) 2-Х ТАКТНОГО ПЛМ MERCURY 55 Серийный номер от 0D000750 до 0G290584
Карбюратор (WME-26/27/28/28/43/44/45) 2-Х ТАКТНОГО ПЛМ MERCURY 55 Серийный номер от 0D000750 до 0G290584
Коленчатый вал, поршни и шатуны 2-Х ТАКТНОГО ПЛМ MERCURY 55 Серийный номер от 0D000750 до 0G290584
Компоненты двигателя 2-Х ТАКТНОГО ПЛМ MERCURY 55 Серийный номер от 0D000750 до 0G290584
Компоненты для закачки масла 2-Х ТАКТНОГО ПЛМ MERCURY 55 Серийный номер от 0D000750 до 0G290584
Компоненты расширения 2-Х ТАКТНОГО ПЛМ MERCURY 55 Серийный номер от 0D000750 до 0G290584
Ручки руля комплект (Часть 3) 2-Х ТАКТНОГО ПЛМ MERCURY 55 Серийный номер от 0G290585 до 0G589999
Ручные компоненты наклона (Дизайн 1) 2-Х ТАКТНОГО ПЛМ MERCURY 55 Серийный номер от 0G290585 до 0G589999
Ручные компоненты наклона (Дизайн 2) 2-Х ТАКТНОГО ПЛМ MERCURY 55 Серийный номер от 0G290585 до 0G589999
Стартер в сборе (ручной - 55) 2-Х ТАКТНОГО ПЛМ MERCURY 55 Серийный номер от 0G290585 до 0G589999
Топливный насос (50/60) 2-Х ТАКТНОГО ПЛМ MERCURY 55 Серийный номер от 0G290585 до 0G589999
Топливный насос 2-Х ТАКТНОГО ПЛМ MERCURY 55 Серийный номер от 0G290585 до 0G589999
Топливный насос в сборе 2-Х ТАКТНОГО ПЛМ MERCURY 55 Серийный номер от 0G290585 до 0G589999
Электрические компоненты (50/60) 2-Х ТАКТНОГО ПЛМ MERCURY 55 Серийный номер от 0G290585 до 0G589999
Электрические компоненты (55) 2-Х ТАКТНОГО ПЛМ MERCURY 55 Серийный номер от 0G290585 до 0G589999
Аксессуары 2-Х ТАКТНОГО ПЛМ MERCURY 55 Серийный номер от 0G590000 до 0G760299
Блок цилиндров 2-Х ТАКТНОГО ПЛМ MERCURY 55 Серийный номер от 0G590000 до 0G760299
Впускной коллектор и резонатор 2-Х ТАКТНОГО ПЛМ MERCURY 55 Серийный номер от 0G590000 до 0G760299
Выхлопная труба 2-Х ТАКТНОГО ПЛМ MERCURY 55 Серийный номер от 0G590000 до 0G760299
Дроссель и рычаг 2-Х ТАКТНОГО ПЛМ MERCURY 55 Серийный номер от 0G590000 до 0G760299
Зажимной кронштейн (ручной) 2-Х ТАКТНОГО ПЛМ MERCURY 55 Серийный номер от 0G590000 до 0G760299
Инструменты 2-Х ТАКТНОГО ПЛМ MERCURY 55 Серийный номер от 0G590000 до 0G760299
Капот 2-Х ТАКТНОГО ПЛМ MERCURY 55 Серийный номер от 0G590000 до 0G760299
Карбюратор 2-Х ТАКТНОГО ПЛМ MERCURY 55 Серийный номер от 0G590000 до 0G760299
Коленчатый вал, поршни и шатуны 2-Х ТАКТНОГО ПЛМ MERCURY 55 Серийный номер от 0G590000 до 0G760299
Компоненты двигателя 2-Х ТАКТНОГО ПЛМ MERCURY 55 Серийный номер от 0G590000 до 0G760299
Компоненты для закачки масла 2-Х ТАКТНОГО ПЛМ MERCURY 55 Серийный номер от 0G590000 до 0G760299
Компоненты расширения 2-Х ТАКТНОГО ПЛМ MERCURY 55 Серийный номер от 0G590000 до 0G760299
Компоненты силовой отделки 2-Х ТАКТНОГО ПЛМ MERCURY 55 Серийный номер от 0G590000 до 0G760299
Корпус ведущего вала 2-Х ТАКТНОГО ПЛМ MERCURY 55 Серийный номер от 0G590000 до 0G760299
Корпус коробки передач (карданный вал) - 1.641 передаточное отношение 2-Х ТАКТНОГО ПЛМ MERCURY 55 Серийный номер от 0G590000 до 0G760299
Корпус коробки передач (приводной вал) - 1.64:1 передаточное отношение 2-Х ТАКТНОГО ПЛМ MERCURY 55 Серийный номер от 0G590000 до 0G760299
Корпус коробки передач (приводной вал) - 2.31:1 передаточное отношение 2-Х ТАКТНОГО ПЛМ MERCURY 55 Серийный номер от 0G590000 до 0G760299
Кронштейн транца (электрический) 2-Х ТАКТНОГО ПЛМ MERCURY 55 Серийный номер от 0G590000 до 0G760299
Маховик и статор (ручной) 2-Х ТАКТНОГО ПЛМ MERCURY 55 Серийный номер от 0G590000 до 0G760299
Корпус коробки передач (DR/ SHAFT)(BIGFOOT)(SEAPRO/MARATHON/PONTOON) 2-Х ТАКТНОГО ПЛМ MERCURY 60 Серийный номер от 0D000750 до 0G290584
Корпус коробки передач (PROP SHAFT)(BIGFOOT)(SEAPRO/MARATHON/PONTOON) 2-Х ТАКТНОГО ПЛМ MERCURY 60 Серийный номер от 0D000750 до 0G290584
Корпус редуктора (карданный вал) 2-Х ТАКТНОГО ПЛМ MERCURY 60 Серийный номер от 0D000750 до 0G290584
Корпус редуктора (приводной вал) 2-Х ТАКТНОГО ПЛМ MERCURY 60 Серийный номер от 0D000750 до 0G290584
Кронштейн транца (50/60)(S/N: 0D182000 и выше) 2-Х ТАКТНОГО ПЛМ MERCURY 60 Серийный номер от 0D000750 до 0G290584
Кронштейн транца(50/60)(S/N: 0D181999 и ниже) 2-Х ТАКТНОГО ПЛМ MERCURY 60 Серийный номер от 0D000750 до 0G290584
Маховик (55) 2-Х ТАКТНОГО ПЛМ MERCURY 60 Серийный номер от 0D000750 до 0G290584
Маховик и стартер (50/60) 2-Х ТАКТНОГО ПЛМ MERCURY 60 Серийный номер от 0D000750 до 0G290584
Пластина аттенюатора 2-Х ТАКТНОГО ПЛМ MERCURY 60 Серийный номер от 0D000750 до 0G290584
Поворотный кронштейн (S/N: 0D181999 и ниже) 2-Х ТАКТНОГО ПЛМ MERCURY 60 Серийный номер от 0D000750 до 0G290584
Ручки руля комплект (Часть 1) 2-Х ТАКТНОГО ПЛМ MERCURY 60 Серийный номер от 0D000750 до 0G290584
Ручки руля комплект (Часть 2) 2-Х ТАКТНОГО ПЛМ MERCURY 60 Серийный номер от 0D000750 до 0G290584
Ручные компоненты наклона 2-Х ТАКТНОГО ПЛМ MERCURY 60 Серийный номер от 0D000750 до 0G290584
Стартер в сборе (ручной)(55) 2-Х ТАКТНОГО ПЛМ MERCURY 60 Серийный номер от 0D000750 до 0G290584
Стартер в сборе 2-Х ТАКТНОГО ПЛМ MERCURY 60 Серийный номер от 0D000750 до 0G290584
Струйный насос в сборе 2-Х ТАКТНОГО ПЛМ MERCURY 60 Серийный номер от 0D000750 до 0G290584
Топливный насос (белый или красный) 2-Х ТАКТНОГО ПЛМ MERCURY 60 Серийный номер от 0D000750 до 0G290584
Топливный насос (черный) 2-Х ТАКТНОГО ПЛМ MERCURY 60 Серийный номер от 0D000750 до 0G290584
Топливный насос 2-Х ТАКТНОГО ПЛМ MERCURY 60 Серийный номер от 0D000750 до 0G290584
Электрические компоненты (50/60) 2-Х ТАКТНОГО ПЛМ MERCURY 60 Серийный номер от 0D000750 до 0G290584
Электрические компоненты (55) 2-Х ТАКТНОГО ПЛМ MERCURY 60 Серийный номер от 0D000750 до 0G290584
Аксессуары 2-Х ТАКТНОГО ПЛМ MERCURY 60 Серийный номер от 0G290585 до 0G589999
Блок цилиндров и картер 2-Х ТАКТНОГО ПЛМ MERCURY 60 Серийный номер от 0G290585 до 0G589999
Впускной коллектор и резонатор 2-Х ТАКТНОГО ПЛМ MERCURY 60 Серийный номер от 0G290585 до 0G589999
Выхлопная труба 2-Х ТАКТНОГО ПЛМ MERCURY 60 Серийный номер от 0G290585 до 0G589999
Дроссель и рычаг 2-Х ТАКТНОГО ПЛМ MERCURY 60 Серийный номер от 0G290585 до 0G589999
Зажимной кронштейн (ручной) 2-Х ТАКТНОГО ПЛМ MERCURY 60 Серийный номер от 0G290585 до 0G589999
Капот 2-Х ТАКТНОГО ПЛМ MERCURY 60 Серийный номер от 0G290585 до 0G589999
Карбюратор 2-Х ТАКТНОГО ПЛМ MERCURY 60 Серийный номер от 0G290585 до 0G589999
Коленчатый вал, поршни и шатуны 2-Х ТАКТНОГО ПЛМ MERCURY 60 Серийный номер от 0G290585 до 0G589999
Комплект ручного адаптера (JET 45) 2-Х ТАКТНОГО ПЛМ MERCURY 60 Серийный номер от 0G290585 до 0G589999
Компоненты двигателя 2-Х ТАКТНОГО ПЛМ MERCURY 60 Серийный номер от 0G290585 до 0G589999
Компоненты для закачки масла 2-Х ТАКТНОГО ПЛМ MERCURY 60 Серийный номер от 0G290585 до 0G589999
Компоненты расширения 2-Х ТАКТНОГО ПЛМ MERCURY 60 Серийный номер от 0G290585 до 0G589999
Компоненты силовой отделки (S/# 0G357070 и ниже) (BLACK FILL) 2-Х ТАКТНОГО ПЛМ MERCURY 60 Серийный номер от 0G290585 до 0G589999
Компоненты силовой отделки (S/N 0G357070 и выше)(YELLOW FILL PLUG) 2-Х ТАКТНОГО ПЛМ MERCURY 60 Серийный номер от 0G290585 до 0G589999
Коробка передач(карданный вал)(60 SEA/MARA/BIG FOOT,3 JAW REV. CLUTCH 2-Х ТАКТНОГО ПЛМ MERCURY 60 Серийный номер от 0G290585 до 0G589999
Коробка передач(приводной вал)(60 SEA/MARA/BIG FOOT,3 JAW REV. CLUTCH 2 2-Х ТАКТНОГО ПЛМ MERCURY 60 Серийный номер от 0G290585 до 0G589999
Коробка передач(приводной вал)(60 SEA/MARA/BIG FOOT,6 JAW REV. CLUTCH 1 2-Х ТАКТНОГО ПЛМ MERCURY 60 Серийный номер от 0G290585 до 0G589999
Коробка передач(приводной вал)(60 SEA/MARA/BIG FOOT,6 JAW REV. CLUTCH 2 2-Х ТАКТНОГО ПЛМ MERCURY 60 Серийный номер от 0G290585 до 0G589999
Корпус ведущего вала 2-Х ТАКТНОГО ПЛМ MERCURY 60 Серийный номер от 0G290585 до 0G589999
Корпус редуктора (карданный вал)(50/55/60) 2-Х ТАКТНОГО ПЛМ MERCURY 60 Серийный номер от 0G290585 до 0G589999
Корпус редуктора (приводной вал)(50/55/60) (Часть 1) 2-Х ТАКТНОГО ПЛМ MERCURY 60 Серийный номер от 0G290585 до 0G589999
Корпус редуктора (приводной вал)(50/55/60) (Часть 2) 2-Х ТАКТНОГО ПЛМ MERCURY 60 Серийный номер от 0G290585 до 0G589999
Кронштейн транца (50/60) 2-Х ТАКТНОГО ПЛМ MERCURY 60 Серийный номер от 0G290585 до 0G589999
Маховик 2-Х ТАКТНОГО ПЛМ MERCURY 60 Серийный номер от 0G290585 до 0G589999
Маховик и стартер (50/60) 2-Х ТАКТНОГО ПЛМ MERCURY 60 Серийный номер от 0G290585 до 0G589999
Пластина аттенюатора 2-Х ТАКТНОГО ПЛМ MERCURY 60 Серийный номер от 0G290585 до 0G589999
Поворотный кронштейн 2-Х ТАКТНОГО ПЛМ MERCURY 60 Серийный номер от 0G290585 до 0G589999
Рулевое управление 2-Х ТАКТНОГО ПЛМ MERCURY 60 Серийный номер от 0G290585 до 0G589999
Ручки руля комплект (Часть 1) 2-Х ТАКТНОГО ПЛМ MERCURY 60 Серийный номер от 0G290585 до 0G589999
Ручки руля комплект (Часть 2) 2-Х ТАКТНОГО ПЛМ MERCURY 60 Серийный номер от 0G290585 до 0G589999
Маховик и статор (электрический) 2-Х ТАКТНОГО ПЛМ MERCURY 60 Серийный номер от 0G590000 до 0G760299
Пластина аттенюатора 2-Х ТАКТНОГО ПЛМ MERCURY 60 Серийный номер от 0G590000 до 0G760299
Поворотный кронштейн 2-Х ТАКТНОГО ПЛМ MERCURY 60 Серийный номер от 0G590000 до 0G760299
Ручки руля комплект (Часть 1) 2-Х ТАКТНОГО ПЛМ MERCURY 60 Серийный номер от 0G590000 до 0G760299
Ручки руля комплект (Часть 2) 2-Х ТАКТНОГО ПЛМ MERCURY 60 Серийный номер от 0G590000 до 0G760299
Ручной стартер 2-Х ТАКТНОГО ПЛМ MERCURY 60 Серийный номер от 0G590000 до 0G760299
Рычаг газа и рычажный механизм 2-Х ТАКТНОГО ПЛМ MERCURY 60 Серийный номер от 0G590000 до 0G760299
Стартер 2-Х ТАКТНОГО ПЛМ MERCURY 60 Серийный номер от 0G590000 до 0G760299
Струйный насос в сборе 2-Х ТАКТНОГО ПЛМ MERCURY 60 Серийный номер от 0G590000 до 0G760299
Топливный насос (ручной) 2-Х ТАКТНОГО ПЛМ MERCURY 60 Серийный номер от 0G590000 до 0G760299
Топливный насос (электрический) 2-Х ТАКТНОГО ПЛМ MERCURY 60 Серийный номер от 0G590000 до 0G760299
Электрические компоненты 2-Х ТАКТНОГО ПЛМ MERCURY 60 Серийный номер от 0G590000 до 0G760299
Аксессуары 2-Х ТАКТНОГО ПЛМ MERCURY 60 Серийный номер от 0P017000 до 0P325499
Блок цилиндров и картер 2-Х ТАКТНОГО ПЛМ MERCURY 60 Серийный номер от 0P017000 до 0P325499
Впускной коллектор и резонатор 2-Х ТАКТНОГО ПЛМ MERCURY 60 Серийный номер от 0P017000 до 0P325499
Выхлопная труба 2-Х ТАКТНОГО ПЛМ MERCURY 60 Серийный номер от 0P017000 до 0P325499
Зажимной кронштейн (ручной) 2-Х ТАКТНОГО ПЛМ MERCURY 60 Серийный номер от 0P017000 до 0P325499
Инструменты 2-Х ТАКТНОГО ПЛМ MERCURY 60 Серийный номер от 0P017000 до 0P325499
Капот 2-Х ТАКТНОГО ПЛМ MERCURY 60 Серийный номер от 0P017000 до 0P325499
Карбюратор 2-Х ТАКТНОГО ПЛМ MERCURY 60 Серийный номер от 0P017000 до 0P325499
Коленчатый вал, поршни и шатуны 2-Х ТАКТНОГО ПЛМ MERCURY 60 Серийный номер от 0P017000 до 0P325499
Комплект прокладок, капитального ремонта двигателя 2-Х ТАКТНОГО ПЛМ MERCURY 60 Серийный номер от 0P017000 до 0P325499
Компоненты двигателя 2-Х ТАКТНОГО ПЛМ MERCURY 60 Серийный номер от 0P017000 до 0P325499
Компоненты закачки масла 2-Х ТАКТНОГО ПЛМ MERCURY 60 Серийный номер от 0P017000 до 0P325499
Компоненты ручного наклона 2-Х ТАКТНОГО ПЛМ MERCURY 60 Серийный номер от 0P017000 до 0P325499
Компоненты силовой отделки 2-Х ТАКТНОГО ПЛМ MERCURY 60 Серийный номер от 0P017000 до 0P325499
Корпус ведущего вала 2-Х ТАКТНОГО ПЛМ MERCURY 60 Серийный номер от 0P017000 до 0P325499
Корпус коробки передач, карданный вал - 1.64:1 передаточное число 2-Х ТАКТНОГО ПЛМ MERCURY 60 Серийный номер от 0P017000 до 0P325499
Корпус коробки передач, карданный вал 2.31:1 0T622484/ 0P222544 и ниже 2-Х ТАКТНОГО ПЛМ MERCURY 60 Серийный номер от 0P017000 до 0P325499
Корпус коробки передач, карданный вал 2.33:1 0T622485/ 0P222545 и выше 2-Х ТАКТНОГО ПЛМ MERCURY 60 Серийный номер от 0P017000 до 0P325499
Корпус коробки передач, приводной вал 1.64:1 передаточное число 2-Х ТАКТНОГО ПЛМ MERCURY 60 Серийный номер от 0P017000 до 0P325499
Корпус коробки передач, приводной вал 2.31:1 0T622484/ 0P222544 и ниже 2-Х ТАКТНОГО ПЛМ MERCURY 60 Серийный номер от 0P017000 до 0P325499
Корпус коробки передач, приводной вал 2.33:1 0T622485/ 0P222545 и выше 2-Х ТАКТНОГО ПЛМ MERCURY 60 Серийный номер от 0P017000 до 0P325499
Масляный бак, Aramark Engines 2-Х ТАКТНОГО ПЛМ MERCURY 60 Серийный номер от 0P017000 до 0P325499
Маховик и статор (ручной) 2-Х ТАКТНОГО ПЛМ MERCURY 60 Серийный номер от 0P017000 до 0P325499
Маховик и статор (электрический) 2-Х ТАКТНОГО ПЛМ MERCURY 60 Серийный номер от 0P017000 до 0P325499
Пластина аттенюатора 2-Х ТАКТНОГО ПЛМ MERCURY 60 Серийный номер от 0P017000 до 0P325499
Поворотный кронштейн 2-Х ТАКТНОГО ПЛМ MERCURY 60 Серийный номер от 0P017000 до 0P325499
Ручки руля 2-Х ТАКТНОГО ПЛМ MERCURY 60 Серийный номер от 0P017000 до 0P325499
Ручки руля комплект 2-Х ТАКТНОГО ПЛМ MERCURY 60 Серийный номер от 0P017000 до 0P325499
Рычаг газа и рычажный механизм 2-Х ТАКТНОГО ПЛМ MERCURY 60 Серийный номер от 0P017000 до 0P325499
Стартер 2-Х ТАКТНОГО ПЛМ MERCURY 60 Серийный номер от 0P017000 до 0P325499
Стартер в сборе (ручной) 2-Х ТАКТНОГО ПЛМ MERCURY 60 Серийный номер от 0P017000 до 0P325499
Струйный насос в сборе 2-Х ТАКТНОГО ПЛМ MERCURY 60 Серийный номер от 0P017000 до 0P325499
Топливный насос (ручной) 2-Х ТАКТНОГО ПЛМ MERCURY 60 Серийный номер от 0P017000 до 0P325499
Топливный насос (электрический) 2-Х ТАКТНОГО ПЛМ MERCURY 60 Серийный номер от 0P017000 до 0P325499
Электрические компоненты 2-Х ТАКТНОГО ПЛМ MERCURY 60 Серийный номер от 0P017000 до 0P325499
Аксессуары 2-Х ТАКТНОГО ПЛМ MERCURY 60 Серийный номер от 0P325500 и выше
Блок цилиндров и картер 2-Х ТАКТНОГО ПЛМ MERCURY 60 Серийный номер от 0P325500 и выше
Впускной коллектор и резонатор 2-Х ТАКТНОГО ПЛМ MERCURY 60 Серийный номер от 0P325500 и выше
Выхлопная труба 2-Х ТАКТНОГО ПЛМ MERCURY 60 Серийный номер от 0P325500 и выше
Зажимной кронштейн (ручной) 2-Х ТАКТНОГО ПЛМ MERCURY 60 Серийный номер от 0P325500 и выше
Инструменты 2-Х ТАКТНОГО ПЛМ MERCURY 60 Серийный номер от 0P325500 и выше
Капот верхний и нижний 2-Х ТАКТНОГО ПЛМ MERCURY 60 Серийный номер от 0P325500 и выше
Карбюратор 2-Х ТАКТНОГО ПЛМ MERCURY 60 Серийный номер от 0P325500 и выше
Коленчатый вал, поршни и шатуны 2-Х ТАКТНОГО ПЛМ MERCURY 60 Серийный номер от 0P325500 и выше
Комплект прокладок, капитального ремонта двигателя 2-Х ТАКТНОГО ПЛМ MERCURY 60 Серийный номер от 0P325500 и выше
Компоненты двигателя 2-Х ТАКТНОГО ПЛМ MERCURY 60 Серийный номер от 0P325500 и выше
Компоненты закачки масла 2-Х ТАКТНОГО ПЛМ MERCURY 60 Серийный номер от 0P325500 и выше
Компоненты ручного наклона 2-Х ТАКТНОГО ПЛМ MERCURY 60 Серийный номер от 0P325500 и выше
Компоненты силовой отделки 2-Х ТАКТНОГО ПЛМ MERCURY 60 Серийный номер от 0P325500 и выше
Корпус ведущего вала 2-Х ТАКТНОГО ПЛМ MERCURY 60 Серийный номер от 0P325500 и выше
Корпус коробки передач, карданный вал - 1.64:1 передаточное число 2-Х ТАКТНОГО ПЛМ MERCURY 60 Серийный номер от 0P325500 и выше
Корпус коробки передач, карданный вал - 2.33:1 передаточное число 2-Х ТАКТНОГО ПЛМ MERCURY 60 Серийный номер от 0P325500 и выше
Корпус коробки передач, приводной вал 1.64:1 передаточное число 2-Х ТАКТНОГО ПЛМ MERCURY 60 Серийный номер от 0P325500 и выше
Корпус коробки передач, приводной вал 2.33:1 2-Х ТАКТНОГО ПЛМ MERCURY 60 Серийный номер от 0P325500 и выше
Кронштейн транца (электрический) 2-Х ТАКТНОГО ПЛМ MERCURY 60 Серийный номер от 0P325500 и выше
Маховик и статор (ручной) 2-Х ТАКТНОГО ПЛМ MERCURY 60 Серийный номер от 0P325500 и выше
Маховик и статор (электрический) 2-Х ТАКТНОГО ПЛМ MERCURY 60 Серийный номер от 0P325500 и выше
Пластина аттенюатора 2-Х ТАКТНОГО ПЛМ MERCURY 60 Серийный номер от 0P325500 и выше
Поворотный кронштейн 2-Х ТАКТНОГО ПЛМ MERCURY 60 Серийный номер от 0P325500 и выше
Ручки руля 2-Х ТАКТНОГО ПЛМ MERCURY 60 Серийный номер от 0P325500 и выше
Ручки руля комплект 2-Х ТАКТНОГО ПЛМ MERCURY 60 Серийный номер от 0P325500 и выше
Рычаг газа и рычажный механизм 2-Х ТАКТНОГО ПЛМ MERCURY 60 Серийный номер от 0P325500 и выше
Стартер 2-Х ТАКТНОГО ПЛМ MERCURY 60 Серийный номер от 0P325500 и выше
Стартер в сборе (ручной) 2-Х ТАКТНОГО ПЛМ MERCURY 60 Серийный номер от 0P325500 и выше
Струйный насос в сборе 2-Х ТАКТНОГО ПЛМ MERCURY 60 Серийный номер от 0P325500 и выше
Топливный насос (ручной) 2-Х ТАКТНОГО ПЛМ MERCURY 60 Серийный номер от 0P325500 и выше
Топливный насос (электрический) 2-Х ТАКТНОГО ПЛМ MERCURY 60 Серийный номер от 0P325500 и выше
Электрические компоненты 2-Х ТАКТНОГО ПЛМ MERCURY 60 Серийный номер от 0P325500 и выше
Аксессуары 2-Х ТАКТНОГО ПЛМ MERCURY 60 Серийный номер от 0T980000 и выше
Блок цилиндров и картер 2-Х ТАКТНОГО ПЛМ MERCURY 60 Серийный номер от 0T980000 и выше
Впускной коллектор и резонатор 2-Х ТАКТНОГО ПЛМ MERCURY 60 Серийный номер от 0T980000 и выше
Выхлопная труба 2-Х ТАКТНОГО ПЛМ MERCURY 60 Серийный номер от 0T980000 и выше
Зажимной кронштейн (ручной) 2-Х ТАКТНОГО ПЛМ MERCURY 60 Серийный номер от 0T980000 и выше
Инструменты 2-Х ТАКТНОГО ПЛМ MERCURY 60 Серийный номер от 0T980000 и выше
Капот верхний и нижний 2-Х ТАКТНОГО ПЛМ MERCURY 60 Серийный номер от 0T980000 и выше
Карбюратор 2-Х ТАКТНОГО ПЛМ MERCURY 60 Серийный номер от 0T980000 и выше
Коленчатый вал, поршни и шатуны 2-Х ТАКТНОГО ПЛМ MERCURY 60 Серийный номер от 0T980000 и выше
Комплект прокладок, капитального ремонта двигателя 2-Х ТАКТНОГО ПЛМ MERCURY 60 Серийный номер от 0T980000 и выше
Компоненты двигателя 2-Х ТАКТНОГО ПЛМ MERCURY 60 Серийный номер от 0T980000 и выше
Компоненты закачки масла 2-Х ТАКТНОГО ПЛМ MERCURY 60 Серийный номер от 0T980000 и выше
Компоненты ручного наклона 2-Х ТАКТНОГО ПЛМ MERCURY 60 Серийный номер от 0T980000 и выше
Компоненты силовой отделки 2-Х ТАКТНОГО ПЛМ MERCURY 60 Серийный номер от 0T980000 и выше
Корпус ведущего вала 2-Х ТАКТНОГО ПЛМ MERCURY 60 Серийный номер от 0T980000 и выше
Корпус коробки передач, карданный вал - 1.64:1 передаточное число 2-Х ТАКТНОГО ПЛМ MERCURY 60 Серийный номер от 0T980000 и выше
Корпус коробки передач, карданный вал - 2.33:1 передаточное число 2-Х ТАКТНОГО ПЛМ MERCURY 60 Серийный номер от 0T980000 и выше
Корпус коробки передач, приводной вал 1.64:1 передаточное число 2-Х ТАКТНОГО ПЛМ MERCURY 60 Серийный номер от 0T980000 и выше
Корпус коробки передач, приводной вал 2.33:1 2-Х ТАКТНОГО ПЛМ MERCURY 60 Серийный номер от 0T980000 и выше
Кронштейн транца (электрический) 2-Х ТАКТНОГО ПЛМ MERCURY 60 Серийный номер от 0T980000 и выше
Маховик и статор (ручной) 2-Х ТАКТНОГО ПЛМ MERCURY 60 Серийный номер от 0T980000 и выше
Маховик и статор (электрический) 2-Х ТАКТНОГО ПЛМ MERCURY 60 Серийный номер от 0T980000 и выше
Пластина аттенюатора 2-Х ТАКТНОГО ПЛМ MERCURY 60 Серийный номер от 0T980000 и выше
Поворотный кронштейн 2-Х ТАКТНОГО ПЛМ MERCURY 60 Серийный номер от 0T980000 и выше
Ручки руля 2-Х ТАКТНОГО ПЛМ MERCURY 60 Серийный номер от 0T980000 и выше
Ручки руля комплект 2-Х ТАКТНОГО ПЛМ MERCURY 60 Серийный номер от 0T980000 и выше
Рычаг газа и рычажный механизм 2-Х ТАКТНОГО ПЛМ MERCURY 60 Серийный номер от 0T980000 и выше
Стартер 2-Х ТАКТНОГО ПЛМ MERCURY 60 Серийный номер от 0T980000 и выше
Стартер в сборе (ручной) 2-Х ТАКТНОГО ПЛМ MERCURY 60 Серийный номер от 0T980000 и выше
Струйный насос в сборе 2-Х ТАКТНОГО ПЛМ MERCURY 60 Серийный номер от 0T980000 и выше
Топливный насос (ручной) 2-Х ТАКТНОГО ПЛМ MERCURY 60 Серийный номер от 0T980000 и выше
Топливный насос (электрический) 2-Х ТАКТНОГО ПЛМ MERCURY 60 Серийный номер от 0T980000 и выше
Электрические компоненты 2-Х ТАКТНОГО ПЛМ MERCURY 60 Серийный номер от 0T980000 и выше
Авто-смесь 2-Х ТАКТНОГО ПЛМ MERCURY 60 Серийный номер от 6428681 до 0B122929
Аксессуары 2-Х ТАКТНОГО ПЛМ MERCURY 60 Серийный номер от 6428681 до 0B122929
Блок цилиндров и картер в сборе 2-Х ТАКТНОГО ПЛМ MERCURY 60 Серийный номер от 6428681 до 0B122929
Винты (правого вращения) 2-Х ТАКТНОГО ПЛМ MERCURY 60 Серийный номер от 6428681 до 0B122929
Выхлопной коллектор и крышки 2-Х ТАКТНОГО ПЛМ MERCURY 60 Серийный номер от 6428681 до 0B122929
Гидравлический насос в сборе (пластиковый резервуар) 2-Х ТАКТНОГО ПЛМ MERCURY 60 Серийный номер от 6428681 до 0B122929
Зажимной кронштейн в сборе 2-Х ТАКТНОГО ПЛМ MERCURY 60 Серийный номер от 6428681 до 0B122929
Капот и передняя крышка 2-Х ТАКТНОГО ПЛМ MERCURY 60 Серийный номер от 6428681 до 0B122929
Карбюратор в сборе 2-Х ТАКТНОГО ПЛМ MERCURY 60 Серийный номер от 6428681 до 0B122929
Карбюратор и дроссель 2-Х ТАКТНОГО ПЛМ MERCURY 60 Серийный номер от 6428681 до 0B122929
Коленчатый вал, поршни и шатуны 2-Х ТАКТНОГО ПЛМ MERCURY 60 Серийный номер от 6428681 до 0B122929
Комплект для ремонта цилиндра 2-Х ТАКТНОГО ПЛМ MERCURY 60 Серийный номер от 6428681 до 0B122929
Корпус ведущего вала в сборе 2-Х ТАКТНОГО ПЛМ MERCURY 60 Серийный номер от 6428681 до 0B122929
Корпус шестерни (карданный вал) 2-Х ТАКТНОГО ПЛМ MERCURY 60 Серийный номер от 6428681 до 0B122929
Корпус шестерни (приводной вал) 2-Х ТАКТНОГО ПЛМ MERCURY 60 Серийный номер от 6428681 до 0B122929
Маховик, распределительная коробка, катушка зажимная и статор 2-Х ТАКТНОГО ПЛМ MERCURY 60 Серийный номер от 6428681 до 0B122929
Опорные кронштейны капота 2-Х ТАКТНОГО ПЛМ MERCURY 60 Серийный номер от 6428681 до 0B122929
Поворотный кронштейн и блокировка обратного вращения 2-Х ТАКТНОГО ПЛМ MERCURY 60 Серийный номер от 6428681 до 0B122929
Рычаг дроссельной заслонки и зажигание 2-Х ТАКТНОГО ПЛМ MERCURY 60 Серийный номер от 6428681 до 0B122929
Рычаг переключения передач и выпускная пластина 2-Х ТАКТНОГО ПЛМ MERCURY 60 Серийный номер от 6428681 до 0B122929
Силовая отделка 2-Х ТАКТНОГО ПЛМ MERCURY 60 Серийный номер от 6428681 до 0B122929
Стартер в сборе (BOSCH) 2-Х ТАКТНОГО ПЛМ MERCURY 60 Серийный номер от 6428681 до 0B122929
Стартер в сборе (PRESTOLITE) 2-Х ТАКТНОГО ПЛМ MERCURY 60 Серийный номер от 6428681 до 0B122929
Стартер, соленоид стартера, выпрямитель тока 2-Х ТАКТНОГО ПЛМ MERCURY 60 Серийный номер от 6428681 до 0B122929
Топливный насос, топливный фильтр и топливные линии 2-Х ТАКТНОГО ПЛМ MERCURY 60 Серийный номер от 6428681 до 0B122929
Цилиндры и гидравлические шланги 2-Х ТАКТНОГО ПЛМ MERCURY 60 Серийный номер от 6428681 до 0B122929
Авто-смесь 2-Х ТАКТНОГО ПЛМ MERCURY 60 Серийный номер от 7208333 до 0A721307
Аксессуары 2-Х ТАКТНОГО ПЛМ MERCURY 60 Серийный номер от 7208333 до 0A721307
Блок цилиндров и картер в сборе 2-Х ТАКТНОГО ПЛМ MERCURY 60 Серийный номер от 7208333 до 0A721307
Выхлопной коллектор и крышки 2-Х ТАКТНОГО ПЛМ MERCURY 60 Серийный номер от 7208333 до 0A721307
Гидравлический насос в сборе (пластиковый резервуар) 2-Х ТАКТНОГО ПЛМ MERCURY 60 Серийный номер от 7208333 до 0A721307
Зажимной кронштейн в сборе 2-Х ТАКТНОГО ПЛМ MERCURY 60 Серийный номер от 7208333 до 0A721307
Капот и передняя крышка 2-Х ТАКТНОГО ПЛМ MERCURY 60 Серийный номер от 7208333 до 0A721307
Карбюратор в сборе 2-Х ТАКТНОГО ПЛМ MERCURY 60 Серийный номер от 7208333 до 0A721307
Карбюратор и дроссель 2-Х ТАКТНОГО ПЛМ MERCURY 60 Серийный номер от 7208333 до 0A721307
Коленчатый вал, поршни и шатуны 2-Х ТАКТНОГО ПЛМ MERCURY 60 Серийный номер от 7208333 до 0A721307
Комплект для ремонта цилиндра 2-Х ТАКТНОГО ПЛМ MERCURY 60 Серийный номер от 7208333 до 0A721307
Корпус ведущего вала в сборе 2-Х ТАКТНОГО ПЛМ MERCURY 60 Серийный номер от 7208333 до 0A721307
Корпус шестерни (карданный вал) 2-Х ТАКТНОГО ПЛМ MERCURY 60 Серийный номер от 7208333 до 0A721307
Корпус шестерни (приводной вал) 2-Х ТАКТНОГО ПЛМ MERCURY 60 Серийный номер от 7208333 до 0A721307
Маховик, распределительная коробка, катушка зажимная и статор 2-Х ТАКТНОГО ПЛМ MERCURY 60 Серийный номер от 7208333 до 0A721307
Опорные кронштейны капота 2-Х ТАКТНОГО ПЛМ MERCURY 60 Серийный номер от 7208333 до 0A721307
Поворотный кронштейн и блокировка обратного вращения 2-Х ТАКТНОГО ПЛМ MERCURY 60 Серийный номер от 7208333 до 0A721307
Рычаг дроссельной заслонки и зажигание 2-Х ТАКТНОГО ПЛМ MERCURY 60 Серийный номер от 7208333 до 0A721307
Силовая отделка 2-Х ТАКТНОГО ПЛМ MERCURY 60 Серийный номер от 7208333 до 0A721307
Стартер в сборе (BOSCH) 2-Х ТАКТНОГО ПЛМ MERCURY 60 Серийный номер от 7208333 до 0A721307
Стартер в сборе (PRESTOLITE) 2-Х ТАКТНОГО ПЛМ MERCURY 60 Серийный номер от 7208333 до 0A721307
Стартер, соленоид стартера, выпрямитель тока 2-Х ТАКТНОГО ПЛМ MERCURY 60 Серийный номер от 7208333 до 0A721307
Топливный насос, топливный фильтр и топливные линии 2-Х ТАКТНОГО ПЛМ MERCURY 60 Серийный номер от 7208333 до 0A721307
Цилиндры и гидравлические шланги 2-Х ТАКТНОГО ПЛМ MERCURY 60 Серийный номер от 7208333 до 0A721307
Авто-смесь 2-Х ТАКТНОГО ПЛМ MERCURY 60 Серийный номер от 9385911 до 9469199
Аксессуары 2-Х ТАКТНОГО ПЛМ MERCURY 60 Серийный номер от 9385911 до 9469199
Блок цилиндров и картер в сборе 2-Х ТАКТНОГО ПЛМ MERCURY 60 Серийный номер от 9385911 до 9469199
Выхлопной коллектор и крышки 2-Х ТАКТНОГО ПЛМ MERCURY 60 Серийный номер от 9385911 до 9469199
Гидравлический насос в сборе (пластиковый резервуар) 2-Х ТАКТНОГО ПЛМ MERCURY 60 Серийный номер от 9385911 до 9469199
Зажимной кронштейн в сборе 2-Х ТАКТНОГО ПЛМ MERCURY 60 Серийный номер от 9385911 до 9469199
Капот и передняя крышка 2-Х ТАКТНОГО ПЛМ MERCURY 60 Серийный номер от 9385911 до 9469199
Карбюратор в сборе 2-Х ТАКТНОГО ПЛМ MERCURY 60 Серийный номер от 9385911 до 9469199
Карбюратор и дроссель 2-Х ТАКТНОГО ПЛМ MERCURY 60 Серийный номер от 9385911 до 9469199
Коленчатый вал, поршни и шатуны 2-Х ТАКТНОГО ПЛМ MERCURY 60 Серийный номер от 9385911 до 9469199
Комплект для ремонта цилиндра 2-Х ТАКТНОГО ПЛМ MERCURY 60 Серийный номер от 9385911 до 9469199
Корпус ведущего вала в сборе 2-Х ТАКТНОГО ПЛМ MERCURY 60 Серийный номер от 9385911 до 9469199
Корпус шестерни (карданный вал) 2-Х ТАКТНОГО ПЛМ MERCURY 60 Серийный номер от 9385911 до 9469199
Корпус шестерни (приводной вал) 2-Х ТАКТНОГО ПЛМ MERCURY 60 Серийный номер от 9385911 до 9469199
Маховик, распределительная коробка, катушка зажимная и статор 2-Х ТАКТНОГО ПЛМ MERCURY 60 Серийный номер от 9385911 до 9469199
Опорные кронштейны капота 2-Х ТАКТНОГО ПЛМ MERCURY 60 Серийный номер от 9385911 до 9469199
Поворотный кронштейн и блокировка обратного вращения 2-Х ТАКТНОГО ПЛМ MERCURY 60 Серийный номер от 9385911 до 9469199
Рычаг дроссельной заслонки и зажигание 2-Х ТАКТНОГО ПЛМ MERCURY 60 Серийный номер от 9385911 до 9469199
Силовая отделка 2-Х ТАКТНОГО ПЛМ MERCURY 60 Серийный номер от 9385911 до 9469199
Стартер в сборе (BOSCH) 2-Х ТАКТНОГО ПЛМ MERCURY 60 Серийный номер от 9385911 до 9469199
Стартер в сборе (PRESTOLITE) 2-Х ТАКТНОГО ПЛМ MERCURY 60 Серийный номер от 9385911 до 9469199
Стартер, соленоид стартера, выпрямитель тока 2-Х ТАКТНОГО ПЛМ MERCURY 60 Серийный номер от 9385911 до 9469199
Топливный насос, топливный фильтр и топливные линии 2-Х ТАКТНОГО ПЛМ MERCURY 60 Серийный номер от 9385911 до 9469199
Цилиндры и гидравлические шланги 2-Х ТАКТНОГО ПЛМ MERCURY 60 Серийный номер от 9385911 до 9469199
Manual Tilt Components 2-Х ТАКТНОГО ПЛМ MERCURY 60 Серийный номер от 9469200 до 9683054
Авто-смесь 2-Х ТАКТНОГО ПЛМ MERCURY 60 Серийный номер от 9469200 до 9683054
Блок цилиндров 2-Х ТАКТНОГО ПЛМ MERCURY 60 Серийный номер от 9469200 до 9683054
Выхлопная труба 2-Х ТАКТНОГО ПЛМ MERCURY 60 Серийный номер от 9469200 до 9683054
Выхлопной коллектор и крышки 2-Х ТАКТНОГО ПЛМ MERCURY 60 Серийный номер от 9469200 до 9683054
Дроссельная тяга 2-Х ТАКТНОГО ПЛМ MERCURY 60 Серийный номер от 9469200 до 9683054
Зажимной кронштейн (короткий) (длинный-0C160935 и ниже) (60EL NOI) (NPT) 2-Х ТАКТНОГО ПЛМ MERCURY 60 Серийный номер от 9469200 до 9683054
Капот и передняя крышка 2-Х ТАКТНОГО ПЛМ MERCURY 60 Серийный номер от 9469200 до 9683054
Карбюратор 2-Х ТАКТНОГО ПЛМ MERCURY 60 Серийный номер от 9469200 до 9683054
Карбюратор и дроссель 2-Х ТАКТНОГО ПЛМ MERCURY 60 Серийный номер от 9469200 до 9683054
Коленвал, поршни и шатуны 2-Х ТАКТНОГО ПЛМ MERCURY 60 Серийный номер от 9469200 до 9683054
Компоненты силовой отделки(S/N-0C160935 и ниже) 2-Х ТАКТНОГО ПЛМ MERCURY 60 Серийный номер от 9469200 до 9683054
Компоненты электрической отделки (длинные-S/N-0C160936 и выше) 2-Х ТАКТНОГО ПЛМ MERCURY 60 Серийный номер от 9469200 до 9683054
Корпус карданного вала (длинный-0C160936 & выше) (60EL NOI) (NPT) 2-Х ТАКТНОГО ПЛМ MERCURY 60 Серийный номер от 9469200 до 9683054
Корпус карданного вала (короткий)(длинный S / N-0C160935 и ниже) 2-Х ТАКТНОГО ПЛМ MERCURY 60 Серийный номер от 9469200 до 9683054
Корпус редуктора (карданный вал) 2-Х ТАКТНОГО ПЛМ MERCURY 60 Серийный номер от 9469200 до 9683054
Корпус редуктора (приводной вал) 2-Х ТАКТНОГО ПЛМ MERCURY 60 Серийный номер от 9469200 до 9683054
Кронштейн транца (силовая отделка)(S/N-0C160935 и ниже) 2-Х ТАКТНОГО ПЛМ MERCURY 60 Серийный номер от 9469200 до 9683054
Кронштейн транца(длинный вал S/N-0C160936 и выше) 2-Х ТАКТНОГО ПЛМ MERCURY 60 Серийный номер от 9469200 до 9683054
Маховик, распределительная коробка, катушка зажигания и статор 2-Х ТАКТНОГО ПЛМ MERCURY 60 Серийный номер от 9469200 до 9683054
Насос отсечки мощности (прямоугольный двигатель Eaton) 2-Х ТАКТНОГО ПЛМ MERCURY 60 Серийный номер от 9469200 до 9683054
Опорные кронштейны капота 2-Х ТАКТНОГО ПЛМ MERCURY 60 Серийный номер от 9469200 до 9683054
Поворотный кронштейн (длинный вал-S/N-0C160936 и выше) 2-Х ТАКТНОГО ПЛМ MERCURY 60 Серийный номер от 9469200 до 9683054
Поворотный кронштейн (силовая отделка)(S / N-0C160935 & ниже) 2-Х ТАКТНОГО ПЛМ MERCURY 60 Серийный номер от 9469200 до 9683054
Стартер, соленоид и выпрямитель 2-Х ТАКТНОГО ПЛМ MERCURY 60 Серийный номер от 9469200 до 9683054
Топливный насос 2-Х ТАКТНОГО ПЛМ MERCURY 60 Серийный номер от 9469200 до 9683054
Аксессуары 2-Х ТАКТНОГО ПЛМ MERCURY 60 Серийный номер от 9683055 до 9885344
Блок цилиндров и картер 2-Х ТАКТНОГО ПЛМ MERCURY 60 Серийный номер от 9683055 до 9885344
Выхлопная труба 2-Х ТАКТНОГО ПЛМ MERCURY 60 Серийный номер от 9683055 до 9885344
Дроссель и рычаг 2-Х ТАКТНОГО ПЛМ MERCURY 60 Серийный номер от 9683055 до 9885344
Зажимной кронштейн (55) (S/N: 0D181999 и ниже) 2-Х ТАКТНОГО ПЛМ MERCURY 60 Серийный номер от 9683055 до 9885344
Зажимной кронштейн (ручной) (S/N: 0D1812000 и выше) 2-Х ТАКТНОГО ПЛМ MERCURY 60 Серийный номер от 9683055 до 9885344
Капот 2-Х ТАКТНОГО ПЛМ MERCURY 60 Серийный номер от 9683055 до 9885344
Карбюратор (WME-22/22B/23/24/35) 2-Х ТАКТНОГО ПЛМ MERCURY 60 Серийный номер от 9683055 до 9885344
Карбюратор (WME-26/27/28/28/43/44/45) 2-Х ТАКТНОГО ПЛМ MERCURY 60 Серийный номер от 9683055 до 9885344
Коленчатый вал, поршни и шатуны 2-Х ТАКТНОГО ПЛМ MERCURY 60 Серийный номер от 9683055 до 9885344
Компоненты двигателя 2-Х ТАКТНОГО ПЛМ MERCURY 60 Серийный номер от 9683055 до 9885344
Компоненты для закачки масла 2-Х ТАКТНОГО ПЛМ MERCURY 60 Серийный номер от 9683055 до 9885344
Компоненты расширения 2-Х ТАКТНОГО ПЛМ MERCURY 60 Серийный номер от 9683055 до 9885344
Компоненты силовой отделки(S/N: 0D182000 и выше) 2-Х ТАКТНОГО ПЛМ MERCURY 60 Серийный номер от 9683055 до 9885344
Корпус ведущего вала 2-Х ТАКТНОГО ПЛМ MERCURY 60 Серийный номер от 9683055 до 9885344
Корпус коробки передач (DR/ SHAFT)(BIGFOOT)(SEAPRO/MARATHON/PONTOON) 2-Х ТАКТНОГО ПЛМ MERCURY 60 Серийный номер от 9683055 до 9885344
Корпус коробки передач (PROP SHAFT)(BIGFOOT)(SEAPRO/MARATHON/PONTOON) 2-Х ТАКТНОГО ПЛМ MERCURY 60 Серийный номер от 9683055 до 9885344
Корпус редуктора (карданный вал) 2-Х ТАКТНОГО ПЛМ MERCURY 60 Серийный номер от 9683055 до 9885344
Корпус редуктора (приводной вал) 2-Х ТАКТНОГО ПЛМ MERCURY 60 Серийный номер от 9683055 до 9885344
Кронштейн транца (50/60)(S/N: 0D182000 и выше) 2-Х ТАКТНОГО ПЛМ MERCURY 60 Серийный номер от 9683055 до 9885344
Кронштейн транца(50/60)(S/N: 0D181999 и ниже) 2-Х ТАКТНОГО ПЛМ MERCURY 60 Серийный номер от 9683055 до 9885344
Маховик (55) 2-Х ТАКТНОГО ПЛМ MERCURY 60 Серийный номер от 9683055 до 9885344
Маховик и стартер (50/60) 2-Х ТАКТНОГО ПЛМ MERCURY 60 Серийный номер от 9683055 до 9885344
Пластина аттенюатора 2-Х ТАКТНОГО ПЛМ MERCURY 60 Серийный номер от 9683055 до 9885344
Поворотный кронштейн (S/N: 0D181999 и ниже) 2-Х ТАКТНОГО ПЛМ MERCURY 60 Серийный номер от 9683055 до 9885344
Поворотный кронштейн (S/N: 0D182000 и выше) 2-Х ТАКТНОГО ПЛМ MERCURY 60 Серийный номер от 9683055 до 9885344
Ручки руля комплект (Часть 1) 2-Х ТАКТНОГО ПЛМ MERCURY 60 Серийный номер от 9683055 до 9885344
Ручки руля комплект (Часть 2) 2-Х ТАКТНОГО ПЛМ MERCURY 60 Серийный номер от 9683055 до 9885344
Ручные компоненты наклона 2-Х ТАКТНОГО ПЛМ MERCURY 60 Серийный номер от 9683055 до 9885344
Стартер в сборе 2-Х ТАКТНОГО ПЛМ MERCURY 60 Серийный номер от 9683055 до 9885344
Струйный насос в сборе 2-Х ТАКТНОГО ПЛМ MERCURY 60 Серийный номер от 9683055 до 9885344
Топливный насос 2-Х ТАКТНОГО ПЛМ MERCURY 60 Серийный номер от 9683055 до 9885344
Электрические компоненты (50/60) 2-Х ТАКТНОГО ПЛМ MERCURY 60 Серийный номер от 9683055 до 9885344
Электрические компоненты (55) 2-Х ТАКТНОГО ПЛМ MERCURY 60 Серийный номер от 9683055 до 9885344
Аксессуары 2-Х ТАКТНОГО ПЛМ MERCURY 60 Серийный номер от 9885345 до 9973099
Блок цилиндров и картер 2-Х ТАКТНОГО ПЛМ MERCURY 60 Серийный номер от 9885345 до 9973099
Впускной коллектор и резонатор 2-Х ТАКТНОГО ПЛМ MERCURY 60 Серийный номер от 9885345 до 9973099
Выхлопная труба 2-Х ТАКТНОГО ПЛМ MERCURY 60 Серийный номер от 9885345 до 9973099
Дроссель и рычаг 2-Х ТАКТНОГО ПЛМ MERCURY 60 Серийный номер от 9885345 до 9973099
Зажимной кронштейн (ручной) 2-Х ТАКТНОГО ПЛМ MERCURY 60 Серийный номер от 9885345 до 9973099
Капот 2-Х ТАКТНОГО ПЛМ MERCURY 60 Серийный номер от 9885345 до 9973099
Карбюратор 2-Х ТАКТНОГО ПЛМ MERCURY 60 Серийный номер от 9885345 до 9973099
Коленчатый вал, поршни и шатуны 2-Х ТАКТНОГО ПЛМ MERCURY 60 Серийный номер от 9885345 до 9973099
Комплект ручного адаптера (JET 45) 2-Х ТАКТНОГО ПЛМ MERCURY 60 Серийный номер от 9885345 до 9973099
Компоненты двигателя 2-Х ТАКТНОГО ПЛМ MERCURY 60 Серийный номер от 9885345 до 9973099
Компоненты для закачки масла 2-Х ТАКТНОГО ПЛМ MERCURY 60 Серийный номер от 9885345 до 9973099
Компоненты расширения 2-Х ТАКТНОГО ПЛМ MERCURY 60 Серийный номер от 9885345 до 9973099
Компоненты силовой отделки (S/# 0G357070 и ниже) (BLACK FILL) 2-Х ТАКТНОГО ПЛМ MERCURY 60 Серийный номер от 9885345 до 9973099
Коробка передач(карданный вал)(60 SEA/MARA/BIG FOOT,3 JAW REV. CLUTCH 2-Х ТАКТНОГО ПЛМ MERCURY 60 Серийный номер от 9885345 до 9973099
Коробка передач(приводной вал)(60 SEA/MARA/BIG FOOT,3 JAW REV. CLUTCH 1 2-Х ТАКТНОГО ПЛМ MERCURY 60 Серийный номер от 9885345 до 9973099
Коробка передач(приводной вал)(60 SEA/MARA/BIG FOOT,3 JAW REV. CLUTCH 2 2-Х ТАКТНОГО ПЛМ MERCURY 60 Серийный номер от 9885345 до 9973099
Коробка передач(приводной вал)(60 SEA/MARA/BIG FOOT,6 JAW REV. CLUTCH 1 2-Х ТАКТНОГО ПЛМ MERCURY 60 Серийный номер от 9885345 до 9973099
Коробка передач(приводной вал)(60 SEA/MARA/BIG FOOT,6 JAW REV. CLUTCH 2 2-Х ТАКТНОГО ПЛМ MERCURY 60 Серийный номер от 9885345 до 9973099
Кронштейн транца (50/60) 2-Х ТАКТНОГО ПЛМ MERCURY 60 Серийный номер от 9885345 до 9973099
Маховик 2-Х ТАКТНОГО ПЛМ MERCURY 60 Серийный номер от 9885345 до 9973099
Маховик и стартер (50/60) 2-Х ТАКТНОГО ПЛМ MERCURY 60 Серийный номер от 9885345 до 9973099
Пластина аттенюатора 2-Х ТАКТНОГО ПЛМ MERCURY 60 Серийный номер от 9885345 до 9973099
Поворотный кронштейн 2-Х ТАКТНОГО ПЛМ MERCURY 60 Серийный номер от 9885345 до 9973099
Рулевое управление 2-Х ТАКТНОГО ПЛМ MERCURY 60 Серийный номер от 9885345 до 9973099
Ручки руля комплект (Часть 1) 2-Х ТАКТНОГО ПЛМ MERCURY 60 Серийный номер от 9885345 до 9973099
Ручки руля комплект (Часть 2) 2-Х ТАКТНОГО ПЛМ MERCURY 60 Серийный номер от 9885345 до 9973099
Ручки руля комплект (Часть 3) 2-Х ТАКТНОГО ПЛМ MERCURY 60 Серийный номер от 9885345 до 9973099
Ручные компоненты наклона (Дизайн 1) 2-Х ТАКТНОГО ПЛМ MERCURY 60 Серийный номер от 9885345 до 9973099
Ручные компоненты наклона (Дизайн 2) 2-Х ТАКТНОГО ПЛМ MERCURY 60 Серийный номер от 9885345 до 9973099
Стартер в сборе (ручной - 55) 2-Х ТАКТНОГО ПЛМ MERCURY 60 Серийный номер от 9885345 до 9973099
Стартер в сборе 2-Х ТАКТНОГО ПЛМ MERCURY 60 Серийный номер от 9885345 до 9973099
Топливный насос (50/60) 2-Х ТАКТНОГО ПЛМ MERCURY 60 Серийный номер от 9885345 до 9973099
Топливный насос 2-Х ТАКТНОГО ПЛМ MERCURY 60 Серийный номер от 9885345 до 9973099
Топливный насос в сборе 2-Х ТАКТНОГО ПЛМ MERCURY 60 Серийный номер от 9885345 до 9973099
Электрические компоненты (50/60) 2-Х ТАКТНОГО ПЛМ MERCURY 60 Серийный номер от 9885345 до 9973099
Электрические компоненты (55) 2-Х ТАКТНОГО ПЛМ MERCURY 60 Серийный номер от 9885345 до 9973099
Аксессуары 2-Х ТАКТНОГО ПЛМ MERCURY 60 Серийный номер от 9973100 до 0P016999
Блок цилиндров 2-Х ТАКТНОГО ПЛМ MERCURY 60 Серийный номер от 9973100 до 0P016999
Впускной коллектор и резонатор 2-Х ТАКТНОГО ПЛМ MERCURY 60 Серийный номер от 9973100 до 0P016999
Выхлопная труба 2-Х ТАКТНОГО ПЛМ MERCURY 60 Серийный номер от 9973100 до 0P016999
Зажимной кронштейн (ручной) 2-Х ТАКТНОГО ПЛМ MERCURY 60 Серийный номер от 9973100 до 0P016999
Инструменты 2-Х ТАКТНОГО ПЛМ MERCURY 60 Серийный номер от 9973100 до 0P016999
Капот 2-Х ТАКТНОГО ПЛМ MERCURY 60 Серийный номер от 9973100 до 0P016999
Карбюратор 2-Х ТАКТНОГО ПЛМ MERCURY 60 Серийный номер от 9973100 до 0P016999
Коленчатый вал, поршни и шатуны 2-Х ТАКТНОГО ПЛМ MERCURY 60 Серийный номер от 9973100 до 0P016999
Компоненты двигателя 2-Х ТАКТНОГО ПЛМ MERCURY 60 Серийный номер от 9973100 до 0P016999
Компоненты закачки масла 2-Х ТАКТНОГО ПЛМ MERCURY 60 Серийный номер от 9973100 до 0P016999
Компоненты расширения 2-Х ТАКТНОГО ПЛМ MERCURY 60 Серийный номер от 9973100 до 0P016999
Компоненты ручного наклона 2-Х ТАКТНОГО ПЛМ MERCURY 60 Серийный номер от 9973100 до 0P016999
Компоненты силовой отделки 2-Х ТАКТНОГО ПЛМ MERCURY 60 Серийный номер от 9973100 до 0P016999
Корпус ведущего вала 2-Х ТАКТНОГО ПЛМ MERCURY 60 Серийный номер от 9973100 до 0P016999
Корпус коробки передач, карданный вал - 1.64:1 передаточное число 2-Х ТАКТНОГО ПЛМ MERCURY 60 Серийный номер от 9973100 до 0P016999
Корпус коробки передач, карданный вал - 2.31:1 передаточное число 2-Х ТАКТНОГО ПЛМ MERCURY 60 Серийный номер от 9973100 до 0P016999
Корпус коробки передач, приводной вал 1.64:1 передаточное число 2-Х ТАКТНОГО ПЛМ MERCURY 60 Серийный номер от 9973100 до 0P016999
Корпус коробки передач, приводной вал 2.31:1 передаточное число 2-Х ТАКТНОГО ПЛМ MERCURY 60 Серийный номер от 9973100 до 0P016999
Кронштейн транца (электрический) 2-Х ТАКТНОГО ПЛМ MERCURY 60 Серийный номер от 9973100 до 0P016999
Маховик и статор (ручной) 2-Х ТАКТНОГО ПЛМ MERCURY 60 Серийный номер от 9973100 до 0P016999
Пластина аттенюатора 2-Х ТАКТНОГО ПЛМ MERCURY 60 Серийный номер от 9973100 до 0P016999
Поворотный кронштейн 2-Х ТАКТНОГО ПЛМ MERCURY 60 Серийный номер от 9973100 до 0P016999
Рулевое управление 2-Х ТАКТНОГО ПЛМ MERCURY 60 Серийный номер от 9973100 до 0P016999
Ручки руля комплект (Часть 1) 2-Х ТАКТНОГО ПЛМ MERCURY 60 Серийный номер от 9973100 до 0P016999
Ручки руля комплект (Часть 2) 2-Х ТАКТНОГО ПЛМ MERCURY 60 Серийный номер от 9973100 до 0P016999
Рычаг газа и рычажный механизм 2-Х ТАКТНОГО ПЛМ MERCURY 60 Серийный номер от 9973100 до 0P016999
Стартер 2-Х ТАКТНОГО ПЛМ MERCURY 60 Серийный номер от 9973100 до 0P016999
Стартер ручной 2-Х ТАКТНОГО ПЛМ MERCURY 60 Серийный номер от 9973100 до 0P016999
Струйный насос в сборе 2-Х ТАКТНОГО ПЛМ MERCURY 60 Серийный номер от 9973100 до 0P016999
Топливный насос (ручной) 2-Х ТАКТНОГО ПЛМ MERCURY 60 Серийный номер от 9973100 до 0P016999
Топливный насос (электрический) 2-Х ТАКТНОГО ПЛМ MERCURY 60 Серийный номер от 9973100 до 0P016999
Электрические компоненты 2-Х ТАКТНОГО ПЛМ MERCURY 60 Серийный номер от 9973100 до 0P016999
Аксессуары 2-Х ТАКТНОГО ПЛМ MERCURY 75 Серийный номер от 0A996142 до 0B240450
Блок цилиндров и картер 2-Х ТАКТНОГО ПЛМ MERCURY 75 Серийный номер от 0A996142 до 0B240450
Впускной коллектор и резонатор 2-Х ТАКТНОГО ПЛМ MERCURY 75 Серийный номер от 0A996142 до 0B240450
Выхлопная труба 2-Х ТАКТНОГО ПЛМ MERCURY 75 Серийный номер от 0A996142 до 0B240450
Дроссель и рычаг 2-Х ТАКТНОГО ПЛМ MERCURY 75 Серийный номер от 0A996142 до 0B240450
Капот и передняя крышка 2-Х ТАКТНОГО ПЛМ MERCURY 75 Серийный номер от 0A996142 до 0B240450
Карбюратор 2-Х ТАКТНОГО ПЛМ MERCURY 75 Серийный номер от 0A996142 до 0B240450
Карбюратор и пластина аттенюатора 2-Х ТАКТНОГО ПЛМ MERCURY 75 Серийный номер от 0A996142 до 0B240450
Коленвал, поршни и шатуны (#638-8532--1) 2-Х ТАКТНОГО ПЛМ MERCURY 75 Серийный номер от 0A996142 до 0B240450
Компоненты закачки масла 2-Х ТАКТНОГО ПЛМ MERCURY 75 Серийный номер от 0A996142 до 0B240450
Компоненты ручного управления (Часть 1) 2-Х ТАКТНОГО ПЛМ MERCURY 75 Серийный номер от 0A996142 до 0B240450
Компоненты ручного управления (Часть 2) 2-Х ТАКТНОГО ПЛМ MERCURY 75 Серийный номер от 0A996142 до 0B240450
Компоненты силовой отделки 2-Х ТАКТНОГО ПЛМ MERCURY 75 Серийный номер от 0A996142 до 0B240450
Корпус карданного вала 2-Х ТАКТНОГО ПЛМ MERCURY 75 Серийный номер от 0A996142 до 0B240450
Корпус редуктора (карданный вал) 2-Х ТАКТНОГО ПЛМ MERCURY 75 Серийный номер от 0A996142 до 0B240450
Корпус редуктора (приводной вал) 2-Х ТАКТНОГО ПЛМ MERCURY 75 Серийный номер от 0A996142 до 0B240450
Крепления 2-Х ТАКТНОГО ПЛМ MERCURY 75 Серийный номер от 0A996142 до 0B240450
Кронштейн транца 2-Х ТАКТНОГО ПЛМ MERCURY 90 Серийный номер от 0A996142 до 0B240450
Маховик и стартер 2-Х ТАКТНОГО ПЛМ MERCURY 90 Серийный номер от 0A996142 до 0B240450
Насос регулировки мощности 2-Х ТАКТНОГО ПЛМ MERCURY 90 Серийный номер от 0A996142 до 0B240450
Пластина фиксации поворота мотора 2-Х ТАКТНОГО ПЛМ MERCURY 90 Серийный номер от 0A996142 до 0B240450
Поворотный кронштейн и рулевой рычаг 2-Х ТАКТНОГО ПЛМ MERCURY 90 Серийный номер от 0A996142 до 0B240450
Стартер (BOSCH) 2-Х ТАКТНОГО ПЛМ MERCURY 90 Серийный номер от 0A996142 до 0B240450
Тахометр 2-Х ТАКТНОГО ПЛМ MERCURY 90 Серийный номер от 0A996142 до 0B240450
Топливный насос 2-Х ТАКТНОГО ПЛМ MERCURY 90 Серийный номер от 0A996142 до 0B240450
Электрические компоненты 2-Х ТАКТНОГО ПЛМ MERCURY 90 Серийный номер от 0A996142 до 0B240450
Аксессуары 2-Х ТАКТНОГО ПЛМ MERCURY 90 Серийный номер от 0B240451 до 0C221999
Блок цилиндров и картер 2-Х ТАКТНОГО ПЛМ MERCURY 90 Серийный номер от 0B240451 до 0C221999
Впускной коллектор и резонатор 2-Х ТАКТНОГО ПЛМ MERCURY 90 Серийный номер от 0B240451 до 0C221999
Выхлопная труба 2-Х ТАКТНОГО ПЛМ MERCURY 90 Серийный номер от 0B240451 до 0C221999
Дроссель и рычаг 2-Х ТАКТНОГО ПЛМ MERCURY 90 Серийный номер от 0B240451 до 0C221999
Капот и передняя крышка 2-Х ТАКТНОГО ПЛМ MERCURY 90 Серийный номер от 0B240451 до 0C221999
Карбюратор 2-Х ТАКТНОГО ПЛМ MERCURY 90 Серийный номер от 0B240451 до 0C221999
Карбюратор и пластина аттенюатора 2-Х ТАКТНОГО ПЛМ MERCURY 90 Серийный номер от 0B240451 до 0C221999
Коленвал, поршни и шатуны (#638-8532--1) 2-Х ТАКТНОГО ПЛМ MERCURY 90 Серийный номер от 0B240451 до 0C221999
Коленвал, поршни и шатуны (#646-818846) 2-Х ТАКТНОГО ПЛМ MERCURY 90 Серийный номер от 0B240451 до 0C221999
Компоненты закачки масла 2-Х ТАКТНОГО ПЛМ MERCURY 90 Серийный номер от 0B240451 до 0C221999
Компоненты ручного управления (с рулевым рычагом) 2-Х ТАКТНОГО ПЛМ MERCURY 90 Серийный номер от 0B240451 до 0C221999
Компоненты ручного управления 2-Х ТАКТНОГО ПЛМ MERCURY 90 Серийный номер от 0B240451 до 0C221999
Компоненты силовой отделки 2-Х ТАКТНОГО ПЛМ MERCURY 90 Серийный номер от 0B240451 до 0C221999
Корпус карданного вала 2-Х ТАКТНОГО ПЛМ MERCURY 90 Серийный номер от 0B240451 до 0C221999
Корпус редуктора (карданный вал) 2-Х ТАКТНОГО ПЛМ MERCURY 90 Серийный номер от 0B240451 до 0C221999
Корпус редуктора (приводной вал) 2-Х ТАКТНОГО ПЛМ MERCURY 90 Серийный номер от 0B240451 до 0C221999
Крепления 2-Х ТАКТНОГО ПЛМ MERCURY 90 Серийный номер от 0B240451 до 0C221999
Кронштейн транца 2-Х ТАКТНОГО ПЛМ MERCURY 90 Серийный номер от 0B240451 до 0C221999
Маховик и стартер 2-Х ТАКТНОГО ПЛМ MERCURY 90 Серийный номер от 0B240451 до 0C221999
Насос регулировки мощности 2-Х ТАКТНОГО ПЛМ MERCURY 90 Серийный номер от 0B240451 до 0C221999
Пластина фиксации поворота мотора 2-Х ТАКТНОГО ПЛМ MERCURY 90 Серийный номер от 0B240451 до 0C221999
Поворотный кронштейн и рулевой рычаг 2-Х ТАКТНОГО ПЛМ MERCURY 90 Серийный номер от 0B240451 до 0C221999
Стартер (BOSCH) 2-Х ТАКТНОГО ПЛМ MERCURY 90 Серийный номер от 0B240451 до 0C221999
Тахометр 2-Х ТАКТНОГО ПЛМ MERCURY 90 Серийный номер от 0B240451 до 0C221999
Топливный насос 2-Х ТАКТНОГО ПЛМ MERCURY 90 Серийный номер от 0B240451 до 0C221999
Электрические компоненты 2-Х ТАКТНОГО ПЛМ MERCURY 90 Серийный номер от 0B240451 до 0C221999
Блок цилиндров и картер 2-Х ТАКТНОГО ПЛМ MERCURY 90 Серийный номер от 0C222000 до 0D283221
Впускной коллектор и резонатор 2-Х ТАКТНОГО ПЛМ MERCURY 90 Серийный номер от 0C222000 до 0D283221
Выхлопная труба 2-Х ТАКТНОГО ПЛМ MERCURY 90 Серийный номер от 0C222000 до 0D283221
Дроссель и рычаг 2-Х ТАКТНОГО ПЛМ MERCURY 90 Серийный номер от 0C222000 до 0D283221
Капот и передняя крышка 2-Х ТАКТНОГО ПЛМ MERCURY 90 Серийный номер от 0C222000 до 0D283221
Коленвал, поршни и шатуны (#638-8532-1) 2-Х ТАКТНОГО ПЛМ MERCURY 90 Серийный номер от 0C222000 до 0D283221
Коленвал, поршни и шатуны (#646-818846) 2-Х ТАКТНОГО ПЛМ MERCURY 90 Серийный номер от 0C222000 до 0D283221
Компоненты закачки масла 2-Х ТАКТНОГО ПЛМ MERCURY 90 Серийный номер от 0C222000 до 0D283221
Компоненты рулевой ручки 2-Х ТАКТНОГО ПЛМ MERCURY 90 Серийный номер от 0C222000 до 0D283221
Компоненты рулевой ручки(с рулевым рычагом) 2-Х ТАКТНОГО ПЛМ MERCURY 90 Серийный номер от 0C222000 до 0D283221
Корпус ведущего вала 2-Х ТАКТНОГО ПЛМ MERCURY 90 Серийный номер от 0C222000 до 0D283221
Корпус шестерни (карданный вал) 2-Х ТАКТНОГО ПЛМ MERCURY 90 Серийный номер от 0C222000 до 0D283221
Корпус шестерни (приводной вал) 2-Х ТАКТНОГО ПЛМ MERCURY 90 Серийный номер от 0C222000 до 0D283221
Крепления 2-Х ТАКТНОГО ПЛМ MERCURY 90 Серийный номер от 0C222000 до 0D283221
Кронштейн транца 2-Х ТАКТНОГО ПЛМ MERCURY 90 Серийный номер от 0C222000 до 0D283221
Маховик и стартер 2-Х ТАКТНОГО ПЛМ MERCURY 90 Серийный номер от 0C222000 до 0D283221
Насос регулировки мощности 2-Х ТАКТНОГО ПЛМ MERCURY 90 Серийный номер от 0C222000 до 0D283221
Пластина аттенюатора 2-Х ТАКТНОГО ПЛМ MERCURY 90 Серийный номер от 0C222000 до 0D283221
Пластина фиксации поворота мотора 2-Х ТАКТНОГО ПЛМ MERCURY 90 Серийный номер от 0C222000 до 0D283221
Поворотный кронштейн и рулевой рычаг (Casting Number 1499-8709C6) 2-Х ТАКТНОГО ПЛМ MERCURY 90 Серийный номер от 0C222000 до 0D283221
Система наклона двигателя, Single Ram (0D252460 и ниже) 2-Х ТАКТНОГО ПЛМ MERCURY 90 Серийный номер от 0C222000 до 0D283221
Система наклона двигателя, Single Ram (0D252461 и выше) 2-Х ТАКТНОГО ПЛМ MERCURY 90 Серийный номер от 0C222000 до 0D283221
Система наклона двигателя, Three Ram (Design I ) 2-Х ТАКТНОГО ПЛМ MERCURY 90 Серийный номер от 0C222000 до 0D283221
Система наклона двигателя, Three Ram (Design II ) 2-Х ТАКТНОГО ПЛМ MERCURY 90 Серийный номер от 0C222000 до 0D283221
Стартер (Bosch) 2-Х ТАКТНОГО ПЛМ MERCURY 90 Серийный номер от 0C222000 до 0D283221
Тахометр 2-Х ТАКТНОГО ПЛМ MERCURY 90 Серийный номер от 0C222000 до 0D283221
Топливный насос (Use With 90 Degree Ceck Valve) 2-Х ТАКТНОГО ПЛМ MERCURY 90 Серийный номер от 0C222000 до 0D283221
Топливный насос (Use With Inline Check Valve) 2-Х ТАКТНОГО ПЛМ MERCURY 90 Серийный номер от 0C222000 до 0D283221
Электрические компоненты 2-Х ТАКТНОГО ПЛМ MERCURY 90 Серийный номер от 0C222000 до 0D283221
Электродвигатель 2-Х ТАКТНОГО ПЛМ MERCURY 90 Серийный номер от 0C222000 до 0D283221
GEAR HOUSING CHART (2.31:1 GEAR RATIO) 2-Х ТАКТНОГО ПЛМ MERCURY 90 Серийный номер от 0D283222 до 0G760299
Manual tilt assist components 2-Х ТАКТНОГО ПЛМ MERCURY 90 Серийный номер от 0D283222 до 0G760299
Аксессуары 2-Х ТАКТНОГО ПЛМ MERCURY 90 Серийный номер от 0D283222 до 0G760299
Блок цилиндров (USA-0G127499/BEL-9836632 и ниже) 2-Х ТАКТНОГО ПЛМ MERCURY 90 Серийный номер от 0D283222 до 0G760299
Блок цилиндров (USA-S/N-0G127500/BEL-9836633 и выше) 2-Х ТАКТНОГО ПЛМ MERCURY 90 Серийный номер от 0D283222 до 0G760299
Верх капота (S/N-USA-0G301750/BEL-9885504 и ниже) 2-Х ТАКТНОГО ПЛМ MERCURY 90 Серийный номер от 0D283222 до 0G760299
Верх капота (S/N-USA-0G301751/BEL-9885505 и выше) 2-Х ТАКТНОГО ПЛМ MERCURY 90 Серийный номер от 0D283222 до 0G760299
Впрыск масла (S/N-USA-0G301750/BEL-9885504 и ниже) 2-Х ТАКТНОГО ПЛМ MERCURY 90 Серийный номер от 0D283222 до 0G760299
Впрыск масла (S/N-USA-0G301751/BEL-9885505 и выше) 2-Х ТАКТНОГО ПЛМ MERCURY 90 Серийный номер от 0D283222 до 0G760299
Впускной коллектор и резонатор 2-Х ТАКТНОГО ПЛМ MERCURY 90 Серийный номер от 0D283222 до 0G760299
Выхлопная труба 2-Х ТАКТНОГО ПЛМ MERCURY 90 Серийный номер от 0D283222 до 0G760299
Гидроподъем (BLACK FILL PLUG)S/N-USA-0G360002/BEL-9934136 и ниже 2-Х ТАКТНОГО ПЛМ MERCURY 90 Серийный номер от 0D283222 до 0G760299
Дроссель и рычаг 2-Х ТАКТНОГО ПЛМ MERCURY 90 Серийный номер от 0D283222 до 0G760299
Инструменты 2-Х ТАКТНОГО ПЛМ MERCURY 90 Серийный номер от 0D283222 до 0G760299
Карбюратор (WME-29/30/31/41/46/47/48/49) 2-Х ТАКТНОГО ПЛМ MERCURY 90 Серийный номер от 0D283222 до 0G760299
Карбюратор (WME-59/60/61/62/75/76/77/78) 2-Х ТАКТНОГО ПЛМ MERCURY 90 Серийный номер от 0D283222 до 0G760299
Ключи 2-Х ТАКТНОГО ПЛМ MERCURY 90 Серийный номер от 0D283222 до 0G760299
Коленвал, поршни и шатуны 2-Х ТАКТНОГО ПЛМ MERCURY 90 Серийный номер от 0D283222 до 0G760299
Компоненты ручного управления (Часть 1) 2-Х ТАКТНОГО ПЛМ MERCURY 90 Серийный номер от 0D283222 до 0G760299
Компоненты ручного управления (Часть 2) 2-Х ТАКТНОГО ПЛМ MERCURY 90 Серийный номер от 0D283222 до 0G760299
Компоненты топливного насоса 2-Х ТАКТНОГО ПЛМ MERCURY 90 Серийный номер от 0D283222 до 0G760299
Корпус карданного вала 2-Х ТАКТНОГО ПЛМ MERCURY 90 Серийный номер от 0D283222 до 0G760299
Корпус шестерни (карданный вал)(3 JAW REVERSE CLUTCH) 2-Х ТАКТНОГО ПЛМ MERCURY 90 Серийный номер от 0D283222 до 0G760299
Корпус шестерни (карданный вал)(6 JAW REVERSE CLUTCH) 2-Х ТАКТНОГО ПЛМ MERCURY 90 Серийный номер от 0D283222 до 0G760299
Корпус шестерни (приводной вал)(3 JAW REVERSE CLUTCH) 2-Х ТАКТНОГО ПЛМ MERCURY 90 Серийный номер от 0D283222 до 0G760299
Корпус шестерни (приводной вал)(6 JAW REVERSE CLUTCH) 2-Х ТАКТНОГО ПЛМ MERCURY 90 Серийный номер от 0D283222 до 0G760299
Кронштейн транца (MANUAL TILT ASSIST) 2-Х ТАКТНОГО ПЛМ MERCURY 90 Серийный номер от 0D283222 до 0G760299
Кронштейн транца (NON POWER TRIM & POWER TRIM) 2-Х ТАКТНОГО ПЛМ MERCURY 90 Серийный номер от 0D283222 до 0G760299
Маховик и стартер (USA-0G437999/BEL-9926999 и ниже) 2-Х ТАКТНОГО ПЛМ MERCURY 90 Серийный номер от 0D283222 до 0G760299
Маховик и стартер (USA-0G438000/BEL-9927000 и выше) 2-Х ТАКТНОГО ПЛМ MERCURY 90 Серийный номер от 0D283222 до 0G760299
Низ капота 2-Х ТАКТНОГО ПЛМ MERCURY 90 Серийный номер от 0D283222 до 0G760299
Пластина аттенюатора 2-Х ТАКТНОГО ПЛМ MERCURY 90 Серийный номер от 0D283222 до 0G760299
Пластина фиксации поворота 2-Х ТАКТНОГО ПЛМ MERCURY 90 Серийный номер от 0D283222 до 0G760299
Поворотный кронштейн и рулевой рычаг 2-Х ТАКТНОГО ПЛМ MERCURY 90 Серийный номер от 0D283222 до 0G760299
Румпель 2-Х ТАКТНОГО ПЛМ MERCURY 90 Серийный номер от 0D283222 до 0G760299
Система прокачки (USA-0G127500/BEL-9836633 и выше) 2-Х ТАКТНОГО ПЛМ MERCURY 90 Серийный номер от 0D283222 до 0G760299
Стартер 2-Х ТАКТНОГО ПЛМ MERCURY 90 Серийный номер от 0D283222 до 0G760299
Стартер в сборе (ручной) 2-Х ТАКТНОГО ПЛМ MERCURY 90 Серийный номер от 0D283222 до 0G760299
Топливный насос 2-Х ТАКТНОГО ПЛМ MERCURY 90 Серийный номер от 0D283222 до 0G760299
Топливный насос в сборе 2-Х ТАКТНОГО ПЛМ MERCURY 90 Серийный номер от 0D283222 до 0G760299
Электрика (USA-0G127499/BEL-9836632 и ниже) 2-Х ТАКТНОГО ПЛМ MERCURY 90 Серийный номер от 0D283222 до 0G760299
Электрика (USA-0G127500 - 0G437999)(BEL-9836633 - 9926999) 2-Х ТАКТНОГО ПЛМ MERCURY 90 Серийный номер от 0D283222 до 0G760299
Электрика (USA-S/N-0G438000/BEL-9937000 и выше) 2-Х ТАКТНОГО ПЛМ MERCURY 90 Серийный номер от 0D283222 до 0G760299
Manual Tilt Assist Componets 2-Х ТАКТНОГО ПЛМ MERCURY 90 Серийный номер от 0G760300 до 0T979999
Аксессуары 2-Х ТАКТНОГО ПЛМ MERCURY 90 Серийный номер от 0G760300 до 0T979999
Блок цилиндров 2-Х ТАКТНОГО ПЛМ MERCURY 90 Серийный номер от 0G760300 до 0T979999
Верх капота 2-Х ТАКТНОГО ПЛМ MERCURY 90 Серийный номер от 0G760300 до 0T979999
Впускной коллектор и резонатор 2-Х ТАКТНОГО ПЛМ MERCURY 90 Серийный номер от 0G760300 до 0T979999
Выхлопная труба(SN USA-0T800999/ BEL-0P267999 и ниже) 2-Х ТАКТНОГО ПЛМ MERCURY 90 Серийный номер от 0G760300 до 0T979999
Выхлопная труба(SN USA-0T801000/ BEL-0P268000 и выше) 2-Х ТАКТНОГО ПЛМ MERCURY 90 Серийный номер от 0G760300 до 0T979999
Дроссель и рычаг 2-Х ТАКТНОГО ПЛМ MERCURY 90 Серийный номер от 0G760300 до 0T979999
Инструменты 2-Х ТАКТНОГО ПЛМ MERCURY 90 Серийный номер от 0G760300 до 0T979999
Карбюратор 2-Х ТАКТНОГО ПЛМ MERCURY 90 Серийный номер от 0G760300 до 0T979999
Ключи 2-Х ТАКТНОГО ПЛМ MERCURY 90 Серийный номер от 0G760300 до 0T979999
Коленвал, поршни и шатуны 2-Х ТАКТНОГО ПЛМ MERCURY 90 Серийный номер от 0G760300 до 0T979999
Компоненты закачки масла 2-Х ТАКТНОГО ПЛМ MERCURY 90 Серийный номер от 0G760300 до 0T979999
Компоненты комплекта прокладок, капитального ремонта 2-Х ТАКТНОГО ПЛМ MERCURY 90 Серийный номер от 0G760300 до 0T979999
Компоненты насоса топлива 2-Х ТАКТНОГО ПЛМ MERCURY 90 Серийный номер от 0G760300 до 0T979999
Компоненты ручного управления 2-Х ТАКТНОГО ПЛМ MERCURY 90 Серийный номер от 0G760300 до 0T979999
Компоненты силовой отделки 2-Х ТАКТНОГО ПЛМ MERCURY 90 Серийный номер от 0G760300 до 0T979999
Корпус ведущего вала(USA 0T801000/ BEL 0P268000 и выше) 2-Х ТАКТНОГО ПЛМ MERCURY 90 Серийный номер от 0G760300 до 0T979999
Корпус шестерни, Drive 2.31:1 USA 0T627235/BEL 0P215669 и выше 2-Х ТАКТНОГО ПЛМ MERCURY 90 Серийный номер от 0G760300 до 0T979999
Корпус шестерни, Drive 2.31:1 USA0T627234/BEL0P215631 и ниже 2-Х ТАКТНОГО ПЛМ MERCURY 90 Серийный номер от 0G760300 до 0T979999
Корпус шестерни, Prop 2.31:1 USA 0T627235/BEL 0P215669 и выше 2-Х ТАКТНОГО ПЛМ MERCURY 90 Серийный номер от 0G760300 до 0T979999
Корпус шестерни, Prop 2.31:1 USA0T627234/BEL0P215631 и ниже 2-Х ТАКТНОГО ПЛМ MERCURY 90 Серийный номер от 0G760300 до 0T979999
Кронштейн транца(SN- USA 0T800999/ BEL 0P267999 и ниже) 2-Х ТАКТНОГО ПЛМ MERCURY 90 Серийный номер от 0G760300 до 0T979999
Кронштейн транца(SN- USA 0T801000/ BEL 0P268000 и выше) 2-Х ТАКТНОГО ПЛМ MERCURY 90 Серийный номер от 0G760300 до 0T979999
Маховик и стартер 2-Х ТАКТНОГО ПЛМ MERCURY 90 Серийный номер от 0G760300 до 0T979999
Низ капота 2-Х ТАКТНОГО ПЛМ MERCURY 90 Серийный номер от 0G760300 до 0T979999
Пластина аттенюатора 2-Х ТАКТНОГО ПЛМ MERCURY 90 Серийный номер от 0G760300 до 0T979999
Пластина фиксации поворота мотора 2-Х ТАКТНОГО ПЛМ MERCURY 90 Серийный номер от 0G760300 до 0T979999
Поворотный кронштейн и рулевой рычаг 2-Х ТАКТНОГО ПЛМ MERCURY 90 Серийный номер от 0G760300 до 0T979999
Рукоятка рулевого управления 2-Х ТАКТНОГО ПЛМ MERCURY 90 Серийный номер от 0G760300 до 0T979999
Румпель 2-Х ТАКТНОГО ПЛМ MERCURY 90 Серийный номер от 0G760300 до 0T979999
Система прокачки 2-Х ТАКТНОГО ПЛМ MERCURY 90 Серийный номер от 0G760300 до 0T979999
Стартер 2-Х ТАКТНОГО ПЛМ MERCURY 90 Серийный номер от 0G760300 до 0T979999
Стартер в сборе (ручной) 2-Х ТАКТНОГО ПЛМ MERCURY 90 Серийный номер от 0G760300 до 0T979999
Топливный насос 2-Х ТАКТНОГО ПЛМ MERCURY 90 Серийный номер от 0G760300 до 0T979999
Топливный насос в сборе 2-Х ТАКТНОГО ПЛМ MERCURY 90 Серийный номер от 0G760300 до 0T979999
Электрические компоненты 2-Х ТАКТНОГО ПЛМ MERCURY 90 Серийный номер от 0G760300 до 0T979999
Manual Tilt Assist Componets 2-Х ТАКТНОГО ПЛМ MERCURY 90 Серийный номер от 0P017000 до 0P325499
Аксессуары 2-Х ТАКТНОГО ПЛМ MERCURY 90 Серийный номер от 0P017000 до 0P325499
Блок цилиндров 2-Х ТАКТНОГО ПЛМ MERCURY 90 Серийный номер от 0P017000 до 0P325499
Верх капота 2-Х ТАКТНОГО ПЛМ MERCURY 90 Серийный номер от 0P017000 до 0P325499
Впускной коллектор и резонатор 2-Х ТАКТНОГО ПЛМ MERCURY 90 Серийный номер от 0P017000 до 0P325499
Выхлопная труба(SN USA-0T800999/ BEL-0P267999 и ниже) 2-Х ТАКТНОГО ПЛМ MERCURY 90 Серийный номер от 0P017000 до 0P325499
Выхлопная труба(SN USA-0T801000/ BEL-0P268000 и выше) 2-Х ТАКТНОГО ПЛМ MERCURY 90 Серийный номер от 0P017000 до 0P325499
Дроссель и рычаг 2-Х ТАКТНОГО ПЛМ MERCURY 90 Серийный номер от 0P017000 до 0P325499
Инструменты 2-Х ТАКТНОГО ПЛМ MERCURY 90 Серийный номер от 0P017000 до 0P325499
Карбюратор 2-Х ТАКТНОГО ПЛМ MERCURY 90 Серийный номер от 0P017000 до 0P325499
Ключи 2-Х ТАКТНОГО ПЛМ MERCURY 90 Серийный номер от 0P017000 до 0P325499
Коленвал, поршни и шатуны 2-Х ТАКТНОГО ПЛМ MERCURY 90 Серийный номер от 0P017000 до 0P325499
Компоненты закачки масла 2-Х ТАКТНОГО ПЛМ MERCURY 90 Серийный номер от 0P017000 до 0P325499
Компоненты комплекта прокладок, капитального ремонта 2-Х ТАКТНОГО ПЛМ MERCURY 90 Серийный номер от 0P017000 до 0P325499
Компоненты насоса топлива 2-Х ТАКТНОГО ПЛМ MERCURY 90 Серийный номер от 0P017000 до 0P325499
Компоненты ручного управления 2-Х ТАКТНОГО ПЛМ MERCURY 90 Серийный номер от 0P017000 до 0P325499
Компоненты силовой отделки 2-Х ТАКТНОГО ПЛМ MERCURY 90 Серийный номер от 0P017000 до 0P325499
Корпус ведущего вала(USA 0T801000/ BEL 0P268000 и выше) 2-Х ТАКТНОГО ПЛМ MERCURY 90 Серийный номер от 0P017000 до 0P325499
Корпус шестерни, Drive 2.31:1 USA 0T627235/BEL 0P215669 и выше 2-Х ТАКТНОГО ПЛМ MERCURY 90 Серийный номер от 0P017000 до 0P325499
Корпус шестерни, Drive 2.31:1 USA0T627234/BEL0P215631 и ниже 2-Х ТАКТНОГО ПЛМ MERCURY 90 Серийный номер от 0P017000 до 0P325499
Корпус шестерни, Prop 2.31:1 USA 0T627235/BEL 0P215669 и выше 2-Х ТАКТНОГО ПЛМ MERCURY 90 Серийный номер от 0P017000 до 0P325499
Корпус шестерни, Prop 2.31:1 USA0T627234/BEL0P215631 и ниже 2-Х ТАКТНОГО ПЛМ MERCURY 90 Серийный номер от 0P017000 до 0P325499
Кронштейн транца(SN- USA 0T800999/ BEL 0P267999 и ниже) 2-Х ТАКТНОГО ПЛМ MERCURY 90 Серийный номер от 0P017000 до 0P325499
Кронштейн транца(SN- USA 0T801000/ BEL 0P268000 и выше) 2-Х ТАКТНОГО ПЛМ MERCURY 90 Серийный номер от 0P017000 до 0P325499
Маховик и стартер 2-Х ТАКТНОГО ПЛМ MERCURY 90 Серийный номер от 0P017000 до 0P325499
Низ капота 2-Х ТАКТНОГО ПЛМ MERCURY 90 Серийный номер от 0P017000 до 0P325499
Пластина аттенюатора 2-Х ТАКТНОГО ПЛМ MERCURY 90 Серийный номер от 0P017000 до 0P325499
Пластина фиксации поворота мотора 2-Х ТАКТНОГО ПЛМ MERCURY 90 Серийный номер от 0P017000 до 0P325499
Поворотный кронштейн и рулевой рычаг 2-Х ТАКТНОГО ПЛМ MERCURY 90 Серийный номер от 0P017000 до 0P325499
Рукоятка рулевого управления 2-Х ТАКТНОГО ПЛМ MERCURY 90 Серийный номер от 0P017000 до 0P325499
Румпель 2-Х ТАКТНОГО ПЛМ MERCURY 90 Серийный номер от 0P017000 до 0P325499
Система прокачки 2-Х ТАКТНОГО ПЛМ MERCURY 90 Серийный номер от 0P017000 до 0P325499
Стартер 2-Х ТАКТНОГО ПЛМ MERCURY 90 Серийный номер от 0P017000 до 0P325499
Стартер в сборе (ручной) 2-Х ТАКТНОГО ПЛМ MERCURY 90 Серийный номер от 0P017000 до 0P325499
Топливный насос в сборе 2-Х ТАКТНОГО ПЛМ MERCURY 90 Серийный номер от 0P017000 до 0P325499
Электрические компоненты 2-Х ТАКТНОГО ПЛМ MERCURY 90 Серийный номер от 0P017000 до 0P325499
Manual Tilt Assist Components 2-Х ТАКТНОГО ПЛМ MERCURY 90 Серийный номер от 0P325500 и выше
Аксессуары 2-Х ТАКТНОГО ПЛМ MERCURY 90 Серийный номер от 0P325500 и выше
Блок цилиндров 2-Х ТАКТНОГО ПЛМ MERCURY 90 Серийный номер от 0P325500 и выше
Верх капота 2-Х ТАКТНОГО ПЛМ MERCURY 90 Серийный номер от 0P325500 и выше
Впускной коллектор и резонатор 2-Х ТАКТНОГО ПЛМ MERCURY 90 Серийный номер от 0P325500 и выше
Выхлопная труба 2-Х ТАКТНОГО ПЛМ MERCURY 90 Серийный номер от 0P325500 и выше
Дроссель и рычаг 2-Х ТАКТНОГО ПЛМ MERCURY 90 Серийный номер от 0P325500 и выше
Инструменты 2-Х ТАКТНОГО ПЛМ MERCURY 90 Серийный номер от 0P325500 и выше
Карбюратор 2-Х ТАКТНОГО ПЛМ MERCURY 90 Серийный номер от 0P325500 и выше
Ключи 2-Х ТАКТНОГО ПЛМ MERCURY 90 Серийный номер от 0P325500 и выше
Коленвал, поршни и шатуны 2-Х ТАКТНОГО ПЛМ MERCURY 90 Серийный номер от 0P325500 и выше
Компоненты закачки масла 2-Х ТАКТНОГО ПЛМ MERCURY 90 Серийный номер от 0P325500 и выше
Компоненты комплекта прокладок, капитального ремонта 2-Х ТАКТНОГО ПЛМ MERCURY 90 Серийный номер от 0P325500 и выше
Компоненты ручного управления 2-Х ТАКТНОГО ПЛМ MERCURY 90 Серийный номер от 0P325500 и выше
Компоненты топливного насоса 2-Х ТАКТНОГО ПЛМ MERCURY 90 Серийный номер от 0P325500 и выше
Корпус карданного вала 2-Х ТАКТНОГО ПЛМ MERCURY 90 Серийный номер от 0P325500 и выше
Корпус шестерни (карданный вал 2.31:1 передаточное число) 2-Х ТАКТНОГО ПЛМ MERCURY 90 Серийный номер от 0P325500 и выше
Кронштейн транца 2-Х ТАКТНОГО ПЛМ MERCURY 90 Серийный номер от 0P325500 и выше
Маховик и стартер 2-Х ТАКТНОГО ПЛМ MERCURY 90 Серийный номер от 0P325500 и выше
Низ капота 2-Х ТАКТНОГО ПЛМ MERCURY 90 Серийный номер от 0P325500 и выше
Пластина аттенюатора 2-Х ТАКТНОГО ПЛМ MERCURY 90 Серийный номер от 0P325500 и выше
Пластина фиксации поворота мотора 2-Х ТАКТНОГО ПЛМ MERCURY 90 Серийный номер от 0P325500 и выше
Поворотный кронштейн и рулевой рычаг 2-Х ТАКТНОГО ПЛМ MERCURY 90 Серийный номер от 0P325500 и выше
Румпель 2-Х ТАКТНОГО ПЛМ MERCURY 90 Серийный номер от 0P325500 и выше
Ручное управление 2-Х ТАКТНОГО ПЛМ MERCURY 90 Серийный номер от 0P325500 и выше
Система наклона двигателя 2-Х ТАКТНОГО ПЛМ MERCURY 90 Серийный номер от 0P325500 и выше
Система прокачки 2-Х ТАКТНОГО ПЛМ MERCURY 90 Серийный номер от 0P325500 и выше
Стартер в сборе (ручной) 2-Х ТАКТНОГО ПЛМ MERCURY 90 Серийный номер от 0P325500 и выше
Стартер, сервис 2-Х ТАКТНОГО ПЛМ MERCURY 90 Серийный номер от 0P325500 и выше
Топливный насос 2-Х ТАКТНОГО ПЛМ MERCURY 90 Серийный номер от 0P325500 и выше
Топливный насос в сборе 2-Х ТАКТНОГО ПЛМ MERCURY 90 Серийный номер от 0P325500 и выше
Электрические компоненты 2-Х ТАКТНОГО ПЛМ MERCURY 90 Серийный номер от 0P325500 и выше
Manual Tilt Assist Components 2-Х ТАКТНОГО ПЛМ MERCURY 90 Серийный номер от 0T980000 до 0T999999
Аксессуары 2-Х ТАКТНОГО ПЛМ MERCURY 90 Серийный номер от 0T980000 до 0T999999
Блок цилиндров 2-Х ТАКТНОГО ПЛМ MERCURY 90 Серийный номер от 0T980000 до 0T999999
Верх капота 2-Х ТАКТНОГО ПЛМ MERCURY 90 Серийный номер от 0T980000 до 0T999999
Впускной коллектор и резонатор 2-Х ТАКТНОГО ПЛМ MERCURY 90 Серийный номер от 0T980000 до 0T999999
Выхлопная труба 2-Х ТАКТНОГО ПЛМ MERCURY 90 Серийный номер от 0T980000 до 0T999999
Дроссель и рычаг 2-Х ТАКТНОГО ПЛМ MERCURY 90 Серийный номер от 0T980000 до 0T999999
Инструменты 2-Х ТАКТНОГО ПЛМ MERCURY 90 Серийный номер от 0T980000 до 0T999999
Карбюратор 2-Х ТАКТНОГО ПЛМ MERCURY 90 Серийный номер от 0T980000 до 0T999999
Коленвал, поршни и шатуны 2-Х ТАКТНОГО ПЛМ MERCURY 90 Серийный номер от 0T980000 до 0T999999
Компоненты закачки масла 2-Х ТАКТНОГО ПЛМ MERCURY 90 Серийный номер от 0T980000 до 0T999999
Компоненты комплекта прокладок, капитального ремонта 2-Х ТАКТНОГО ПЛМ MERCURY 90 Серийный номер от 0T980000 до 0T999999
Компоненты ручного управления 2-Х ТАКТНОГО ПЛМ MERCURY 90 Серийный номер от 0T980000 до 0T999999
Компоненты топливного насоса 2-Х ТАКТНОГО ПЛМ MERCURY 90 Серийный номер от 0T980000 до 0T999999
Корпус карданного вала 2-Х ТАКТНОГО ПЛМ MERCURY 90 Серийный номер от 0T980000 до 0T999999
Корпус шестерни (карданный вал 2.31:1 передаточное число) 2-Х ТАКТНОГО ПЛМ MERCURY 90 Серийный номер от 0T980000 до 0T999999
Корпус шестерни (приводной вал 2.31:1) 2-Х ТАКТНОГО ПЛМ MERCURY 90 Серийный номер от 0T980000 до 0T999999
Кронштейн транца 2-Х ТАКТНОГО ПЛМ MERCURY 90 Серийный номер от 0T980000 до 0T999999
Маховик и стартер 2-Х ТАКТНОГО ПЛМ MERCURY 90 Серийный номер от 0T980000 до 0T999999
Низ капота 2-Х ТАКТНОГО ПЛМ MERCURY 90 Серийный номер от 0T980000 до 0T999999
Пластина аттенюатора 2-Х ТАКТНОГО ПЛМ MERCURY 90 Серийный номер от 0T980000 до 0T999999
Пластина фиксации поворота мотора 2-Х ТАКТНОГО ПЛМ MERCURY 90 Серийный номер от 0T980000 до 0T999999
Поворотный кронштейн и рулевой рычаг 2-Х ТАКТНОГО ПЛМ MERCURY 90 Серийный номер от 0T980000 до 0T999999
Румпель 2-Х ТАКТНОГО ПЛМ MERCURY 90 Серийный номер от 0T980000 до 0T999999
Ручное управление 2-Х ТАКТНОГО ПЛМ MERCURY 90 Серийный номер от 0T980000 до 0T999999
Система наклона двигателя 2-Х ТАКТНОГО ПЛМ MERCURY 90 Серийный номер от 0T980000 до 0T999999
Система прокачки 2-Х ТАКТНОГО ПЛМ MERCURY 90 Серийный номер от 0T980000 до 0T999999
Стартер в сборе (ручной) 2-Х ТАКТНОГО ПЛМ MERCURY 90 Серийный номер от 0T980000 до 0T999999
Стартер, сервис 2-Х ТАКТНОГО ПЛМ MERCURY 90 Серийный номер от 0T980000 до 0T999999
Топливный насос 2-Х ТАКТНОГО ПЛМ MERCURY 90 Серийный номер от 0T980000 до 0T999999
Топливный насос в сборе 2-Х ТАКТНОГО ПЛМ MERCURY 90 Серийный номер от 0T980000 до 0T999999
Электрические компоненты 2-Х ТАКТНОГО ПЛМ MERCURY 90 Серийный номер от 0T980000 до 0T999999
Manual Tilt Assist Components 2-Х ТАКТНОГО ПЛМ MERCURY 90 Серийный номер от 1B000001 и выше
Аксессуары 2-Х ТАКТНОГО ПЛМ MERCURY 90 Серийный номер от 1B000001 и выше
Блок цилиндров 2-Х ТАКТНОГО ПЛМ MERCURY 90 Серийный номер от 1B000001 и выше
Верх капота 2-Х ТАКТНОГО ПЛМ MERCURY 90 Серийный номер от 1B000001 и выше
Впускной коллектор и резонатор 2-Х ТАКТНОГО ПЛМ MERCURY 90 Серийный номер от 1B000001 и выше
Выхлопная труба 2-Х ТАКТНОГО ПЛМ MERCURY 90 Серийный номер от 1B000001 и выше
Дроссель и рычаг 2-Х ТАКТНОГО ПЛМ MERCURY 90 Серийный номер от 1B000001 и выше
Инструменты 2-Х ТАКТНОГО ПЛМ MERCURY 90 Серийный номер от 1B000001 и выше
Карбюратор 2-Х ТАКТНОГО ПЛМ MERCURY 90 Серийный номер от 1B000001 и выше
Ключи 2-Х ТАКТНОГО ПЛМ MERCURY 90 Серийный номер от 1B000001 и выше
Коленвал, поршни и шатуны 2-Х ТАКТНОГО ПЛМ MERCURY 90 Серийный номер от 1B000001 и выше
Компоненты закачки масла 2-Х ТАКТНОГО ПЛМ MERCURY 90 Серийный номер от 1B000001 и выше
Компоненты комплекта прокладок, капитального ремонта 2-Х ТАКТНОГО ПЛМ MERCURY 90 Серийный номер от 1B000001 и выше
Компоненты ручного управления 2-Х ТАКТНОГО ПЛМ MERCURY 90 Серийный номер от 1B000001 и выше
Компоненты топливного насоса 2-Х ТАКТНОГО ПЛМ MERCURY 90 Серийный номер от 1B000001 и выше
Корпус карданного вала 2-Х ТАКТНОГО ПЛМ MERCURY 90 Серийный номер от 1B000001 и выше
Корпус шестерни (карданный вал 2.31:1 передаточное число) 2-Х ТАКТНОГО ПЛМ MERCURY 90 Серийный номер от 1B000001 и выше
Корпус шестерни (приводной вал 2.31:1) 2-Х ТАКТНОГО ПЛМ MERCURY 90 Серийный номер от 1B000001 и выше
Кронштейн транца 2-Х ТАКТНОГО ПЛМ MERCURY 90 Серийный номер от 1B000001 и выше
Маховик и стартер 2-Х ТАКТНОГО ПЛМ MERCURY 90 Серийный номер от 1B000001 и выше
Низ капота 2-Х ТАКТНОГО ПЛМ MERCURY 90 Серийный номер от 1B000001 и выше
Пластина аттенюатора 2-Х ТАКТНОГО ПЛМ MERCURY 90 Серийный номер от 1B000001 и выше
Пластина фиксации поворота мотора 2-Х ТАКТНОГО ПЛМ MERCURY 90 Серийный номер от 1B000001 и выше
Поворотный кронштейн и рулевой рычаг 2-Х ТАКТНОГО ПЛМ MERCURY 90 Серийный номер от 1B000001 и выше
Румпель 2-Х ТАКТНОГО ПЛМ MERCURY 90 Серийный номер от 1B000001 и выше
Ручное управление 2-Х ТАКТНОГО ПЛМ MERCURY 90 Серийный номер от 1B000001 и выше
Система наклона двигателя 2-Х ТАКТНОГО ПЛМ MERCURY 90 Серийный номер от 1B000001 и выше
Система прокачки 2-Х ТАКТНОГО ПЛМ MERCURY 90 Серийный номер от 1B000001 и выше
Стартер в сборе (ручной) 2-Х ТАКТНОГО ПЛМ MERCURY 90 Серийный номер от 1B000001 и выше
Стартер, сервис 2-Х ТАКТНОГО ПЛМ MERCURY 90 Серийный номер от 1B000001 и выше
Топливный насос 2-Х ТАКТНОГО ПЛМ MERCURY 90 Серийный номер от 1B000001 и выше
Топливный насос в сборе 2-Х ТАКТНОГО ПЛМ MERCURY 90 Серийный номер от 1B000001 и выше
Электрические компоненты 2-Х ТАКТНОГО ПЛМ MERCURY 90 Серийный номер от 1B000001 и выше
Аксессуары 2-Х ТАКТНОГО ПЛМ MERCURY 90 Серийный номер от 9483121 до 9506480
Блок цилиндров и картер 2-Х ТАКТНОГО ПЛМ MERCURY 90 Серийный номер от 9483121 до 9506480
Впускной коллектор и резонатор 2-Х ТАКТНОГО ПЛМ MERCURY 90 Серийный номер от 9483121 до 9506480
Выхлопная труба 2-Х ТАКТНОГО ПЛМ MERCURY 90 Серийный номер от 9483121 до 9506480
Дроссель и рычаг 2-Х ТАКТНОГО ПЛМ MERCURY 90 Серийный номер от 9483121 до 9506480
Капот и передняя крышка 2-Х ТАКТНОГО ПЛМ MERCURY 90 Серийный номер от 9483121 до 9506480
Карбюратор 2-Х ТАКТНОГО ПЛМ MERCURY 90 Серийный номер от 9483121 до 9506480
Карбюратор и пластина аттенюатора 2-Х ТАКТНОГО ПЛМ MERCURY 90 Серийный номер от 9483121 до 9506480
Коленвал, поршни и шатуны (#638-8532--1) 2-Х ТАКТНОГО ПЛМ MERCURY 90 Серийный номер от 9483121 до 9506480
Коленвал, поршни и шатуны (#646-818846) (Часть 2) 2-Х ТАКТНОГО ПЛМ MERCURY 90 Серийный номер от 9483121 до 9506480
Компоненты закачки масла 2-Х ТАКТНОГО ПЛМ MERCURY 90 Серийный номер от 9483121 до 9506480
Компоненты ручного управления (Часть 1) 2-Х ТАКТНОГО ПЛМ MERCURY 90 Серийный номер от 9483121 до 9506480
Компоненты ручного управления (Часть 2) 2-Х ТАКТНОГО ПЛМ MERCURY 90 Серийный номер от 9483121 до 9506480
Компоненты силовой отделки 2-Х ТАКТНОГО ПЛМ MERCURY 90 Серийный номер от 9483121 до 9506480
Корпус карданного вала 2-Х ТАКТНОГО ПЛМ MERCURY 90 Серийный номер от 9483121 до 9506480
Корпус редуктора (карданный вал) 2-Х ТАКТНОГО ПЛМ MERCURY 90 Серийный номер от 9483121 до 9506480
Корпус редуктора (приводной вал) 2-Х ТАКТНОГО ПЛМ MERCURY 90 Серийный номер от 9483121 до 9506480
Крепления 2-Х ТАКТНОГО ПЛМ MERCURY 90 Серийный номер от 9483121 до 9506480
Кронштейн транца 2-Х ТАКТНОГО ПЛМ MERCURY 90 Серийный номер от 9483121 до 9506480
Маховик и стартер 2-Х ТАКТНОГО ПЛМ MERCURY 90 Серийный номер от 9483121 до 9506480
Насос регулировки мощности 2-Х ТАКТНОГО ПЛМ MERCURY 90 Серийный номер от 9483121 до 9506480
Пластина фиксации поворота мотора 2-Х ТАКТНОГО ПЛМ MERCURY 90 Серийный номер от 9483121 до 9506480
Поворотный кронштейн и рулевой рычаг 2-Х ТАКТНОГО ПЛМ MERCURY 90 Серийный номер от 9483121 до 9506480
Стартер (BOSCH) 2-Х ТАКТНОГО ПЛМ MERCURY 90 Серийный номер от 9483121 до 9506480
Тахометр 2-Х ТАКТНОГО ПЛМ MERCURY 90 Серийный номер от 9483121 до 9506480
Топливный насос 2-Х ТАКТНОГО ПЛМ MERCURY 90 Серийный номер от 9483121 до 9506480
Электрические компоненты 2-Х ТАКТНОГО ПЛМ MERCURY 90 Серийный номер от 9483121 до 9506480
Аксессуары 2-Х ТАКТНОГО ПЛМ MERCURY 90 Серийный номер от 9506481 до 9589038
Блок цилиндров и картер 2-Х ТАКТНОГО ПЛМ MERCURY 90 Серийный номер от 9506481 до 9589038
Впускной коллектор и резонатор 2-Х ТАКТНОГО ПЛМ MERCURY 90 Серийный номер от 9506481 до 9589038
Выхлопная труба 2-Х ТАКТНОГО ПЛМ MERCURY 90 Серийный номер от 9506481 до 9589038
Дроссель и рычаг 2-Х ТАКТНОГО ПЛМ MERCURY 90 Серийный номер от 9506481 до 9589038
Капот и передняя крышка 2-Х ТАКТНОГО ПЛМ MERCURY 90 Серийный номер от 9506481 до 9589038
Карбюратор 2-Х ТАКТНОГО ПЛМ MERCURY 90 Серийный номер от 9506481 до 9589038
Карбюратор и пластина аттенюатора 2-Х ТАКТНОГО ПЛМ MERCURY 90 Серийный номер от 9506481 до 9589038
Коленвал, поршни и шатуны (#638-8532--1) 2-Х ТАКТНОГО ПЛМ MERCURY 90 Серийный номер от 9506481 до 9589038
Коленвал, поршни и шатуны (#646-818846) 2-Х ТАКТНОГО ПЛМ MERCURY 90 Серийный номер от 9506481 до 9589038
Компоненты закачки масла 2-Х ТАКТНОГО ПЛМ MERCURY 90 Серийный номер от 9506481 до 9589038
Компоненты ручного управления (с рулевым рычагом) 2-Х ТАКТНОГО ПЛМ MERCURY 90 Серийный номер от 9506481 до 9589038
Компоненты ручного управления 2-Х ТАКТНОГО ПЛМ MERCURY 90 Серийный номер от 9506481 до 9589038
Компоненты силовой отделки 2-Х ТАКТНОГО ПЛМ MERCURY 90 Серийный номер от 9506481 до 9589038
Корпус карданного вала 2-Х ТАКТНОГО ПЛМ MERCURY 90 Серийный номер от 9506481 до 9589038
Корпус редуктора (карданный вал) 2-Х ТАКТНОГО ПЛМ MERCURY 90 Серийный номер от 9506481 до 9589038
Корпус редуктора (приводной вал) 2-Х ТАКТНОГО ПЛМ MERCURY 90 Серийный номер от 9506481 до 9589038
Крепления 2-Х ТАКТНОГО ПЛМ MERCURY 90 Серийный номер от 9506481 до 9589038
Кронштейн транца 2-Х ТАКТНОГО ПЛМ MERCURY 90 Серийный номер от 9506481 до 9589038
Маховик и стартер 2-Х ТАКТНОГО ПЛМ MERCURY 90 Серийный номер от 9506481 до 9589038
Насос регулировки мощности 2-Х ТАКТНОГО ПЛМ MERCURY 90 Серийный номер от 9506481 до 9589038
Пластина фиксации поворота мотора 2-Х ТАКТНОГО ПЛМ MERCURY 90 Серийный номер от 9506481 до 9589038
Поворотный кронштейн и рулевой рычаг 2-Х ТАКТНОГО ПЛМ MERCURY 90 Серийный номер от 9506481 до 9589038
Стартер (BOSCH) 2-Х ТАКТНОГО ПЛМ MERCURY 90 Серийный номер от 9506481 до 9589038
Тахометр 2-Х ТАКТНОГО ПЛМ MERCURY 90 Серийный номер от 9506481 до 9589038
Топливный насос 2-Х ТАКТНОГО ПЛМ MERCURY 90 Серийный номер от 9506481 до 9589038
Электрические компоненты 2-Х ТАКТНОГО ПЛМ MERCURY 90 Серийный номер от 9506481 до 9589038
Блок цилиндров и картер 2-Х ТАКТНОГО ПЛМ MERCURY 90 Серийный номер от 9589039 до 9793576
Впускной коллектор и резонатор 2-Х ТАКТНОГО ПЛМ MERCURY 90 Серийный номер от 9589039 до 9793576
Выхлопная труба 2-Х ТАКТНОГО ПЛМ MERCURY 90 Серийный номер от 9589039 до 9793576
Дроссель и рычаг 2-Х ТАКТНОГО ПЛМ MERCURY 90 Серийный номер от 9589039 до 9793576
Капот и передняя крышка 2-Х ТАКТНОГО ПЛМ MERCURY 90 Серийный номер от 9589039 до 9793576
Карбюратор 2-Х ТАКТНОГО ПЛМ MERCURY 90 Серийный номер от 9589039 до 9793576
Коленвал, поршни и шатуны (#638-8532-1) 2-Х ТАКТНОГО ПЛМ MERCURY 90 Серийный номер от 9589039 до 9793576
Коленвал, поршни и шатуны (#646-818846) 2-Х ТАКТНОГО ПЛМ MERCURY 90 Серийный номер от 9589039 до 9793576
Компоненты закачки масла 2-Х ТАКТНОГО ПЛМ MERCURY 90 Серийный номер от 9589039 до 9793576
Компоненты рулевой ручки 2-Х ТАКТНОГО ПЛМ MERCURY 90 Серийный номер от 9589039 до 9793576
Компоненты рулевой ручки(с рулевым рычагом) 2-Х ТАКТНОГО ПЛМ MERCURY 90 Серийный номер от 9589039 до 9793576
Корпус ведущего вала 2-Х ТАКТНОГО ПЛМ MERCURY 90 Серийный номер от 9589039 до 9793576
Корпус шестерни (карданный вал) 2-Х ТАКТНОГО ПЛМ MERCURY 90 Серийный номер от 9589039 до 9793576
Корпус шестерни (приводной вал) 2-Х ТАКТНОГО ПЛМ MERCURY 90 Серийный номер от 9589039 до 9793576
Крепления 2-Х ТАКТНОГО ПЛМ MERCURY 90 Серийный номер от 9589039 до 9793576
Кронштейн транца 2-Х ТАКТНОГО ПЛМ MERCURY 90 Серийный номер от 9589039 до 9793576
Маховик и стартер 2-Х ТАКТНОГО ПЛМ MERCURY 90 Серийный номер от 9589039 до 9793576
Насос регулировки мощности 2-Х ТАКТНОГО ПЛМ MERCURY 90 Серийный номер от 9589039 до 9793576
Пластина аттенюатора 2-Х ТАКТНОГО ПЛМ MERCURY 90 Серийный номер от 9589039 до 9793576
Пластина фиксации поворота мотора 2-Х ТАКТНОГО ПЛМ MERCURY 90 Серийный номер от 9589039 до 9793576
Поворотный кронштейн и рулевой рычаг (Casting Number 1499-8709C6) 2-Х ТАКТНОГО ПЛМ MERCURY 90 Серийный номер от 9589039 до 9793576
Поворотный кронштейн и рулевой рычаг(Casting Number 1499-8709C5) 2-Х ТАКТНОГО ПЛМ MERCURY 90 Серийный номер от 9589039 до 9793576
Система наклона двигателя, Single Ram (0D252460 и ниже) 2-Х ТАКТНОГО ПЛМ MERCURY 90 Серийный номер от 9589039 до 9793576
Система наклона двигателя, Single Ram (0D252461 и выше) 2-Х ТАКТНОГО ПЛМ MERCURY 90 Серийный номер от 9589039 до 9793576
Система наклона двигателя, Three Ram (Design I ) 2-Х ТАКТНОГО ПЛМ MERCURY 90 Серийный номер от 9589039 до 9793576
Стартер (Bosch) 2-Х ТАКТНОГО ПЛМ MERCURY 90 Серийный номер от 9589039 до 9793576
Тахометр 2-Х ТАКТНОГО ПЛМ MERCURY 90 Серийный номер от 9589039 до 9793576
Топливный насос (Use With 90 Degree Ceck Valve) 2-Х ТАКТНОГО ПЛМ MERCURY 90 Серийный номер от 9589039 до 9793576
Топливный насос (Use With Inline Check Valve) 2-Х ТАКТНОГО ПЛМ MERCURY 90 Серийный номер от 9589039 до 9793576
Электрические компоненты 2-Х ТАКТНОГО ПЛМ MERCURY 90 Серийный номер от 9589039 до 9793576
Электродвигатель 2-Х ТАКТНОГО ПЛМ MERCURY 90 Серийный номер от 9589039 до 9793576
GEAR HOUSING CHART (2.31:1 GEAR RATIO) 2-Х ТАКТНОГО ПЛМ MERCURY 90 Серийный номер от 9793577 до 0P016999
Manual tilt assist components 2-Х ТАКТНОГО ПЛМ MERCURY 90 Серийный номер от 9793577 до 0P016999
Блок цилиндров (USA-0G127499/BEL-9836632 и ниже) 2-Х ТАКТНОГО ПЛМ MERCURY 90 Серийный номер от 9793577 до 0P016999
Верх капота (S/N-USA-0G301750/BEL-9885504 и ниже) 2-Х ТАКТНОГО ПЛМ MERCURY 90 Серийный номер от 9793577 до 0P016999
Верх капота (S/N-USA-0G301751/BEL-9885505 и выше) 2-Х ТАКТНОГО ПЛМ MERCURY 90 Серийный номер от 9793577 до 0P016999
Впрыск масла (S/N-USA-0G301750/BEL-9885504 и ниже) 2-Х ТАКТНОГО ПЛМ MERCURY 90 Серийный номер от 9793577 до 0P016999
Впрыск масла (S/N-USA-0G301751/BEL-9885505 и выше) 2-Х ТАКТНОГО ПЛМ MERCURY 90 Серийный номер от 9793577 до 0P016999
Впускной коллектор и резонатор 2-Х ТАКТНОГО ПЛМ MERCURY 90 Серийный номер от 9793577 до 0P016999
Выхлопная труба 2-Х ТАКТНОГО ПЛМ MERCURY 90 Серийный номер от 9793577 до 0P016999
Гидроподъем (BLACK FILL PLUG)S/N-USA-0G360002/BEL-9934136 и ниже 2-Х ТАКТНОГО ПЛМ MERCURY 90 Серийный номер от 9793577 до 0P016999
Дроссель и рычаг 2-Х ТАКТНОГО ПЛМ MERCURY 90 Серийный номер от 9793577 до 0P016999
Инструменты 2-Х ТАКТНОГО ПЛМ MERCURY 90 Серийный номер от 9793577 до 0P016999
Карбюратор (WME-29/30/31/41/46/47/48/49) 2-Х ТАКТНОГО ПЛМ MERCURY 90 Серийный номер от 9793577 до 0P016999
Карбюратор (WME-59/60/61/62/75/76/77/78) 2-Х ТАКТНОГО ПЛМ MERCURY 90 Серийный номер от 9793577 до 0P016999
Ключи 2-Х ТАКТНОГО ПЛМ MERCURY 90 Серийный номер от 9793577 до 0P016999
Коленвал, поршни и шатуны 2-Х ТАКТНОГО ПЛМ MERCURY 90 Серийный номер от 9793577 до 0P016999
Компоненты ручного управления (Часть 1) 2-Х ТАКТНОГО ПЛМ MERCURY 90 Серийный номер от 9793577 до 0P016999
Компоненты ручного управления (Часть 2) 2-Х ТАКТНОГО ПЛМ MERCURY 90 Серийный номер от 9793577 до 0P016999
Компоненты топливного насоса 2-Х ТАКТНОГО ПЛМ MERCURY 90 Серийный номер от 9793577 до 0P016999
Корпус карданного вала 2-Х ТАКТНОГО ПЛМ MERCURY 90 Серийный номер от 9793577 до 0P016999
Корпус шестерни (карданный вал)(3 JAW REVERSE CLUTCH) 2-Х ТАКТНОГО ПЛМ MERCURY 90 Серийный номер от 9793577 до 0P016999
Корпус шестерни (карданный вал)(6 JAW REVERSE CLUTCH) 2-Х ТАКТНОГО ПЛМ MERCURY 90 Серийный номер от 9793577 до 0P016999
Корпус шестерни (приводной вал)(3 JAW REVERSE CLUTCH) 2-Х ТАКТНОГО ПЛМ MERCURY 90 Серийный номер от 9793577 до 0P016999
Корпус шестерни (приводной вал)(6 JAW REVERSE CLUTCH) 2-Х ТАКТНОГО ПЛМ MERCURY 90 Серийный номер от 9793577 до 0P016999
Кронштейн транца (MANUAL TILT ASSIST) 2-Х ТАКТНОГО ПЛМ MERCURY 90 Серийный номер от 9793577 до 0P016999
Кронштейн транца (NON POWER TRIM & POWER TRIM) 2-Х ТАКТНОГО ПЛМ MERCURY 90 Серийный номер от 9793577 до 0P016999
Маховик и стартер (USA-0G437999/BEL-9926999 и ниже) 2-Х ТАКТНОГО ПЛМ MERCURY 90 Серийный номер от 9793577 до 0P016999
Маховик и стартер (USA-0G438000/BEL-9927000 и выше) 2-Х ТАКТНОГО ПЛМ MERCURY 90 Серийный номер от 9793577 до 0P016999
Низ капота 2-Х ТАКТНОГО ПЛМ MERCURY 90 Серийный номер от 9793577 до 0P016999
Пластина аттенюатора 2-Х ТАКТНОГО ПЛМ MERCURY 90 Серийный номер от 9793577 до 0P016999
Пластина фиксации поворота 2-Х ТАКТНОГО ПЛМ MERCURY 90 Серийный номер от 9793577 до 0P016999
Поворотный кронштейн и рулевой рычаг 2-Х ТАКТНОГО ПЛМ MERCURY 90 Серийный номер от 9793577 до 0P016999
Румпель 2-Х ТАКТНОГО ПЛМ MERCURY 90 Серийный номер от 9793577 до 0P016999
Система прокачки (USA-0G127500/BEL-9836633 и выше) 2-Х ТАКТНОГО ПЛМ MERCURY 90 Серийный номер от 9793577 до 0P016999
Стартер 2-Х ТАКТНОГО ПЛМ MERCURY 90 Серийный номер от 9793577 до 0P016999
Стартер в сборе (ручной) 2-Х ТАКТНОГО ПЛМ MERCURY 90 Серийный номер от 9793577 до 0P016999
Топливный насос 2-Х ТАКТНОГО ПЛМ MERCURY 90 Серийный номер от 9793577 до 0P016999
Топливный насос в сборе 2-Х ТАКТНОГО ПЛМ MERCURY 90 Серийный номер от 9793577 до 0P016999
Электрика (USA-0G127499/BEL-9836632 и ниже) 2-Х ТАКТНОГО ПЛМ MERCURY 90 Серийный номер от 9793577 до 0P016999
Электрика (USA-0G127500 - 0G437999)(BEL-9836633 - 9926999) 2-Х ТАКТНОГО ПЛМ MERCURY 90 Серийный номер от 9793577 до 0P016999
Электрика (USA-S/N-0G438000/BEL-9937000 и выше) 2-Х ТАКТНОГО ПЛМ MERCURY 90 Серийный номер от 9793577 до 0P016999
Аварийный световой сигнализатор 2-Х ТАКТНОГО ПЛМ MERCURY 150 PRO XS L OPTIMAX Серийный номер от 1B690542 и выше
Аксессуары 2-Х ТАКТНОГО ПЛМ MERCURY 150 PRO XS L OPTIMAX Серийный номер от 1B690542 и выше
Блок цилиндров 2-Х ТАКТНОГО ПЛМ MERCURY 150 PRO XS L OPTIMAX Серийный номер от 1B690542 и выше
Верх капота 2-Х ТАКТНОГО ПЛМ MERCURY 150 PRO XS L OPTIMAX Серийный номер от 1B690542 и выше
Водяной шланг 2-Х ТАКТНОГО ПЛМ MERCURY 150 PRO XS L OPTIMAX Серийный номер от 1B690542 и выше
Воздухозаборник 2-Х ТАКТНОГО ПЛМ MERCURY 150 PRO XS L OPTIMAX Серийный номер от 1B690542 и выше
Воздушный шланг 2-Х ТАКТНОГО ПЛМ MERCURY 150 PRO XS L OPTIMAX Серийный номер от 1B690542 и выше
Выпускной коллектор и выпускная пластина 2-Х ТАКТНОГО ПЛМ MERCURY 150 PRO XS L OPTIMAX Серийный номер от 1B690542 и выше
Головка цилиндра 2-Х ТАКТНОГО ПЛМ MERCURY 150 PRO XS L OPTIMAX Серийный номер от 1B690542 и выше
Заливная горловина 2-Х ТАКТНОГО ПЛМ MERCURY 150 PRO XS L OPTIMAX Серийный номер от 1B690542 и выше
Инструменты 2-Х ТАКТНОГО ПЛМ MERCURY 150 PRO XS L OPTIMAX Серийный номер от 1B690542 и выше
Коленвал, поршни и шатуны 2-Х ТАКТНОГО ПЛМ MERCURY 150 PRO XS L OPTIMAX Серийный номер от 1B690542 и выше
Комплект Mercathode 2-Х ТАКТНОГО ПЛМ MERCURY 150 PRO XS L OPTIMAX Серийный номер от 1B690542 и выше
Комплект тяг для двойной установки двигателей 2-Х ТАКТНОГО ПЛМ MERCURY 150 PRO XS L OPTIMAX Серийный номер от 1B690542 и выше
Компоненты воздушного компрессора 2-Х ТАКТНОГО ПЛМ MERCURY 150 PRO XS L OPTIMAX Серийный номер от 1B690542 и выше
Компоненты впрыска масла 2-Х ТАКТНОГО ПЛМ MERCURY 150 PRO XS L OPTIMAX Серийный номер от 1B690542 и выше
Компоненты гидроподъема 2-Х ТАКТНОГО ПЛМ MERCURY 150 PRO XS L OPTIMAX Серийный номер от 1B690542 и выше
Корпус карданного вала и выхлопная труба 2-Х ТАКТНОГО ПЛМ MERCURY 150 PRO XS L OPTIMAX Серийный номер от 1B690542 и выше
Корпус редуктора, карданный вал 2-Х ТАКТНОГО ПЛМ MERCURY 150 PRO XS L OPTIMAX Серийный номер от 1B690542 и выше
Корпус редуктора, приводной вал 2-Х ТАКТНОГО ПЛМ MERCURY 150 PRO XS L OPTIMAX Серийный номер от 1B690542 и выше
Кронштейн транца 2-Х ТАКТНОГО ПЛМ MERCURY 150 PRO XS L OPTIMAX Серийный номер от 1B690542 и выше
Крышка воздухозаборника 2-Х ТАКТНОГО ПЛМ MERCURY 150 PRO XS L OPTIMAX Серийный номер от 1B690542 и выше
Маслопровод 2-Х ТАКТНОГО ПЛМ MERCURY 150 PRO XS L OPTIMAX Серийный номер от 1B690542 и выше
Маховик / генератор переменного тока 2-Х ТАКТНОГО ПЛМ MERCURY 150 PRO XS L OPTIMAX Серийный номер от 1B690542 и выше
Модуль управления движителем 2-Х ТАКТНОГО ПЛМ MERCURY 150 PRO XS L OPTIMAX Серийный номер от 1B690542 и выше
Набор прокладок 2-Х ТАКТНОГО ПЛМ MERCURY 150 PRO XS L OPTIMAX Серийный номер от 1B690542 и выше
Низ капота 2-Х ТАКТНОГО ПЛМ MERCURY 150 PRO XS L OPTIMAX Серийный номер от 1B690542 и выше
Паросепаратор 2-Х ТАКТНОГО ПЛМ MERCURY 150 PRO XS L OPTIMAX Серийный номер от 1B690542 и выше
Пластина, крепление катушки 2-Х ТАКТНОГО ПЛМ MERCURY 150 PRO XS L OPTIMAX Серийный номер от 1B690542 и выше
Поворотный кронштейн и рулевой рычаг 2-Х ТАКТНОГО ПЛМ MERCURY 150 PRO XS L OPTIMAX Серийный номер от 1B690542 и выше
Рычаг дроссельной заслонки и вал переключения 2-Х ТАКТНОГО ПЛМ MERCURY 150 PRO XS L OPTIMAX Серийный номер от 1B690542 и выше
Стартер 2-Х ТАКТНОГО ПЛМ MERCURY 150 PRO XS L OPTIMAX Серийный номер от 1B690542 и выше
Топливный насос 2-Х ТАКТНОГО ПЛМ MERCURY 150 PRO XS L OPTIMAX Серийный номер от 1B690542 и выше
Топливный шланг 2-Х ТАКТНОГО ПЛМ MERCURY 150 PRO XS L OPTIMAX Серийный номер от 1B690542 и выше
Топливопроводы 2-Х ТАКТНОГО ПЛМ MERCURY 150 PRO XS L OPTIMAX Серийный номер от 1B690542 и выше
Электрическая пластина 2-Х ТАКТНОГО ПЛМ MERCURY 150 PRO XS L OPTIMAX Серийный номер от 1B690542 и выше
Запчасти для подвесных лодочных моторов MERCURY (4х-тактные)
Блок цилиндров, Serial # 0R318095 и ниже 4-Х ТАКТНОГО ПЛМ MERCURY 2.5 Серийный номер от 0R131842 и выше
Блок цилиндров, Serial # 0R318096 и выше 4-Х ТАКТНОГО ПЛМ MERCURY 2.5 Серийный номер от 0R131842 и выше
Зажимной кронштейн 4-Х ТАКТНОГО ПЛМ MERCURY 2.5 Серийный номер от 0R131842 и выше
Инструменты 4-Х ТАКТНОГО ПЛМ MERCURY 2.5 Серийный номер от 0R131842 и выше
Капот 4-Х ТАКТНОГО ПЛМ MERCURY 2.5 Серийный номер от 0R131842 и выше
Карбюратор, Serial # 0R318095 и ниже 4-Х ТАКТНОГО ПЛМ MERCURY 2.5 Серийный номер от 0R131842 и выше
Карбюратор, Serial # 0R318096 и выше 4-Х ТАКТНОГО ПЛМ MERCURY 2.5 Серийный номер от 0R131842 и выше
Коленчатый вал, поршень и шатун 4-Х ТАКТНОГО ПЛМ MERCURY 2.5 Серийный номер от 0R131842 и выше
Комплекты прокладок 4-Х ТАКТНОГО ПЛМ MERCURY 2.5 Серийный номер от 0R131842 и выше
Корпус карданного вала 4-Х ТАКТНОГО ПЛМ MERCURY 2.5 Серийный номер от 0R131842 и выше
Корпус редуктора в сборе, карданный вал 4-Х ТАКТНОГО ПЛМ MERCURY 2.5 Серийный номер от 0R131842 и выше
Корпус редуктора в сборе, приводной вал 4-Х ТАКТНОГО ПЛМ MERCURY 2.5 Серийный номер от 0R131842 и выше
Масляный поддон, Serial # 0R318095 и ниже 4-Х ТАКТНОГО ПЛМ MERCURY 2.5 Серийный номер от 0R131842 и выше
Масляный поддон, Serial # 0R318096 и выше 4-Х ТАКТНОГО ПЛМ MERCURY 2.5 Серийный номер от 0R131842 и выше
Распредвал и клапаны, Serial # 0R318095 и ниже 4-Х ТАКТНОГО ПЛМ MERCURY 2.5 Серийный номер от 0R131842 и выше
Распредвал и клапаны, Serial # 0R318096 и выше 4-Х ТАКТНОГО ПЛМ MERCURY 2.5 Серийный номер от 0R131842 и выше
Рукоятка румпеля 4-Х ТАКТНОГО ПЛМ MERCURY 2.5 Серийный номер от 0R131842 и выше
Ручной стартер 4-Х ТАКТНОГО ПЛМ MERCURY 2.5 Серийный номер от 0R131842 и выше
Рычаг переключения передач 4-Х ТАКТНОГО ПЛМ MERCURY 2.5 Серийный номер от 0R131842 и выше
Топливный бак, Serial # 0R318095 и ниже 4-Х ТАКТНОГО ПЛМ MERCURY 2.5 Серийный номер от 0R131842 и выше
Топливный бак, Serial # 0R318096 и выше 4-Х ТАКТНОГО ПЛМ MERCURY 2.5 Серийный номер от 0R131842 и выше
Чашка маховика, Serial # 0R318095 и ниже 4-Х ТАКТНОГО ПЛМ MERCURY 2.5 Серийный номер от 0R131842 и выше
Чашка маховика, Serial # 0R318096 и выше 4-Х ТАКТНОГО ПЛМ MERCURY 2.5 Серийный номер от 0R131842 и выше
Блок цилиндров, Serial # 0R318095 и ниже 4-Х ТАКТНОГО ПЛМ MERCURY 3.5 Серийный номер от 0R131842 и выше
Зажимной кронштейн 4-Х ТАКТНОГО ПЛМ MERCURY 3.5 Серийный номер от 0R131842 и выше
Инструменты 4-Х ТАКТНОГО ПЛМ MERCURY 3.5 Серийный номер от 0R131842 и выше
Капот 4-Х ТАКТНОГО ПЛМ MERCURY 3.5 Серийный номер от 0R131842 и выше
Карбюратор, Serial # 0R318095 и ниже 4-Х ТАКТНОГО ПЛМ MERCURY 3.5 Серийный номер от 0R131842 и выше
Карбюратор, Serial # 0R318096 и выше 4-Х ТАКТНОГО ПЛМ MERCURY 3.5 Серийный номер от 0R131842 и выше
Коленчатый вал, поршень и шатун 4-Х ТАКТНОГО ПЛМ MERCURY 3.5 Серийный номер от 0R131842 и выше
Комплекты прокладок 4-Х ТАКТНОГО ПЛМ MERCURY 3.5 Серийный номер от 0R131842 и выше
Корпус карданного вала 4-Х ТАКТНОГО ПЛМ MERCURY 3.5 Серийный номер от 0R131842 и выше
Корпус редуктора в сборе, карданный вал 4-Х ТАКТНОГО ПЛМ MERCURY 3.5 Серийный номер от 0R131842 и выше
Корпус редуктора в сборе, приводной вал 4-Х ТАКТНОГО ПЛМ MERCURY 3.5 Серийный номер от 0R131842 и выше
Масляный поддон, Serial # 0R318095 и ниже 4-Х ТАКТНОГО ПЛМ MERCURY 3.5 Серийный номер от 0R131842 и выше
Масляный поддон, Serial # 0R318096 и выше 4-Х ТАКТНОГО ПЛМ MERCURY 3.5 Серийный номер от 0R131842 и выше
Распредвал и клапаны, Serial # 0R318095 и ниже 4-Х ТАКТНОГО ПЛМ MERCURY 3.5 Серийный номер от 0R131842 и выше
Распредвал и клапаны, Serial # 0R318096 и выше 4-Х ТАКТНОГО ПЛМ MERCURY 3.5 Серийный номер от 0R131842 и выше
Рукоятка румпеля 4-Х ТАКТНОГО ПЛМ MERCURY 3.5 Серийный номер от 0R131842 и выше
Ручной стартер 4-Х ТАКТНОГО ПЛМ MERCURY 3.5 Серийный номер от 0R131842 и выше
Рычаг переключения передач 4-Х ТАКТНОГО ПЛМ MERCURY 3.5 Серийный номер от 0R131842 и выше
Топливный бак, Serial # 0R318095 и ниже 4-Х ТАКТНОГО ПЛМ MERCURY 3.5 Серийный номер от 0R131842 и выше
Топливный бак, Serial # 0R318096 и выше 4-Х ТАКТНОГО ПЛМ MERCURY 3.5 Серийный номер от 0R131842 и выше
Чашка маховика, Serial # 0R318095 и ниже 4-Х ТАКТНОГО ПЛМ MERCURY 3.5 Серийный номер от 0R131842 и выше
Чашка маховика, Serial # 0R318096 и выше 4-Х ТАКТНОГО ПЛМ MERCURY 3.5 Серийный номер от 0R131842 и выше
Аксессуары 4-Х ТАКТНОГО ПЛМ MERCURY 4 Серийный номер от 0P073456 до 0P400999
Бак в сборе, топливный - пластик - 3,2 галлона 4-Х ТАКТНОГО ПЛМ MERCURY 4 Серийный номер от 0P073456 до 0P400999
Блок цилиндров 4-Х ТАКТНОГО ПЛМ MERCURY 4 Серийный номер от 0P073456 до 0P400999
Впускные / выпускные клапаны 4-Х ТАКТНОГО ПЛМ MERCURY 4 Серийный номер от 0P073456 до 0P400999
Вспомогательные части 4-Х ТАКТНОГО ПЛМ MERCURY 4 Серийный номер от 0P073456 до 0P400999
Встроенный топливный бак 4-Х ТАКТНОГО ПЛМ MERCURY 4 Серийный номер от 0P073456 до 0P400999
Дистанционное управление 4-Х ТАКТНОГО ПЛМ MERCURY 4 Серийный номер от 0P073456 до 0P400999
Дистанционное управление 4000, боковое крепление 4-Х ТАКТНОГО ПЛМ MERCURY 4 Серийный номер от 0P073456 до 0P400999
Зажимной кронштейн 4-Х ТАКТНОГО ПЛМ MERCURY 4 Серийный номер от 0P073456 до 0P400999
Зарядная катушка 4-Х ТАКТНОГО ПЛМ MERCURY 4 Серийный номер от 0P073456 до 0P400999
Инструменты (Часть 1) 4-Х ТАКТНОГО ПЛМ MERCURY 4 Серийный номер от 0P073456 до 0P400999
Инструменты (Часть 2) 4-Х ТАКТНОГО ПЛМ MERCURY 4 Серийный номер от 0P073456 до 0P400999
Капот 4-Х ТАКТНОГО ПЛМ MERCURY 4 Серийный номер от 0P073456 до 0P400999
Карбюратор 4-Х ТАКТНОГО ПЛМ MERCURY 4 Серийный номер от 0P073456 до 0P400999
Коленвал, поршни и шатуны 4-Х ТАКТНОГО ПЛМ MERCURY 4 Серийный номер от 0P073456 до 0P400999
Комплект для дистанционного управления 4-Х ТАКТНОГО ПЛМ MERCURY 4 Серийный номер от 0P073456 до 0P400999
Корпус карданного вала 4-Х ТАКТНОГО ПЛМ MERCURY 4 Серийный номер от 0P073456 до 0P400999
Корпус шестерни карданный вал 4-Х ТАКТНОГО ПЛМ MERCURY 4 Серийный номер от 0P073456 до 0P400999
Корпус шестерни приводной вал 4-Х ТАКТНОГО ПЛМ MERCURY 4 Серийный номер от 0P073456 до 0P400999
Маслосборник 4-Х ТАКТНОГО ПЛМ MERCURY 4 Серийный номер от 0P073456 до 0P400999
Прокладки двигателя 4-Х ТАКТНОГО ПЛМ MERCURY 4 Серийный номер от 0P073456 до 0P400999
Рукоятка рулевого управления 4-Х ТАКТНОГО ПЛМ MERCURY 4 Серийный номер от 0P073456 до 0P400999
Ручка переключения передач 4-Х ТАКТНОГО ПЛМ MERCURY 4 Серийный номер от 0P073456 до 0P400999
Ручной стартер 4-Х ТАКТНОГО ПЛМ MERCURY 4 Серийный номер от 0P073456 до 0P400999
Топливная система 4-Х ТАКТНОГО ПЛМ MERCURY 4 Серийный номер от 0P073456 до 0P400999
Тросы дроссельной заслонки 4-Х ТАКТНОГО ПЛМ MERCURY 4 Серийный номер от 0P073456 до 0P400999
Электрические компоненты 4-Х ТАКТНОГО ПЛМ MERCURY 4 Серийный номер от 0P073456 до 0P400999
Аксессуары 4-Х ТАКТНОГО ПЛМ MERCURY 4 Серийный номер от 0P401000 и выше
Бак в сборе, топливный - пластик - 3,2 галлона 4-Х ТАКТНОГО ПЛМ MERCURY 4 Серийный номер от 0P401000 и выше
Блок цилиндров 4-Х ТАКТНОГО ПЛМ MERCURY 4 Серийный номер от 0P401000 и выше
Впускные / выпускные клапаны 4-Х ТАКТНОГО ПЛМ MERCURY 4 Серийный номер от 0P401000 и выше
Вспомогательные части 4-Х ТАКТНОГО ПЛМ MERCURY 4 Серийный номер от 0P401000 и выше
Встроенный топливный бак, 4 л.с 4-Х ТАКТНОГО ПЛМ MERCURY 4 Серийный номер от 0P401000 и выше
Дистанционное управление 4000, боковое крепление 4-Х ТАКТНОГО ПЛМ MERCURY 4 Серийный номер от 0P401000 и выше
Зарядная катушка 4-Х ТАКТНОГО ПЛМ MERCURY 4 Серийный номер от 0P401000 и выше
Инструменты (Часть 1) 4-Х ТАКТНОГО ПЛМ MERCURY 4 Серийный номер от 0P401000 и выше
Инструменты (Часть 2) 4-Х ТАКТНОГО ПЛМ MERCURY 4 Серийный номер от 0P401000 и выше
Капот 4-Х ТАКТНОГО ПЛМ MERCURY 4 Серийный номер от 0P401000 и выше
Карбюратор 4-Х ТАКТНОГО ПЛМ MERCURY 4 Серийный номер от 0P401000 и выше
Коленвал, поршни и шатуны 4-Х ТАКТНОГО ПЛМ MERCURY 4 Серийный номер от 0P401000 и выше
Комплект для дистанционного управления 4-Х ТАКТНОГО ПЛМ MERCURY 4 Серийный номер от 0P401000 и выше
Корпус карданного вала 4-Х ТАКТНОГО ПЛМ MERCURY 4 Серийный номер от 0P401000 и выше
Корпус шестерни карданный вал 4-Х ТАКТНОГО ПЛМ MERCURY 4 Серийный номер от 0P401000 и выше
Корпус шестерни приводной вал 4-Х ТАКТНОГО ПЛМ MERCURY 4 Серийный номер от 0P401000 и выше
Маслосборник 4-Х ТАКТНОГО ПЛМ MERCURY 4 Серийный номер от 0P401000 и выше
Прокладки двигателя 4-Х ТАКТНОГО ПЛМ MERCURY 4 Серийный номер от 0P401000 и выше
Рукоятка рулевого управления 4-Х ТАКТНОГО ПЛМ MERCURY 4 Серийный номер от 0P401000 и выше
Ручка переключения передач 4-Х ТАКТНОГО ПЛМ MERCURY 4 Серийный номер от 0P401000 и выше
Ручной стартер 4-Х ТАКТНОГО ПЛМ MERCURY 4 Серийный номер от 0P401000 и выше
Топливная система 4-Х ТАКТНОГО ПЛМ MERCURY 4 Серийный номер от 0P401000 и выше
Тросы дроссельной заслонки 4-Х ТАКТНОГО ПЛМ MERCURY 4 Серийный номер от 0P401000 и выше
Электрические компоненты 4-Х ТАКТНОГО ПЛМ MERCURY 4 Серийный номер от 0P401000 и выше
Аксессуары 4-Х ТАКТНОГО ПЛМ MERCURY 4 Серийный номер от 0R000001 до 0R067089
Бак в сборе, топливный - пластик - 3,2 галлона 4-Х ТАКТНОГО ПЛМ MERCURY 4 Серийный номер от 0R000001 до 0R067089
Блок цилиндров 4-Х ТАКТНОГО ПЛМ MERCURY 4 Серийный номер от 0R000001 до 0R067089
Впускные / выпускные клапаны 4-Х ТАКТНОГО ПЛМ MERCURY 4 Серийный номер от 0R000001 до 0R067089
Вспомогательные части 4-Х ТАКТНОГО ПЛМ MERCURY 4 Серийный номер от 0R000001 до 0R067089
Встроенный топливный бак 4-Х ТАКТНОГО ПЛМ MERCURY 4 Серийный номер от 0R000001 до 0R067089
Дистанционное управление 4-Х ТАКТНОГО ПЛМ MERCURY 4 Серийный номер от 0R000001 до 0R067089
Зажимной кронштейн 4-Х ТАКТНОГО ПЛМ MERCURY 4 Серийный номер от 0R000001 до 0R067089
Зарядная катушка 4-Х ТАКТНОГО ПЛМ MERCURY 4 Серийный номер от 0R000001 до 0R067089
Инструменты (Часть 1) 4-Х ТАКТНОГО ПЛМ MERCURY 4 Серийный номер от 0R000001 до 0R067089
Инструменты (Часть 2) 4-Х ТАКТНОГО ПЛМ MERCURY 4 Серийный номер от 0R000001 до 0R067089
Капот 4-Х ТАКТНОГО ПЛМ MERCURY 4 Серийный номер от 0R000001 до 0R067089
Карбюратор 4-Х ТАКТНОГО ПЛМ MERCURY 4 Серийный номер от 0R000001 до 0R067089
Коленвал, поршни и шатуны 4-Х ТАКТНОГО ПЛМ MERCURY 4 Серийный номер от 0R000001 до 0R067089
Комплект для дистанционного управления 4-Х ТАКТНОГО ПЛМ MERCURY 4 Серийный номер от 0R000001 до 0R067089
Корпус карданного вала 4-Х ТАКТНОГО ПЛМ MERCURY 4 Серийный номер от 0R000001 до 0R067089
Корпус шестерни карданный вал 4-Х ТАКТНОГО ПЛМ MERCURY 4 Серийный номер от 0R000001 до 0R067089
Корпус шестерни приводной вал 4-Х ТАКТНОГО ПЛМ MERCURY 4 Серийный номер от 0R000001 до 0R067089
Маслосборник 4-Х ТАКТНОГО ПЛМ MERCURY 4 Серийный номер от 0R000001 до 0R067089
Прокладки двигателя 4-Х ТАКТНОГО ПЛМ MERCURY 4 Серийный номер от 0R000001 до 0R067089
Рукоятка рулевого управления 4-Х ТАКТНОГО ПЛМ MERCURY 4 Серийный номер от 0R000001 до 0R067089
Ручка переключения передач 4-Х ТАКТНОГО ПЛМ MERCURY 4 Серийный номер от 0R000001 до 0R067089
Ручной стартер 4-Х ТАКТНОГО ПЛМ MERCURY 4 Серийный номер от 0R000001 до 0R067089
Топливная система 4-Х ТАКТНОГО ПЛМ MERCURY 4 Серийный номер от 0R000001 до 0R067089
Тросы дроссельной заслонки 4-Х ТАКТНОГО ПЛМ MERCURY 4 Серийный номер от 0R000001 до 0R067089
Электрические компоненты 4-Х ТАКТНОГО ПЛМ MERCURY 4 Серийный номер от 0R000001 до 0R067089
Аксессуары 4-Х ТАКТНОГО ПЛМ MERCURY 4 Серийный номер от 0R067090 и выше
Бак в сборе, топливный - пластик - 3,2 галлона 4-Х ТАКТНОГО ПЛМ MERCURY 4 Серийный номер от 0R067090 и выше
Впускные / выпускные клапаны 4-Х ТАКТНОГО ПЛМ MERCURY 4 Серийный номер от 0R067090 и выше
Вспомогательные части 4-Х ТАКТНОГО ПЛМ MERCURY 4 Серийный номер от 0R067090 и выше
Встроенный топливный бак, 4 л.с. 4-Х ТАКТНОГО ПЛМ MERCURY 4 Серийный номер от 0R067090 и выше
Зажимной кронштейн 4-Х ТАКТНОГО ПЛМ MERCURY 4 Серийный номер от 0R067090 и выше
Зарядная катушка 4-Х ТАКТНОГО ПЛМ MERCURY 4 Серийный номер от 0R067090 и выше
Инструменты (Часть 1) 4-Х ТАКТНОГО ПЛМ MERCURY 4 Серийный номер от 0R067090 и выше
Инструменты (Часть 2) 4-Х ТАКТНОГО ПЛМ MERCURY 4 Серийный номер от 0R067090 и выше
Капот 4-Х ТАКТНОГО ПЛМ MERCURY 4 Серийный номер от 0R067090 и выше
Карбюратор 4-Х ТАКТНОГО ПЛМ MERCURY 4 Серийный номер от 0R067090 и выше
Коленвал, поршни и шатуны 4-Х ТАКТНОГО ПЛМ MERCURY 4 Серийный номер от 0R067090 и выше
Комплект для дистанционного управления 4-Х ТАКТНОГО ПЛМ MERCURY 4 Серийный номер от 0R067090 и выше
Корпус карданного вала 4-Х ТАКТНОГО ПЛМ MERCURY 4 Серийный номер от 0R067090 и выше
Корпус шестерни карданный вал 4-Х ТАКТНОГО ПЛМ MERCURY 4 Серийный номер от 0R067090 и выше
Корпус шестерни приводной вал 4-Х ТАКТНОГО ПЛМ MERCURY 4 Серийный номер от 0R067090 и выше
Маслосборник 4-Х ТАКТНОГО ПЛМ MERCURY 4 Серийный номер от 0R067090 и выше
Прокладки двигателя 4-Х ТАКТНОГО ПЛМ MERCURY 4 Серийный номер от 0R067090 и выше
Пульт дистанционного управления 4000, боковое крепление 4-Х ТАКТНОГО ПЛМ MERCURY 4 Серийный номер от 0R067090 и выше
Рукоятка рулевого управления 4-Х ТАКТНОГО ПЛМ MERCURY 4 Серийный номер от 0R067090 и выше
Ручка переключения передач 4-Х ТАКТНОГО ПЛМ MERCURY 4 Серийный номер от 0R067090 и выше
Ручной стартер 4-Х ТАКТНОГО ПЛМ MERCURY 4 Серийный номер от 0R067090 и выше
Топливная система 4-Х ТАКТНОГО ПЛМ MERCURY 4 Серийный номер от 0R067090 и выше
Тросы дроссельной заслонки 4-Х ТАКТНОГО ПЛМ MERCURY 4 Серийный номер от 0R067090 и выше
Электрические компоненты 4-Х ТАКТНОГО ПЛМ MERCURY 4 Серийный номер от 0R067090 и выше
Аксессуары 4-Х ТАКТНОГО ПЛМ MERCURY 5 Серийный номер от 0P073456 до 0P400999
Бак в сборе, топливный - пластик - 3,2 галлона 4-Х ТАКТНОГО ПЛМ MERCURY 5 Серийный номер от 0P073456 до 0P400999
Блок цилиндров 4-Х ТАКТНОГО ПЛМ MERCURY 5 Серийный номер от 0P073456 до 0P400999
Впускные / выпускные клапаны 4-Х ТАКТНОГО ПЛМ MERCURY 5 Серийный номер от 0P073456 до 0P400999
Вспомогательные части 4-Х ТАКТНОГО ПЛМ MERCURY 5 Серийный номер от 0P073456 до 0P400999
Встроенный топливный бак 4-Х ТАКТНОГО ПЛМ MERCURY 5 Серийный номер от 0P073456 до 0P400999
Дистанционное управление 4-Х ТАКТНОГО ПЛМ MERCURY 5 Серийный номер от 0P073456 до 0P400999
Дистанционное управление 4000, боковое крепление 4-Х ТАКТНОГО ПЛМ MERCURY 5 Серийный номер от 0P073456 до 0P400999
Зажимной кронштейн 4-Х ТАКТНОГО ПЛМ MERCURY 5 Серийный номер от 0P073456 до 0P400999
Зарядная катушка 4-Х ТАКТНОГО ПЛМ MERCURY 5 Серийный номер от 0P073456 до 0P400999
Инструменты (Часть 1) 4-Х ТАКТНОГО ПЛМ MERCURY 5 Серийный номер от 0P073456 до 0P400999
Инструменты (Часть 2) 4-Х ТАКТНОГО ПЛМ MERCURY 5 Серийный номер от 0P073456 до 0P400999
Капот 4-Х ТАКТНОГО ПЛМ MERCURY 5 Серийный номер от 0P073456 до 0P400999
Карбюратор 4-Х ТАКТНОГО ПЛМ MERCURY 5 Серийный номер от 0P073456 до 0P400999
Коленвал, поршни и шатуны 4-Х ТАКТНОГО ПЛМ MERCURY 5 Серийный номер от 0P073456 до 0P400999
Комплект для дистанционного управления 4-Х ТАКТНОГО ПЛМ MERCURY 5 Серийный номер от 0P073456 до 0P400999
Корпус карданного вала 4-Х ТАКТНОГО ПЛМ MERCURY 5 Серийный номер от 0P073456 до 0P400999
Корпус шестерни карданный вал 4-Х ТАКТНОГО ПЛМ MERCURY 5 Серийный номер от 0P073456 до 0P400999
Корпус шестерни приводной вал 4-Х ТАКТНОГО ПЛМ MERCURY 5 Серийный номер от 0P073456 до 0P400999
Маслосборник 4-Х ТАКТНОГО ПЛМ MERCURY 5 Серийный номер от 0P073456 до 0P400999
Прокладки двигателя 4-Х ТАКТНОГО ПЛМ MERCURY 5 Серийный номер от 0P073456 до 0P400999
Рукоятка рулевого управления 4-Х ТАКТНОГО ПЛМ MERCURY 5 Серийный номер от 0P073456 до 0P400999
Ручка переключения передач 4-Х ТАКТНОГО ПЛМ MERCURY 5 Серийный номер от 0P073456 до 0P400999
Ручной стартер 4-Х ТАКТНОГО ПЛМ MERCURY 5 Серийный номер от 0P073456 до 0P400999
Топливная система 4-Х ТАКТНОГО ПЛМ MERCURY 5 Серийный номер от 0P073456 до 0P400999
Тросы дроссельной заслонки 4-Х ТАКТНОГО ПЛМ MERCURY 5 Серийный номер от 0P073456 до 0P400999
Электрические компоненты 4-Х ТАКТНОГО ПЛМ MERCURY 5 Серийный номер от 0P073456 до 0P400999
Аксессуары 4-Х ТАКТНОГО ПЛМ MERCURY 5 Серийный номер от 0P401000 и выше
Бак в сборе, топливный - пластик - 3,2 галлона 4-Х ТАКТНОГО ПЛМ MERCURY 5 Серийный номер от 0P401000 и выше
Блок цилиндров 4-Х ТАКТНОГО ПЛМ MERCURY 5 Серийный номер от 0P401000 и выше
Впускные / выпускные клапаны 4-Х ТАКТНОГО ПЛМ MERCURY 5 Серийный номер от 0P401000 и выше
Вспомогательные части 4-Х ТАКТНОГО ПЛМ MERCURY 5 Серийный номер от 0P401000 и выше
Встроенный топливный бак, 4 л.с. 4-Х ТАКТНОГО ПЛМ MERCURY 5 Серийный номер от 0P401000 и выше
Дистанционное управление 4000, боковое крепление 4-Х ТАКТНОГО ПЛМ MERCURY 5 Серийный номер от 0P401000 и выше
Зажимной кронштейн 4-Х ТАКТНОГО ПЛМ MERCURY 5 Серийный номер от 0P401000 и выше
Зарядная катушка 4-Х ТАКТНОГО ПЛМ MERCURY 5 Серийный номер от 0P401000 и выше
Инструменты (Часть 1) 4-Х ТАКТНОГО ПЛМ MERCURY 5 Серийный номер от 0P401000 и выше
Инструменты (Часть 2) 4-Х ТАКТНОГО ПЛМ MERCURY 5 Серийный номер от 0P401000 и выше
Капот 4-Х ТАКТНОГО ПЛМ MERCURY 5 Серийный номер от 0P401000 и выше
Карбюратор 4-Х ТАКТНОГО ПЛМ MERCURY 5 Серийный номер от 0P401000 и выше
Коленвал, поршни и шатуны 4-Х ТАКТНОГО ПЛМ MERCURY 5 Серийный номер от 0P401000 и выше
Комплект для дистанционного управления 4-Х ТАКТНОГО ПЛМ MERCURY 5 Серийный номер от 0P401000 и выше
Корпус карданного вала 4-Х ТАКТНОГО ПЛМ MERCURY 5 Серийный номер от 0P401000 и выше
Корпус шестерни карданный вал 4-Х ТАКТНОГО ПЛМ MERCURY 5 Серийный номер от 0P401000 и выше
Корпус шестерни приводной вал 4-Х ТАКТНОГО ПЛМ MERCURY 5 Серийный номер от 0P401000 и выше
Маслосборник 4-Х ТАКТНОГО ПЛМ MERCURY 5 Серийный номер от 0P401000 и выше
Прокладки двигателя 4-Х ТАКТНОГО ПЛМ MERCURY 5 Серийный номер от 0P401000 и выше
Рукоятка рулевого управления 4-Х ТАКТНОГО ПЛМ MERCURY 5 Серийный номер от 0P401000 и выше
Ручка переключения передач 4-Х ТАКТНОГО ПЛМ MERCURY 5 Серийный номер от 0P401000 и выше
Ручной стартер 4-Х ТАКТНОГО ПЛМ MERCURY 5 Серийный номер от 0P401000 и выше
Топливная система 4-Х ТАКТНОГО ПЛМ MERCURY 5 Серийный номер от 0P401000 и выше
Тросы дроссельной заслонки 4-Х ТАКТНОГО ПЛМ MERCURY 5 Серийный номер от 0P401000 и выше
Электрические компоненты 4-Х ТАКТНОГО ПЛМ MERCURY 5 Серийный номер от 0P401000 и выше
Аксессуары 4-Х ТАКТНОГО ПЛМ MERCURY 5 Серийный номер от 0R000001 до 0R067089
Бак в сборе, топливный - пластик - 3,2 галлона 4-Х ТАКТНОГО ПЛМ MERCURY 5 Серийный номер от 0R000001 до 0R067089
Блок цилиндров 4-Х ТАКТНОГО ПЛМ MERCURY 5 Серийный номер от 0R000001 до 0R067089
Впускные / выпускные клапаны 4-Х ТАКТНОГО ПЛМ MERCURY 5 Серийный номер от 0R000001 до 0R067089
Вспомогательные части 4-Х ТАКТНОГО ПЛМ MERCURY 5 Серийный номер от 0R000001 до 0R067089
Встроенный топливный бак 4-Х ТАКТНОГО ПЛМ MERCURY 5 Серийный номер от 0R000001 до 0R067089
Дистанционное управление 4-Х ТАКТНОГО ПЛМ MERCURY 5 Серийный номер от 0R000001 до 0R067089
Зажимной кронштейн 4-Х ТАКТНОГО ПЛМ MERCURY 5 Серийный номер от 0R000001 до 0R067089
Зарядная катушка 4-Х ТАКТНОГО ПЛМ MERCURY 5 Серийный номер от 0R000001 до 0R067089
Инструменты (Часть 1) 4-Х ТАКТНОГО ПЛМ MERCURY 5 Серийный номер от 0R000001 до 0R067089
Инструменты (Часть 2) 4-Х ТАКТНОГО ПЛМ MERCURY 5 Серийный номер от 0R000001 до 0R067089
Капот 4-Х ТАКТНОГО ПЛМ MERCURY 5 Серийный номер от 0R000001 до 0R067089
Карбюратор 4-Х ТАКТНОГО ПЛМ MERCURY 5 Серийный номер от 0R000001 до 0R067089
Коленвал, поршни и шатуны 4-Х ТАКТНОГО ПЛМ MERCURY 5 Серийный номер от 0R000001 до 0R067089
Комплект для дистанционного управления 4-Х ТАКТНОГО ПЛМ MERCURY 5 Серийный номер от 0R000001 до 0R067089
Корпус карданного вала 4-Х ТАКТНОГО ПЛМ MERCURY 5 Серийный номер от 0R000001 до 0R067089
Корпус шестерни карданный вал 4-Х ТАКТНОГО ПЛМ MERCURY 5 Серийный номер от 0R000001 до 0R067089
Корпус шестерни приводной вал 4-Х ТАКТНОГО ПЛМ MERCURY 5 Серийный номер от 0R000001 до 0R067089
Маслосборник 4-Х ТАКТНОГО ПЛМ MERCURY 5 Серийный номер от 0R000001 до 0R067089
Прокладки двигателя 4-Х ТАКТНОГО ПЛМ MERCURY 5 Серийный номер от 0R000001 до 0R067089
Рукоятка рулевого управления 4-Х ТАКТНОГО ПЛМ MERCURY 5 Серийный номер от 0R000001 до 0R067089
Ручка переключения передач 4-Х ТАКТНОГО ПЛМ MERCURY 5 Серийный номер от 0R000001 до 0R067089
Топливная система 4-Х ТАКТНОГО ПЛМ MERCURY 5 Серийный номер от 0R000001 до 0R067089
Тросы дроссельной заслонки 4-Х ТАКТНОГО ПЛМ MERCURY 5 Серийный номер от 0R000001 до 0R067089
Электрические компоненты 4-Х ТАКТНОГО ПЛМ MERCURY 5 Серийный номер от 0R000001 до 0R067089
Аксессуары 4-Х ТАКТНОГО ПЛМ MERCURY 5 Серийный номер от 0R067090 и выше
Бак в сборе, топливный - пластик - 3,2 галлона 4-Х ТАКТНОГО ПЛМ MERCURY 5 Серийный номер от 0R067090 и выше
Блок цилиндров 4-Х ТАКТНОГО ПЛМ MERCURY 5 Серийный номер от 0R067090 и выше
Впускные / выпускные клапаны 4-Х ТАКТНОГО ПЛМ MERCURY 5 Серийный номер от 0R067090 и выше
Вспомогательные части 4-Х ТАКТНОГО ПЛМ MERCURY 5 Серийный номер от 0R067090 и выше
Встроенный топливный бак, 4 л.с. 4-Х ТАКТНОГО ПЛМ MERCURY 5 Серийный номер от 0R067090 и выше
Дистанционное управление 4000, боковое крепление 4-Х ТАКТНОГО ПЛМ MERCURY 5 Серийный номер от 0R067090 и выше
Зажимной кронштейн 4-Х ТАКТНОГО ПЛМ MERCURY 5 Серийный номер от 0R067090 и выше
Зарядная катушка 4-Х ТАКТНОГО ПЛМ MERCURY 5 Серийный номер от 0R067090 и выше
Инструменты (Часть 1) 4-Х ТАКТНОГО ПЛМ MERCURY 5 Серийный номер от 0R067090 и выше
Инструменты (Часть 2) 4-Х ТАКТНОГО ПЛМ MERCURY 5 Серийный номер от 0R067090 и выше
Капот 4-Х ТАКТНОГО ПЛМ MERCURY 5 Серийный номер от 0R067090 и выше
Карбюратор 4-Х ТАКТНОГО ПЛМ MERCURY 5 Серийный номер от 0R067090 и выше
Коленвал, поршни и шатуны 4-Х ТАКТНОГО ПЛМ MERCURY 5 Серийный номер от 0R067090 и выше
Комплект для дистанционного управления 4-Х ТАКТНОГО ПЛМ MERCURY 5 Серийный номер от 0R067090 и выше
Корпус карданного вала 4-Х ТАКТНОГО ПЛМ MERCURY 5 Серийный номер от 0R067090 и выше
Корпус шестерни карданный вал 4-Х ТАКТНОГО ПЛМ MERCURY 5 Серийный номер от 0R067090 и выше
Корпус шестерни приводной вал 4-Х ТАКТНОГО ПЛМ MERCURY 5 Серийный номер от 0R067090 и выше
Маслосборник 4-Х ТАКТНОГО ПЛМ MERCURY 5 Серийный номер от 0R067090 и выше
Прокладки двигателя 4-Х ТАКТНОГО ПЛМ MERCURY 5 Серийный номер от 0R067090 и выше
Рукоятка рулевого управления 4-Х ТАКТНОГО ПЛМ MERCURY 5 Серийный номер от 0R067090 и выше
Ручка переключения передач 4-Х ТАКТНОГО ПЛМ MERCURY 5 Серийный номер от 0R067090 и выше
Ручной стартер 4-Х ТАКТНОГО ПЛМ MERCURY 5 Серийный номер от 0R067090 и выше
Топливная система 4-Х ТАКТНОГО ПЛМ MERCURY 5 Серийный номер от 0R067090 и выше
Тросы дроссельной заслонки 4-Х ТАКТНОГО ПЛМ MERCURY 5 Серийный номер от 0R067090 и выше
Электрические компоненты 4-Х ТАКТНОГО ПЛМ MERCURY 5 Серийный номер от 0R067090 и выше
Аксессуары 4-Х ТАКТНОГО ПЛМ MERCURY 6 Серийный номер от 0P073456 до 0P400999
Бак в сборе, топливный - пластик - 3,2 галлона 4-Х ТАКТНОГО ПЛМ MERCURY 6 Серийный номер от 0P073456 до 0P400999
Блок цилиндров 4-Х ТАКТНОГО ПЛМ MERCURY 6 Серийный номер от 0P073456 до 0P400999
Впускные / выпускные клапаны 4-Х ТАКТНОГО ПЛМ MERCURY 6 Серийный номер от 0P073456 до 0P400999
Вспомогательные части 4-Х ТАКТНОГО ПЛМ MERCURY 6 Серийный номер от 0P073456 до 0P400999
Встроенный топливный бак 4-Х ТАКТНОГО ПЛМ MERCURY 6 Серийный номер от 0P073456 до 0P400999
Дистанционное управление 4-Х ТАКТНОГО ПЛМ MERCURY 6 Серийный номер от 0P073456 до 0P400999
Дистанционное управление 4000, боковое крепление 4-Х ТАКТНОГО ПЛМ MERCURY 6 Серийный номер от 0P073456 до 0P400999
Зажимной кронштейн 4-Х ТАКТНОГО ПЛМ MERCURY 6 Серийный номер от 0P073456 до 0P400999
Зарядная катушка 4-Х ТАКТНОГО ПЛМ MERCURY 6 Серийный номер от 0P073456 до 0P400999
Инструменты (Часть 1) 4-Х ТАКТНОГО ПЛМ MERCURY 6 Серийный номер от 0P073456 до 0P400999
Инструменты (Часть 2) 4-Х ТАКТНОГО ПЛМ MERCURY 6 Серийный номер от 0P073456 до 0P400999
Капот 4-Х ТАКТНОГО ПЛМ MERCURY 6 Серийный номер от 0P073456 до 0P400999
Маслосборник 4-Х ТАКТНОГО ПЛМ MERCURY 6 Серийный номер от 0P073456 до 0P400999
Прокладки двигателя 4-Х ТАКТНОГО ПЛМ MERCURY 6 Серийный номер от 0P073456 до 0P400999
Рукоятка рулевого управления 4-Х ТАКТНОГО ПЛМ MERCURY 6 Серийный номер от 0P073456 до 0P400999
Ручка переключения передач 4-Х ТАКТНОГО ПЛМ MERCURY 6 Серийный номер от 0P073456 до 0P400999
Ручной стартер 4-Х ТАКТНОГО ПЛМ MERCURY 6 Серийный номер от 0P073456 до 0P400999
Топливная система 4-Х ТАКТНОГО ПЛМ MERCURY 6 Серийный номер от 0P073456 до 0P400999
Тросы дроссельной заслонки 4-Х ТАКТНОГО ПЛМ MERCURY 6 Серийный номер от 0P073456 до 0P400999
Электрические компоненты 4-Х ТАКТНОГО ПЛМ MERCURY 6 Серийный номер от 0P073456 до 0P400999
Аксессуары 4-Х ТАКТНОГО ПЛМ MERCURY 6 Серийный номер от 0P401000 и выше
Бак в сборе, топливный - пластик - 3,2 галлона 4-Х ТАКТНОГО ПЛМ MERCURY 6 Серийный номер от 0P401000 и выше
Блок цилиндров 4-Х ТАКТНОГО ПЛМ MERCURY 6 Серийный номер от 0P401000 и выше
Впускные / выпускные клапаны 4-Х ТАКТНОГО ПЛМ MERCURY 6 Серийный номер от 0P401000 и выше
Вспомогательные части 4-Х ТАКТНОГО ПЛМ MERCURY 6 Серийный номер от 0P401000 и выше
Встроенный топливный бак, 4 л.с. 4-Х ТАКТНОГО ПЛМ MERCURY 6 Серийный номер от 0P401000 и выше
Дистанционное управление 4000, боковое крепление 4-Х ТАКТНОГО ПЛМ MERCURY 6 Серийный номер от 0P401000 и выше
Зажимной кронштейн 4-Х ТАКТНОГО ПЛМ MERCURY 6 Серийный номер от 0P401000 и выше
Зарядная катушка 4-Х ТАКТНОГО ПЛМ MERCURY 6 Серийный номер от 0P401000 и выше
Инструменты (Часть 1) 4-Х ТАКТНОГО ПЛМ MERCURY 6 Серийный номер от 0P401000 и выше
Инструменты (Часть 2) 4-Х ТАКТНОГО ПЛМ MERCURY 6 Серийный номер от 0P401000 и выше
Капот 4-Х ТАКТНОГО ПЛМ MERCURY 6 Серийный номер от 0P401000 и выше
Карбюратор 4-Х ТАКТНОГО ПЛМ MERCURY 6 Серийный номер от 0P401000 и выше
Коленвал, поршни и шатуны 4-Х ТАКТНОГО ПЛМ MERCURY 6 Серийный номер от 0P401000 и выше
Комплект для дистанционного управления 4-Х ТАКТНОГО ПЛМ MERCURY 6 Серийный номер от 0P401000 и выше
Корпус карданного вала 4-Х ТАКТНОГО ПЛМ MERCURY 6 Серийный номер от 0P401000 и выше
Корпус шестерни, карданный вал 4-Х ТАКТНОГО ПЛМ MERCURY 6 Серийный номер от 0P401000 и выше
Корпус шестерни, приводной вал 4-Х ТАКТНОГО ПЛМ MERCURY 6 Серийный номер от 0P401000 и выше
Маслосборник 4-Х ТАКТНОГО ПЛМ MERCURY 6 Серийный номер от 0P401000 и выше
Прокладки двигателя 4-Х ТАКТНОГО ПЛМ MERCURY 6 Серийный номер от 0P401000 и выше
Рукоятка рулевого управления 4-Х ТАКТНОГО ПЛМ MERCURY 6 Серийный номер от 0P401000 и выше
Ручка переключения передач 4-Х ТАКТНОГО ПЛМ MERCURY 6 Серийный номер от 0P401000 и выше
Ручной стартер 4-Х ТАКТНОГО ПЛМ MERCURY 6 Серийный номер от 0P401000 и выше
Топливная система 4-Х ТАКТНОГО ПЛМ MERCURY 6 Серийный номер от 0P401000 и выше
Тросы дроссельной заслонки 4-Х ТАКТНОГО ПЛМ MERCURY 6 Серийный номер от 0P401000 и выше
Электрические компоненты 4-Х ТАКТНОГО ПЛМ MERCURY 6 Серийный номер от 0P401000 и выше
Аксессуары 4-Х ТАКТНОГО ПЛМ MERCURY 6 Серийный номер от 0R000001 до 0R067089
Бак в сборе, топливный - пластик - 3,2 галлона 4-Х ТАКТНОГО ПЛМ MERCURY 6 Серийный номер от 0R000001 до 0R067089
Блок цилиндров 4-Х ТАКТНОГО ПЛМ MERCURY 6 Серийный номер от 0R000001 до 0R067089
Впускные / выпускные клапаны 4-Х ТАКТНОГО ПЛМ MERCURY 6 Серийный номер от 0R000001 до 0R067089
Вспомогательные части 4-Х ТАКТНОГО ПЛМ MERCURY 6 Серийный номер от 0R000001 до 0R067089
Встроенный топливный бак 4-Х ТАКТНОГО ПЛМ MERCURY 6 Серийный номер от 0R000001 до 0R067089
Дистанционное управление 4-Х ТАКТНОГО ПЛМ MERCURY 6 Серийный номер от 0R000001 до 0R067089
Зажимной кронштейн 4-Х ТАКТНОГО ПЛМ MERCURY 6 Серийный номер от 0R000001 до 0R067089
Зарядная катушка 4-Х ТАКТНОГО ПЛМ MERCURY 6 Серийный номер от 0R000001 до 0R067089
Инструменты (Часть 1) 4-Х ТАКТНОГО ПЛМ MERCURY 6 Серийный номер от 0R000001 до 0R067089
Инструменты (Часть 2) 4-Х ТАКТНОГО ПЛМ MERCURY 6 Серийный номер от 0R000001 до 0R067089
Капот 4-Х ТАКТНОГО ПЛМ MERCURY 6 Серийный номер от 0R000001 до 0R067089
Карбюратор 4-Х ТАКТНОГО ПЛМ MERCURY 6 Серийный номер от 0R000001 до 0R067089
Коленвал, поршни и шатуны 4-Х ТАКТНОГО ПЛМ MERCURY 6 Серийный номер от 0R000001 до 0R067089
Комплект для дистанционного управления 4-Х ТАКТНОГО ПЛМ MERCURY 6 Серийный номер от 0R000001 до 0R067089
Корпус карданного вала 4-Х ТАКТНОГО ПЛМ MERCURY 6 Серийный номер от 0R000001 до 0R067089
Корпус шестерни, карданный вал 4-Х ТАКТНОГО ПЛМ MERCURY 6 Серийный номер от 0R000001 до 0R067089
Корпус шестерни, приводной вал 4-Х ТАКТНОГО ПЛМ MERCURY 6 Серийный номер от 0R000001 до 0R067089
Маслосборник 4-Х ТАКТНОГО ПЛМ MERCURY 6 Серийный номер от 0R000001 до 0R067089
Прокладки двигателя 4-Х ТАКТНОГО ПЛМ MERCURY 6 Серийный номер от 0R000001 до 0R067089
Рукоятка рулевого управления 4-Х ТАКТНОГО ПЛМ MERCURY 6 Серийный номер от 0R000001 до 0R067089
Ручка переключения передач 4-Х ТАКТНОГО ПЛМ MERCURY 6 Серийный номер от 0R000001 до 0R067089
Ручной стартер 4-Х ТАКТНОГО ПЛМ MERCURY 6 Серийный номер от 0R000001 до 0R067089
Топливная система 4-Х ТАКТНОГО ПЛМ MERCURY 6 Серийный номер от 0R000001 до 0R067089
Тросы дроссельной заслонки 4-Х ТАКТНОГО ПЛМ MERCURY 6 Серийный номер от 0R000001 до 0R067089
Электрические компоненты 4-Х ТАКТНОГО ПЛМ MERCURY 6 Серийный номер от 0R000001 до 0R067089
Аксессуары 4-Х ТАКТНОГО ПЛМ MERCURY 6 Серийный номер от 0R067090 и выше
Бак в сборе, топливный - пластик - 3,2 галлона 4-Х ТАКТНОГО ПЛМ MERCURY 6 Серийный номер от 0R067090 и выше
Блок цилиндров 4-Х ТАКТНОГО ПЛМ MERCURY 6 Серийный номер от 0R067090 и выше
Впускные / выпускные клапаны 4-Х ТАКТНОГО ПЛМ MERCURY 6 Серийный номер от 0R067090 и выше
Вспомогательные части 4-Х ТАКТНОГО ПЛМ MERCURY 6 Серийный номер от 0R067090 и выше
Встроенный топливный бак 4-Х ТАКТНОГО ПЛМ MERCURY 6 Серийный номер от 0R067090 и выше
Дистанционное управление 4000, боковое крепление 4-Х ТАКТНОГО ПЛМ MERCURY 6 Серийный номер от 0R067090 и выше
Зажимной кронштейн 4-Х ТАКТНОГО ПЛМ MERCURY 6 Серийный номер от 0R067090 и выше
Зарядная катушка 4-Х ТАКТНОГО ПЛМ MERCURY 6 Серийный номер от 0R067090 и выше
Инструменты (Часть 1) 4-Х ТАКТНОГО ПЛМ MERCURY 6 Серийный номер от 0R067090 и выше
Инструменты (Часть 2) 4-Х ТАКТНОГО ПЛМ MERCURY 6 Серийный номер от 0R067090 и выше
Капот 4-Х ТАКТНОГО ПЛМ MERCURY 6 Серийный номер от 0R067090 и выше
Карбюратор 4-Х ТАКТНОГО ПЛМ MERCURY 6 Серийный номер от 0R067090 и выше
Коленвал, поршни и шатуны 4-Х ТАКТНОГО ПЛМ MERCURY 6 Серийный номер от 0R067090 и выше
Комплект для дистанционного управления 4-Х ТАКТНОГО ПЛМ MERCURY 6 Серийный номер от 0R067090 и выше
Корпус карданного вала 4-Х ТАКТНОГО ПЛМ MERCURY 6 Серийный номер от 0R067090 и выше
Корпус шестерни, карданный вал 4-Х ТАКТНОГО ПЛМ MERCURY 6 Серийный номер от 0R067090 и выше
Корпус шестерни, приводной вал 4-Х ТАКТНОГО ПЛМ MERCURY 6 Серийный номер от 0R067090 и выше
Маслосборник 4-Х ТАКТНОГО ПЛМ MERCURY 6 Серийный номер от 0R067090 и выше
Прокладки двигателя 4-Х ТАКТНОГО ПЛМ MERCURY 6 Серийный номер от 0R067090 и выше
Рукоятка рулевого управления 4-Х ТАКТНОГО ПЛМ MERCURY 6 Серийный номер от 0R067090 и выше
Ручка переключения передач 4-Х ТАКТНОГО ПЛМ MERCURY 6 Серийный номер от 0R067090 и выше
Ручной стартер 4-Х ТАКТНОГО ПЛМ MERCURY 6 Серийный номер от 0R067090 и выше
Топливная система 4-Х ТАКТНОГО ПЛМ MERCURY 6 Серийный номер от 0R067090 и выше
Тросы дроссельной заслонки 4-Х ТАКТНОГО ПЛМ MERCURY 6 Серийный номер от 0R067090 и выше
Электрические компоненты 4-Х ТАКТНОГО ПЛМ MERCURY 6 Серийный номер от 0R067090 и выше
Power Tilt Components 4-Х ТАКТНОГО ПЛМ MERCURY 8 Серийный номер от 0P325500 и выше
Power Trim Kit, 850700A07 4-Х ТАКТНОГО ПЛМ MERCURY 8 Серийный номер от 0P325500 и выше
Аксессуары 4-Х ТАКТНОГО ПЛМ MERCURY 8 Серийный номер от 0P325500 и выше
Блок цилиндров 4-Х ТАКТНОГО ПЛМ MERCURY 8 Серийный номер от 0P325500 и выше
Впускной коллектор и топливный насос 4-Х ТАКТНОГО ПЛМ MERCURY 8 Серийный номер от 0P325500 и выше
Впускные/выпускные клапаны 4-Х ТАКТНОГО ПЛМ MERCURY 8 Серийный номер от 0P325500 и выше
Головка цилиндра 4-Х ТАКТНОГО ПЛМ MERCURY 8 Серийный номер от 0P325500 и выше
Зажимной кронштейн, Non-Power Tilt 4-Х ТАКТНОГО ПЛМ MERCURY 8 Серийный номер от 0P325500 и выше
Инструменты 4-Х ТАКТНОГО ПЛМ MERCURY 8 Серийный номер от 0P325500 и выше
Капот 4-Х ТАКТНОГО ПЛМ MERCURY 8 Серийный номер от 0P325500 и выше
Карбюратор 4-Х ТАКТНОГО ПЛМ MERCURY 8 Серийный номер от 0P325500 и выше
Коленчатый вал, поршни и шатуны, 0R310614 и ниже 4-Х ТАКТНОГО ПЛМ MERCURY 8 Серийный номер от 0P325500 и выше
Комплект кабельных разъемов, 898289A20 4-Х ТАКТНОГО ПЛМ MERCURY 8 Серийный номер от 0P325500 и выше
Комплект крепления, рулевая тяга, 17024A03 4-Х ТАКТНОГО ПЛМ MERCURY 8 Серийный номер от 0P325500 и выше
Комплект переделки в дистанционное управление, 895284A01 4-Х ТАКТНОГО ПЛМ MERCURY 8 Серийный номер от 0P325500 и выше
Комплект переделки в дистанционное управление, 895284A02 4-Х ТАКТНОГО ПЛМ MERCURY 8 Серийный номер от 0P325500 и выше
Компоненты зажигания 4-Х ТАКТНОГО ПЛМ MERCURY 8 Серийный номер от 0P325500 и выше
Компоненты переключения передач, Non Bigfoot 4-Х ТАКТНОГО ПЛМ MERCURY 8 Серийный номер от 0P325500 и выше
Компоненты переключения передач,Bigfoot 4-Х ТАКТНОГО ПЛМ MERCURY 8 Серийный номер от 0P325500 и выше
Корпус карданного вала, Bigfoot 4-Х ТАКТНОГО ПЛМ MERCURY 8 Серийный номер от 0P325500 и выше
Корпус карданного вала, Non Bigfoot 4-Х ТАКТНОГО ПЛМ MERCURY 8 Серийный номер от 0P325500 и выше
Корпус шестерни, карданный вал-Bigfoot 4-Х ТАКТНОГО ПЛМ MERCURY 8 Серийный номер от 0P325500 и выше
Корпус шестерни, карданный вал-Non Bigfoot 4-Х ТАКТНОГО ПЛМ MERCURY 8 Серийный номер от 0P325500 и выше
Корпус шестерни, приводной вал-Bigfoot 4-Х ТАКТНОГО ПЛМ MERCURY 8 Серийный номер от 0P325500 и выше
Корпус шестерни, приводной вал-Non Bigfoot 4-Х ТАКТНОГО ПЛМ MERCURY 8 Серийный номер от 0P325500 и выше
Масляный насос распредвала 4-Х ТАКТНОГО ПЛМ MERCURY 8 Серийный номер от 0P325500 и выше
Набор переоборудования ручки румпеля, электрический - 889246A79 4-Х ТАКТНОГО ПЛМ MERCURY 8 Серийный номер от 0P325500 и выше
Набор переоборудования ручки румпеля, электрический - 889246A86 4-Х ТАКТНОГО ПЛМ MERCURY 8 Серийный номер от 0P325500 и выше
Набор переоборудования ручки румпеля, электрический - 96289A01 4-Х ТАКТНОГО ПЛМ MERCURY 8 Серийный номер от 0P325500 и выше
Поворотный кронштейн, Non-Power Tilt 4-Х ТАКТНОГО ПЛМ MERCURY 8 Серийный номер от 0P325500 и выше
Поворотный кронштейн, Power Tilt 4-Х ТАКТНОГО ПЛМ MERCURY 8 Серийный номер от 0P325500 и выше
Рукоятка румпеля 4-Х ТАКТНОГО ПЛМ MERCURY 8 Серийный номер от 0P325500 и выше
Ручной стартер 4-Х ТАКТНОГО ПЛМ MERCURY 8 Серийный номер от 0P325500 и выше
Рычаг дроссельной заслонки/Переключения передач, 9.9 Remote Models 4-Х ТАКТНОГО ПЛМ MERCURY 8 Серийный номер от 0P325500 и выше
Топливный бак 4-Х ТАКТНОГО ПЛМ MERCURY 8 Серийный номер от 0P325500 и выше
Электрические компоненты, Electric Start Models 4-Х ТАКТНОГО ПЛМ MERCURY 8 Серийный номер от 0P325500 и выше
Электростартер Conversion Kit, 895298A01 4-Х ТАКТНОГО ПЛМ MERCURY 8 Серийный номер от 0P325500 и выше
Power Tilt Components 4-Х ТАКТНОГО ПЛМ MERCURY 8 Серийный номер от 0R042475 и выше
Power Trim Kit, 850700A07 4-Х ТАКТНОГО ПЛМ MERCURY 8 Серийный номер от 0R042475 и выше
Аксессуары 4-Х ТАКТНОГО ПЛМ MERCURY 8 Серийный номер от 0R042475 и выше
Блок цилиндров 4-Х ТАКТНОГО ПЛМ MERCURY 8 Серийный номер от 0R042475 и выше
Впускной коллектор и топливный насос 4-Х ТАКТНОГО ПЛМ MERCURY 8 Серийный номер от 0R042475 и выше
Впускные/выпускные клапаны 4-Х ТАКТНОГО ПЛМ MERCURY 8 Серийный номер от 0R042475 и выше
Головка цилиндра 4-Х ТАКТНОГО ПЛМ MERCURY 8 Серийный номер от 0R042475 и выше
Зажимной кронштейн, Non-Power Tilt 4-Х ТАКТНОГО ПЛМ MERCURY 8 Серийный номер от 0R042475 и выше
Зажимной кронштейн, Power Tilt 4-Х ТАКТНОГО ПЛМ MERCURY 8 Серийный номер от 0R042475 и выше
Инструменты 4-Х ТАКТНОГО ПЛМ MERCURY 8 Серийный номер от 0R042475 и выше
Капот 4-Х ТАКТНОГО ПЛМ MERCURY 8 Серийный номер от 0R042475 и выше
Карбюратор 4-Х ТАКТНОГО ПЛМ MERCURY 8 Серийный номер от 0R042475 и выше
Коленчатый вал, поршни и шатуны, 0R310614 и ниже 4-Х ТАКТНОГО ПЛМ MERCURY 8 Серийный номер от 0R042475 и выше
Комплект кабельных разъемов, 898289A20 4-Х ТАКТНОГО ПЛМ MERCURY 8 Серийный номер от 0R042475 и выше
Комплект крепления, рулевая тяга, 17024A03 4-Х ТАКТНОГО ПЛМ MERCURY 8 Серийный номер от 0R042475 и выше
Комплект переделки в дистанционное управление, 895284A01 4-Х ТАКТНОГО ПЛМ MERCURY 8 Серийный номер от 0R042475 и выше
Комплект переделки в дистанционное управление, 895284A02 4-Х ТАКТНОГО ПЛМ MERCURY 8 Серийный номер от 0R042475 и выше
Компоненты зажигания 4-Х ТАКТНОГО ПЛМ MERCURY 8 Серийный номер от 0R042475 и выше
Компоненты переключения передач, Bigfoot 4-Х ТАКТНОГО ПЛМ MERCURY 8 Серийный номер от 0R042475 и выше
Корпус карданного вала, Bigfoot 4-Х ТАКТНОГО ПЛМ MERCURY 8 Серийный номер от 0R042475 и выше
Корпус карданного вала, Non Bigfoot 4-Х ТАКТНОГО ПЛМ MERCURY 8 Серийный номер от 0R042475 и выше
Корпус шестерни, карданный вал-Bigfoot 4-Х ТАКТНОГО ПЛМ MERCURY 8 Серийный номер от 0R042475 и выше
Корпус шестерни, карданный вал-Non Bigfoot 4-Х ТАКТНОГО ПЛМ MERCURY 8 Серийный номер от 0R042475 и выше
Корпус шестерни, приводной вал-Non Bigfoot 4-Х ТАКТНОГО ПЛМ MERCURY 8 Серийный номер от 0R042475 и выше
Масляный насос распредвала 4-Х ТАКТНОГО ПЛМ MERCURY 8 Серийный номер от 0R042475 и выше
Набор переоборудования ручки румпеля, электрический - 889246A79 4-Х ТАКТНОГО ПЛМ MERCURY 8 Серийный номер от 0R042475 и выше
Набор переоборудования ручки румпеля, электрический - 889246A86 4-Х ТАКТНОГО ПЛМ MERCURY 8 Серийный номер от 0R042475 и выше
Набор переоборудования ручки румпеля, электрический - 896289A02 4-Х ТАКТНОГО ПЛМ MERCURY 8 Серийный номер от 0R042475 и выше
Набор переоборудования ручки румпеля, электрический - 8M0051063 4-Х ТАКТНОГО ПЛМ MERCURY 8 Серийный номер от 0R042475 и выше
Набор переоборудования ручки румпеля, электрический - 8M0051064 4-Х ТАКТНОГО ПЛМ MERCURY 8 Серийный номер от 0R042475 и выше
Набор переоборудования ручки румпеля, электрический - 96289A01 4-Х ТАКТНОГО ПЛМ MERCURY 8 Серийный номер от 0R042475 и выше
Поворотный кронштейн, Non-Power Tilt 4-Х ТАКТНОГО ПЛМ MERCURY 8 Серийный номер от 0R042475 и выше
Поворотный кронштейн, Power Tilt 4-Х ТАКТНОГО ПЛМ MERCURY 8 Серийный номер от 0R042475 и выше
Рукоятка румпеля 4-Х ТАКТНОГО ПЛМ MERCURY 8 Серийный номер от 0R042475 и выше
Ручной стартер 4-Х ТАКТНОГО ПЛМ MERCURY 8 Серийный номер от 0R042475 и выше
Рычаг дроссельной заслонки/Переключения передач, 9.9 Remote Models 4-Х ТАКТНОГО ПЛМ MERCURY 8 Серийный номер от 0R042475 и выше
Топливный бак 4-Х ТАКТНОГО ПЛМ MERCURY 8 Серийный номер от 0R042475 и выше
Электрические компоненты, Electric Start Models 4-Х ТАКТНОГО ПЛМ MERCURY 8 Серийный номер от 0R042475 и выше
Электростартер Conversion Kit, 895298A01 4-Х ТАКТНОГО ПЛМ MERCURY 8 Серийный номер от 0R042475 и выше
Power Tilt Components 4-Х ТАКТНОГО ПЛМ MERCURY 9.9 Серийный номер от 0P325500 и выше
Power Trim Kit, 850700A07 4-Х ТАКТНОГО ПЛМ MERCURY 9.9 Серийный номер от 0P325500 и выше
Аксессуары 4-Х ТАКТНОГО ПЛМ MERCURY 9.9 Серийный номер от 0P325500 и выше
Блок цилиндров 4-Х ТАКТНОГО ПЛМ MERCURY 9.9 Серийный номер от 0P325500 и выше
Впускной коллектор и топливный насос 4-Х ТАКТНОГО ПЛМ MERCURY 9.9 Серийный номер от 0P325500 и выше
Впускные/выпускные клапаны 4-Х ТАКТНОГО ПЛМ MERCURY 9.9 Серийный номер от 0P325500 и выше
Головка цилиндра 4-Х ТАКТНОГО ПЛМ MERCURY 9.9 Серийный номер от 0P325500 и выше
Зажимной кронштейн, Non-Power Tilt 4-Х ТАКТНОГО ПЛМ MERCURY 9.9 Серийный номер от 0P325500 и выше
Зажимной кронштейн, Power Tilt 4-Х ТАКТНОГО ПЛМ MERCURY 9.9 Серийный номер от 0P325500 и выше
Инструменты 4-Х ТАКТНОГО ПЛМ MERCURY 9.9 Серийный номер от 0P325500 и выше
Капот 4-Х ТАКТНОГО ПЛМ MERCURY 9.9 Серийный номер от 0P325500 и выше
Карбюратор 4-Х ТАКТНОГО ПЛМ MERCURY 9.9 Серийный номер от 0P325500 и выше
Коленчатый вал, поршни и шатуны, 0R310614 и ниже 4-Х ТАКТНОГО ПЛМ MERCURY 9.9 Серийный номер от 0P325500 и выше
Комплект кабельных разъемов, 898289A20 4-Х ТАКТНОГО ПЛМ MERCURY 9.9 Серийный номер от 0P325500 и выше
Комплект крепления, рулевая тяга, 17024A03 4-Х ТАКТНОГО ПЛМ MERCURY 9.9 Серийный номер от 0P325500 и выше
Комплект переделки в дистанционное управление, 895284A01 4-Х ТАКТНОГО ПЛМ MERCURY 9.9 Серийный номер от 0P325500 и выше
Компоненты зажигания 4-Х ТАКТНОГО ПЛМ MERCURY 9.9 Серийный номер от 0P325500 и выше
Компоненты переключения передач, Bigfoot 4-Х ТАКТНОГО ПЛМ MERCURY 9.9 Серийный номер от 0P325500 и выше
Компоненты переключения передач, Non Bigfoot 4-Х ТАКТНОГО ПЛМ MERCURY 9.9 Серийный номер от 0P325500 и выше
Корпус карданного вала, Bigfoot 4-Х ТАКТНОГО ПЛМ MERCURY 9.9 Серийный номер от 0P325500 и выше
Корпус шестерни, карданный вал-Bigfoot 4-Х ТАКТНОГО ПЛМ MERCURY 9.9 Серийный номер от 0P325500 и выше
Корпус шестерни, карданный вал-Non Bigfoot 4-Х ТАКТНОГО ПЛМ MERCURY 9.9 Серийный номер от 0P325500 и выше
Корпус шестерни, приводной вал-Bigfoot 4-Х ТАКТНОГО ПЛМ MERCURY 9.9 Серийный номер от 0P325500 и выше
Корпус шестерни, приводной вал-Non Bigfoot 4-Х ТАКТНОГО ПЛМ MERCURY 9.9 Серийный номер от 0P325500 и выше
Масляный насос распредвала 4-Х ТАКТНОГО ПЛМ MERCURY 9.9 Серийный номер от 0P325500 и выше
Набор переоборудования ручки румпеля, электрический - 889246A79 4-Х ТАКТНОГО ПЛМ MERCURY 9.9 Серийный номер от 0P325500 и выше
Набор переоборудования ручки румпеля, электрический - 8M0051063 4-Х ТАКТНОГО ПЛМ MERCURY 9.9 Серийный номер от 0P325500 и выше
Набор переоборудования ручки румпеля, электрический - 8M0051066 4-Х ТАКТНОГО ПЛМ MERCURY 9.9 Серийный номер от 0P325500 и выше
Набор переоборудования ручки румпеля, электрический - 96289A01 4-Х ТАКТНОГО ПЛМ MERCURY 9.9 Серийный номер от 0P325500 и выше
Поворотный кронштейн, Non-Power Tilt 4-Х ТАКТНОГО ПЛМ MERCURY 9.9 Серийный номер от 0P325500 и выше
Поворотный кронштейн, Power Tilt 4-Х ТАКТНОГО ПЛМ MERCURY 9.9 Серийный номер от 0P325500 и выше
Рукоятка румпеля 4-Х ТАКТНОГО ПЛМ MERCURY 9.9 Серийный номер от 0P325500 и выше
Ручной стартер 4-Х ТАКТНОГО ПЛМ MERCURY 9.9 Серийный номер от 0P325500 и выше
Рычаг дроссельной заслонки/Переключения передач, 9.9 Remote Models 4-Х ТАКТНОГО ПЛМ MERCURY 9.9 Серийный номер от 0P325500 и выше
Топливный бак 4-Х ТАКТНОГО ПЛМ MERCURY 9.9 Серийный номер от 0P325500 и выше
Электрические компоненты, Electric Start Models 4-Х ТАКТНОГО ПЛМ MERCURY 9.9 Серийный номер от 0P325500 и выше
Электростартер Conversion Kit, 895298A01 4-Х ТАКТНОГО ПЛМ MERCURY 9.9 Серийный номер от 0P325500 и выше
Power Tilt Components 4-Х ТАКТНОГО ПЛМ MERCURY 9.9 Серийный номер от 0R042475 и выше
Power Trim Kit, 850700A07 4-Х ТАКТНОГО ПЛМ MERCURY 9.9 Серийный номер от 0R042475 и выше
Аксессуары 4-Х ТАКТНОГО ПЛМ MERCURY 9.9 Серийный номер от 0R042475 и выше
Блок цилиндров 4-Х ТАКТНОГО ПЛМ MERCURY 9.9 Серийный номер от 0R042475 и выше
Впускной коллектор и топливный насос 4-Х ТАКТНОГО ПЛМ MERCURY 9.9 Серийный номер от 0R042475 и выше
Впускные/выпускные клапаны 4-Х ТАКТНОГО ПЛМ MERCURY 9.9 Серийный номер от 0R042475 и выше
Головка цилиндра 4-Х ТАКТНОГО ПЛМ MERCURY 9.9 Серийный номер от 0R042475 и выше
Зажимной кронштейн, Non-Power Tilt 4-Х ТАКТНОГО ПЛМ MERCURY 9.9 Серийный номер от 0R042475 и выше
Инструменты 4-Х ТАКТНОГО ПЛМ MERCURY 9.9 Серийный номер от 0R042475 и выше
Капот 4-Х ТАКТНОГО ПЛМ MERCURY 9.9 Серийный номер от 0R042475 и выше
Карбюратор 4-Х ТАКТНОГО ПЛМ MERCURY 9.9 Серийный номер от 0R042475 и выше
Коленчатый вал, поршни и шатуны, 0R310614 и ниже 4-Х ТАКТНОГО ПЛМ MERCURY 9.9 Серийный номер от 0R042475 и выше
Комплект кабельных разъемов, 898289A20 4-Х ТАКТНОГО ПЛМ MERCURY 9.9 Серийный номер от 0R042475 и выше
Комплект крепления, рулевая тяга, 17024A03 4-Х ТАКТНОГО ПЛМ MERCURY 9.9 Серийный номер от 0R042475 и выше
Комплект переделки в дистанционное управление, 895284A01 4-Х ТАКТНОГО ПЛМ MERCURY 9.9 Серийный номер от 0R042475 и выше
Комплект переделки в дистанционное управление, 895284A02 4-Х ТАКТНОГО ПЛМ MERCURY 9.9 Серийный номер от 0R042475 и выше
Компоненты зажигания 4-Х ТАКТНОГО ПЛМ MERCURY 9.9 Серийный номер от 0R042475 и выше
Компоненты переключения передач, Bigfoot 4-Х ТАКТНОГО ПЛМ MERCURY 9.9 Серийный номер от 0R042475 и выше
Компоненты переключения передач, Non Bigfoot 4-Х ТАКТНОГО ПЛМ MERCURY 9.9 Серийный номер от 0R042475 и выше
Корпус карданного вала, Bigfoot 4-Х ТАКТНОГО ПЛМ MERCURY 9.9 Серийный номер от 0R042475 и выше
Корпус карданного вала, Non Bigfoot 4-Х ТАКТНОГО ПЛМ MERCURY 9.9 Серийный номер от 0R042475 и выше
Корпус шестерни, карданный вал-Bigfoot 4-Х ТАКТНОГО ПЛМ MERCURY 9.9 Серийный номер от 0R042475 и выше
Корпус шестерни, карданный вал-Non Bigfoot 4-Х ТАКТНОГО ПЛМ MERCURY 9.9 Серийный номер от 0R042475 и выше
Корпус шестерни, приводной вал-Bigfoot 4-Х ТАКТНОГО ПЛМ MERCURY 9.9 Серийный номер от 0R042475 и выше
Корпус шестерни, приводной вал-Non Bigfoot 4-Х ТАКТНОГО ПЛМ MERCURY 9.9 Серийный номер от 0R042475 и выше
Масляный насос распредвала 4-Х ТАКТНОГО ПЛМ MERCURY 9.9 Серийный номер от 0R042475 и выше
Набор переоборудования ручки румпеля, электрический - 889246A79 4-Х ТАКТНОГО ПЛМ MERCURY 9.9 Серийный номер от 0R042475 и выше
Набор переоборудования ручки румпеля, электрический - 889246A86 4-Х ТАКТНОГО ПЛМ MERCURY 9.9 Серийный номер от 0R042475 и выше
Набор переоборудования ручки румпеля, электрический - 896289A02 4-Х ТАКТНОГО ПЛМ MERCURY 9.9 Серийный номер от 0R042475 и выше
Набор переоборудования ручки румпеля, электрический - 8M0051063 4-Х ТАКТНОГО ПЛМ MERCURY 9.9 Серийный номер от 0R042475 и выше
Набор переоборудования ручки румпеля, электрический - 96289A01 4-Х ТАКТНОГО ПЛМ MERCURY 9.9 Серийный номер от 0R042475 и выше
Поворотный кронштейн, Non-Power Tilt 4-Х ТАКТНОГО ПЛМ MERCURY 9.9 Серийный номер от 0R042475 и выше
Поворотный кронштейн, Power Tilt 4-Х ТАКТНОГО ПЛМ MERCURY 9.9 Серийный номер от 0R042475 и выше
Рукоятка румпеля 4-Х ТАКТНОГО ПЛМ MERCURY 9.9 Серийный номер от 0R042475 и выше
Ручной стартер 4-Х ТАКТНОГО ПЛМ MERCURY 9.9 Серийный номер от 0R042475 и выше
Рычаг дроссельной заслонки/Переключения передач, 9.9 Remote Models 4-Х ТАКТНОГО ПЛМ MERCURY 9.9 Серийный номер от 0R042475 и выше
Топливный бак 4-Х ТАКТНОГО ПЛМ MERCURY 9.9 Серийный номер от 0R042475 и выше
Электрические компоненты, Electric Start Models 4-Х ТАКТНОГО ПЛМ MERCURY 9.9 Серийный номер от 0R042475 и выше
Электростартер Conversion Kit, 895298A01 4-Х ТАКТНОГО ПЛМ MERCURY 9.9 Серийный номер от 0R042475 и выше
Блок цилиндров 4-Х ТАКТНОГО ПЛМ MERCURY F15 Серийный номер от 0G590000 до 0G760299
Верх капота 4-Х ТАКТНОГО ПЛМ MERCURY F15 Серийный номер от 0G590000 до 0G760299
Впускной коллектор 4-Х ТАКТНОГО ПЛМ MERCURY F15 Серийный номер от 0G590000 до 0G760299
Впускные/выпускные клапаны 4-Х ТАКТНОГО ПЛМ MERCURY F15 Серийный номер от 0G590000 до 0G760299
Головка цилиндра 4-Х ТАКТНОГО ПЛМ MERCURY F15 Серийный номер от 0G590000 до 0G760299
Зажимной кронштейн 4-Х ТАКТНОГО ПЛМ MERCURY F15 Серийный номер от 0G590000 до 0G760299
Инструменты 4-Х ТАКТНОГО ПЛМ MERCURY F15 Серийный номер от 0G590000 до 0G760299
Карбюратор 4-Х ТАКТНОГО ПЛМ MERCURY F15 Серийный номер от 0G590000 до 0G760299
Коленчатый вал, поршни и шатуны 4-Х ТАКТНОГО ПЛМ MERCURY F15 Серийный номер от 0G590000 до 0G760299
Корпус карданного вала 4-Х ТАКТНОГО ПЛМ MERCURY F15 Серийный номер от 0G590000 до 0G760299
Корпус шестерни, карданный вал - 2.00:1 передаточное число 4-Х ТАКТНОГО ПЛМ MERCURY F15 Серийный номер от 0G590000 до 0G760299
Корпус шестерни, карданный вал - 2.42:1 передаточное число 4-Х ТАКТНОГО ПЛМ MERCURY F15 Серийный номер от 0G590000 до 0G760299
Корпус шестерни, приводной вал - 2.00:1 передаточное число 4-Х ТАКТНОГО ПЛМ MERCURY F15 Серийный номер от 0G590000 до 0G760299
Корпус шестерни, приводной вал - 2.42:1 передаточное число 4-Х ТАКТНОГО ПЛМ MERCURY F15 Серийный номер от 0G590000 до 0G760299
Маховик 4-Х ТАКТНОГО ПЛМ MERCURY F15 Серийный номер от 0G590000 до 0G760299
Низ капота 4-Х ТАКТНОГО ПЛМ MERCURY F15 Серийный номер от 0G590000 до 0G760299
Поворотный кронштейн 4-Х ТАКТНОГО ПЛМ MERCURY F15 Серийный номер от 0G590000 до 0G760299
Распредвал и масляный насос 4-Х ТАКТНОГО ПЛМ MERCURY F15 Серийный номер от 0G590000 до 0G760299
Рукоятка румпеля 4-Х ТАКТНОГО ПЛМ MERCURY F15 Серийный номер от 0G590000 до 0G760299
Ручной стартер 4-Х ТАКТНОГО ПЛМ MERCURY F15 Серийный номер от 0G590000 до 0G760299
Рычаг дроссельной заслонки, Non-Handle Models 4-Х ТАКТНОГО ПЛМ MERCURY F15 Серийный номер от 0G590000 до 0G760299
Сигнализатор уровня масла 4-Х ТАКТНОГО ПЛМ MERCURY F15 Серийный номер от 0G590000 до 0G760299
Стартер 4-Х ТАКТНОГО ПЛМ MERCURY F15 Серийный номер от 0G590000 до 0G760299
Топливный насос 4-Х ТАКТНОГО ПЛМ MERCURY F15 Серийный номер от 0G590000 до 0G760299
Электрические компоненты 4-Х ТАКТНОГО ПЛМ MERCURY F15 Серийный номер от 0G590000 до 0G760299
Аксессуары 4-Х ТАКТНОГО ПЛМ MERCURY F15 Серийный номер от 0G760300 до 1B226999
Блок цилиндров и крышки 4-Х ТАКТНОГО ПЛМ MERCURY F15 Серийный номер от 0G760300 до 1B226999
Верх капота 4-Х ТАКТНОГО ПЛМ MERCURY F15 Серийный номер от 0G760300 до 1B226999
Впускной коллектор 4-Х ТАКТНОГО ПЛМ MERCURY F15 Серийный номер от 0G760300 до 1B226999
Впускные/выпускные клапаны 4-Х ТАКТНОГО ПЛМ MERCURY F15 Серийный номер от 0G760300 до 1B226999
Головка цилиндра 4-Х ТАКТНОГО ПЛМ MERCURY F15 Серийный номер от 0G760300 до 1B226999
Зажимной кронштейн 4-Х ТАКТНОГО ПЛМ MERCURY F15 Серийный номер от 0G760300 до 1B226999
Инструменты 4-Х ТАКТНОГО ПЛМ MERCURY F15 Серийный номер от 0G760300 до 1B226999
Карбюратор 4-Х ТАКТНОГО ПЛМ MERCURY F15 Серийный номер от 0G760300 до 1B226999
Карданный вал 4-Х ТАКТНОГО ПЛМ MERCURY F15 Серийный номер от 0G760300 до 1B226999
Коленчатый вал, поршни и шатуны 4-Х ТАКТНОГО ПЛМ MERCURY F15 Серийный номер от 0G760300 до 1B226999
Корпус карданного вала 4-Х ТАКТНОГО ПЛМ MERCURY F15 Серийный номер от 0G760300 до 1B226999
Корпус шестерни, карданный вал - 2.00:1 передаточное число 4-Х ТАКТНОГО ПЛМ MERCURY F15 Серийный номер от 0G760300 до 1B226999
Корпус шестерни, карданный вал - 2.42:1 передаточное число 4-Х ТАКТНОГО ПЛМ MERCURY F15 Серийный номер от 0G760300 до 1B226999
Корпус шестерни, приводной вал - 2.00:1 передаточное число 4-Х ТАКТНОГО ПЛМ MERCURY F15 Серийный номер от 0G760300 до 1B226999
Маховик 4-Х ТАКТНОГО ПЛМ MERCURY F15 Серийный номер от 0G760300 до 1B226999
Набор прокладок 4-Х ТАКТНОГО ПЛМ MERCURY F15 Серийный номер от 0G760300 до 1B226999
Низ капота 4-Х ТАКТНОГО ПЛМ MERCURY F15 Серийный номер от 0G760300 до 1B226999
Поворотный кронштейн 4-Х ТАКТНОГО ПЛМ MERCURY F15 Серийный номер от 0G760300 до 1B226999
Распредвал и масляный насос 4-Х ТАКТНОГО ПЛМ MERCURY F15 Серийный номер от 0G760300 до 1B226999
Рукоятка румпеля 4-Х ТАКТНОГО ПЛМ MERCURY F15 Серийный номер от 0G760300 до 1B226999
Рычаг дроссельной заслонки, Handle Models 4-Х ТАКТНОГО ПЛМ MERCURY F15 Серийный номер от 0G760300 до 1B226999
Сигнализатор уровня масла 4-Х ТАКТНОГО ПЛМ MERCURY F15 Серийный номер от 0G760300 до 1B226999
Стартер 4-Х ТАКТНОГО ПЛМ MERCURY F15 Серийный номер от 0G760300 до 1B226999
Стартер в сборе 4-Х ТАКТНОГО ПЛМ MERCURY F15 Серийный номер от 0G760300 до 1B226999
Топливный бак 4-Х ТАКТНОГО ПЛМ MERCURY F15 Серийный номер от 0G760300 до 1B226999
Топливный насос 4-Х ТАКТНОГО ПЛМ MERCURY F15 Серийный номер от 0G760300 до 1B226999
Электрические компоненты 4-Х ТАКТНОГО ПЛМ MERCURY F15 Серийный номер от 0G760300 до 1B226999
Аксессуары 4-Х ТАКТНОГО ПЛМ MERCURY F15 Серийный номер от 0P075166 до 0P400999
Блок цилиндров и крышки 4-Х ТАКТНОГО ПЛМ MERCURY F15 Серийный номер от 0P075166 до 0P400999
Верх капота 4-Х ТАКТНОГО ПЛМ MERCURY F15 Серийный номер от 0P075166 до 0P400999
Впускной коллектор 4-Х ТАКТНОГО ПЛМ MERCURY F15 Серийный номер от 0P075166 до 0P400999
Впускные/выпускные клапаны 4-Х ТАКТНОГО ПЛМ MERCURY F15 Серийный номер от 0P075166 до 0P400999
Головка цилиндра 4-Х ТАКТНОГО ПЛМ MERCURY F15 Серийный номер от 0P075166 до 0P400999
Зажимной кронштейн 4-Х ТАКТНОГО ПЛМ MERCURY F15 Серийный номер от 0P075166 до 0P400999
Инструменты 4-Х ТАКТНОГО ПЛМ MERCURY F15 Серийный номер от 0P075166 до 0P400999
Карбюратор 4-Х ТАКТНОГО ПЛМ MERCURY F15 Серийный номер от 0P075166 до 0P400999
Карданный вал 4-Х ТАКТНОГО ПЛМ MERCURY F15 Серийный номер от 0P075166 до 0P400999
Коленчатый вал, поршни и шатуны 4-Х ТАКТНОГО ПЛМ MERCURY F15 Серийный номер от 0P075166 до 0P400999
Корпус карданного вала 4-Х ТАКТНОГО ПЛМ MERCURY F15 Серийный номер от 0P075166 до 0P400999
Корпус шестерни, карданный вал - 2.00:1 передаточное число 4-Х ТАКТНОГО ПЛМ MERCURY F15 Серийный номер от 0P075166 до 0P400999
Корпус шестерни, карданный вал - 2.42:1 передаточное число 4-Х ТАКТНОГО ПЛМ MERCURY F15 Серийный номер от 0P075166 до 0P400999
Корпус шестерни, приводной вал - 2.00:1 передаточное число 4-Х ТАКТНОГО ПЛМ MERCURY F15 Серийный номер от 0P075166 до 0P400999
Корпус шестерни, приводной вал - 2.42:1 передаточное число 4-Х ТАКТНОГО ПЛМ MERCURY F15 Серийный номер от 0P075166 до 0P400999
Маховик 4-Х ТАКТНОГО ПЛМ MERCURY F15 Серийный номер от 0P075166 до 0P400999
Набор прокладок 4-Х ТАКТНОГО ПЛМ MERCURY F15 Серийный номер от 0P075166 до 0P400999
Низ капота 4-Х ТАКТНОГО ПЛМ MERCURY F15 Серийный номер от 0P075166 до 0P400999
Поворотный кронштейн 4-Х ТАКТНОГО ПЛМ MERCURY F15 Серийный номер от 0P075166 до 0P400999
Распредвал и масляный насос 4-Х ТАКТНОГО ПЛМ MERCURY F15 Серийный номер от 0P075166 до 0P400999
Рукоятка румпеля 4-Х ТАКТНОГО ПЛМ MERCURY F15 Серийный номер от 0P075166 до 0P400999
Рычаг дроссельной заслонки, Handle Models 4-Х ТАКТНОГО ПЛМ MERCURY F15 Серийный номер от 0P075166 до 0P400999
Сигнализатор уровня масла 4-Х ТАКТНОГО ПЛМ MERCURY F15 Серийный номер от 0P075166 до 0P400999
Стартер 4-Х ТАКТНОГО ПЛМ MERCURY F15 Серийный номер от 0P075166 до 0P400999
Стартер в сборе 4-Х ТАКТНОГО ПЛМ MERCURY F15 Серийный номер от 0P075166 до 0P400999
Топливный бак 4-Х ТАКТНОГО ПЛМ MERCURY F15 Серийный номер от 0P075166 до 0P400999
Топливный насос 4-Х ТАКТНОГО ПЛМ MERCURY F15 Серийный номер от 0P075166 до 0P400999
Электрические компоненты 4-Х ТАКТНОГО ПЛМ MERCURY F15 Серийный номер от 0P075166 до 0P400999
Аксессуары 4-Х ТАКТНОГО ПЛМ MERCURY F15 Серийный номер от 0P401000 и выше
Блок цилиндров и крышки 4-Х ТАКТНОГО ПЛМ MERCURY F15 Серийный номер от 0P401000 и выше
Верх капота 4-Х ТАКТНОГО ПЛМ MERCURY F15 Серийный номер от 0P401000 и выше
Впускной коллектор 4-Х ТАКТНОГО ПЛМ MERCURY F15 Серийный номер от 0P401000 и выше
Головка цилиндра 4-Х ТАКТНОГО ПЛМ MERCURY F15 Серийный номер от 0P401000 и выше
Зажимной кронштейн 4-Х ТАКТНОГО ПЛМ MERCURY F15 Серийный номер от 0P401000 и выше
Инструменты 4-Х ТАКТНОГО ПЛМ MERCURY F15 Серийный номер от 0P401000 и выше
Карбюратор 4-Х ТАКТНОГО ПЛМ MERCURY F15 Серийный номер от 0P401000 и выше
Коленчатый вал, поршни и шатуны 4-Х ТАКТНОГО ПЛМ MERCURY F15 Серийный номер от 0P401000 и выше
Комплект прокладок 4-Х ТАКТНОГО ПЛМ MERCURY F15 Серийный номер от 0P401000 и выше
Корпус карданного вала 4-Х ТАКТНОГО ПЛМ MERCURY F15 Серийный номер от 0P401000 и выше
Корпус шестерни, карданный вал - 2.00:1 передаточное число(Non-Bigfoot) 4-Х ТАКТНОГО ПЛМ MERCURY F15 Серийный номер от 0P401000 и выше
Корпус шестерни, карданный вал - 2.42:1 передаточное число(Bigfoot) 4-Х ТАКТНОГО ПЛМ MERCURY F15 Серийный номер от 0P401000 и выше
Корпус шестерни, приводной вал - 2.00:1 передаточное число(Non-Bigfoot) 4-Х ТАКТНОГО ПЛМ MERCURY F15 Серийный номер от 0P401000 и выше
Маховик 4-Х ТАКТНОГО ПЛМ MERCURY F15 Серийный номер от 0P401000 и выше
Низ капота 4-Х ТАКТНОГО ПЛМ MERCURY F15 Серийный номер от 0P401000 и выше
Поворотный кронштейн 4-Х ТАКТНОГО ПЛМ MERCURY F15 Серийный номер от 0P401000 и выше
Распредвал и масляный насос 4-Х ТАКТНОГО ПЛМ MERCURY F15 Серийный номер от 0P401000 и выше
Рукоятка румпеля 4-Х ТАКТНОГО ПЛМ MERCURY F15 Серийный номер от 0P401000 и выше
Рычаг дроссельной заслонки, Handle Models 4-Х ТАКТНОГО ПЛМ MERCURY F15 Серийный номер от 0P401000 и выше
Сигнализатор уровня масла 4-Х ТАКТНОГО ПЛМ MERCURY F15 Серийный номер от 0P401000 и выше
Стартер 4-Х ТАКТНОГО ПЛМ MERCURY F15 Серийный номер от 0P401000 и выше
Стартер в сборе 4-Х ТАКТНОГО ПЛМ MERCURY F15 Серийный номер от 0P401000 и выше
Топливный бак 4-Х ТАКТНОГО ПЛМ MERCURY F15 Серийный номер от 0P401000 и выше
Топливный насос 4-Х ТАКТНОГО ПЛМ MERCURY F15 Серийный номер от 0P401000 и выше
Электрические компоненты 4-Х ТАКТНОГО ПЛМ MERCURY F15 Серийный номер от 0P401000 и выше
Аксессуары 4-Х ТАКТНОГО ПЛМ MERCURY F15 Серийный номер от 9973100 до 0P016999
Блок цилиндров 4-Х ТАКТНОГО ПЛМ MERCURY F15 Серийный номер от 9973100 до 0P016999
Верх капота 4-Х ТАКТНОГО ПЛМ MERCURY F15 Серийный номер от 9973100 до 0P016999
Впускной коллектор 4-Х ТАКТНОГО ПЛМ MERCURY F15 Серийный номер от 9973100 до 0P016999
Впускные/выпускные клапаны 4-Х ТАКТНОГО ПЛМ MERCURY F15 Серийный номер от 9973100 до 0P016999
Аксессуары 4-Х ТАКТНОГО ПЛМ MERCURY 30 Серийный номер от 0P153500 до 0P400999
Блок цилиндров 4-Х ТАКТНОГО ПЛМ MERCURY 30 Серийный номер от 0P153500 до 0P400999
Верх капота 4-Х ТАКТНОГО ПЛМ MERCURY 30 Серийный номер от 0P153500 до 0P400999
Впускной коллектор 4-Х ТАКТНОГО ПЛМ MERCURY 30 Серийный номер от 0P153500 до 0P400999
Впускные, выпускные клапаны 4-Х ТАКТНОГО ПЛМ MERCURY 30 Серийный номер от 0P153500 до 0P400999
Гидроподъем 4-Х ТАКТНОГО ПЛМ MERCURY 30 Серийный номер от 0P153500 до 0P400999
Головка цилиндра 4-Х ТАКТНОГО ПЛМ MERCURY 30 Серийный номер от 0P153500 до 0P400999
Инструменты (Часть 1) 4-Х ТАКТНОГО ПЛМ MERCURY 30 Серийный номер от 0P153500 до 0P400999
Инструменты (Часть 2) 4-Х ТАКТНОГО ПЛМ MERCURY 30 Серийный номер от 0P153500 до 0P400999
Инструменты (Часть 3) 4-Х ТАКТНОГО ПЛМ MERCURY 30 Серийный номер от 0P153500 до 0P400999
Катушка зажигания, S/N-USA-0T979999/BEL-0P325499 и ниже 4-Х ТАКТНОГО ПЛМ MERCURY 30 Серийный номер от 0P153500 до 0P400999
Коленвал 4-Х ТАКТНОГО ПЛМ MERCURY 30 Серийный номер от 0P153500 до 0P400999
Комплекты прокладок 4-Х ТАКТНОГО ПЛМ MERCURY 30 Серийный номер от 0P153500 до 0P400999
Компоненты гидроподъема (Часть 1) 4-Х ТАКТНОГО ПЛМ MERCURY 30 Серийный номер от 0P153500 до 0P400999
Компоненты гидроподъема (Часть 2) 4-Х ТАКТНОГО ПЛМ MERCURY 30 Серийный номер от 0P153500 до 0P400999
Корпус карданного вала 4-Х ТАКТНОГО ПЛМ MERCURY 30 Серийный номер от 0P153500 до 0P400999
Корпус шестерни, карданный вал - 2:1 передаточное число 4-Х ТАКТНОГО ПЛМ MERCURY 30 Серийный номер от 0P153500 до 0P400999
Корпус шестерни, приводной вал - 2:1 передаточное число 4-Х ТАКТНОГО ПЛМ MERCURY 30 Серийный номер от 0P153500 до 0P400999
Кронштейн транца 4-Х ТАКТНОГО ПЛМ MERCURY 30 Серийный номер от 0P153500 до 0P400999
Масляный насос распредвала 4-Х ТАКТНОГО ПЛМ MERCURY 30 Серийный номер от 0P153500 до 0P400999
Маховик 4-Х ТАКТНОГО ПЛМ MERCURY 30 Серийный номер от 0P153500 до 0P400999
Низ капота 4-Х ТАКТНОГО ПЛМ MERCURY 30 Серийный номер от 0P153500 до 0P400999
Паросепаратор(USA-1B036613/BEL-0P340241 и ниже) 4-Х ТАКТНОГО ПЛМ MERCURY 30 Серийный номер от 0P153500 до 0P400999
Переходная пластина 4-Х ТАКТНОГО ПЛМ MERCURY 30 Серийный номер от 0P153500 до 0P400999
Поворотный кронштейн 4-Х ТАКТНОГО ПЛМ MERCURY 30 Серийный номер от 0P153500 до 0P400999
Рукоятка румпеля 4-Х ТАКТНОГО ПЛМ MERCURY 30 Серийный номер от 0P153500 до 0P400999
Рулевой рычаг 4-Х ТАКТНОГО ПЛМ MERCURY 30 Серийный номер от 0P153500 до 0P400999
Рычаг переключения передач 4-Х ТАКТНОГО ПЛМ MERCURY 30 Серийный номер от 0P153500 до 0P400999
Стартер 4-Х ТАКТНОГО ПЛМ MERCURY 30 Серийный номер от 0P153500 до 0P400999
Топливные линии 4-Х ТАКТНОГО ПЛМ MERCURY 30 Серийный номер от 0P153500 до 0P400999
Топливный насос 4-Х ТАКТНОГО ПЛМ MERCURY 30 Серийный номер от 0P153500 до 0P400999
Электрические компоненты 4-Х ТАКТНОГО ПЛМ MERCURY 30 Серийный номер от 0P153500 до 0P400999
Аксессуары 4-Х ТАКТНОГО ПЛМ MERCURY 30 Серийный номер от 0T409000 до 1B226999
Блок цилиндров 4-Х ТАКТНОГО ПЛМ MERCURY 30 Серийный номер от 0T409000 до 1B226999
Верх капота 4-Х ТАКТНОГО ПЛМ MERCURY 30 Серийный номер от 0T409000 до 1B226999
Впускной коллектор 4-Х ТАКТНОГО ПЛМ MERCURY 30 Серийный номер от 0T409000 до 1B226999
Впускные, выпускные клапаны 4-Х ТАКТНОГО ПЛМ MERCURY 30 Серийный номер от 0T409000 до 1B226999
Гидроподъем 4-Х ТАКТНОГО ПЛМ MERCURY 30 Серийный номер от 0T409000 до 1B226999
Головка цилиндра 4-Х ТАКТНОГО ПЛМ MERCURY 30 Серийный номер от 0T409000 до 1B226999
Инструменты (Часть 1) 4-Х ТАКТНОГО ПЛМ MERCURY 30 Серийный номер от 0T409000 до 1B226999
Инструменты (Часть 2) 4-Х ТАКТНОГО ПЛМ MERCURY 30 Серийный номер от 0T409000 до 1B226999
Инструменты (Часть 3) 4-Х ТАКТНОГО ПЛМ MERCURY 30 Серийный номер от 0T409000 до 1B226999
Катушка зажигания, S/N-USA-0T979999/BEL-0P325499 и ниже 4-Х ТАКТНОГО ПЛМ MERCURY 30 Серийный номер от 0T409000 до 1B226999
Катушка зажигания, SS/N-USA-0T980000/BEL-0P325500 и выше 4-Х ТАКТНОГО ПЛМ MERCURY 30 Серийный номер от 0T409000 до 1B226999
Коленвал 4-Х ТАКТНОГО ПЛМ MERCURY 30 Серийный номер от 0T409000 до 1B226999
Комплекты прокладок 4-Х ТАКТНОГО ПЛМ MERCURY 30 Серийный номер от 0T409000 до 1B226999
Компоненты гидроподъема (Часть 1) 4-Х ТАКТНОГО ПЛМ MERCURY 30 Серийный номер от 0T409000 до 1B226999
Компоненты гидроподъема (Часть 2) 4-Х ТАКТНОГО ПЛМ MERCURY 30 Серийный номер от 0T409000 до 1B226999
Корпус карданного вала 4-Х ТАКТНОГО ПЛМ MERCURY 30 Серийный номер от 0T409000 до 1B226999
Корпус шестерни, карданный вал - 2:1 передаточное число 4-Х ТАКТНОГО ПЛМ MERCURY 30 Серийный номер от 0T409000 до 1B226999
Корпус шестерни, приводной вал - 2:1 передаточное число 4-Х ТАКТНОГО ПЛМ MERCURY 30 Серийный номер от 0T409000 до 1B226999
Кронштейн транца 4-Х ТАКТНОГО ПЛМ MERCURY 30 Серийный номер от 0T409000 до 1B226999
Масляный насос распредвала 4-Х ТАКТНОГО ПЛМ MERCURY 30 Серийный номер от 0T409000 до 1B226999
Маховик 4-Х ТАКТНОГО ПЛМ MERCURY 30 Серийный номер от 0T409000 до 1B226999
Низ капота 4-Х ТАКТНОГО ПЛМ MERCURY 30 Серийный номер от 0T409000 до 1B226999
Паросепаратор(USA-1B036613/BEL-0P340241 и ниже) 4-Х ТАКТНОГО ПЛМ MERCURY 30 Серийный номер от 0T409000 до 1B226999
Переходная пластина 4-Х ТАКТНОГО ПЛМ MERCURY 30 Серийный номер от 0T409000 до 1B226999
Поворотный кронштейн 4-Х ТАКТНОГО ПЛМ MERCURY 30 Серийный номер от 0T409000 до 1B226999
Рукоятка румпеля 4-Х ТАКТНОГО ПЛМ MERCURY 30 Серийный номер от 0T409000 до 1B226999
Рулевой рычаг 4-Х ТАКТНОГО ПЛМ MERCURY 30 Серийный номер от 0T409000 до 1B226999
Рычаг переключения передач 4-Х ТАКТНОГО ПЛМ MERCURY 30 Серийный номер от 0T409000 до 1B226999
Стартер 4-Х ТАКТНОГО ПЛМ MERCURY 30 Серийный номер от 0T409000 до 1B226999
Топливные линии 4-Х ТАКТНОГО ПЛМ MERCURY 30 Серийный номер от 0T409000 до 1B226999
Топливный насос 4-Х ТАКТНОГО ПЛМ MERCURY 30 Серийный номер от 0T409000 до 1B226999
Электрические компоненты 4-Х ТАКТНОГО ПЛМ MERCURY 30 Серийный номер от 0T409000 до 1B226999
Аксессуары 4-Х ТАКТНОГО ПЛМ MERCURY 30 Серийный номер от 1C109093 и выше
Блок цилиндров 4-Х ТАКТНОГО ПЛМ MERCURY 30 Серийный номер от 1C109093 и выше
Верх капота 4-Х ТАКТНОГО ПЛМ MERCURY 30 Серийный номер от 1C109093 и выше
Впускной коллектор 4-Х ТАКТНОГО ПЛМ MERCURY 30 Серийный номер от 1C109093 и выше
Впускные, выпускные клапаны 4-Х ТАКТНОГО ПЛМ MERCURY 30 Серийный номер от 1C109093 и выше
Гидроподъем 4-Х ТАКТНОГО ПЛМ MERCURY 30 Серийный номер от 1C109093 и выше
Гидроподъем, 830150A11 4-Х ТАКТНОГО ПЛМ MERCURY 30 Серийный номер от 1C109093 и выше
Головка цилиндра 4-Х ТАКТНОГО ПЛМ MERCURY 30 Серийный номер от 1C109093 и выше
Инструменты (Часть 1) 4-Х ТАКТНОГО ПЛМ MERCURY 30 Серийный номер от 1C109093 и выше
Инструменты (Часть 3) 4-Х ТАКТНОГО ПЛМ MERCURY 30 Серийный номер от 1C109093 и выше
Катушка зажигания, 1C104333/0P560349 и ниже 4-Х ТАКТНОГО ПЛМ MERCURY 30 Серийный номер от 1C109093 и выше
Коленвал, поршни и шатуны 4-Х ТАКТНОГО ПЛМ MERCURY 30 Серийный номер от 1C109093 и выше
Комплекты прокладок 4-Х ТАКТНОГО ПЛМ MERCURY 30 Серийный номер от 1C109093 и выше
Компоненты гидроподъема (Часть 1) 4-Х ТАКТНОГО ПЛМ MERCURY 30 Серийный номер от 1C109093 и выше
Компоненты гидроподъема (Часть 2) 4-Х ТАКТНОГО ПЛМ MERCURY 30 Серийный номер от 1C109093 и выше
Корпус карданного вала 4-Х ТАКТНОГО ПЛМ MERCURY 30 Серийный номер от 1C109093 и выше
Корпус шестерни, карданный вал - 2:1 передаточное число 4-Х ТАКТНОГО ПЛМ MERCURY 30 Серийный номер от 1C109093 и выше
Корпус шестерни, приводной вал - 2:1 передаточное число 4-Х ТАКТНОГО ПЛМ MERCURY 30 Серийный номер от 1C109093 и выше
Кронштейн транца 4-Х ТАКТНОГО ПЛМ MERCURY 30 Серийный номер от 1C109093 и выше
Масляный насос распредвала 4-Х ТАКТНОГО ПЛМ MERCURY 30 Серийный номер от 1C109093 и выше
Маховик 4-Х ТАКТНОГО ПЛМ MERCURY 30 Серийный номер от 1C109093 и выше
Набор ключей, дросселей и рупоров, 15000A14 4-Х ТАКТНОГО ПЛМ MERCURY 30 Серийный номер от 1C109093 и выше
Низ капота 4-Х ТАКТНОГО ПЛМ MERCURY 30 Серийный номер от 1C109093 и выше
Паросепаратор 4-Х ТАКТНОГО ПЛМ MERCURY 30 Серийный номер от 1C109093 и выше
Переходная пластина 4-Х ТАКТНОГО ПЛМ MERCURY 30 Серийный номер от 1C109093 и выше
Поворотный кронштейн 4-Х ТАКТНОГО ПЛМ MERCURY 30 Серийный номер от 1C109093 и выше
Рукоятка румпеля 4-Х ТАКТНОГО ПЛМ MERCURY 30 Серийный номер от 1C109093 и выше
Рулевой рычаг 4-Х ТАКТНОГО ПЛМ MERCURY 30 Серийный номер от 1C109093 и выше
Рычаг дроссельной заслонки, внешний 4-Х ТАКТНОГО ПЛМ MERCURY 30 Серийный номер от 1C109093 и выше
Рычаг дроссельной заслонки, румпель 4-Х ТАКТНОГО ПЛМ MERCURY 30 Серийный номер от 1C109093 и выше
Рычаг переключения передач, внешний 4-Х ТАКТНОГО ПЛМ MERCURY 30 Серийный номер от 1C109093 и выше
Рычаг переключения передач, румпель 4-Х ТАКТНОГО ПЛМ MERCURY 30 Серийный номер от 1C109093 и выше
Топливные линии 4-Х ТАКТНОГО ПЛМ MERCURY 30 Серийный номер от 1C109093 и выше
Топливный насос 4-Х ТАКТНОГО ПЛМ MERCURY 30 Серийный номер от 1C109093 и выше
Электрические компоненты, 1C104333/0P560349 и ниже 4-Х ТАКТНОГО ПЛМ MERCURY 30 Серийный номер от 1C109093 и выше
Электрические компоненты, 1C104334/0P560350 и выше 4-Х ТАКТНОГО ПЛМ MERCURY 30 Серийный номер от 1C109093 и выше
Аксессуары 4-Х ТАКТНОГО ПЛМ MERCURY 40 Серийный номер от 0P153500 до 0P400999
Блок цилиндров 4-Х ТАКТНОГО ПЛМ MERCURY 40 Серийный номер от 0P153500 до 0P400999
Верх капота 4-Х ТАКТНОГО ПЛМ MERCURY 40 Серийный номер от 0P153500 до 0P400999
Впускной коллектор 4-Х ТАКТНОГО ПЛМ MERCURY 40 Серийный номер от 0P153500 до 0P400999
Впускные, выпускные клапаны 4-Х ТАКТНОГО ПЛМ MERCURY 40 Серийный номер от 0P153500 до 0P400999
Гидроподъем 4-Х ТАКТНОГО ПЛМ MERCURY 40 Серийный номер от 0P153500 до 0P400999
Головка цилиндра 4-Х ТАКТНОГО ПЛМ MERCURY 40 Серийный номер от 0P153500 до 0P400999
Инструменты (Часть 1) 4-Х ТАКТНОГО ПЛМ MERCURY 40 Серийный номер от 0P153500 до 0P400999
Инструменты (Часть 2) 4-Х ТАКТНОГО ПЛМ MERCURY 40 Серийный номер от 0P153500 до 0P400999
Инструменты (Часть 3) 4-Х ТАКТНОГО ПЛМ MERCURY 40 Серийный номер от 0P153500 до 0P400999
Катушка зажигания, S/N-USA-0T979999/BEL-0P325499 и ниже 4-Х ТАКТНОГО ПЛМ MERCURY 40 Серийный номер от 0P153500 до 0P400999
Катушка зажигания, S/N-USA-0T980000/BEL-0P325500 и выше 4-Х ТАКТНОГО ПЛМ MERCURY 40 Серийный номер от 0P153500 до 0P400999
Коленвал 4-Х ТАКТНОГО ПЛМ MERCURY 40 Серийный номер от 0P153500 до 0P400999
Комплекты прокладок 4-Х ТАКТНОГО ПЛМ MERCURY 40 Серийный номер от 0P153500 до 0P400999
Компоненты гидроподъема (Часть 1) 4-Х ТАКТНОГО ПЛМ MERCURY 40 Серийный номер от 0P153500 до 0P400999
Компоненты гидроподъема (Часть 2) 4-Х ТАКТНОГО ПЛМ MERCURY 40 Серийный номер от 0P153500 до 0P400999
Корпус карданного вала 4-Х ТАКТНОГО ПЛМ MERCURY 40 Серийный номер от 0P153500 до 0P400999
Корпус шестерни, карданный вал - 2:1 передаточное число 4-Х ТАКТНОГО ПЛМ MERCURY 40 Серийный номер от 0P153500 до 0P400999
Кронштейн транца 4-Х ТАКТНОГО ПЛМ MERCURY 40 Серийный номер от 0P153500 до 0P400999
Масляный насос распредвала 4-Х ТАКТНОГО ПЛМ MERCURY 40 Серийный номер от 0P153500 до 0P400999
Маховик 4-Х ТАКТНОГО ПЛМ MERCURY 40 Серийный номер от 0P153500 до 0P400999
Низ капота 4-Х ТАКТНОГО ПЛМ MERCURY 40 Серийный номер от 0P153500 до 0P400999
Паросепаратор(USA-1B036613/BEL-0P340241 и ниже) 4-Х ТАКТНОГО ПЛМ MERCURY 40 Серийный номер от 0P153500 до 0P400999
Паросепаратор(USA-1B036614/BEL-0P340242 и выше) 4-Х ТАКТНОГО ПЛМ MERCURY 40 Серийный номер от 0P153500 до 0P400999
Переходная пластина 4-Х ТАКТНОГО ПЛМ MERCURY 40 Серийный номер от 0P153500 до 0P400999
Поворотный кронштейн 4-Х ТАКТНОГО ПЛМ MERCURY 40 Серийный номер от 0P153500 до 0P400999
Рукоятка румпеля 4-Х ТАКТНОГО ПЛМ MERCURY 40 Серийный номер от 0P153500 до 0P400999
Рулевой рычаг 4-Х ТАКТНОГО ПЛМ MERCURY 40 Серийный номер от 0P153500 до 0P400999
Рычаг переключения передач 4-Х ТАКТНОГО ПЛМ MERCURY 40 Серийный номер от 0P153500 до 0P400999
Стартер 4-Х ТАКТНОГО ПЛМ MERCURY 40 Серийный номер от 0P153500 до 0P400999
Топливные линии 4-Х ТАКТНОГО ПЛМ MERCURY 40 Серийный номер от 0P153500 до 0P400999
Топливный насос 4-Х ТАКТНОГО ПЛМ MERCURY 40 Серийный номер от 0P153500 до 0P400999
Электрические компоненты 4-Х ТАКТНОГО ПЛМ MERCURY 40 Серийный номер от 0P153500 до 0P400999
Аксессуары 4-Х ТАКТНОГО ПЛМ MERCURY 40 Серийный номер от 0P401000 до 0P515896
Блок цилиндров 4-Х ТАКТНОГО ПЛМ MERCURY 40 Серийный номер от 0P401000 до 0P515896
Верх капота 4-Х ТАКТНОГО ПЛМ MERCURY 40 Серийный номер от 0P401000 до 0P515896
Впускной коллектор 4-Х ТАКТНОГО ПЛМ MERCURY 40 Серийный номер от 0P401000 до 0P515896
Впускные, выпускные клапаны 4-Х ТАКТНОГО ПЛМ MERCURY 40 Серийный номер от 0P401000 до 0P515896
Гидроподъем 4-Х ТАКТНОГО ПЛМ MERCURY 40 Серийный номер от 0P401000 до 0P515896
Головка цилиндра 4-Х ТАКТНОГО ПЛМ MERCURY 40 Серийный номер от 0P401000 до 0P515896
Инструменты (Часть 1) 4-Х ТАКТНОГО ПЛМ MERCURY 40 Серийный номер от 0P401000 до 0P515896
Инструменты (Часть 2) 4-Х ТАКТНОГО ПЛМ MERCURY 40 Серийный номер от 0P401000 до 0P515896
Инструменты (Часть 3) 4-Х ТАКТНОГО ПЛМ MERCURY 40 Серийный номер от 0P401000 до 0P515896
Катушка зажигания 4-Х ТАКТНОГО ПЛМ MERCURY 40 Серийный номер от 0P401000 до 0P515896
Коленвал, поршни и шатуны 4-Х ТАКТНОГО ПЛМ MERCURY 40 Серийный номер от 0P401000 до 0P515896
Комплект для дистанционного управления(859185A 2) 4-Х ТАКТНОГО ПЛМ MERCURY 40 Серийный номер от 0P401000 до 0P515896
Комплекты прокладок 4-Х ТАКТНОГО ПЛМ MERCURY 40 Серийный номер от 0P401000 до 0P515896
Компоненты гидроподъема (Часть 1) 4-Х ТАКТНОГО ПЛМ MERCURY 40 Серийный номер от 0P401000 до 0P515896
Компоненты гидроподъема (Часть 2) 4-Х ТАКТНОГО ПЛМ MERCURY 40 Серийный номер от 0P401000 до 0P515896
Корпус карданного вала, длинный 4-Х ТАКТНОГО ПЛМ MERCURY 40 Серийный номер от 0P401000 до 0P515896
Корпус карданного вала, короткий 4-Х ТАКТНОГО ПЛМ MERCURY 40 Серийный номер от 0P401000 до 0P515896
Корпус шестерни, карданный вал, длинный - 2:1 передаточное число 4-Х ТАКТНОГО ПЛМ MERCURY 40 Серийный номер от 0P401000 до 0P515896
Корпус шестерни, карданный вал, короткий - 2:1 передаточное число 4-Х ТАКТНОГО ПЛМ MERCURY 40 Серийный номер от 0P401000 до 0P515896
Корпус шестерни, приводной вал, длинный - 2:1 передаточное число 4-Х ТАКТНОГО ПЛМ MERCURY 40 Серийный номер от 0P401000 до 0P515896
Корпус шестерни, приводной вал, короткий - 2:1 передаточное число 4-Х ТАКТНОГО ПЛМ MERCURY 40 Серийный номер от 0P401000 до 0P515896
Кронштейн транца 4-Х ТАКТНОГО ПЛМ MERCURY 40 Серийный номер от 0P401000 до 0P515896
Масляный насос распредвала 4-Х ТАКТНОГО ПЛМ MERCURY 40 Серийный номер от 0P401000 до 0P515896
Маховик 4-Х ТАКТНОГО ПЛМ MERCURY 40 Серийный номер от 0P401000 до 0P515896
Низ капота 4-Х ТАКТНОГО ПЛМ MERCURY 40 Серийный номер от 0P401000 до 0P515896
Паросепаратор 4-Х ТАКТНОГО ПЛМ MERCURY 40 Серийный номер от 0P401000 до 0P515896
Переходная пластина 4-Х ТАКТНОГО ПЛМ MERCURY 40 Серийный номер от 0P401000 до 0P515896
Поворотный кронштейн 4-Х ТАКТНОГО ПЛМ MERCURY 40 Серийный номер от 0P401000 до 0P515896
Рукоятка румпеля 4-Х ТАКТНОГО ПЛМ MERCURY 40 Серийный номер от 0P401000 до 0P515896
Рулевой рычаг 4-Х ТАКТНОГО ПЛМ MERCURY 40 Серийный номер от 0P401000 до 0P515896
Рычаг переключения передач, внешний, длинный 4-Х ТАКТНОГО ПЛМ MERCURY 40 Серийный номер от 0P401000 до 0P515896
Рычаг переключения передач, короткий 4-Х ТАКТНОГО ПЛМ MERCURY 40 Серийный номер от 0P401000 до 0P515896
Рычаг переключения передач, румпель, длинный 4-Х ТАКТНОГО ПЛМ MERCURY 40 Серийный номер от 0P401000 до 0P515896
Топливные линии 4-Х ТАКТНОГО ПЛМ MERCURY 40 Серийный номер от 0P401000 до 0P515896
Топливный насос 4-Х ТАКТНОГО ПЛМ MERCURY 40 Серийный номер от 0P401000 до 0P515896
Электрические компоненты 4-Х ТАКТНОГО ПЛМ MERCURY 40 Серийный номер от 0P401000 до 0P515896
Аксессуары 4-Х ТАКТНОГО ПЛМ MERCURY 40 Серийный номер от 0T409000 до 1B226999
Блок цилиндров 4-Х ТАКТНОГО ПЛМ MERCURY 40 Серийный номер от 0T409000 до 1B226999
Верх капота 4-Х ТАКТНОГО ПЛМ MERCURY 40 Серийный номер от 0T409000 до 1B226999
Впускной коллектор 4-Х ТАКТНОГО ПЛМ MERCURY 40 Серийный номер от 0T409000 до 1B226999
Впускные, выпускные клапаны 4-Х ТАКТНОГО ПЛМ MERCURY 40 Серийный номер от 0T409000 до 1B226999
Гидроподъем 4-Х ТАКТНОГО ПЛМ MERCURY 40 Серийный номер от 0T409000 до 1B226999
Головка цилиндра 4-Х ТАКТНОГО ПЛМ MERCURY 40 Серийный номер от 0T409000 до 1B226999
Инструменты (Часть 1) 4-Х ТАКТНОГО ПЛМ MERCURY 40 Серийный номер от 0T409000 до 1B226999
Инструменты (Часть 2) 4-Х ТАКТНОГО ПЛМ MERCURY 40 Серийный номер от 0T409000 до 1B226999
Инструменты (Часть 3) 4-Х ТАКТНОГО ПЛМ MERCURY 40 Серийный номер от 0T409000 до 1B226999
Катушка зажигания, S/N-USA-0T979999/BEL-0P325499 и ниже 4-Х ТАКТНОГО ПЛМ MERCURY 40 Серийный номер от 0T409000 до 1B226999
Коленвал 4-Х ТАКТНОГО ПЛМ MERCURY 40 Серийный номер от 0T409000 до 1B226999
Комплекты прокладок 4-Х ТАКТНОГО ПЛМ MERCURY 40 Серийный номер от 0T409000 до 1B226999
Компоненты гидроподъема (Часть 1) 4-Х ТАКТНОГО ПЛМ MERCURY 40 Серийный номер от 0T409000 до 1B226999
Компоненты гидроподъема (Часть 2) 4-Х ТАКТНОГО ПЛМ MERCURY 40 Серийный номер от 0T409000 до 1B226999
Корпус карданного вала 4-Х ТАКТНОГО ПЛМ MERCURY 40 Серийный номер от 0T409000 до 1B226999
Корпус шестерни, карданный вал - 2:1 передаточное число 4-Х ТАКТНОГО ПЛМ MERCURY 40 Серийный номер от 0T409000 до 1B226999
Корпус шестерни, приводной вал - 2:1 передаточное число 4-Х ТАКТНОГО ПЛМ MERCURY 40 Серийный номер от 0T409000 до 1B226999
Кронштейн транца 4-Х ТАКТНОГО ПЛМ MERCURY 40 Серийный номер от 0T409000 до 1B226999
Масляный насос распредвала 4-Х ТАКТНОГО ПЛМ MERCURY 40 Серийный номер от 0T409000 до 1B226999
Маховик 4-Х ТАКТНОГО ПЛМ MERCURY 40 Серийный номер от 0T409000 до 1B226999
Низ капота 4-Х ТАКТНОГО ПЛМ MERCURY 40 Серийный номер от 0T409000 до 1B226999
Паросепаратор(USA-1B036613/BEL-0P340241 и ниже) 4-Х ТАКТНОГО ПЛМ MERCURY 40 Серийный номер от 0T409000 до 1B226999
Переходная пластина 4-Х ТАКТНОГО ПЛМ MERCURY 40 Серийный номер от 0T409000 до 1B226999
Поворотный кронштейн 4-Х ТАКТНОГО ПЛМ MERCURY 40 Серийный номер от 0T409000 до 1B226999
Рукоятка румпеля 4-Х ТАКТНОГО ПЛМ MERCURY 40 Серийный номер от 0T409000 до 1B226999
Рулевой рычаг 4-Х ТАКТНОГО ПЛМ MERCURY 40 Серийный номер от 0T409000 до 1B226999
Рычаг переключения передач 4-Х ТАКТНОГО ПЛМ MERCURY 40 Серийный номер от 0T409000 до 1B226999
Стартер 4-Х ТАКТНОГО ПЛМ MERCURY 40 Серийный номер от 0T409000 до 1B226999
Топливные линии 4-Х ТАКТНОГО ПЛМ MERCURY 40 Серийный номер от 0T409000 до 1B226999
Топливный насос 4-Х ТАКТНОГО ПЛМ MERCURY 40 Серийный номер от 0T409000 до 1B226999
Электрические компоненты 4-Х ТАКТНОГО ПЛМ MERCURY 40 Серийный номер от 0T409000 до 1B226999
Аксессуары 4-Х ТАКТНОГО ПЛМ MERCURY 40 Серийный номер от 1B227000 до 1B344398
Блок цилиндров 4-Х ТАКТНОГО ПЛМ MERCURY 40 Серийный номер от 1B227000 до 1B344398
Верх капота 4-Х ТАКТНОГО ПЛМ MERCURY 40 Серийный номер от 1B227000 до 1B344398
Впускной коллектор 4-Х ТАКТНОГО ПЛМ MERCURY 40 Серийный номер от 1B227000 до 1B344398
Впускные, выпускные клапаны 4-Х ТАКТНОГО ПЛМ MERCURY 40 Серийный номер от 1B227000 до 1B344398
Гидроподъем 4-Х ТАКТНОГО ПЛМ MERCURY 40 Серийный номер от 1B227000 до 1B344398
Головка цилиндра 4-Х ТАКТНОГО ПЛМ MERCURY 40 Серийный номер от 1B227000 до 1B344398
Инструменты (Часть 1) 4-Х ТАКТНОГО ПЛМ MERCURY 40 Серийный номер от 1B227000 до 1B344398
Инструменты (Часть 2) 4-Х ТАКТНОГО ПЛМ MERCURY 40 Серийный номер от 1B227000 до 1B344398
Инструменты (Часть 3) 4-Х ТАКТНОГО ПЛМ MERCURY 40 Серийный номер от 1B227000 до 1B344398
Катушка зажигания 4-Х ТАКТНОГО ПЛМ MERCURY 40 Серийный номер от 1B227000 до 1B344398
Коленвал, поршни и шатуны 4-Х ТАКТНОГО ПЛМ MERCURY 40 Серийный номер от 1B227000 до 1B344398
Комплекты прокладок 4-Х ТАКТНОГО ПЛМ MERCURY 40 Серийный номер от 1B227000 до 1B344398
Компоненты гидроподъема (Часть 1) 4-Х ТАКТНОГО ПЛМ MERCURY 40 Серийный номер от 1B227000 до 1B344398
Компоненты гидроподъема (Часть 2) 4-Х ТАКТНОГО ПЛМ MERCURY 40 Серийный номер от 1B227000 до 1B344398
Корпус карданного вала, длинный 4-Х ТАКТНОГО ПЛМ MERCURY 40 Серийный номер от 1B227000 до 1B344398
Корпус карданного вала, короткий 4-Х ТАКТНОГО ПЛМ MERCURY 40 Серийный номер от 1B227000 до 1B344398
Корпус шестерни, карданный вал, длинный - 2:1 передаточное число 4-Х ТАКТНОГО ПЛМ MERCURY 40 Серийный номер от 1B227000 до 1B344398
Корпус шестерни, карданный вал, короткий - 2:1 передаточное число 4-Х ТАКТНОГО ПЛМ MERCURY 40 Серийный номер от 1B227000 до 1B344398
Корпус шестерни, приводной вал, длинный - 2:1 передаточное число 4-Х ТАКТНОГО ПЛМ MERCURY 40 Серийный номер от 1B227000 до 1B344398
Кронштейн транца 4-Х ТАКТНОГО ПЛМ MERCURY 40 Серийный номер от 1B227000 до 1B344398
Масляный насос распредвала 4-Х ТАКТНОГО ПЛМ MERCURY 40 Серийный номер от 1B227000 до 1B344398
Маховик 4-Х ТАКТНОГО ПЛМ MERCURY 40 Серийный номер от 1B227000 до 1B344398
Низ капота 4-Х ТАКТНОГО ПЛМ MERCURY 40 Серийный номер от 1B227000 до 1B344398
Паросепаратор 4-Х ТАКТНОГО ПЛМ MERCURY 40 Серийный номер от 1B227000 до 1B344398
Переходная пластина 4-Х ТАКТНОГО ПЛМ MERCURY 40 Серийный номер от 1B227000 до 1B344398
Поворотный кронштейн 4-Х ТАКТНОГО ПЛМ MERCURY 40 Серийный номер от 1B227000 до 1B344398
Рукоятка румпеля 4-Х ТАКТНОГО ПЛМ MERCURY 40 Серийный номер от 1B227000 до 1B344398
Рулевой рычаг 4-Х ТАКТНОГО ПЛМ MERCURY 40 Серийный номер от 1B227000 до 1B344398
Рычаг переключения передач, внешний, длинный 4-Х ТАКТНОГО ПЛМ MERCURY 40 Серийный номер от 1B227000 до 1B344398
Рычаг переключения передач, короткий 4-Х ТАКТНОГО ПЛМ MERCURY 40 Серийный номер от 1B227000 до 1B344398
Рычаг переключения передач, румпель, длинный 4-Х ТАКТНОГО ПЛМ MERCURY 40 Серийный номер от 1B227000 до 1B344398
Стартер (Serial Number 1B249767 и ниже) 4-Х ТАКТНОГО ПЛМ MERCURY 40 Серийный номер от 1B227000 до 1B344398
Топливные линии 4-Х ТАКТНОГО ПЛМ MERCURY 40 Серийный номер от 1B227000 до 1B344398
Топливный насос 4-Х ТАКТНОГО ПЛМ MERCURY 40 Серийный номер от 1B227000 до 1B344398
Электрические компоненты 4-Х ТАКТНОГО ПЛМ MERCURY 40 Серийный номер от 1B227000 до 1B344398
Аксессуары 4-Х ТАКТНОГО ПЛМ MERCURY 40 Серийный номер от 1C000001 до 1C049738
Блок цилиндров 4-Х ТАКТНОГО ПЛМ MERCURY 40 Серийный номер от 1C000001 до 1C049738
Верх капота 4-Х ТАКТНОГО ПЛМ MERCURY 40 Серийный номер от 1C000001 до 1C049738
Впускной коллектор 4-Х ТАКТНОГО ПЛМ MERCURY 40 Серийный номер от 1C000001 до 1C049738
Впускные, выпускные клапаны 4-Х ТАКТНОГО ПЛМ MERCURY 40 Серийный номер от 1C000001 до 1C049738
Гидроподъем 4-Х ТАКТНОГО ПЛМ MERCURY 40 Серийный номер от 1C000001 до 1C049738
Головка цилиндра 4-Х ТАКТНОГО ПЛМ MERCURY 40 Серийный номер от 1C000001 до 1C049738
Инструменты (Часть 1) 4-Х ТАКТНОГО ПЛМ MERCURY 40 Серийный номер от 1C000001 до 1C049738
Инструменты (Часть 2) 4-Х ТАКТНОГО ПЛМ MERCURY 40 Серийный номер от 1C000001 до 1C049738
Инструменты (Часть 3) 4-Х ТАКТНОГО ПЛМ MERCURY 40 Серийный номер от 1C000001 до 1C049738
Катушка зажигания 4-Х ТАКТНОГО ПЛМ MERCURY 40 Серийный номер от 1C000001 до 1C049738
Коленвал, поршни и шатуны 4-Х ТАКТНОГО ПЛМ MERCURY 40 Серийный номер от 1C000001 до 1C049738
Комплект для дистанционного управления(859185A 2) 4-Х ТАКТНОГО ПЛМ MERCURY 40 Серийный номер от 1C000001 до 1C049738
Комплекты прокладок 4-Х ТАКТНОГО ПЛМ MERCURY 40 Серийный номер от 1C000001 до 1C049738
Компоненты гидроподъема (Часть 1) 4-Х ТАКТНОГО ПЛМ MERCURY 40 Серийный номер от 1C000001 до 1C049738
Компоненты гидроподъема (Часть 2) 4-Х ТАКТНОГО ПЛМ MERCURY 40 Серийный номер от 1C000001 до 1C049738
Корпус карданного вала, длинный 4-Х ТАКТНОГО ПЛМ MERCURY 40 Серийный номер от 1C000001 до 1C049738
Корпус карданного вала, короткий 4-Х ТАКТНОГО ПЛМ MERCURY 40 Серийный номер от 1C000001 до 1C049738
Корпус шестерни, карданный вал, длинный - 2:1 передаточное число 4-Х ТАКТНОГО ПЛМ MERCURY 40 Серийный номер от 1C000001 до 1C049738
Корпус шестерни, карданный вал, короткий - 2:1 передаточное число 4-Х ТАКТНОГО ПЛМ MERCURY 40 Серийный номер от 1C000001 до 1C049738
Корпус шестерни, приводной вал, длинный - 2:1 передаточное число 4-Х ТАКТНОГО ПЛМ MERCURY 40 Серийный номер от 1C000001 до 1C049738
Корпус шестерни, приводной вал, короткий - 2:1 передаточное число 4-Х ТАКТНОГО ПЛМ MERCURY 40 Серийный номер от 1C000001 до 1C049738
Кронштейн транца 4-Х ТАКТНОГО ПЛМ MERCURY 40 Серийный номер от 1C000001 до 1C049738
Масляный насос распредвала 4-Х ТАКТНОГО ПЛМ MERCURY 40 Серийный номер от 1C000001 до 1C049738
Маховик 4-Х ТАКТНОГО ПЛМ MERCURY 40 Серийный номер от 1C000001 до 1C049738
Низ капота 4-Х ТАКТНОГО ПЛМ MERCURY 40 Серийный номер от 1C000001 до 1C049738
Паросепаратор 4-Х ТАКТНОГО ПЛМ MERCURY 40 Серийный номер от 1C000001 до 1C049738
Переходная пластина 4-Х ТАКТНОГО ПЛМ MERCURY 40 Серийный номер от 1C000001 до 1C049738
Поворотный кронштейн 4-Х ТАКТНОГО ПЛМ MERCURY 40 Серийный номер от 1C000001 до 1C049738
Рукоятка румпеля 4-Х ТАКТНОГО ПЛМ MERCURY 40 Серийный номер от 1C000001 до 1C049738
Рулевой рычаг 4-Х ТАКТНОГО ПЛМ MERCURY 40 Серийный номер от 1C000001 до 1C049738
Рычаг переключения передач, внешний, длинный 4-Х ТАКТНОГО ПЛМ MERCURY 40 Серийный номер от 1C000001 до 1C049738
Рычаг переключения передач, короткий 4-Х ТАКТНОГО ПЛМ MERCURY 40 Серийный номер от 1C000001 до 1C049738
Рычаг переключения передач, румпель, длинный 4-Х ТАКТНОГО ПЛМ MERCURY 40 Серийный номер от 1C000001 до 1C049738
Топливные линии 4-Х ТАКТНОГО ПЛМ MERCURY 40 Серийный номер от 1C000001 до 1C049738
Топливный насос 4-Х ТАКТНОГО ПЛМ MERCURY 40 Серийный номер от 1C000001 до 1C049738
Электрические компоненты 4-Х ТАКТНОГО ПЛМ MERCURY 40 Серийный номер от 1C000001 до 1C049738
Аксессуары 4-Х ТАКТНОГО ПЛМ MERCURY 40 Серийный номер от 1C049739 и выше
Блок цилиндров 4-Х ТАКТНОГО ПЛМ MERCURY 40 Серийный номер от 1C049739 и выше
Верх капота 4-Х ТАКТНОГО ПЛМ MERCURY 40 Серийный номер от 1C049739 и выше
Впускной коллектор 4-Х ТАКТНОГО ПЛМ MERCURY 40 Серийный номер от 1C049739 и выше
Впускные, выпускные клапаны 4-Х ТАКТНОГО ПЛМ MERCURY 40 Серийный номер от 1C049739 и выше
Гидроподъем 4-Х ТАКТНОГО ПЛМ MERCURY 40 Серийный номер от 1C049739 и выше
Гидроподъем, 830150A11 4-Х ТАКТНОГО ПЛМ MERCURY 40 Серийный номер от 1C049739 и выше
Головка цилиндра 4-Х ТАКТНОГО ПЛМ MERCURY 40 Серийный номер от 1C049739 и выше
Инструменты (Часть 1) 4-Х ТАКТНОГО ПЛМ MERCURY 40 Серийный номер от 1C049739 и выше
Инструменты (Часть 2) 4-Х ТАКТНОГО ПЛМ MERCURY 40 Серийный номер от 1C049739 и выше
Инструменты (Часть 3) 4-Х ТАКТНОГО ПЛМ MERCURY 40 Серийный номер от 1C049739 и выше
Катушка зажигания, 1C104333/0P560349 и ниже 4-Х ТАКТНОГО ПЛМ MERCURY 40 Серийный номер от 1C049739 и выше
Катушка зажигания, 1C104334/0P560350 и выше 4-Х ТАКТНОГО ПЛМ MERCURY 40 Серийный номер от 1C049739 и выше
Коленвал, поршни и шатуны 4-Х ТАКТНОГО ПЛМ MERCURY 40 Серийный номер от 1C049739 и выше
Комплекты прокладок 4-Х ТАКТНОГО ПЛМ MERCURY 40 Серийный номер от 1C049739 и выше
Компоненты гидроподъема (Часть 1) 4-Х ТАКТНОГО ПЛМ MERCURY 40 Серийный номер от 1C049739 и выше
Компоненты гидроподъема (Часть 2) 4-Х ТАКТНОГО ПЛМ MERCURY 40 Серийный номер от 1C049739 и выше
Корпус карданного вала 4-Х ТАКТНОГО ПЛМ MERCURY 40 Серийный номер от 1C049739 и выше
Корпус шестерни, карданный вал - 2:1 передаточное число 4-Х ТАКТНОГО ПЛМ MERCURY 40 Серийный номер от 1C049739 и выше
Кронштейн транца 4-Х ТАКТНОГО ПЛМ MERCURY 40 Серийный номер от 1C049739 и выше
Масляный насос распредвала 4-Х ТАКТНОГО ПЛМ MERCURY 40 Серийный номер от 1C049739 и выше
Маховик 4-Х ТАКТНОГО ПЛМ MERCURY 40 Серийный номер от 1C049739 и выше
Набор ключей, дросселей и рупоров, 15000A14 4-Х ТАКТНОГО ПЛМ MERCURY 40 Серийный номер от 1C049739 и выше
Низ капота 4-Х ТАКТНОГО ПЛМ MERCURY 40 Серийный номер от 1C049739 и выше
Паросепаратор 4-Х ТАКТНОГО ПЛМ MERCURY 40 Серийный номер от 1C049739 и выше
Переходная пластина 4-Х ТАКТНОГО ПЛМ MERCURY 40 Серийный номер от 1C049739 и выше
Поворотный кронштейн 4-Х ТАКТНОГО ПЛМ MERCURY 40 Серийный номер от 1C049739 и выше
Рукоятка румпеля 4-Х ТАКТНОГО ПЛМ MERCURY 40 Серийный номер от 1C049739 и выше
Рычаг дроссельной заслонки, внешний 4-Х ТАКТНОГО ПЛМ MERCURY 40 Серийный номер от 1C049739 и выше
Рычаг дроссельной заслонки, румпель 4-Х ТАКТНОГО ПЛМ MERCURY 40 Серийный номер от 1C049739 и выше
Рычаг переключения передач, внешний 4-Х ТАКТНОГО ПЛМ MERCURY 40 Серийный номер от 1C049739 и выше
Рычаг переключения передач, румпель 4-Х ТАКТНОГО ПЛМ MERCURY 40 Серийный номер от 1C049739 и выше
Рычаг рулевого управления 4-Х ТАКТНОГО ПЛМ MERCURY 40 Серийный номер от 1C049739 и выше
Топливные линии 4-Х ТАКТНОГО ПЛМ MERCURY 40 Серийный номер от 1C049739 и выше
Топливный насос 4-Х ТАКТНОГО ПЛМ MERCURY 40 Серийный номер от 1C049739 и выше
Электрические компоненты, 1C104333/0P560349 и ниже 4-Х ТАКТНОГО ПЛМ MERCURY 40 Серийный номер от 1C049739 и выше
Электрические компоненты, 1C104334/0P560350 и выше 4-Х ТАКТНОГО ПЛМ MERCURY 40 Серийный номер от 1C049739 и выше
Аксессуары 4-Х ТАКТНОГО ПЛМ MERCURY 50 Серийный номер от 0P153500 до 0P400999
Блок цилиндров и картер 4-Х ТАКТНОГО ПЛМ MERCURY 50 Серийный номер от 0P153500 до 0P400999
Верх капота 4-Х ТАКТНОГО ПЛМ MERCURY 50 Серийный номер от 0P153500 до 0P400999
Впускной коллектор 4-Х ТАКТНОГО ПЛМ MERCURY 50 Серийный номер от 0P153500 до 0P400999
Впускные, выпускные клапаны 4-Х ТАКТНОГО ПЛМ MERCURY 50 Серийный номер от 0P153500 до 0P400999
Гидроподъем 4-Х ТАКТНОГО ПЛМ MERCURY 50 Серийный номер от 0P153500 до 0P400999
Головка цилиндра 4-Х ТАКТНОГО ПЛМ MERCURY 50 Серийный номер от 0P153500 до 0P400999
Инструменты (Часть 1) 4-Х ТАКТНОГО ПЛМ MERCURY 50 Серийный номер от 0P153500 до 0P400999
Инструменты (Часть 2) 4-Х ТАКТНОГО ПЛМ MERCURY 50 Серийный номер от 0P153500 до 0P400999
Инструменты (Часть 3) 4-Х ТАКТНОГО ПЛМ MERCURY 50 Серийный номер от 0P153500 до 0P400999
Катушка, Bel-0P325500 thru 0P400999 4-Х ТАКТНОГО ПЛМ MERCURY 50 Серийный номер от 0P153500 до 0P400999
Катушка, USA-0T979999/BEL-0P325499 и ниже 4-Х ТАКТНОГО ПЛМ MERCURY 50 Серийный номер от 0P153500 до 0P400999
Катушка, USA-0T980000 thru 1B226999 4-Х ТАКТНОГО ПЛМ MERCURY 50 Серийный номер от 0P153500 до 0P400999
Катушка, USA-1B227000/Bel-0P401000 и выше 4-Х ТАКТНОГО ПЛМ MERCURY 50 Серийный номер от 0P153500 до 0P400999
Коленвал, поршни и шатуны 4-Х ТАКТНОГО ПЛМ MERCURY 50 Серийный номер от 0P153500 до 0P400999
Комплект удлинителя XL 4-Х ТАКТНОГО ПЛМ MERCURY 50 Серийный номер от 0P153500 до 0P400999
Комплекты прокладок 4-Х ТАКТНОГО ПЛМ MERCURY 50 Серийный номер от 0P153500 до 0P400999
Компоненты гидроподъема 4-Х ТАКТНОГО ПЛМ MERCURY 50 Серийный номер от 0P153500 до 0P400999
Корпус карданного вала 4-Х ТАКТНОГО ПЛМ MERCURY 50 Серийный номер от 0P153500 до 0P400999
Корпус шестерни, Drive-2.33:1-USA-0T625304/BEL-0P216185 и выше 4-Х ТАКТНОГО ПЛМ MERCURY 50 Серийный номер от 0P153500 до 0P400999
Корпус шестерни, Prop-2.31:1-USA-0T625303/BEL-0P216184 и ниже 4-Х ТАКТНОГО ПЛМ MERCURY 50 Серийный номер от 0P153500 до 0P400999
Корпус шестерни, Prop-2.33:1-USA-0T625304/BEL-0P216185 и выше 4-Х ТАКТНОГО ПЛМ MERCURY 50 Серийный номер от 0P153500 до 0P400999
Корпус шестерни, Propeller Shaft - 1.83:1 передаточное число 4-Х ТАКТНОГО ПЛМ MERCURY 50 Серийный номер от 0P153500 до 0P400999
Корпус шестерни(Drive-2.31:1)(Belgium-0P216184 и ниже) 4-Х ТАКТНОГО ПЛМ MERCURY 50 Серийный номер от 0P153500 до 0P400999
Корпус шестерни(Driveshaft)(1.83:1 передаточное число) 4-Х ТАКТНОГО ПЛМ MERCURY 50 Серийный номер от 0P153500 до 0P400999
Кронштейн транца 4-Х ТАКТНОГО ПЛМ MERCURY 50 Серийный номер от 0P153500 до 0P400999
Масляный насос распредвала 4-Х ТАКТНОГО ПЛМ MERCURY 50 Серийный номер от 0P153500 до 0P400999
Маховик 4-Х ТАКТНОГО ПЛМ MERCURY 50 Серийный номер от 0P153500 до 0P400999
Низ капота 4-Х ТАКТНОГО ПЛМ MERCURY 50 Серийный номер от 0P153500 до 0P400999
Паросепаратор(USA-1B036613/BEL-0P340241 и ниже) 4-Х ТАКТНОГО ПЛМ MERCURY 50 Серийный номер от 0P153500 до 0P400999
Переходная пластина 4-Х ТАКТНОГО ПЛМ MERCURY 50 Серийный номер от 0P153500 до 0P400999
Поворотный кронштейн 4-Х ТАКТНОГО ПЛМ MERCURY 50 Серийный номер от 0P153500 до 0P400999
Рукоятка рулевого управления 4-Х ТАКТНОГО ПЛМ MERCURY 50 Серийный номер от 0P153500 до 0P400999
Рукоятка румпеля 4-Х ТАКТНОГО ПЛМ MERCURY 50 Серийный номер от 0P153500 до 0P400999
Рычаг переключения передач, внешний 4-Х ТАКТНОГО ПЛМ MERCURY 50 Серийный номер от 0P153500 до 0P400999
Рычаг переключения передач, румпель 4-Х ТАКТНОГО ПЛМ MERCURY 50 Серийный номер от 0P153500 до 0P400999
Стартер(USA- 1B282399 и ниже) 4-Х ТАКТНОГО ПЛМ MERCURY 50 Серийный номер от 0P153500 до 0P400999
Топливные линии 4-Х ТАКТНОГО ПЛМ MERCURY 50 Серийный номер от 0P153500 до 0P400999
Топливный насос 4-Х ТАКТНОГО ПЛМ MERCURY 50 Серийный номер от 0P153500 до 0P400999
Электрические компоненты(USA-1B226999/Bel-0P400999 и ниже) 4-Х ТАКТНОГО ПЛМ MERCURY 50 Серийный номер от 0P153500 до 0P400999
Электрические компоненты(USA-1B227000/Bel-0P401000 и выше) 4-Х ТАКТНОГО ПЛМ MERCURY 50 Серийный номер от 0P153500 до 0P400999
Аксессуары 4-Х ТАКТНОГО ПЛМ MERCURY 50 Серийный номер от 0P401000 до 0P515896
Блок цилиндров и картер 4-Х ТАКТНОГО ПЛМ MERCURY 50 Серийный номер от 0P401000 до 0P515896
Верх капота 4-Х ТАКТНОГО ПЛМ MERCURY 50 Серийный номер от 0P401000 до 0P515896
Впускной коллектор 4-Х ТАКТНОГО ПЛМ MERCURY 50 Серийный номер от 0P401000 до 0P515896
Впускные, выпускные клапаны 4-Х ТАКТНОГО ПЛМ MERCURY 50 Серийный номер от 0P401000 до 0P515896
Гидроподъем 4-Х ТАКТНОГО ПЛМ MERCURY 50 Серийный номер от 0P401000 до 0P515896
Головка цилиндра 4-Х ТАКТНОГО ПЛМ MERCURY 50 Серийный номер от 0P401000 до 0P515896
Инструменты (Часть 1) 4-Х ТАКТНОГО ПЛМ MERCURY 50 Серийный номер от 0P401000 до 0P515896
Инструменты (Часть 2) 4-Х ТАКТНОГО ПЛМ MERCURY 50 Серийный номер от 0P401000 до 0P515896
Инструменты (Часть 3) 4-Х ТАКТНОГО ПЛМ MERCURY 50 Серийный номер от 0P401000 до 0P515896
Катушка зажигания 4-Х ТАКТНОГО ПЛМ MERCURY 50 Серийный номер от 0P401000 до 0P515896
Коленвал, поршни и шатуны 4-Х ТАКТНОГО ПЛМ MERCURY 50 Серийный номер от 0P401000 до 0P515896
Комплект дистанционного управления(880093A 2) 4-Х ТАКТНОГО ПЛМ MERCURY 50 Серийный номер от 0P401000 до 0P515896
Комплект удлинителей-5 дюймов, корпус карданного вала 12092A18 4-Х ТАКТНОГО ПЛМ MERCURY 50 Серийный номер от 0P401000 до 0P515896
Комплекты прокладок 4-Х ТАКТНОГО ПЛМ MERCURY 50 Серийный номер от 0P401000 до 0P515896
Компоненты гидроподъема 4-Х ТАКТНОГО ПЛМ MERCURY 50 Серийный номер от 0P401000 до 0P515896
Корпус карданного вала 4-Х ТАКТНОГО ПЛМ MERCURY 50 Серийный номер от 0P401000 до 0P515896
Корпус шестерни(карданный вал-2.33:1)(Serial #1C033810 и ниже) 4-Х ТАКТНОГО ПЛМ MERCURY 50 Серийный номер от 0P401000 до 0P515896
Корпус шестерни(карданный вал) - 1.83:1 передаточное число 4-Х ТАКТНОГО ПЛМ MERCURY 50 Серийный номер от 0P401000 до 0P515896
Корпус шестерни(карданный вал)(Serial #1C033811 и выше) 4-Х ТАКТНОГО ПЛМ MERCURY 50 Серийный номер от 0P401000 до 0P515896
Корпус шестерни(приводной вал-2.33:1)(Serial #1C033810 и ниже) 4-Х ТАКТНОГО ПЛМ MERCURY 50 Серийный номер от 0P401000 до 0P515896
Корпус шестерни(приводной вал)(1.83:1 передаточное число) 4-Х ТАКТНОГО ПЛМ MERCURY 50 Серийный номер от 0P401000 до 0P515896
Корпус шестерни(приводной вал)(Serial #1C033811 и выше) 4-Х ТАКТНОГО ПЛМ MERCURY 50 Серийный номер от 0P401000 до 0P515896
Кронштейн транца 4-Х ТАКТНОГО ПЛМ MERCURY 50 Серийный номер от 0P401000 до 0P515896
Масляный насос распредвала 4-Х ТАКТНОГО ПЛМ MERCURY 50 Серийный номер от 0P401000 до 0P515896
Маховик 4-Х ТАКТНОГО ПЛМ MERCURY 50 Серийный номер от 0P401000 до 0P515896
Низ капота 4-Х ТАКТНОГО ПЛМ MERCURY 50 Серийный номер от 0P401000 до 0P515896
Паросепаратор 4-Х ТАКТНОГО ПЛМ MERCURY 50 Серийный номер от 0P401000 до 0P515896
Переходная пластина 4-Х ТАКТНОГО ПЛМ MERCURY 50 Серийный номер от 0P401000 до 0P515896
Поворотный кронштейн 4-Х ТАКТНОГО ПЛМ MERCURY 50 Серийный номер от 0P401000 до 0P515896
Рукоятка рулевого управления 4-Х ТАКТНОГО ПЛМ MERCURY 50 Серийный номер от 0P401000 до 0P515896
Рукоятка румпеля 4-Х ТАКТНОГО ПЛМ MERCURY 50 Серийный номер от 0P401000 до 0P515896
Рычаг переключения передач, внешний 4-Х ТАКТНОГО ПЛМ MERCURY 50 Серийный номер от 0P401000 до 0P515896
Рычаг переключения передач, румпель 4-Х ТАКТНОГО ПЛМ MERCURY 50 Серийный номер от 0P401000 до 0P515896
Топливные линии 4-Х ТАКТНОГО ПЛМ MERCURY 50 Серийный номер от 0P401000 до 0P515896
Топливный насос 4-Х ТАКТНОГО ПЛМ MERCURY 50 Серийный номер от 0P401000 до 0P515896
Электрические компоненты 4-Х ТАКТНОГО ПЛМ MERCURY 50 Серийный номер от 0P401000 до 0P515896
Jet Unit 4-Х ТАКТНОГО ПЛМ MERCURY 50 Серийный номер от 0P515897 и выше
Аксессуары 4-Х ТАКТНОГО ПЛМ MERCURY 50 Серийный номер от 0P515897 и выше
Блок цилиндров и картер 4-Х ТАКТНОГО ПЛМ MERCURY 50 Серийный номер от 0P515897 и выше
Верх капота 4-Х ТАКТНОГО ПЛМ MERCURY 50 Серийный номер от 0P515897 и выше
Впускной коллектор 4-Х ТАКТНОГО ПЛМ MERCURY 50 Серийный номер от 0P515897 и выше
Впускные, выпускные клапаны 4-Х ТАКТНОГО ПЛМ MERCURY 50 Серийный номер от 0P515897 и выше
Гидроподъем 4-Х ТАКТНОГО ПЛМ MERCURY 50 Серийный номер от 0P515897 и выше
Головка цилиндра 4-Х ТАКТНОГО ПЛМ MERCURY 50 Серийный номер от 0P515897 и выше
Инструменты (Часть 1) 4-Х ТАКТНОГО ПЛМ MERCURY 50 Серийный номер от 0P515897 и выше
Инструменты (Часть 2) 4-Х ТАКТНОГО ПЛМ MERCURY 50 Серийный номер от 0P515897 и выше
Инструменты (Часть 3) 4-Х ТАКТНОГО ПЛМ MERCURY 50 Серийный номер от 0P515897 и выше
Катушка зажигания, 1C104423/0P560349 и ниже 4-Х ТАКТНОГО ПЛМ MERCURY 50 Серийный номер от 0P515897 и выше
Катушка зажигания, 1C104424/0P560350 и выше 4-Х ТАКТНОГО ПЛМ MERCURY 50 Серийный номер от 0P515897 и выше
Коленвал, поршни и шатуны 4-Х ТАКТНОГО ПЛМ MERCURY 50 Серийный номер от 0P515897 и выше
Комплект удлинителя - 2.5 Inch, Driveshaft Housing (879150A88) 4-Х ТАКТНОГО ПЛМ MERCURY 50 Серийный номер от 0P515897 и выше
Комплект удлинителя - 5 Inch, Driveshaft Housing (12092A20) 4-Х ТАКТНОГО ПЛМ MERCURY 50 Серийный номер от 0P515897 и выше
Комплект удлинителя, Driveshaft Housing 12092A20 - Bigfoot 4-Х ТАКТНОГО ПЛМ MERCURY 50 Серийный номер от 0P515897 и выше
Комплекты прокладок 4-Х ТАКТНОГО ПЛМ MERCURY 50 Серийный номер от 0P515897 и выше
Компоненты гидроподъема (Часть 1) 4-Х ТАКТНОГО ПЛМ MERCURY 50 Серийный номер от 0P515897 и выше
Компоненты гидроподъема (Часть 2) 4-Х ТАКТНОГО ПЛМ MERCURY 50 Серийный номер от 0P515897 и выше
Компоненты струйного водяного насоса 4-Х ТАКТНОГО ПЛМ MERCURY 50 Серийный номер от 0P515897 и выше
Корпус карданного вала 4-Х ТАКТНОГО ПЛМ MERCURY 50 Серийный номер от 0P515897 и выше
Корпус шестерни,карданный вал - 1.83:1 передаточное число 4-Х ТАКТНОГО ПЛМ MERCURY 50 Серийный номер от 0P515897 и выше
Корпус шестерни,карданный вал - 2.33:1 передаточное число 4-Х ТАКТНОГО ПЛМ MERCURY 50 Серийный номер от 0P515897 и выше
Корпус шестерни,приводной вал - 1.83:1 передаточное число 4-Х ТАКТНОГО ПЛМ MERCURY 50 Серийный номер от 0P515897 и выше
Корпус шестерни,приводной вал - 2.33:1 передаточное число 4-Х ТАКТНОГО ПЛМ MERCURY 50 Серийный номер от 0P515897 и выше
Кронштейн транца 4-Х ТАКТНОГО ПЛМ MERCURY 50 Серийный номер от 0P515897 и выше
Масляный насос распредвала 4-Х ТАКТНОГО ПЛМ MERCURY 50 Серийный номер от 0P515897 и выше
Маховик 4-Х ТАКТНОГО ПЛМ MERCURY 50 Серийный номер от 0P515897 и выше
Набор ключей, дросселей, рупоров, 15000A14 4-Х ТАКТНОГО ПЛМ MERCURY 50 Серийный номер от 0P515897 и выше
Низ капота 4-Х ТАКТНОГО ПЛМ MERCURY 50 Серийный номер от 0P515897 и выше
Паросепаратор 4-Х ТАКТНОГО ПЛМ MERCURY 50 Серийный номер от 0P515897 и выше
Переходная пластина 4-Х ТАКТНОГО ПЛМ MERCURY 50 Серийный номер от 0P515897 и выше
Поворотный кронштейн 4-Х ТАКТНОГО ПЛМ MERCURY 50 Серийный номер от 0P515897 и выше
Рукоятка рулевого управления 4-Х ТАКТНОГО ПЛМ MERCURY 50 Серийный номер от 0P515897 и выше
Рукоятка румпеля 4-Х ТАКТНОГО ПЛМ MERCURY 50 Серийный номер от 0P515897 и выше
Рычаг дроссельной заслонки, Jet 4-Х ТАКТНОГО ПЛМ MERCURY 50 Серийный номер от 0P515897 и выше
Рычаг дроссельной заслонки, внешний 4-Х ТАКТНОГО ПЛМ MERCURY 50 Серийный номер от 0P515897 и выше
Рычаг дроссельной заслонки, румпель 4-Х ТАКТНОГО ПЛМ MERCURY 50 Серийный номер от 0P515897 и выше
Рычаг переключения передач, внешний 4-Х ТАКТНОГО ПЛМ MERCURY 50 Серийный номер от 0P515897 и выше
Рычаг переключения передач, румпель 4-Х ТАКТНОГО ПЛМ MERCURY 50 Серийный номер от 0P515897 и выше
Топливные линии 4-Х ТАКТНОГО ПЛМ MERCURY 50 Серийный номер от 0P515897 и выше
Топливный насос 4-Х ТАКТНОГО ПЛМ MERCURY 50 Серийный номер от 0P515897 и выше
Электрические компоненты, 1C104423/0P560349 и ниже 4-Х ТАКТНОГО ПЛМ MERCURY 50 Серийный номер от 0P515897 и выше
Электрические компоненты, 1C104424/0P560350 и выше 4-Х ТАКТНОГО ПЛМ MERCURY 50 Серийный номер от 0P515897 и выше
Аксессуары 4-Х ТАКТНОГО ПЛМ MERCURY 50 Серийный номер от 0T409000 до 1B344306
Блок цилиндров и картер 4-Х ТАКТНОГО ПЛМ MERCURY 50 Серийный номер от 0T409000 до 1B344306
Верх капота 4-Х ТАКТНОГО ПЛМ MERCURY 50 Серийный номер от 0T409000 до 1B344306
Впускной коллектор 4-Х ТАКТНОГО ПЛМ MERCURY 50 Серийный номер от 0T409000 до 1B344306
Гидроподъем 4-Х ТАКТНОГО ПЛМ MERCURY 50 Серийный номер от 0T409000 до 1B344306
Головка цилиндра 4-Х ТАКТНОГО ПЛМ MERCURY 50 Серийный номер от 0T409000 до 1B344306
Инструменты (Часть 1) 4-Х ТАКТНОГО ПЛМ MERCURY 50 Серийный номер от 0T409000 до 1B344306
Инструменты (Часть 2) 4-Х ТАКТНОГО ПЛМ MERCURY 50 Серийный номер от 0T409000 до 1B344306
Инструменты (Часть 3) 4-Х ТАКТНОГО ПЛМ MERCURY 50 Серийный номер от 0T409000 до 1B344306
Катушка, Bel-0P325500 thru 0P400999 4-Х ТАКТНОГО ПЛМ MERCURY 50 Серийный номер от 0T409000 до 1B344306
Коленвал, поршни и шатуны 4-Х ТАКТНОГО ПЛМ MERCURY 50 Серийный номер от 0T409000 до 1B344306
Комплект удлинителя XL 4-Х ТАКТНОГО ПЛМ MERCURY 50 Серийный номер от 0T409000 до 1B344306
Комплекты прокладок 4-Х ТАКТНОГО ПЛМ MERCURY 50 Серийный номер от 0T409000 до 1B344306
Компоненты гидроподъема 4-Х ТАКТНОГО ПЛМ MERCURY 50 Серийный номер от 0T409000 до 1B344306
Корпус карданного вала 4-Х ТАКТНОГО ПЛМ MERCURY 50 Серийный номер от 0T409000 до 1B344306
Корпус шестерни, Drive-2.33:1-USA-0T625304/BEL-0P216185 и выше 4-Х ТАКТНОГО ПЛМ MERCURY 50 Серийный номер от 0T409000 до 1B344306
Корпус шестерни, Prop-2.31:1-USA-0T625303/BEL-0P216184 и ниже 4-Х ТАКТНОГО ПЛМ MERCURY 50 Серийный номер от 0T409000 до 1B344306
Корпус шестерни, Prop-2.33:1-USA-0T625304/BEL-0P216185 и выше 4-Х ТАКТНОГО ПЛМ MERCURY 50 Серийный номер от 0T409000 до 1B344306
Корпус шестерни, карданный вал - 1.83:1 передаточное число 4-Х ТАКТНОГО ПЛМ MERCURY 50 Серийный номер от 0T409000 до 1B344306
Корпус шестерни(Drive-2.31:1)(Belgium-0P216184 и ниже) 4-Х ТАКТНОГО ПЛМ MERCURY 50 Серийный номер от 0T409000 до 1B344306
Корпус шестерни(Drive-2.31:1)(USA-0T625303 и ниже) 4-Х ТАКТНОГО ПЛМ MERCURY 50 Серийный номер от 0T409000 до 1B344306
Корпус шестерни(приводной вал)(1.83:1 передаточное число) 4-Х ТАКТНОГО ПЛМ MERCURY 50 Серийный номер от 0T409000 до 1B344306
Кронштейн транца 4-Х ТАКТНОГО ПЛМ MERCURY 50 Серийный номер от 0T409000 до 1B344306
Масляный насос распредвала 4-Х ТАКТНОГО ПЛМ MERCURY 50 Серийный номер от 0T409000 до 1B344306
Маховик 4-Х ТАКТНОГО ПЛМ MERCURY 50 Серийный номер от 0T409000 до 1B344306
Низ капота 4-Х ТАКТНОГО ПЛМ MERCURY 50 Серийный номер от 0T409000 до 1B344306
Паросепаратор(USA-1B036613/BEL-0P340241 и ниже) 4-Х ТАКТНОГО ПЛМ MERCURY 50 Серийный номер от 0T409000 до 1B344306
Паросепаратор(USA-1B036614/BEL-0P340242 и выше) 4-Х ТАКТНОГО ПЛМ MERCURY 50 Серийный номер от 0T409000 до 1B344306
Переходная пластина 4-Х ТАКТНОГО ПЛМ MERCURY 50 Серийный номер от 0T409000 до 1B344306
Поворотный кронштейн 4-Х ТАКТНОГО ПЛМ MERCURY 50 Серийный номер от 0T409000 до 1B344306
Рукоятка рулевого управления 4-Х ТАКТНОГО ПЛМ MERCURY 50 Серийный номер от 0T409000 до 1B344306
Рукоятка румпеля 4-Х ТАКТНОГО ПЛМ MERCURY 50 Серийный номер от 0T409000 до 1B344306
Рычаг переключения передач, внешний 4-Х ТАКТНОГО ПЛМ MERCURY 50 Серийный номер от 0T409000 до 1B344306
Рычаг переключения передач, румпель 4-Х ТАКТНОГО ПЛМ MERCURY 50 Серийный номер от 0T409000 до 1B344306
Стартер(USA- 1B282399 и ниже) 4-Х ТАКТНОГО ПЛМ MERCURY 50 Серийный номер от 0T409000 до 1B344306
Топливные линии 4-Х ТАКТНОГО ПЛМ MERCURY 50 Серийный номер от 0T409000 до 1B344306
Топливный насос 4-Х ТАКТНОГО ПЛМ MERCURY 50 Серийный номер от 0T409000 до 1B344306
Электрические компоненты(USA-1B226999/Bel-0P400999 и ниже) 4-Х ТАКТНОГО ПЛМ MERCURY 50 Серийный номер от 0T409000 до 1B344306
Электрические компоненты(USA-1B227000/Bel-0P401000 и выше) 4-Х ТАКТНОГО ПЛМ MERCURY 50 Серийный номер от 0T409000 до 1B344306
Аксессуары 4-Х ТАКТНОГО ПЛМ MERCURY 50 Серийный номер от 1C000001 до 1C050251
Блок цилиндров и картер 4-Х ТАКТНОГО ПЛМ MERCURY 50 Серийный номер от 1C000001 до 1C050251
Верх капота 4-Х ТАКТНОГО ПЛМ MERCURY 50 Серийный номер от 1C000001 до 1C050251
Впускной коллектор 4-Х ТАКТНОГО ПЛМ MERCURY 50 Серийный номер от 1C000001 до 1C050251
Впускные, выпускные клапаны 4-Х ТАКТНОГО ПЛМ MERCURY 50 Серийный номер от 1C000001 до 1C050251
Гидроподъем 4-Х ТАКТНОГО ПЛМ MERCURY 50 Серийный номер от 1C000001 до 1C050251
Головка цилиндра 4-Х ТАКТНОГО ПЛМ MERCURY 50 Серийный номер от 1C000001 до 1C050251
Инструменты (Часть 1) 4-Х ТАКТНОГО ПЛМ MERCURY 50 Серийный номер от 1C000001 до 1C050251
Инструменты (Часть 2) 4-Х ТАКТНОГО ПЛМ MERCURY 50 Серийный номер от 1C000001 до 1C050251
Инструменты (Часть 3) 4-Х ТАКТНОГО ПЛМ MERCURY 50 Серийный номер от 1C000001 до 1C050251
Катушка зажигания 4-Х ТАКТНОГО ПЛМ MERCURY 50 Серийный номер от 1C000001 до 1C050251
Коленвал, поршни и шатуны 4-Х ТАКТНОГО ПЛМ MERCURY 50 Серийный номер от 1C000001 до 1C050251
Комплект дистанционного управления(880093A 2) 4-Х ТАКТНОГО ПЛМ MERCURY 50 Серийный номер от 1C000001 до 1C050251
Комплект удлинителей-5 дюймов, корпус карданного вала 12092A18 4-Х ТАКТНОГО ПЛМ MERCURY 50 Серийный номер от 1C000001 до 1C050251
Комплекты прокладок 4-Х ТАКТНОГО ПЛМ MERCURY 50 Серийный номер от 1C000001 до 1C050251
Компоненты гидроподъема 4-Х ТАКТНОГО ПЛМ MERCURY 50 Серийный номер от 1C000001 до 1C050251
Корпус карданного вала 4-Х ТАКТНОГО ПЛМ MERCURY 50 Серийный номер от 1C000001 до 1C050251
Корпус шестерни(карданный вал-2.33:1)(Serial #1C033810 и ниже) 4-Х ТАКТНОГО ПЛМ MERCURY 50 Серийный номер от 1C000001 до 1C050251
Корпус шестерни(карданный вал)(Serial #1C033811 и выше) 4-Х ТАКТНОГО ПЛМ MERCURY 50 Серийный номер от 1C000001 до 1C050251
Корпус шестерни(приводной вал-2.33:1)(Serial #1C033810 и ниже) 4-Х ТАКТНОГО ПЛМ MERCURY 50 Серийный номер от 1C000001 до 1C050251
Корпус шестерни(приводной вал)(1.83:1 передаточное число) 4-Х ТАКТНОГО ПЛМ MERCURY 50 Серийный номер от 1C000001 до 1C050251
Корпус шестерни(приводной вал)(Serial #1C033811 и выше) 4-Х ТАКТНОГО ПЛМ MERCURY 50 Серийный номер от 1C000001 до 1C050251
Кронштейн транца 4-Х ТАКТНОГО ПЛМ MERCURY 50 Серийный номер от 1C000001 до 1C050251
Масляный насос распредвала 4-Х ТАКТНОГО ПЛМ MERCURY 50 Серийный номер от 1C000001 до 1C050251
Маховик 4-Х ТАКТНОГО ПЛМ MERCURY 50 Серийный номер от 1C000001 до 1C050251
Низ капота 4-Х ТАКТНОГО ПЛМ MERCURY 50 Серийный номер от 1C000001 до 1C050251
Паросепаратор 4-Х ТАКТНОГО ПЛМ MERCURY 50 Серийный номер от 1C000001 до 1C050251
Переходная пластина 4-Х ТАКТНОГО ПЛМ MERCURY 50 Серийный номер от 1C000001 до 1C050251
Поворотный кронштейн 4-Х ТАКТНОГО ПЛМ MERCURY 50 Серийный номер от 1C000001 до 1C050251
Рукоятка рулевого управления 4-Х ТАКТНОГО ПЛМ MERCURY 50 Серийный номер от 1C000001 до 1C050251
Рукоятка румпеля 4-Х ТАКТНОГО ПЛМ MERCURY 50 Серийный номер от 1C000001 до 1C050251
Рычаг переключения передач, внешний 4-Х ТАКТНОГО ПЛМ MERCURY 50 Серийный номер от 1C000001 до 1C050251
Рычаг переключения передач, румпель 4-Х ТАКТНОГО ПЛМ MERCURY 50 Серийный номер от 1C000001 до 1C050251
Топливные линии 4-Х ТАКТНОГО ПЛМ MERCURY 50 Серийный номер от 1C000001 до 1C050251
Топливный насос 4-Х ТАКТНОГО ПЛМ MERCURY 50 Серийный номер от 1C000001 до 1C050251
Электрические компоненты 4-Х ТАКТНОГО ПЛМ MERCURY 50 Серийный номер от 1C000001 до 1C050251
Jet Unit 4-Х ТАКТНОГО ПЛМ MERCURY 50 Серийный номер от 1C050252 и выше
Аксессуары 4-Х ТАКТНОГО ПЛМ MERCURY 50 Серийный номер от 1C050252 и выше
Блок цилиндров и картер 4-Х ТАКТНОГО ПЛМ MERCURY 50 Серийный номер от 1C050252 и выше
Верх капота 4-Х ТАКТНОГО ПЛМ MERCURY 50 Серийный номер от 1C050252 и выше
Впускной коллектор 4-Х ТАКТНОГО ПЛМ MERCURY 50 Серийный номер от 1C050252 и выше
Впускные, выпускные клапаны 4-Х ТАКТНОГО ПЛМ MERCURY 50 Серийный номер от 1C050252 и выше
Гидроподъем 4-Х ТАКТНОГО ПЛМ MERCURY 50 Серийный номер от 1C050252 и выше
Головка цилиндра 4-Х ТАКТНОГО ПЛМ MERCURY 50 Серийный номер от 1C050252 и выше
Дроссельная тяга, Jet 4-Х ТАКТНОГО ПЛМ MERCURY 50 Серийный номер от 1C050252 и выше
Дроссельная тяга, внешний 4-Х ТАКТНОГО ПЛМ MERCURY 50 Серийный номер от 1C050252 и выше
Дроссельная тяга, румпель 4-Х ТАКТНОГО ПЛМ MERCURY 50 Серийный номер от 1C050252 и выше
Инструменты (Часть 1) 4-Х ТАКТНОГО ПЛМ MERCURY 50 Серийный номер от 1C050252 и выше
Инструменты (Часть 2) 4-Х ТАКТНОГО ПЛМ MERCURY 50 Серийный номер от 1C050252 и выше
Инструменты (Часть 3) 4-Х ТАКТНОГО ПЛМ MERCURY 50 Серийный номер от 1C050252 и выше
Катушка зажигания, 1C104423/0P560349 и ниже 4-Х ТАКТНОГО ПЛМ MERCURY 50 Серийный номер от 1C050252 и выше
Катушка зажигания, 1C104424/0P560350 и выше 4-Х ТАКТНОГО ПЛМ MERCURY 50 Серийный номер от 1C050252 и выше
Коленвал, поршни и шатуны 4-Х ТАКТНОГО ПЛМ MERCURY 50 Серийный номер от 1C050252 и выше
Комплект удлинителя - 2.5 Inch, корпус карданного вала (879150A88) 4-Х ТАКТНОГО ПЛМ MERCURY 50 Серийный номер от 1C050252 и выше
Комплект удлинителя - 5 Inch, корпус карданного вала (12092A20) 4-Х ТАКТНОГО ПЛМ MERCURY 50 Серийный номер от 1C050252 и выше
Комплект удлинителя, корпус карданного вала 12092A20 - Bigfoot 4-Х ТАКТНОГО ПЛМ MERCURY 50 Серийный номер от 1C050252 и выше
Комплекты прокладок 4-Х ТАКТНОГО ПЛМ MERCURY 50 Серийный номер от 1C050252 и выше
Компоненты гидроподъема (Часть 1) 4-Х ТАКТНОГО ПЛМ MERCURY 50 Серийный номер от 1C050252 и выше
Компоненты гидроподъема (Часть 2) 4-Х ТАКТНОГО ПЛМ MERCURY 50 Серийный номер от 1C050252 и выше
Компоненты струйного водяного насоса 4-Х ТАКТНОГО ПЛМ MERCURY 50 Серийный номер от 1C050252 и выше
Корпус карданного вала 4-Х ТАКТНОГО ПЛМ MERCURY 50 Серийный номер от 1C050252 и выше
Корпус шестерни, карданный вал - 1.83:1 передаточное число 4-Х ТАКТНОГО ПЛМ MERCURY 50 Серийный номер от 1C050252 и выше
Корпус шестерни, карданный вал - 2.33:1 передаточное число 4-Х ТАКТНОГО ПЛМ MERCURY 50 Серийный номер от 1C050252 и выше
Корпус шестерни, приводной вал - 1.83:1 передаточное число 4-Х ТАКТНОГО ПЛМ MERCURY 50 Серийный номер от 1C050252 и выше
Корпус шестерни, приводной вал - 2.33:1 передаточное число 4-Х ТАКТНОГО ПЛМ MERCURY 50 Серийный номер от 1C050252 и выше
Кронштейн транца 4-Х ТАКТНОГО ПЛМ MERCURY 50 Серийный номер от 1C050252 и выше
Масляный насос распредвала 4-Х ТАКТНОГО ПЛМ MERCURY 50 Серийный номер от 1C050252 и выше
Маховик 4-Х ТАКТНОГО ПЛМ MERCURY 50 Серийный номер от 1C050252 и выше
Набор ключей, дросселей, рупоров 15000A14 4-Х ТАКТНОГО ПЛМ MERCURY 50 Серийный номер от 1C050252 и выше
Низ капота 4-Х ТАКТНОГО ПЛМ MERCURY 50 Серийный номер от 1C050252 и выше
Паросепаратор 4-Х ТАКТНОГО ПЛМ MERCURY 50 Серийный номер от 1C050252 и выше
Переходная пластина 4-Х ТАКТНОГО ПЛМ MERCURY 50 Серийный номер от 1C050252 и выше
Поворотный кронштейн 4-Х ТАКТНОГО ПЛМ MERCURY 50 Серийный номер от 1C050252 и выше
Рукоятка рулевого управления 4-Х ТАКТНОГО ПЛМ MERCURY 50 Серийный номер от 1C050252 и выше
Рукоятка румпеля 4-Х ТАКТНОГО ПЛМ MERCURY 50 Серийный номер от 1C050252 и выше
Рычаг переключения передач, внешний 4-Х ТАКТНОГО ПЛМ MERCURY 50 Серийный номер от 1C050252 и выше
Рычаг переключения передач, румпель 4-Х ТАКТНОГО ПЛМ MERCURY 50 Серийный номер от 1C050252 и выше
Топливные линии 4-Х ТАКТНОГО ПЛМ MERCURY 50 Серийный номер от 1C050252 и выше
Топливный насос 4-Х ТАКТНОГО ПЛМ MERCURY 50 Серийный номер от 1C050252 и выше
Электрические компоненты, 1C104423/0P560349 и ниже 4-Х ТАКТНОГО ПЛМ MERCURY 50 Серийный номер от 1C050252 и выше
Электрические компоненты, 1C104424/0P560350 и выше 4-Х ТАКТНОГО ПЛМ MERCURY 50 Серийный номер от 1C050252 и выше
Аксессуары 4-Х ТАКТНОГО ПЛМ MERCURY 60 Серийный номер от 0P153500 до 0P400999
Блок цилиндров и картер 4-Х ТАКТНОГО ПЛМ MERCURY 60 Серийный номер от 0P153500 до 0P400999
Верх капота 4-Х ТАКТНОГО ПЛМ MERCURY 60 Серийный номер от 0P153500 до 0P400999
Впускной коллектор 4-Х ТАКТНОГО ПЛМ MERCURY 60 Серийный номер от 0P153500 до 0P400999
Впускные, выпускные клапаны 4-Х ТАКТНОГО ПЛМ MERCURY 60 Серийный номер от 0P153500 до 0P400999
Гидроподъем 4-Х ТАКТНОГО ПЛМ MERCURY 60 Серийный номер от 0P153500 до 0P400999
Головка цилиндра 4-Х ТАКТНОГО ПЛМ MERCURY 60 Серийный номер от 0P153500 до 0P400999
Инструменты (Часть 1) 4-Х ТАКТНОГО ПЛМ MERCURY 60 Серийный номер от 0P153500 до 0P400999
Инструменты (Часть 2) 4-Х ТАКТНОГО ПЛМ MERCURY 60 Серийный номер от 0P153500 до 0P400999
Инструменты (Часть 3) 4-Х ТАКТНОГО ПЛМ MERCURY 60 Серийный номер от 0P153500 до 0P400999
Катушка, Bel-0P325500 thru 0P400999 4-Х ТАКТНОГО ПЛМ MERCURY 60 Серийный номер от 0P153500 до 0P400999
Катушка, USA-0T980000 thru 1B226999 4-Х ТАКТНОГО ПЛМ MERCURY 60 Серийный номер от 0P153500 до 0P400999
Катушка, USA-1B227000/Bel-0P401000 и выше 4-Х ТАКТНОГО ПЛМ MERCURY 60 Серийный номер от 0P153500 до 0P400999
Коленвал, поршни и шатуны 4-Х ТАКТНОГО ПЛМ MERCURY 60 Серийный номер от 0P153500 до 0P400999
Комплект удлинителя XL 4-Х ТАКТНОГО ПЛМ MERCURY 60 Серийный номер от 0P153500 до 0P400999
Комплекты прокладок 4-Х ТАКТНОГО ПЛМ MERCURY 60 Серийный номер от 0P153500 до 0P400999
Компоненты гидроподъема 4-Х ТАКТНОГО ПЛМ MERCURY 60 Серийный номер от 0P153500 до 0P400999
Корпус карданного вала 4-Х ТАКТНОГО ПЛМ MERCURY 60 Серийный номер от 0P153500 до 0P400999
Корпус шестерни, Drive-2.33:1-USA-0T625304/BEL-0P216185 и выше 4-Х ТАКТНОГО ПЛМ MERCURY 60 Серийный номер от 0P153500 до 0P400999
Корпус шестерни, Prop-2.31:1-USA-0T625303/BEL-0P216184 и ниже 4-Х ТАКТНОГО ПЛМ MERCURY 60 Серийный номер от 0P153500 до 0P400999
Корпус шестерни, Prop-2.33:1-USA-0T625304/BEL-0P216185 и выше 4-Х ТАКТНОГО ПЛМ MERCURY 60 Серийный номер от 0P153500 до 0P400999
Корпус шестерни, Propeller Shaft - 1.83:1 передаточное число 4-Х ТАКТНОГО ПЛМ MERCURY 60 Серийный номер от 0P153500 до 0P400999
Корпус шестерни(Drive-2.31:1)(Belgium-0P216184 и ниже) 4-Х ТАКТНОГО ПЛМ MERCURY 60 Серийный номер от 0P153500 до 0P400999
Корпус шестерни(Driveshaft)(1.83:1 передаточное число) 4-Х ТАКТНОГО ПЛМ MERCURY 60 Серийный номер от 0P153500 до 0P400999
Кронштейн транца 4-Х ТАКТНОГО ПЛМ MERCURY 60 Серийный номер от 0P153500 до 0P400999
Масляный насос распредвала 4-Х ТАКТНОГО ПЛМ MERCURY 60 Серийный номер от 0P153500 до 0P400999
Маховик 4-Х ТАКТНОГО ПЛМ MERCURY 60 Серийный номер от 0P153500 до 0P400999
Низ капота 4-Х ТАКТНОГО ПЛМ MERCURY 60 Серийный номер от 0P153500 до 0P400999
Паросепаратор(USA-1B036613/BEL-0P340241 и ниже) 4-Х ТАКТНОГО ПЛМ MERCURY 60 Серийный номер от 0P153500 до 0P400999
Паросепаратор(USA-1B036614/BEL-0P340242 и выше) 4-Х ТАКТНОГО ПЛМ MERCURY 60 Серийный номер от 0P153500 до 0P400999
Переходная пластина 4-Х ТАКТНОГО ПЛМ MERCURY 60 Серийный номер от 0P153500 до 0P400999
Поворотный кронштейн 4-Х ТАКТНОГО ПЛМ MERCURY 60 Серийный номер от 0P153500 до 0P400999
Рукоятка рулевого управления 4-Х ТАКТНОГО ПЛМ MERCURY 60 Серийный номер от 0P153500 до 0P400999
Рукоятка румпеля 4-Х ТАКТНОГО ПЛМ MERCURY 60 Серийный номер от 0P153500 до 0P400999
Рычаг переключения передач, внешний 4-Х ТАКТНОГО ПЛМ MERCURY 60 Серийный номер от 0P153500 до 0P400999
Рычаг переключения передач, румпель 4-Х ТАКТНОГО ПЛМ MERCURY 60 Серийный номер от 0P153500 до 0P400999
Стартер(USA- 1B282399 и ниже) 4-Х ТАКТНОГО ПЛМ MERCURY 60 Серийный номер от 0P153500 до 0P400999
Топливные линии 4-Х ТАКТНОГО ПЛМ MERCURY 60 Серийный номер от 0P153500 до 0P400999
Топливный насос 4-Х ТАКТНОГО ПЛМ MERCURY 60 Серийный номер от 0P153500 до 0P400999
Электрические компоненты(USA-1B226999/Bel-0P400999 и ниже) 4-Х ТАКТНОГО ПЛМ MERCURY 60 Серийный номер от 0P153500 до 0P400999
Электрические компоненты(USA-1B227000/Bel-0P401000 и выше) 4-Х ТАКТНОГО ПЛМ MERCURY 60 Серийный номер от 0P153500 до 0P400999
Аксессуары 4-Х ТАКТНОГО ПЛМ MERCURY 135 Серийный номер от 0P464488 до 0P514868
Антикоррозийный комплект 4-Х ТАКТНОГО ПЛМ MERCURY 135 Серийный номер от 0P464488 до 0P514868
Блок цилиндров / масляный радиатор 4-Х ТАКТНОГО ПЛМ MERCURY 135 Серийный номер от 0P464488 до 0P514868
Блок цилиндров 4-Х ТАКТНОГО ПЛМ MERCURY 135 Серийный номер от 0P464488 до 0P514868
Верх капота 4-Х ТАКТНОГО ПЛМ MERCURY 135 Серийный номер от 0P464488 до 0P514868
Генератор / Ремень 4-Х ТАКТНОГО ПЛМ MERCURY 135 Серийный номер от 0P464488 до 0P514868
Головка цилиндра и распредвал 4-Х ТАКТНОГО ПЛМ MERCURY 135 Серийный номер от 0P464488 до 0P514868
Задний обтекатель 4-Х ТАКТНОГО ПЛМ MERCURY 135 Серийный номер от 0P464488 до 0P514868
Задний обтекатель, замок в сборе 4-Х ТАКТНОГО ПЛМ MERCURY 135 Серийный номер от 0P464488 до 0P514868
Зарядный кулер / впускной коллектор 4-Х ТАКТНОГО ПЛМ MERCURY 135 Серийный номер от 0P464488 до 0P514868
Зарядный кулер / Шланги впускного коллектора 4-Х ТАКТНОГО ПЛМ MERCURY 135 Серийный номер от 0P464488 до 0P514868
Индукционные компоненты 4-Х ТАКТНОГО ПЛМ MERCURY 135 Серийный номер от 0P464488 до 0P514868
Инструменты (Часть 1) 4-Х ТАКТНОГО ПЛМ MERCURY 135 Серийный номер от 0P464488 до 0P514868
Инструменты (Часть 2) 4-Х ТАКТНОГО ПЛМ MERCURY 135 Серийный номер от 0P464488 до 0P514868
Коленвал, поршни и шатуны 4-Х ТАКТНОГО ПЛМ MERCURY 135 Серийный номер от 0P464488 до 0P514868
Комплект прокладок 4-Х ТАКТНОГО ПЛМ MERCURY 135 Серийный номер от 0P464488 до 0P514868
Компоненты блока цилиндров 4-Х ТАКТНОГО ПЛМ MERCURY 135 Серийный номер от 0P464488 до 0P514868
Компоненты силовой отделки 4-Х ТАКТНОГО ПЛМ MERCURY 135 Серийный номер от 0P464488 до 0P514868
Компонеты ручки переключения передач 4-Х ТАКТНОГО ПЛМ MERCURY 135 Серийный номер от 0P464488 до 0P514868
Корпус карданного вала 4-Х ТАКТНОГО ПЛМ MERCURY 135 Серийный номер от 0P464488 до 0P514868
Корпус редуктора (карданный вал) (стандартное / обратное вращение) 4-Х ТАКТНОГО ПЛМ MERCURY 135 Серийный номер от 0P464488 до 0P514868
Корпус редуктора, карданный вал - обратное вращение 4-Х ТАКТНОГО ПЛМ MERCURY 135 Серийный номер от 0P464488 до 0P514868
Корпус редуктора, карданный вал - стандартное вращение 4-Х ТАКТНОГО ПЛМ MERCURY 135 Серийный номер от 0P464488 до 0P514868
Кронштейны транца 4-Х ТАКТНОГО ПЛМ MERCURY 135 Серийный номер от 0P464488 до 0P514868
Масляный насос / Переходная пластина(верхняя) 4-Х ТАКТНОГО ПЛМ MERCURY 135 Серийный номер от 0P464488 до 0P514868
Модуль подачи топлива 4-Х ТАКТНОГО ПЛМ MERCURY 135 Серийный номер от 0P464488 до 0P514868
Нагнетатель 4-Х ТАКТНОГО ПЛМ MERCURY 135 Серийный номер от 0P464488 до 0P514868
Переходная пластина(нижняя) 4-Х ТАКТНОГО ПЛМ MERCURY 135 Серийный номер от 0P464488 до 0P514868
Поворотный кронштейн и рулевой рычаг 4-Х ТАКТНОГО ПЛМ MERCURY 135 Серийный номер от 0P464488 до 0P514868
Рулевой цилиндр в сборе 4-Х ТАКТНОГО ПЛМ MERCURY 135 Серийный номер от 0P464488 до 0P514868
Стартер 4-Х ТАКТНОГО ПЛМ MERCURY 135 Серийный номер от 0P464488 до 0P514868
Шланги для переходных пластин 4-Х ТАКТНОГО ПЛМ MERCURY 135 Серийный номер от 0P464488 до 0P514868
Электрические компоненты 4-Х ТАКТНОГО ПЛМ MERCURY 135 Серийный номер от 0P464488 до 0P514868
Аксессуары 4-Х ТАКТНОГО ПЛМ MERCURY 135 Серийный номер от 0P514869 и выше
Антикоррозийный комплект 4-Х ТАКТНОГО ПЛМ MERCURY 135 Серийный номер от 0P514869 и выше
Блок цилиндров / масляный радиатор 4-Х ТАКТНОГО ПЛМ MERCURY 135 Серийный номер от 0P514869 и выше
Блок цилиндров / масляный радиатор-GEN II 4-Х ТАКТНОГО ПЛМ MERCURY 135 Серийный номер от 0P514869 и выше
Блок цилиндров 4-Х ТАКТНОГО ПЛМ MERCURY 135 Серийный номер от 0P514869 и выше
Верх капота 4-Х ТАКТНОГО ПЛМ MERCURY 135 Серийный номер от 0P514869 и выше
Генератор / Ремень 4-Х ТАКТНОГО ПЛМ MERCURY 135 Серийный номер от 0P514869 и выше
Головка цилиндра и распредвал 4-Х ТАКТНОГО ПЛМ MERCURY 135 Серийный номер от 0P514869 и выше
Задний обтекатель 4-Х ТАКТНОГО ПЛМ MERCURY 135 Серийный номер от 0P514869 и выше
Зарядный кулер / впускной коллектор 4-Х ТАКТНОГО ПЛМ MERCURY 135 Серийный номер от 0P514869 и выше
Зарядный кулер / впускной коллектор-GEN II 4-Х ТАКТНОГО ПЛМ MERCURY 135 Серийный номер от 0P514869 и выше
Зарядный кулер / Шланги впускного коллектора 4-Х ТАКТНОГО ПЛМ MERCURY 135 Серийный номер от 0P514869 и выше
Индукционные компоненты 4-Х ТАКТНОГО ПЛМ MERCURY 135 Серийный номер от 0P514869 и выше
Инструменты (Часть 1) 4-Х ТАКТНОГО ПЛМ MERCURY 135 Серийный номер от 0P514869 и выше
Инструменты (Часть 2) 4-Х ТАКТНОГО ПЛМ MERCURY 135 Серийный номер от 0P514869 и выше
Коленвал, поршни и шатуны 4-Х ТАКТНОГО ПЛМ MERCURY 135 Серийный номер от 0P514869 и выше
Комплект прокладок 4-Х ТАКТНОГО ПЛМ MERCURY 135 Серийный номер от 0P514869 и выше
Компоненты блока цилиндров 4-Х ТАКТНОГО ПЛМ MERCURY 135 Серийный номер от 0P514869 и выше
Компоненты ручки переключения передач 4-Х ТАКТНОГО ПЛМ MERCURY 135 Серийный номер от 0P514869 и выше
Компоненты силовой отделки 4-Х ТАКТНОГО ПЛМ MERCURY 135 Серийный номер от 0P514869 и выше
Корпус карданного вала 4-Х ТАКТНОГО ПЛМ MERCURY 135 Серийный номер от 0P514869 и выше
Корпус редуктора (карданный вал) (стандартное / обратное вращение) 4-Х ТАКТНОГО ПЛМ MERCURY 135 Серийный номер от 0P514869 и выше
Корпус редуктора, карданный вал - обратное вращение 4-Х ТАКТНОГО ПЛМ MERCURY 135 Серийный номер от 0P514869 и выше
Корпус редуктора, карданный вал - стандартное вращение 4-Х ТАКТНОГО ПЛМ MERCURY 135 Серийный номер от 0P514869 и выше
Кронштейны транца 4-Х ТАКТНОГО ПЛМ MERCURY 135 Серийный номер от 0P514869 и выше
Масляный насос / Переходная пластина(верхняя) 4-Х ТАКТНОГО ПЛМ MERCURY 135 Серийный номер от 0P514869 и выше
Модуль подачи топлива 4-Х ТАКТНОГО ПЛМ MERCURY 135 Серийный номер от 0P514869 и выше
Нагнетатель 4-Х ТАКТНОГО ПЛМ MERCURY 135 Серийный номер от 0P514869 и выше
Переходная пластина(нижняя) 4-Х ТАКТНОГО ПЛМ MERCURY 135 Серийный номер от 0P514869 и выше
Поворотный кронштейн и рулевой рычаг 4-Х ТАКТНОГО ПЛМ MERCURY 135 Серийный номер от 0P514869 и выше
Стартер 4-Х ТАКТНОГО ПЛМ MERCURY 135 Серийный номер от 0P514869 и выше
Фильтр сепаратора, 8M0046336 4-Х ТАКТНОГО ПЛМ MERCURY 135 Серийный номер от 0P514869 и выше
Шланги для переходных пластин 4-Х ТАКТНОГО ПЛМ MERCURY 135 Серийный номер от 0P514869 и выше
Электрические компоненты 4-Х ТАКТНОГО ПЛМ MERCURY 135 Серийный номер от 0P514869 и выше
Аксессуары 4-Х ТАКТНОГО ПЛМ MERCURY 135 Серийный номер от 1B2270001 до 1B381711
Блок цилиндров / масляный радиатор 4-Х ТАКТНОГО ПЛМ MERCURY 135 Серийный номер от 1B2270001 до 1B381711
Блок цилиндров 4-Х ТАКТНОГО ПЛМ MERCURY 135 Серийный номер от 1B2270001 до 1B381711
Верх капота 4-Х ТАКТНОГО ПЛМ MERCURY 135 Серийный номер от 1B2270001 до 1B381711
Генератор / Ремень 4-Х ТАКТНОГО ПЛМ MERCURY 135 Серийный номер от 1B2270001 до 1B381711
Гидравлический цилиндр рулевой 4-Х ТАКТНОГО ПЛМ MERCURY 135 Серийный номер от 1B2270001 до 1B381711
Головка цилиндра и распредвал 4-Х ТАКТНОГО ПЛМ MERCURY 135 Серийный номер от 1B2270001 до 1B381711
Задний обтекатель 4-Х ТАКТНОГО ПЛМ MERCURY 135 Серийный номер от 1B2270001 до 1B381711
Зарядный кулер / впускной коллектор 4-Х ТАКТНОГО ПЛМ MERCURY 135 Серийный номер от 1B2270001 до 1B381711
Индукционные компоненты 4-Х ТАКТНОГО ПЛМ MERCURY 135 Серийный номер от 1B2270001 до 1B381711
Инструменты (Часть 1) 4-Х ТАКТНОГО ПЛМ MERCURY 135 Серийный номер от 1B2270001 до 1B381711
Инструменты (Часть 2) 4-Х ТАКТНОГО ПЛМ MERCURY 135 Серийный номер от 1B2270001 до 1B381711
Коленвал, поршни и шатуны 4-Х ТАКТНОГО ПЛМ MERCURY 135 Серийный номер от 1B2270001 до 1B381711
Комплект прокладок 4-Х ТАКТНОГО ПЛМ MERCURY 135 Серийный номер от 1B2270001 до 1B381711
Компоненты блока цилиндров 4-Х ТАКТНОГО ПЛМ MERCURY 135 Серийный номер от 1B2270001 до 1B381711
Компоненты силовой отделки 4-Х ТАКТНОГО ПЛМ MERCURY 135 Серийный номер от 1B2270001 до 1B381711
Корпус карданного вала 4-Х ТАКТНОГО ПЛМ MERCURY 135 Серийный номер от 1B2270001 до 1B381711
Корпус редуктора (карданный вал) (стандартное / обратное вращение) 4-Х ТАКТНОГО ПЛМ MERCURY 135 Серийный номер от 1B2270001 до 1B381711
Корпус редуктора, карданный вал - обратное вращение 4-Х ТАКТНОГО ПЛМ MERCURY 135 Серийный номер от 1B2270001 до 1B381711
Корпус редуктора, карданный вал - стандартное вращение 4-Х ТАКТНОГО ПЛМ MERCURY 135 Серийный номер от 1B2270001 до 1B381711
Кронштейны транца 4-Х ТАКТНОГО ПЛМ MERCURY 135 Серийный номер от 1B2270001 до 1B381711
Масляный насос / Переходная пластина(верхняя) 4-Х ТАКТНОГО ПЛМ MERCURY 135 Серийный номер от 1B2270001 до 1B381711
Модуль подачи топлива 4-Х ТАКТНОГО ПЛМ MERCURY 135 Серийный номер от 1B2270001 до 1B381711
Нагнетатель 4-Х ТАКТНОГО ПЛМ MERCURY 135 Серийный номер от 1B2270001 до 1B381711
Переходная пластина(нижняя) 4-Х ТАКТНОГО ПЛМ MERCURY 135 Серийный номер от 1B2270001 до 1B381711
Поворотный кронштейн и рулевой рычаг 4-Х ТАКТНОГО ПЛМ MERCURY 135 Серийный номер от 1B2270001 до 1B381711
Ручка переключения передач(Serial Number 1B290522 и ниже) 4-Х ТАКТНОГО ПЛМ MERCURY 135 Серийный номер от 1B2270001 до 1B381711
Ручка переключения передач(Serial Number 1B290523 и выше) 4-Х ТАКТНОГО ПЛМ MERCURY 135 Серийный номер от 1B2270001 до 1B381711
Стартер 4-Х ТАКТНОГО ПЛМ MERCURY 135 Серийный номер от 1B2270001 до 1B381711
Шланги для переходных пластин 4-Х ТАКТНОГО ПЛМ MERCURY 135 Серийный номер от 1B2270001 до 1B381711
Электрические компоненты 4-Х ТАКТНОГО ПЛМ MERCURY 135 Серийный номер от 1B2270001 до 1B381711
Аксессуары 4-Х ТАКТНОГО ПЛМ MERCURY 135 Серийный номер от 1B381712 до 1B517158
Антикоррозийный комплект 4-Х ТАКТНОГО ПЛМ MERCURY 135 Серийный номер от 1B381712 до 1B517158
Блок цилиндров / масляный радиатор 4-Х ТАКТНОГО ПЛМ MERCURY 135 Серийный номер от 1B381712 до 1B517158
Блок цилиндров 4-Х ТАКТНОГО ПЛМ MERCURY 135 Серийный номер от 1B381712 до 1B517158
Верх капота 4-Х ТАКТНОГО ПЛМ MERCURY 135 Серийный номер от 1B381712 до 1B517158
Генератор / Ремень 4-Х ТАКТНОГО ПЛМ MERCURY 135 Серийный номер от 1B381712 до 1B517158
Головка цилиндра и распредвал 4-Х ТАКТНОГО ПЛМ MERCURY 135 Серийный номер от 1B381712 до 1B517158
Задний обтекатель 4-Х ТАКТНОГО ПЛМ MERCURY 135 Серийный номер от 1B381712 до 1B517158
Зарядный кулер / впускной коллектор 4-Х ТАКТНОГО ПЛМ MERCURY 135 Серийный номер от 1B381712 до 1B517158
Зарядный кулер / Шланги впускного коллектора 4-Х ТАКТНОГО ПЛМ MERCURY 135 Серийный номер от 1B381712 до 1B517158
Индукционные компоненты 4-Х ТАКТНОГО ПЛМ MERCURY 135 Серийный номер от 1B381712 до 1B517158
Инструменты (Часть 1) 4-Х ТАКТНОГО ПЛМ MERCURY 135 Серийный номер от 1B381712 до 1B517158
Инструменты (Часть 2) 4-Х ТАКТНОГО ПЛМ MERCURY 135 Серийный номер от 1B381712 до 1B517158
Коленвал, поршни и шатуны 4-Х ТАКТНОГО ПЛМ MERCURY 135 Серийный номер от 1B381712 до 1B517158
Комплект прокладок 4-Х ТАКТНОГО ПЛМ MERCURY 135 Серийный номер от 1B381712 до 1B517158
Компоненты блока цилиндров 4-Х ТАКТНОГО ПЛМ MERCURY 135 Серийный номер от 1B381712 до 1B517158
Компоненты силовой отделки 4-Х ТАКТНОГО ПЛМ MERCURY 135 Серийный номер от 1B381712 до 1B517158
Компонеты ручки переключения передач 4-Х ТАКТНОГО ПЛМ MERCURY 135 Серийный номер от 1B381712 до 1B517158
Корпус карданного вала 4-Х ТАКТНОГО ПЛМ MERCURY 135 Серийный номер от 1B381712 до 1B517158
Корпус редуктора (карданный вал) (стандартное / обратное вращение) 4-Х ТАКТНОГО ПЛМ MERCURY 135 Серийный номер от 1B381712 до 1B517158
Корпус редуктора, карданный вал - стандартное вращение 4-Х ТАКТНОГО ПЛМ MERCURY 135 Серийный номер от 1B381712 до 1B517158
Кронштейны транца 4-Х ТАКТНОГО ПЛМ MERCURY 135 Серийный номер от 1B381712 до 1B517158
Масляный насос / Переходная пластина(верхняя) 4-Х ТАКТНОГО ПЛМ MERCURY 135 Серийный номер от 1B381712 до 1B517158
Модуль подачи топлива 4-Х ТАКТНОГО ПЛМ MERCURY 135 Серийный номер от 1B381712 до 1B517158
Нагнетатель 4-Х ТАКТНОГО ПЛМ MERCURY 135 Серийный номер от 1B381712 до 1B517158
Переходная пластина(нижняя) 4-Х ТАКТНОГО ПЛМ MERCURY 135 Серийный номер от 1B381712 до 1B517158
Поворотный кронштейн и рулевой рычаг 4-Х ТАКТНОГО ПЛМ MERCURY 135 Серийный номер от 1B381712 до 1B517158
Рулевой цилиндр в сборе 4-Х ТАКТНОГО ПЛМ MERCURY 135 Серийный номер от 1B381712 до 1B517158
Стартер 4-Х ТАКТНОГО ПЛМ MERCURY 135 Серийный номер от 1B381712 до 1B517158
Шланги для переходных пластин 4-Х ТАКТНОГО ПЛМ MERCURY 135 Серийный номер от 1B381712 до 1B517158
Электрические компоненты 4-Х ТАКТНОГО ПЛМ MERCURY 135 Серийный номер от 1B381712 до 1B517158
Аксессуары 4-Х ТАКТНОГО ПЛМ MERCURY 135 Серийный номер от 1B517159 и выше
Антикоррозийный комплект 4-Х ТАКТНОГО ПЛМ MERCURY 135 Серийный номер от 1B517159 и выше
Блок цилиндров / масляный радиатор 4-Х ТАКТНОГО ПЛМ MERCURY 135 Серийный номер от 1B517159 и выше
Блок цилиндров / масляный радиатор-GEN II 4-Х ТАКТНОГО ПЛМ MERCURY 135 Серийный номер от 1B517159 и выше
Блок цилиндров 4-Х ТАКТНОГО ПЛМ MERCURY 135 Серийный номер от 1B517159 и выше
Верх капота 4-Х ТАКТНОГО ПЛМ MERCURY 135 Серийный номер от 1B517159 и выше
Генератор / Ремень 4-Х ТАКТНОГО ПЛМ MERCURY 135 Серийный номер от 1B517159 и выше
Головка цилиндра и распредвал 4-Х ТАКТНОГО ПЛМ MERCURY 135 Серийный номер от 1B517159 и выше
Задний обтекатель 4-Х ТАКТНОГО ПЛМ MERCURY 135 Серийный номер от 1B517159 и выше
Зарядный кулер / впускной коллектор 4-Х ТАКТНОГО ПЛМ MERCURY 135 Серийный номер от 1B517159 и выше
Зарядный кулер / впускной коллектор-GEN II 4-Х ТАКТНОГО ПЛМ MERCURY 135 Серийный номер от 1B517159 и выше
Зарядный кулер / Шланги впускного коллектора 4-Х ТАКТНОГО ПЛМ MERCURY 135 Серийный номер от 1B517159 и выше
Индукционные компоненты 4-Х ТАКТНОГО ПЛМ MERCURY 135 Серийный номер от 1B517159 и выше
Инструменты (Часть 1) 4-Х ТАКТНОГО ПЛМ MERCURY 135 Серийный номер от 1B517159 и выше
Инструменты (Часть 2) 4-Х ТАКТНОГО ПЛМ MERCURY 135 Серийный номер от 1B517159 и выше
Коленвал, поршни и шатуны 4-Х ТАКТНОГО ПЛМ MERCURY 135 Серийный номер от 1B517159 и выше
Комплект прокладок 4-Х ТАКТНОГО ПЛМ MERCURY 135 Серийный номер от 1B517159 и выше
Компоненты блока цилиндров 4-Х ТАКТНОГО ПЛМ MERCURY 135 Серийный номер от 1B517159 и выше
Компоненты ручки переключения передач 4-Х ТАКТНОГО ПЛМ MERCURY 135 Серийный номер от 1B517159 и выше
Компоненты силовой отделки 4-Х ТАКТНОГО ПЛМ MERCURY 135 Серийный номер от 1B517159 и выше
Корпус карданного вала 4-Х ТАКТНОГО ПЛМ MERCURY 135 Серийный номер от 1B517159 и выше
Корпус редуктора (карданный вал) (стандартное / обратное вращение) 4-Х ТАКТНОГО ПЛМ MERCURY 135 Серийный номер от 1B517159 и выше
Корпус редуктора, карданный вал - обратное вращение 4-Х ТАКТНОГО ПЛМ MERCURY 135 Серийный номер от 1B517159 и выше
Кронштейны транца 4-Х ТАКТНОГО ПЛМ MERCURY 135 Серийный номер от 1B517159 и выше
Масляный насос / Переходная пластина(верхняя) 4-Х ТАКТНОГО ПЛМ MERCURY 135 Серийный номер от 1B517159 и выше
Модуль подачи топлива 4-Х ТАКТНОГО ПЛМ MERCURY 135 Серийный номер от 1B517159 и выше
Нагнетатель 4-Х ТАКТНОГО ПЛМ MERCURY 135 Серийный номер от 1B517159 и выше
Переходная пластина(нижняя) 4-Х ТАКТНОГО ПЛМ MERCURY 135 Серийный номер от 1B517159 и выше
Поворотный кронштейн и рулевой рычаг 4-Х ТАКТНОГО ПЛМ MERCURY 135 Серийный номер от 1B517159 и выше
Стартер 4-Х ТАКТНОГО ПЛМ MERCURY 135 Серийный номер от 1B517159 и выше
Фильтр сепаратора, 8M0046336 4-Х ТАКТНОГО ПЛМ MERCURY 135 Серийный номер от 1B517159 и выше
Шланги для переходных пластин 4-Х ТАКТНОГО ПЛМ MERCURY 135 Серийный номер от 1B517159 и выше
Электрические компоненты 4-Х ТАКТНОГО ПЛМ MERCURY 135 Серийный номер от 1B517159 и выше
Coastal Flush Kit, Outboard 4-Х ТАКТНОГО ПЛМ MERCURY 80 Серийный номер от 1B366823 и выше
Адапторная плита 4-Х ТАКТНОГО ПЛМ MERCURY 80 Серийный номер от 1B366823 и выше
Аксессуары 4-Х ТАКТНОГО ПЛМ MERCURY 80 Серийный номер от 1B366823 и выше
Блок цилиндров 4-Х ТАКТНОГО ПЛМ MERCURY 80 Серийный номер от 1B366823 и выше
Верх капота 4-Х ТАКТНОГО ПЛМ MERCURY 80 Серийный номер от 1B366823 и выше
Головка цилиндра и распредвал 4-Х ТАКТНОГО ПЛМ MERCURY 80 Серийный номер от 1B366823 и выше
Инструменты 4-Х ТАКТНОГО ПЛМ MERCURY 80 Серийный номер от 1B366823 и выше
Интегрированный воздушный топливный модуль 4-Х ТАКТНОГО ПЛМ MERCURY 80 Серийный номер от 1B366823 и выше
Коленчатый вал, поршни и шатуны 4-Х ТАКТНОГО ПЛМ MERCURY 80 Серийный номер от 1B366823 и выше
Комплект рулевой ручки, 816366A52 4-Х ТАКТНОГО ПЛМ MERCURY 80 Серийный номер от 1B366823 и выше
Комплектующие для рулевой ручки, 816366A52 4-Х ТАКТНОГО ПЛМ MERCURY 80 Серийный номер от 1B366823 и выше
Компоненты блока цилиндров 4-Х ТАКТНОГО ПЛМ MERCURY 80 Серийный номер от 1B366823 и выше
Компоненты интегрированного воздушного топливного модуля 4-Х ТАКТНОГО ПЛМ MERCURY 80 Серийный номер от 1B366823 и выше
Корпус карданного вала 4-Х ТАКТНОГО ПЛМ MERCURY 80 Серийный номер от 1B366823 и выше
Корпус редуктора, карданный вал 4-Х ТАКТНОГО ПЛМ MERCURY 80 Серийный номер от 1B366823 и выше
Корпус редуктора, приводной вал 4-Х ТАКТНОГО ПЛМ MERCURY 80 Серийный номер от 1B366823 и выше
Кронштейн дроссельной заслонки 4-Х ТАКТНОГО ПЛМ MERCURY 80 Серийный номер от 1B366823 и выше
Кронштейн транца 4-Х ТАКТНОГО ПЛМ MERCURY 80 Серийный номер от 1B366823 и выше
Масляный насос 4-Х ТАКТНОГО ПЛМ MERCURY 80 Серийный номер от 1B366823 и выше
Модуль подачи топлива (Часть 1) 4-Х ТАКТНОГО ПЛМ MERCURY 80 Серийный номер от 1B366823 и выше
Модуль подачи топлива (Часть 2) 4-Х ТАКТНОГО ПЛМ MERCURY 80 Серийный номер от 1B366823 и выше
Набор прокладок 4-Х ТАКТНОГО ПЛМ MERCURY 80 Серийный номер от 1B366823 и выше
Низ капота 4-Х ТАКТНОГО ПЛМ MERCURY 80 Серийный номер от 1B366823 и выше
Поворотный кронштейн и поворотный штифт 4-Х ТАКТНОГО ПЛМ MERCURY 80 Серийный номер от 1B366823 и выше
Система гидроподъема 4-Х ТАКТНОГО ПЛМ MERCURY 80 Серийный номер от 1B366823 и выше
Стартер, 1B759587 и ниже 4-Х ТАКТНОГО ПЛМ MERCURY 80 Серийный номер от 1B366823 и выше
Стартер, 1B759588 и выше 4-Х ТАКТНОГО ПЛМ MERCURY 80 Серийный номер от 1B366823 и выше
Удлинительный комплект-5 дюймов, корпус карданного вала 12092A19 4-Х ТАКТНОГО ПЛМ MERCURY 80 Серийный номер от 1B366823 и выше
Шланги модуля подачи топлива 4-Х ТАКТНОГО ПЛМ MERCURY 80 Серийный номер от 1B366823 и выше
Электрические компоненты 4-Х ТАКТНОГО ПЛМ MERCURY 80 Серийный номер от 1B366823 и выше
Электропроводка с/н 1B723942 и ниже 4-Х ТАКТНОГО ПЛМ MERCURY 80 Серийный номер от 1B366823 и выше
Электропроводка с/н 1B723943 и выше 4-Х ТАКТНОГО ПЛМ MERCURY 80 Серийный номер от 1B366823 и выше
Coastal Flush Kit, Outboard 4-Х ТАКТНОГО ПЛМ MERCURY 100 Серийный номер от 0P459572 и выше
Адапторная пластина 4-Х ТАКТНОГО ПЛМ MERCURY 100 Серийный номер от 0P459572 и выше
Аксессуары 4-Х ТАКТНОГО ПЛМ MERCURY 100 Серийный номер от 0P459572 и выше
Блок цилиндров 4-Х ТАКТНОГО ПЛМ MERCURY 100 Серийный номер от 0P459572 и выше
Верх капота 4-Х ТАКТНОГО ПЛМ MERCURY 100 Серийный номер от 0P459572 и выше
Впускной коллектор 4-Х ТАКТНОГО ПЛМ MERCURY 100 Серийный номер от 0P459572 и выше
Головка цилиндра и распредвал 4-Х ТАКТНОГО ПЛМ MERCURY 100 Серийный номер от 0P459572 и выше
Инструменты 4-Х ТАКТНОГО ПЛМ MERCURY 100 Серийный номер от 0P459572 и выше
Коленвал, поршни и шатуны 4-Х ТАКТНОГО ПЛМ MERCURY 100 Серийный номер от 0P459572 и выше
Компоненты блока цилиндров 4-Х ТАКТНОГО ПЛМ MERCURY 100 Серийный номер от 0P459572 и выше
Компоненты румпеля (Часть 2) 4-Х ТАКТНОГО ПЛМ MERCURY 100 Серийный номер от 0P459572 и выше
Корпус карданного вала 4-Х ТАКТНОГО ПЛМ MERCURY 100 Серийный номер от 0P459572 и выше
Корпус редуктора, карданный вал 4-Х ТАКТНОГО ПЛМ MERCURY 100 Серийный номер от 0P459572 и выше
Корпус редуктора, приводной вал 4-Х ТАКТНОГО ПЛМ MERCURY 100 Серийный номер от 0P459572 и выше
Кронштейн дроссельной заслонки 4-Х ТАКТНОГО ПЛМ MERCURY 100 Серийный номер от 0P459572 и выше
Кронштейн транца 4-Х ТАКТНОГО ПЛМ MERCURY 100 Серийный номер от 0P459572 и выше
Масляный насос 4-Х ТАКТНОГО ПЛМ MERCURY 100 Серийный номер от 0P459572 и выше
Модуль подачи топлива (Часть 1) 4-Х ТАКТНОГО ПЛМ MERCURY 100 Серийный номер от 0P459572 и выше
Модуль подачи топлива (Часть 2) 4-Х ТАКТНОГО ПЛМ MERCURY 100 Серийный номер от 0P459572 и выше
Набор прокладок 4-Х ТАКТНОГО ПЛМ MERCURY 100 Серийный номер от 0P459572 и выше
Низ капота 4-Х ТАКТНОГО ПЛМ MERCURY 100 Серийный номер от 0P459572 и выше
Поворотный кронштейн и поворотный штифт 4-Х ТАКТНОГО ПЛМ MERCURY 100 Серийный номер от 0P459572 и выше
Система гидроподъема 4-Х ТАКТНОГО ПЛМ MERCURY 100 Серийный номер от 0P459572 и выше
Стартер, 1B759587 и ниже 4-Х ТАКТНОГО ПЛМ MERCURY 100 Серийный номер от 0P459572 и выше
Стартер, 1B759588 и выше 4-Х ТАКТНОГО ПЛМ MERCURY 100 Серийный номер от 0P459572 и выше
Удлинительный комплект-5 дюймов, корпус карданного вала 12092A19 4-Х ТАКТНОГО ПЛМ MERCURY 100 Серийный номер от 0P459572 и выше
Шланги модуля подачи топлива 4-Х ТАКТНОГО ПЛМ MERCURY 100 Серийный номер от 0P459572 и выше
Электрические компоненты 4-Х ТАКТНОГО ПЛМ MERCURY 100 Серийный номер от 0P459572 и выше
Электропроводка с/н 1B723942 и ниже 4-Х ТАКТНОГО ПЛМ MERCURY 100 Серийный номер от 0P459572 и выше
Электропроводка с/н 1B723943 и выше 4-Х ТАКТНОГО ПЛМ MERCURY 100 Серийный номер от 0P459572 и выше
Coastal Flush Kit, Outboard 4-Х ТАКТНОГО ПЛМ MERCURY 100 Серийный номер от 1B366823 и выше
Аксессуары 4-Х ТАКТНОГО ПЛМ MERCURY 100 Серийный номер от 1B366823 и выше
Блок цилиндров 4-Х ТАКТНОГО ПЛМ MERCURY 100 Серийный номер от 1B366823 и выше
Верх капота 4-Х ТАКТНОГО ПЛМ MERCURY 100 Серийный номер от 1B366823 и выше
Впускной коллектор 4-Х ТАКТНОГО ПЛМ MERCURY 100 Серийный номер от 1B366823 и выше
Головка цилиндра и распредвал 4-Х ТАКТНОГО ПЛМ MERCURY 100 Серийный номер от 1B366823 и выше
Инструменты 4-Х ТАКТНОГО ПЛМ MERCURY 100 Серийный номер от 1B366823 и выше
Коленчатый вал, поршни и шатуны 4-Х ТАКТНОГО ПЛМ MERCURY 100 Серийный номер от 1B366823 и выше
Компоненты блока цилиндров 4-Х ТАКТНОГО ПЛМ MERCURY 100 Серийный номер от 1B366823 и выше
Компоненты румпеля (Часть 1) 4-Х ТАКТНОГО ПЛМ MERCURY 100 Серийный номер от 1B366823 и выше
Компоненты румпеля (Часть 2) 4-Х ТАКТНОГО ПЛМ MERCURY 100 Серийный номер от 1B366823 и выше
Корпус карданного вала 4-Х ТАКТНОГО ПЛМ MERCURY 100 Серийный номер от 1B366823 и выше
Корпус редуктора, карданный вал 4-Х ТАКТНОГО ПЛМ MERCURY 100 Серийный номер от 1B366823 и выше
Корпус редуктора, приводной вал 4-Х ТАКТНОГО ПЛМ MERCURY 100 Серийный номер от 1B366823 и выше
Кронштейн дроссельной заслонки 4-Х ТАКТНОГО ПЛМ MERCURY 100 Серийный номер от 1B366823 и выше
Кронштейн транца 4-Х ТАКТНОГО ПЛМ MERCURY 100 Серийный номер от 1B366823 и выше
Масляный насос 4-Х ТАКТНОГО ПЛМ MERCURY 100 Серийный номер от 1B366823 и выше
Модуль подачи топлива (Часть 1) 4-Х ТАКТНОГО ПЛМ MERCURY 100 Серийный номер от 1B366823 и выше
Модуль подачи топлива (Часть 2) 4-Х ТАКТНОГО ПЛМ MERCURY 100 Серийный номер от 1B366823 и выше
Набор прокладок 4-Х ТАКТНОГО ПЛМ MERCURY 100 Серийный номер от 1B366823 и выше
Низ капота 4-Х ТАКТНОГО ПЛМ MERCURY 100 Серийный номер от 1B366823 и выше
Поворотный кронштейн и поворотный штифт 4-Х ТАКТНОГО ПЛМ MERCURY 100 Серийный номер от 1B366823 и выше
Система гидроподъема 4-Х ТАКТНОГО ПЛМ MERCURY 100 Серийный номер от 1B366823 и выше
Стартер, 1B759587 и ниже 4-Х ТАКТНОГО ПЛМ MERCURY 100 Серийный номер от 1B366823 и выше
Стартер, 1B759588 и выше 4-Х ТАКТНОГО ПЛМ MERCURY 100 Серийный номер от 1B366823 и выше
Удлинительный комплект-5 дюймов, корпус карданного вала 12092A19 4-Х ТАКТНОГО ПЛМ MERCURY 100 Серийный номер от 1B366823 и выше
Шланги модуля подачи топлива 4-Х ТАКТНОГО ПЛМ MERCURY 100 Серийный номер от 1B366823 и выше
Электрические компоненты 4-Х ТАКТНОГО ПЛМ MERCURY 100 Серийный номер от 1B366823 и выше
Электропроводка с/н 1B723942 и ниже 4-Х ТАКТНОГО ПЛМ MERCURY 100 Серийный номер от 1B366823 и выше
Электропроводка с/н 1B723943 и выше 4-Х ТАКТНОГО ПЛМ MERCURY 100 Серийный номер от 1B366823 и выше
Аксессуары 4-Х ТАКТНОГО ПЛМ MERCURY 115 Серийный номер от 10T801000 до 1B226999
Блок цилиндров 4-Х ТАКТНОГО ПЛМ MERCURY 115 Серийный номер от 10T801000 до 1B226999
Верх капота 4-Х ТАКТНОГО ПЛМ MERCURY 115 Серийный номер от 10T801000 до 1B226999
Впускной коллектор 4-Х ТАКТНОГО ПЛМ MERCURY 115 Серийный номер от 10T801000 до 1B226999
Впускные и выпускные клапаны 4-Х ТАКТНОГО ПЛМ MERCURY 115 Серийный номер от 10T801000 до 1B226999
Выхлопная труба 4-Х ТАКТНОГО ПЛМ MERCURY 115 Серийный номер от 10T801000 до 1B226999
Глушитель шума впуска 4-Х ТАКТНОГО ПЛМ MERCURY 115 Серийный номер от 10T801000 до 1B226999
Головка цилиндра 4-Х ТАКТНОГО ПЛМ MERCURY 115 Серийный номер от 10T801000 до 1B226999
Датчики 4-Х ТАКТНОГО ПЛМ MERCURY 115 Серийный номер от 10T801000 до 1B226999
Дроссель и рычаг 4-Х ТАКТНОГО ПЛМ MERCURY 115 Серийный номер от 10T801000 до 1B226999
Инструменты (Часть 1) 4-Х ТАКТНОГО ПЛМ MERCURY 115 Серийный номер от 10T801000 до 1B226999
Инструменты (Часть 2) 4-Х ТАКТНОГО ПЛМ MERCURY 115 Серийный номер от 10T801000 до 1B226999
Коленвал, поршни и шатуны 4-Х ТАКТНОГО ПЛМ MERCURY 115 Серийный номер от 10T801000 до 1B226999
Комплект прокладок 4-Х ТАКТНОГО ПЛМ MERCURY 115 Серийный номер от 10T801000 до 1B226999
Компоненты гидроподъема 4-Х ТАКТНОГО ПЛМ MERCURY 115 Серийный номер от 10T801000 до 1B226999
Компоненты зажигания 4-Х ТАКТНОГО ПЛМ MERCURY 115 Серийный номер от 10T801000 до 1B226999
Компоненты набора рукоятки рулевого управления 4-Х ТАКТНОГО ПЛМ MERCURY 115 Серийный номер от 10T801000 до 1B226999
Корпус карданного вала 4-Х ТАКТНОГО ПЛМ MERCURY 115 Серийный номер от 10T801000 до 1B226999
Корпус шестерни, карданный вал(2.07:1 передаточное число) 4-Х ТАКТНОГО ПЛМ MERCURY 115 Серийный номер от 10T801000 до 1B226999
Корпус шестерни, приводной вал(2.07:1 передаточное число) 4-Х ТАКТНОГО ПЛМ MERCURY 115 Серийный номер от 10T801000 до 1B226999
Кронштейн транца 4-Х ТАКТНОГО ПЛМ MERCURY 115 Серийный номер от 10T801000 до 1B226999
Масляный насос 4-Х ТАКТНОГО ПЛМ MERCURY 115 Серийный номер от 10T801000 до 1B226999
Маховик 4-Х ТАКТНОГО ПЛМ MERCURY 115 Серийный номер от 10T801000 до 1B226999
Набор рукоятки рулевого управления 4-Х ТАКТНОГО ПЛМ MERCURY 115 Серийный номер от 10T801000 до 1B226999
Низ капота 4-Х ТАКТНОГО ПЛМ MERCURY 115 Серийный номер от 10T801000 до 1B226999
Поворотный кронштейн и рулевой рычаг 4-Х ТАКТНОГО ПЛМ MERCURY 115 Серийный номер от 10T801000 до 1B226999
Стартер 4-Х ТАКТНОГО ПЛМ MERCURY 115 Серийный номер от 10T801000 до 1B226999
Топливный насос (Часть 1) 4-Х ТАКТНОГО ПЛМ MERCURY 115 Серийный номер от 10T801000 до 1B226999
Топливный насос (Часть 2) 4-Х ТАКТНОГО ПЛМ MERCURY 115 Серийный номер от 10T801000 до 1B226999
Форсунка для впрыска топлива 4-Х ТАКТНОГО ПЛМ MERCURY 115 Серийный номер от 10T801000 до 1B226999
Электрические компоненты 4-Х ТАКТНОГО ПЛМ MERCURY 115 Серийный номер от 10T801000 до 1B226999
Аксессуары 4-Х ТАКТНОГО ПЛМ MERCURY 115 Серийный номер от 1B227000 до 1B366822
Блок цилиндров 4-Х ТАКТНОГО ПЛМ MERCURY 115 Серийный номер от 1B227000 до 1B366822
Верх капота 4-Х ТАКТНОГО ПЛМ MERCURY 115 Серийный номер от 1B227000 до 1B366822
Впускной коллектор 4-Х ТАКТНОГО ПЛМ MERCURY 115 Серийный номер от 1B227000 до 1B366822
Впускные и выпускные клапаны 4-Х ТАКТНОГО ПЛМ MERCURY 115 Серийный номер от 1B227000 до 1B366822
Выхлопная труба 4-Х ТАКТНОГО ПЛМ MERCURY 115 Серийный номер от 1B227000 до 1B366822
Глушитель шума впуска 4-Х ТАКТНОГО ПЛМ MERCURY 115 Серийный номер от 1B227000 до 1B366822
Головка цилиндра 4-Х ТАКТНОГО ПЛМ MERCURY 115 Серийный номер от 1B227000 до 1B366822
Датчики и жгут 4-Х ТАКТНОГО ПЛМ MERCURY 115 Серийный номер от 1B227000 до 1B366822
Дроссель и рычаг 4-Х ТАКТНОГО ПЛМ MERCURY 115 Серийный номер от 1B227000 до 1B366822
Инструменты (Часть 2) 4-Х ТАКТНОГО ПЛМ MERCURY 115 Серийный номер от 1B227000 до 1B366822
Коленвал, поршни и шатуны 4-Х ТАКТНОГО ПЛМ MERCURY 115 Серийный номер от 1B227000 до 1B366822
Комплект прокладок 4-Х ТАКТНОГО ПЛМ MERCURY 115 Серийный номер от 1B227000 до 1B366822
Компоненты гидроподъема 4-Х ТАКТНОГО ПЛМ MERCURY 115 Серийный номер от 1B227000 до 1B366822
Компоненты зажигания 4-Х ТАКТНОГО ПЛМ MERCURY 115 Серийный номер от 1B227000 до 1B366822
Компоненты набора рукоятки рулевого управления 4-Х ТАКТНОГО ПЛМ MERCURY 115 Серийный номер от 1B227000 до 1B366822
Корпус карданного вала 4-Х ТАКТНОГО ПЛМ MERCURY 115 Серийный номер от 1B227000 до 1B366822
Корпус шестерни, карданный вал(2.07:1 передаточное число) 4-Х ТАКТНОГО ПЛМ MERCURY 115 Серийный номер от 1B227000 до 1B366822
Корпус шестерни, приводной вал(2.07:1 передаточное число) 4-Х ТАКТНОГО ПЛМ MERCURY 115 Серийный номер от 1B227000 до 1B366822
Кронштейн транца 4-Х ТАКТНОГО ПЛМ MERCURY 115 Серийный номер от 1B227000 до 1B366822
Масляный насос 4-Х ТАКТНОГО ПЛМ MERCURY 115 Серийный номер от 1B227000 до 1B366822
Маховик 4-Х ТАКТНОГО ПЛМ MERCURY 115 Серийный номер от 1B227000 до 1B366822
Набор рукоятки рулевого управления 4-Х ТАКТНОГО ПЛМ MERCURY 115 Серийный номер от 1B227000 до 1B366822
Низ капота 4-Х ТАКТНОГО ПЛМ MERCURY 115 Серийный номер от 1B227000 до 1B366822
Поворотный кронштейн и рулевой рычаг 4-Х ТАКТНОГО ПЛМ MERCURY 115 Серийный номер от 1B227000 до 1B366822
Стартер 4-Х ТАКТНОГО ПЛМ MERCURY 115 Серийный номер от 1B227000 до 1B366822
Топливный насос (Часть 1) 4-Х ТАКТНОГО ПЛМ MERCURY 115 Серийный номер от 1B227000 до 1B366822
Топливный насос (Часть 2) 4-Х ТАКТНОГО ПЛМ MERCURY 115 Серийный номер от 1B227000 до 1B366822
Форсунка для впрыска топлива 4-Х ТАКТНОГО ПЛМ MERCURY 115 Серийный номер от 1B227000 до 1B366822
Электрические компоненты 4-Х ТАКТНОГО ПЛМ MERCURY 115 Серийный номер от 1B227000 до 1B366822
Аксессуары 4-Х ТАКТНОГО ПЛМ MERCURY 135 Серийный номер от 0P419487 до 0P464487
Блок цилиндров / масляный радиатор 4-Х ТАКТНОГО ПЛМ MERCURY 135 Серийный номер от 0P419487 до 0P464487
Верх капота 4-Х ТАКТНОГО ПЛМ MERCURY 135 Серийный номер от 0P419487 до 0P464487
Генератор / Ремень 4-Х ТАКТНОГО ПЛМ MERCURY 135 Серийный номер от 0P419487 до 0P464487
Головка цилиндра и распредвал 4-Х ТАКТНОГО ПЛМ MERCURY 135 Серийный номер от 0P419487 до 0P464487
Задний обтекатель 4-Х ТАКТНОГО ПЛМ MERCURY 135 Серийный номер от 0P419487 до 0P464487
Зарядный кулер / впускной коллектор 4-Х ТАКТНОГО ПЛМ MERCURY 135 Серийный номер от 0P419487 до 0P464487
Зарядный кулер / Шланги впускного коллектора 4-Х ТАКТНОГО ПЛМ MERCURY 135 Серийный номер от 0P419487 до 0P464487
Индукционные компоненты 4-Х ТАКТНОГО ПЛМ MERCURY 135 Серийный номер от 0P419487 до 0P464487
Инструменты (Часть 1) 4-Х ТАКТНОГО ПЛМ MERCURY 135 Серийный номер от 0P419487 до 0P464487
Инструменты (Часть 2) 4-Х ТАКТНОГО ПЛМ MERCURY 135 Серийный номер от 0P419487 до 0P464487
Коленвал, поршни и шатуны 4-Х ТАКТНОГО ПЛМ MERCURY 135 Серийный номер от 0P419487 до 0P464487
Комплект прокладок 4-Х ТАКТНОГО ПЛМ MERCURY 135 Серийный номер от 0P419487 до 0P464487
Компоненты блока цилиндров 4-Х ТАКТНОГО ПЛМ MERCURY 135 Серийный номер от 0P419487 до 0P464487
Компоненты гидроподъема 4-Х ТАКТНОГО ПЛМ MERCURY 135 Серийный номер от 0P419487 до 0P464487
Корпус карданного вала 4-Х ТАКТНОГО ПЛМ MERCURY 135 Серийный номер от 0P419487 до 0P464487
Корпус редуктора (карданный вал) (стандартное / обратное вращение) 4-Х ТАКТНОГО ПЛМ MERCURY 135 Серийный номер от 0P419487 до 0P464487
Корпус редуктора, карданный вал - обратное вращение 4-Х ТАКТНОГО ПЛМ MERCURY 135 Серийный номер от 0P419487 до 0P464487
Корпус редуктора, карданный вал - стандартное вращение 4-Х ТАКТНОГО ПЛМ MERCURY 135 Серийный номер от 0P419487 до 0P464487
Кронштейны транца 4-Х ТАКТНОГО ПЛМ MERCURY 135 Серийный номер от 0P419487 до 0P464487
Масляный насос / Переходная пластина(верхняя) 4-Х ТАКТНОГО ПЛМ MERCURY 135 Серийный номер от 0P419487 до 0P464487
Модуль подачи топлива 4-Х ТАКТНОГО ПЛМ MERCURY 135 Серийный номер от 0P419487 до 0P464487
Нагнетатель 4-Х ТАКТНОГО ПЛМ MERCURY 135 Серийный номер от 0P419487 до 0P464487
Переходная пластина(нижняя) 4-Х ТАКТНОГО ПЛМ MERCURY 135 Серийный номер от 0P419487 до 0P464487
Поворотный кронштейн и рулевой рычаг 4-Х ТАКТНОГО ПЛМ MERCURY 135 Серийный номер от 0P419487 до 0P464487
Рулевой цилиндр в сборе 4-Х ТАКТНОГО ПЛМ MERCURY 135 Серийный номер от 0P419487 до 0P464487
Ручка переключения передач(S/N 1B290522 и ниже) 4-Х ТАКТНОГО ПЛМ MERCURY 135 Серийный номер от 0P419487 до 0P464487
Ручка переключения передач(S/N 1B290523 и выше) 4-Х ТАКТНОГО ПЛМ MERCURY 135 Серийный номер от 0P419487 до 0P464487
Стартер 4-Х ТАКТНОГО ПЛМ MERCURY 135 Серийный номер от 0P419487 до 0P464487
Шланги для переходных пластин 4-Х ТАКТНОГО ПЛМ MERCURY 135 Серийный номер от 0P419487 до 0P464487
Электрические компоненты 4-Х ТАКТНОГО ПЛМ MERCURY 135 Серийный номер от 0P419487 до 0P464487
Power Tilt 4-Х ТАКТНОГО ПЛМ MERCURY 20 Серийный номер от 0R235168 и выше
Shift , Manual 4-Х ТАКТНОГО ПЛМ MERCURY 20 Серийный номер от 0R235168 и выше
Shift, Electric 4-Х ТАКТНОГО ПЛМ MERCURY 20 Серийный номер от 0R235168 и выше
Аксессуары 4-Х ТАКТНОГО ПЛМ MERCURY 20 Серийный номер от 0R235168 и выше
Блок цилиндров 4-Х ТАКТНОГО ПЛМ MERCURY 20 Серийный номер от 0R235168 и выше
Верх капота 4-Х ТАКТНОГО ПЛМ MERCURY 20 Серийный номер от 0R235168 и выше
Впускной коллектор и топливный насос 4-Х ТАКТНОГО ПЛМ MERCURY 20 Серийный номер от 0R235168 и выше
Впускные, выпускные клапаны 4-Х ТАКТНОГО ПЛМ MERCURY 20 Серийный номер от 0R235168 и выше
Головка цилиндра 4-Х ТАКТНОГО ПЛМ MERCURY 20 Серийный номер от 0R235168 и выше
Зажимные Кронштейны, Manual Tilt 4-Х ТАКТНОГО ПЛМ MERCURY 20 Серийный номер от 0R235168 и выше
Зажимные Кронштейны, Power Tilt 4-Х ТАКТНОГО ПЛМ MERCURY 20 Серийный номер от 0R235168 и выше
Инструменты 4-Х ТАКТНОГО ПЛМ MERCURY 20 Серийный номер от 0R235168 и выше
Карбюратор 4-Х ТАКТНОГО ПЛМ MERCURY 20 Серийный номер от 0R235168 и выше
Комплект для преобразования рукоятки румпеля, электрический - 8M0051060 4-Х ТАКТНОГО ПЛМ MERCURY 20 Серийный номер от 0R235168 и выше
Комплект прокладок 4-Х ТАКТНОГО ПЛМ MERCURY 20 Серийный номер от 0R235168 и выше
Компоненты стартера 4-Х ТАКТНОГО ПЛМ MERCURY 20 Серийный номер от 0R235168 и выше
Корпус карданного вала 4-Х ТАКТНОГО ПЛМ MERCURY 20 Серийный номер от 0R235168 и выше
Корпус шестерни, карданный вал 4-Х ТАКТНОГО ПЛМ MERCURY 20 Серийный номер от 0R235168 и выше
Корпус шестерни, приводной вал 4-Х ТАКТНОГО ПЛМ MERCURY 20 Серийный номер от 0R235168 и выше
Маховик / Катушка зажигания 4-Х ТАКТНОГО ПЛМ MERCURY 20 Серийный номер от 0R235168 и выше
Низ капота 4-Х ТАКТНОГО ПЛМ MERCURY 20 Серийный номер от 0R235168 и выше
Рукоятка румпеля 4-Х ТАКТНОГО ПЛМ MERCURY 20 Серийный номер от 0R235168 и выше
Рулевой рычаг / поворотный кронштейн, Manual Tilt 4-Х ТАКТНОГО ПЛМ MERCURY 20 Серийный номер от 0R235168 и выше
Ручной стартер 4-Х ТАКТНОГО ПЛМ MERCURY 20 Серийный номер от 0R235168 и выше
Электрические компоненты, выпрямитель 4-Х ТАКТНОГО ПЛМ MERCURY 20 Серийный номер от 0R235168 и выше
Электрические компоненты, стартер и соленоиды 4-Х ТАКТНОГО ПЛМ MERCURY 20 Серийный номер от 0R235168 и выше
Jet Unit 4-Х ТАКТНОГО ПЛМ MERCURY 25 Серийный номер от 0R106999 и выше
Аксессуары 4-Х ТАКТНОГО ПЛМ MERCURY 25 Серийный номер от 0R106999 и выше
Блок цилиндров 4-Х ТАКТНОГО ПЛМ MERCURY 25 Серийный номер от 0R106999 и выше
Верх капота 4-Х ТАКТНОГО ПЛМ MERCURY 25 Серийный номер от 0R106999 и выше
Впускной коллектор 4-Х ТАКТНОГО ПЛМ MERCURY 25 Серийный номер от 0R106999 и выше
Впускные, выпускные клапаны 4-Х ТАКТНОГО ПЛМ MERCURY 25 Серийный номер от 0R106999 и выше
Гидроподъем 4-Х ТАКТНОГО ПЛМ MERCURY 25 Серийный номер от 0R106999 и выше
Головка цилиндра 4-Х ТАКТНОГО ПЛМ MERCURY 25 Серийный номер от 0R106999 и выше
Дроссельная заслонка и рулевое управление 4-Х ТАКТНОГО ПЛМ MERCURY 25 Серийный номер от 0R106999 и выше
Зажимные кронштейны 4-Х ТАКТНОГО ПЛМ MERCURY 25 Серийный номер от 0R106999 и выше
Зажимные скобы и вспомогательная система подачи газа 4-Х ТАКТНОГО ПЛМ MERCURY 25 Серийный номер от 0R106999 и выше
Инструменты 4-Х ТАКТНОГО ПЛМ MERCURY 25 Серийный номер от 0R106999 и выше
Коленвал, поршни и шатуны 4-Х ТАКТНОГО ПЛМ MERCURY 25 Серийный номер от 0R106999 и выше
Комплект для переоборудования - ручной запуск, 889246A34 4-Х ТАКТНОГО ПЛМ MERCURY 25 Серийный номер от 0R106999 и выше
Комплект для переоборудования-ручка румпеля, электрическая - 879147A09 4-Х ТАКТНОГО ПЛМ MERCURY 25 Серийный номер от 0R106999 и выше
Комплект для преобразования рукоятки румпеля, электрика - 8M0051062 4-Х ТАКТНОГО ПЛМ MERCURY 25 Серийный номер от 0R106999 и выше
Комплект прокладок 4-Х ТАКТНОГО ПЛМ MERCURY 25 Серийный номер от 0R106999 и выше
Комплект-дист.упр. румпельное управление 4-Х ТАКТНОГО ПЛМ MERCURY 25 Серийный номер от 0R106999 и выше
Компоненты водяного насоса 4-Х ТАКТНОГО ПЛМ MERCURY 25 Серийный номер от 0R106999 и выше
Компоненты стартера 4-Х ТАКТНОГО ПЛМ MERCURY 25 Серийный номер от 0R106999 и выше
Корпус карданного вала 4-Х ТАКТНОГО ПЛМ MERCURY 25 Серийный номер от 0R106999 и выше
Корпус шестерни, карданный вал-1.921 передаточное число 4-Х ТАКТНОГО ПЛМ MERCURY 25 Серийный номер от 0R106999 и выше
Корпус шестерни, приводной вал-1.92:1 передаточное число 4-Х ТАКТНОГО ПЛМ MERCURY 25 Серийный номер от 0R106999 и выше
Кулачек передачи 4-Х ТАКТНОГО ПЛМ MERCURY 25 Серийный номер от 0R106999 и выше
Кулачек передачи, Jet 4-Х ТАКТНОГО ПЛМ MERCURY 25 Серийный номер от 0R106999 и выше
Маховик, ЭБУ и жгут проводов 4-Х ТАКТНОГО ПЛМ MERCURY 25 Серийный номер от 0R106999 и выше
Низ капота 4-Х ТАКТНОГО ПЛМ MERCURY 25 Серийный номер от 0R106999 и выше
Поворотный кронштейн 4-Х ТАКТНОГО ПЛМ MERCURY 25 Серийный номер от 0R106999 и выше
Распредвал и масляный насос 4-Х ТАКТНОГО ПЛМ MERCURY 25 Серийный номер от 0R106999 и выше
Рукоятка румпеля 4-Х ТАКТНОГО ПЛМ MERCURY 25 Серийный номер от 0R106999 и выше
Ручной стартер 4-Х ТАКТНОГО ПЛМ MERCURY 25 Серийный номер от 0R106999 и выше
Рычаг КПП, jet- дистанция 4-Х ТАКТНОГО ПЛМ MERCURY 25 Серийный номер от 0R106999 и выше
Рычаг КПП, ручка румпеля 4-Х ТАКТНОГО ПЛМ MERCURY 25 Серийный номер от 0R106999 и выше
Стартер 4-Х ТАКТНОГО ПЛМ MERCURY 25 Серийный номер от 0R106999 и выше
Топливная рампа и паросепаратор (Часть 1) 4-Х ТАКТНОГО ПЛМ MERCURY 25 Серийный номер от 0R106999 и выше
Топливная рампа и паросепаратор (Часть 2) 4-Х ТАКТНОГО ПЛМ MERCURY 25 Серийный номер от 0R106999 и выше
Топливный насос 4-Х ТАКТНОГО ПЛМ MERCURY 25 Серийный номер от 0R106999 и выше
Электрический кронштейн и крышка 4-Х ТАКТНОГО ПЛМ MERCURY 25 Серийный номер от 0R106999 и выше
Jet Unit 4-Х ТАКТНОГО ПЛМ MERCURY 30 Серийный номер от 0R106999 и выше
Аксессуары 4-Х ТАКТНОГО ПЛМ MERCURY 30 Серийный номер от 0R106999 и выше
Блок цилиндров 4-Х ТАКТНОГО ПЛМ MERCURY 30 Серийный номер от 0R106999 и выше
Верх капота 4-Х ТАКТНОГО ПЛМ MERCURY 30 Серийный номер от 0R106999 и выше
Впускной коллектор 4-Х ТАКТНОГО ПЛМ MERCURY 30 Серийный номер от 0R106999 и выше
Впускные, выпускные клапаны 4-Х ТАКТНОГО ПЛМ MERCURY 30 Серийный номер от 0R106999 и выше
Гидроподъем 4-Х ТАКТНОГО ПЛМ MERCURY 30 Серийный номер от 0R106999 и выше
Головка цилиндра 4-Х ТАКТНОГО ПЛМ MERCURY 30 Серийный номер от 0R106999 и выше
Дроссельная заслонка и рулевое управление 4-Х ТАКТНОГО ПЛМ MERCURY 30 Серийный номер от 0R106999 и выше
Зажимные кронштейны 4-Х ТАКТНОГО ПЛМ MERCURY 30 Серийный номер от 0R106999 и выше
Зажимные скобы и вспомогательная система подачи газа 4-Х ТАКТНОГО ПЛМ MERCURY 30 Серийный номер от 0R106999 и выше
Инструменты 4-Х ТАКТНОГО ПЛМ MERCURY 30 Серийный номер от 0R106999 и выше
Коленвал, поршни и шатуны 4-Х ТАКТНОГО ПЛМ MERCURY 30 Серийный номер от 0R106999 и выше
Комплект для переоборудования - ручной запуск, 889246A34 4-Х ТАКТНОГО ПЛМ MERCURY 30 Серийный номер от 0R106999 и выше
Комплект для переоборудования-ручка румпеля, электрическая - 879147A09 4-Х ТАКТНОГО ПЛМ MERCURY 30 Серийный номер от 0R106999 и выше
Комплект для преобразования рукоятки румпеля, электрика - 8M0051062 4-Х ТАКТНОГО ПЛМ MERCURY 30 Серийный номер от 0R106999 и выше
Комплект прокладок 4-Х ТАКТНОГО ПЛМ MERCURY 30 Серийный номер от 0R106999 и выше
Комплект-дист.упр. румпельное управление 4-Х ТАКТНОГО ПЛМ MERCURY 30 Серийный номер от 0R106999 и выше
Компоненты водяного насоса 4-Х ТАКТНОГО ПЛМ MERCURY 30 Серийный номер от 0R106999 и выше
Компоненты стартера 4-Х ТАКТНОГО ПЛМ MERCURY 30 Серийный номер от 0R106999 и выше
Корпус карданного вала 4-Х ТАКТНОГО ПЛМ MERCURY 30 Серийный номер от 0R106999 и выше
Корпус шестерни, карданный вал-1.921 передаточное число 4-Х ТАКТНОГО ПЛМ MERCURY 30 Серийный номер от 0R106999 и выше
Корпус шестерни, приводной вал-1.92:1 передаточное число 4-Х ТАКТНОГО ПЛМ MERCURY 30 Серийный номер от 0R106999 и выше
Кулачек передачи, Jet 4-Х ТАКТНОГО ПЛМ MERCURY 30 Серийный номер от 0R106999 и выше
Маховик, ЭБУ и жгут проводов 4-Х ТАКТНОГО ПЛМ MERCURY 30 Серийный номер от 0R106999 и выше
Низ капота 4-Х ТАКТНОГО ПЛМ MERCURY 30 Серийный номер от 0R106999 и выше
Поворотный кронштейн 4-Х ТАКТНОГО ПЛМ MERCURY 30 Серийный номер от 0R106999 и выше
Распредвал и масляный насос 4-Х ТАКТНОГО ПЛМ MERCURY 30 Серийный номер от 0R106999 и выше
Рукоятка румпеля 4-Х ТАКТНОГО ПЛМ MERCURY 30 Серийный номер от 0R106999 и выше
Ручной стартер 4-Х ТАКТНОГО ПЛМ MERCURY 30 Серийный номер от 0R106999 и выше
Рычаг КПП, jet- дистанция 4-Х ТАКТНОГО ПЛМ MERCURY 30 Серийный номер от 0R106999 и выше
Рычаг КПП, ручка румпеля 4-Х ТАКТНОГО ПЛМ MERCURY 30 Серийный номер от 0R106999 и выше
Стартер 4-Х ТАКТНОГО ПЛМ MERCURY 30 Серийный номер от 0R106999 и выше
Топливная рампа и паросепаратор (Часть 1) 4-Х ТАКТНОГО ПЛМ MERCURY 30 Серийный номер от 0R106999 и выше
Топливная рампа и паросепаратор (Часть 2) 4-Х ТАКТНОГО ПЛМ MERCURY 30 Серийный номер от 0R106999 и выше
Топливный насос 4-Х ТАКТНОГО ПЛМ MERCURY 30 Серийный номер от 0R106999 и выше
Электрический кронштейн и крышка 4-Х ТАКТНОГО ПЛМ MERCURY 30 Серийный номер от 0R106999 и выше
Аксессуары 4-Х ТАКТНОГО ПЛМ MERCURY 60 Серийный номер от 0T409000 до 1B344306
Блок цилиндров и картер 4-Х ТАКТНОГО ПЛМ MERCURY 60 Серийный номер от 0T409000 до 1B344306
Верх капота 4-Х ТАКТНОГО ПЛМ MERCURY 60 Серийный номер от 0T409000 до 1B344306
Впускной коллектор 4-Х ТАКТНОГО ПЛМ MERCURY 60 Серийный номер от 0T409000 до 1B344306
Впускные, выпускные клапаны 4-Х ТАКТНОГО ПЛМ MERCURY 60 Серийный номер от 0T409000 до 1B344306
Гидроподъем 4-Х ТАКТНОГО ПЛМ MERCURY 60 Серийный номер от 0T409000 до 1B344306
Головка цилиндра 4-Х ТАКТНОГО ПЛМ MERCURY 60 Серийный номер от 0T409000 до 1B344306
Инструменты (Часть 1) 4-Х ТАКТНОГО ПЛМ MERCURY 60 Серийный номер от 0T409000 до 1B344306
Инструменты (Часть 2) 4-Х ТАКТНОГО ПЛМ MERCURY 60 Серийный номер от 0T409000 до 1B344306
Инструменты (Часть 3) 4-Х ТАКТНОГО ПЛМ MERCURY 60 Серийный номер от 0T409000 до 1B344306
Катушка, USA-0T979999/BEL-0P325499 и ниже 4-Х ТАКТНОГО ПЛМ MERCURY 60 Серийный номер от 0T409000 до 1B344306
Катушка, USA-1B227000/Bel-0P401000 и выше 4-Х ТАКТНОГО ПЛМ MERCURY 60 Серийный номер от 0T409000 до 1B344306
Коленвал, поршни и шатуны 4-Х ТАКТНОГО ПЛМ MERCURY 60 Серийный номер от 0T409000 до 1B344306
Комплект удлинителя XL 4-Х ТАКТНОГО ПЛМ MERCURY 60 Серийный номер от 0T409000 до 1B344306
Комплекты прокладок 4-Х ТАКТНОГО ПЛМ MERCURY 60 Серийный номер от 0T409000 до 1B344306
Корпус карданного вала 4-Х ТАКТНОГО ПЛМ MERCURY 60 Серийный номер от 0T409000 до 1B344306
Корпус шестерни, Drive-2.33:1-USA-0T625304/BEL-0P216185 и выше 4-Х ТАКТНОГО ПЛМ MERCURY 60 Серийный номер от 0T409000 до 1B344306
Корпус шестерни, Prop-2.31:1-USA-0T625303/BEL-0P216184 и ниже 4-Х ТАКТНОГО ПЛМ MERCURY 60 Серийный номер от 0T409000 до 1B344306
Корпус шестерни, Prop-2.33:1-USA-0T625304/BEL-0P216185 и выше 4-Х ТАКТНОГО ПЛМ MERCURY 60 Серийный номер от 0T409000 до 1B344306
Корпус шестерни, Propeller Shaft - 1.83:1 передаточное число 4-Х ТАКТНОГО ПЛМ MERCURY 60 Серийный номер от 0T409000 до 1B344306
Корпус шестерни(Drive-2.31:1)(Belgium-0P216184 и ниже) 4-Х ТАКТНОГО ПЛМ MERCURY 60 Серийный номер от 0T409000 до 1B344306
Корпус шестерни(Drive-2.31:1)(USA-0T625303 и ниже) 4-Х ТАКТНОГО ПЛМ MERCURY 60 Серийный номер от 0T409000 до 1B344306
Корпус шестерни(Driveshaft)(1.83:1 передаточное число) 4-Х ТАКТНОГО ПЛМ MERCURY 60 Серийный номер от 0T409000 до 1B344306
Кронштейн транца 4-Х ТАКТНОГО ПЛМ MERCURY 60 Серийный номер от 0T409000 до 1B344306
Масляный насос распредвала 4-Х ТАКТНОГО ПЛМ MERCURY 60 Серийный номер от 0T409000 до 1B344306
Маховик 4-Х ТАКТНОГО ПЛМ MERCURY 60 Серийный номер от 0T409000 до 1B344306
Низ капота 4-Х ТАКТНОГО ПЛМ MERCURY 60 Серийный номер от 0T409000 до 1B344306
Паросепаратор(USA-1B036613/BEL-0P340241 и ниже) 4-Х ТАКТНОГО ПЛМ MERCURY 60 Серийный номер от 0T409000 до 1B344306
Переходная пластина 4-Х ТАКТНОГО ПЛМ MERCURY 60 Серийный номер от 0T409000 до 1B344306
Поворотный кронштейн 4-Х ТАКТНОГО ПЛМ MERCURY 60 Серийный номер от 0T409000 до 1B344306
Рукоятка рулевого управления 4-Х ТАКТНОГО ПЛМ MERCURY 60 Серийный номер от 0T409000 до 1B344306
Рукоятка румпеля 4-Х ТАКТНОГО ПЛМ MERCURY 60 Серийный номер от 0T409000 до 1B344306
Рычаг переключения передач, внешний 4-Х ТАКТНОГО ПЛМ MERCURY 60 Серийный номер от 0T409000 до 1B344306
Рычаг переключения передач, румпель 4-Х ТАКТНОГО ПЛМ MERCURY 60 Серийный номер от 0T409000 до 1B344306
Стартер(USA- 1B282399 и ниже) 4-Х ТАКТНОГО ПЛМ MERCURY 60 Серийный номер от 0T409000 до 1B344306
Топливные шланги 4-Х ТАКТНОГО ПЛМ MERCURY 60 Серийный номер от 0T409000 до 1B344306
Топливный насос 4-Х ТАКТНОГО ПЛМ MERCURY 60 Серийный номер от 0T409000 до 1B344306
Электрические компоненты(USA-1B226999/Bel-0P400999 и ниже) 4-Х ТАКТНОГО ПЛМ MERCURY 60 Серийный номер от 0T409000 до 1B344306
Электрические компоненты(USA-1B227000/Bel-0P401000 и выше) 4-Х ТАКТНОГО ПЛМ MERCURY 60 Серийный номер от 0T409000 до 1B344306
Аксессуары 4-Х ТАКТНОГО ПЛМ MERCURY 60 Серийный номер от 1C000001 до 1C050251
Блок цилиндров и картер 4-Х ТАКТНОГО ПЛМ MERCURY 60 Серийный номер от 1C000001 до 1C050251
Верх капота 4-Х ТАКТНОГО ПЛМ MERCURY 60 Серийный номер от 1C000001 до 1C050251
Впускной коллектор 4-Х ТАКТНОГО ПЛМ MERCURY 60 Серийный номер от 1C000001 до 1C050251
Впускные, выпускные клапаны 4-Х ТАКТНОГО ПЛМ MERCURY 60 Серийный номер от 1C000001 до 1C050251
Гидроподъем 4-Х ТАКТНОГО ПЛМ MERCURY 60 Серийный номер от 1C000001 до 1C050251
Головка цилиндра 4-Х ТАКТНОГО ПЛМ MERCURY 60 Серийный номер от 1C000001 до 1C050251
Инструменты (Часть 2) 4-Х ТАКТНОГО ПЛМ MERCURY 60 Серийный номер от 1C000001 до 1C050251
Катушка зажигания 4-Х ТАКТНОГО ПЛМ MERCURY 60 Серийный номер от 1C000001 до 1C050251
Коленвал, поршни и шатуны 4-Х ТАКТНОГО ПЛМ MERCURY 60 Серийный номер от 1C000001 до 1C050251
Комплект крепления - пульт дистанционного управления (880093A 2) 4-Х ТАКТНОГО ПЛМ MERCURY 60 Серийный номер от 1C000001 до 1C050251
Комплект удлинителей - 5 дюймов, корпус карданного вала(12092A18) 4-Х ТАКТНОГО ПЛМ MERCURY 60 Серийный номер от 1C000001 до 1C050251
Комплекты прокладок 4-Х ТАКТНОГО ПЛМ MERCURY 60 Серийный номер от 1C000001 до 1C050251
Компоненты гидроподъема 4-Х ТАКТНОГО ПЛМ MERCURY 60 Серийный номер от 1C000001 до 1C050251
Корпус карданного вала 4-Х ТАКТНОГО ПЛМ MERCURY 60 Серийный номер от 1C000001 до 1C050251
Корпус шестерни(карданный вал-2.33:1 передаточное число) 4-Х ТАКТНОГО ПЛМ MERCURY 60 Серийный номер от 1C000001 до 1C050251
Корпус шестерни(карданный вал-2.33:1)(Serial #1C033810 и ниже) 4-Х ТАКТНОГО ПЛМ MERCURY 60 Серийный номер от 1C000001 до 1C050251
Корпус шестерни(карданный вал-2.33:1)(Serial #1C033811 и выше) 4-Х ТАКТНОГО ПЛМ MERCURY 60 Серийный номер от 1C000001 до 1C050251
Корпус шестерни(приводной вал-2.33:1)(Serial #1C033810 и ниже) 4-Х ТАКТНОГО ПЛМ MERCURY 60 Серийный номер от 1C000001 до 1C050251
Корпус шестерни(приводной вал)(Serial #1C033811 и выше) 4-Х ТАКТНОГО ПЛМ MERCURY 60 Серийный номер от 1C000001 до 1C050251
Кронштейн транца 4-Х ТАКТНОГО ПЛМ MERCURY 60 Серийный номер от 1C000001 до 1C050251
Масляный насос распредвала 4-Х ТАКТНОГО ПЛМ MERCURY 60 Серийный номер от 1C000001 до 1C050251
Маховик 4-Х ТАКТНОГО ПЛМ MERCURY 60 Серийный номер от 1C000001 до 1C050251
Низ капота 4-Х ТАКТНОГО ПЛМ MERCURY 60 Серийный номер от 1C000001 до 1C050251
Паросепаратор 4-Х ТАКТНОГО ПЛМ MERCURY 60 Серийный номер от 1C000001 до 1C050251
Переходная пластина 4-Х ТАКТНОГО ПЛМ MERCURY 60 Серийный номер от 1C000001 до 1C050251
Поворотный кронштейн 4-Х ТАКТНОГО ПЛМ MERCURY 60 Серийный номер от 1C000001 до 1C050251
Рукоятка рулевого управления 4-Х ТАКТНОГО ПЛМ MERCURY 60 Серийный номер от 1C000001 до 1C050251
Рукоятка румпеля 4-Х ТАКТНОГО ПЛМ MERCURY 60 Серийный номер от 1C000001 до 1C050251
Рычаг переключения передач, внешний 4-Х ТАКТНОГО ПЛМ MERCURY 60 Серийный номер от 1C000001 до 1C050251
Рычаг переключения передач, румпель 4-Х ТАКТНОГО ПЛМ MERCURY 60 Серийный номер от 1C000001 до 1C050251
Топливные шланги 4-Х ТАКТНОГО ПЛМ MERCURY 60 Серийный номер от 1C000001 до 1C050251
Топливный насос 4-Х ТАКТНОГО ПЛМ MERCURY 60 Серийный номер от 1C000001 до 1C050251
Электрические компоненты 4-Х ТАКТНОГО ПЛМ MERCURY 60 Серийный номер от 1C000001 до 1C050251
Jet Unit 4-Х ТАКТНОГО ПЛМ MERCURY 60 Серийный номер от 1C050252 и выше
Manual Tilt Components 4-Х ТАКТНОГО ПЛМ MERCURY 60 Серийный номер от 1C050252 и выше
Shift Linkage, Remote 4-Х ТАКТНОГО ПЛМ MERCURY 60 Серийный номер от 1C050252 и выше
Shift Linkage, Tiller 4-Х ТАКТНОГО ПЛМ MERCURY 60 Серийный номер от 1C050252 и выше
Аксессуары 4-Х ТАКТНОГО ПЛМ MERCURY 60 Серийный номер от 1C050252 и выше
Блок цилиндров и картер 4-Х ТАКТНОГО ПЛМ MERCURY 60 Серийный номер от 1C050252 и выше
Верх капота 4-Х ТАКТНОГО ПЛМ MERCURY 60 Серийный номер от 1C050252 и выше
Впускной коллектор 4-Х ТАКТНОГО ПЛМ MERCURY 60 Серийный номер от 1C050252 и выше
Впускные, выпускные клапаны 4-Х ТАКТНОГО ПЛМ MERCURY 60 Серийный номер от 1C050252 и выше
Гидроподъем 4-Х ТАКТНОГО ПЛМ MERCURY 60 Серийный номер от 1C050252 и выше
Головка цилиндра 4-Х ТАКТНОГО ПЛМ MERCURY 60 Серийный номер от 1C050252 и выше
Дроссельная тяга, Jet 4-Х ТАКТНОГО ПЛМ MERCURY 60 Серийный номер от 1C050252 и выше
Инструменты (Часть 1) 4-Х ТАКТНОГО ПЛМ MERCURY 60 Серийный номер от 1C050252 и выше
Инструменты (Часть 2) 4-Х ТАКТНОГО ПЛМ MERCURY 60 Серийный номер от 1C050252 и выше
Инструменты (Часть 3) 4-Х ТАКТНОГО ПЛМ MERCURY 60 Серийный номер от 1C050252 и выше
Катушка зажигания 1C104423/0P560349 и ниже 4-Х ТАКТНОГО ПЛМ MERCURY 60 Серийный номер от 1C050252 и выше
Коленвал, поршни и шатуны 4-Х ТАКТНОГО ПЛМ MERCURY 60 Серийный номер от 1C050252 и выше
Комплект удлинителей - 2,5 дюйма, корпус карданного вала(879150A88) 4-Х ТАКТНОГО ПЛМ MERCURY 60 Серийный номер от 1C050252 и выше
Комплект удлинителей - 5 дюймов, корпус карданного вала(12092A20) 4-Х ТАКТНОГО ПЛМ MERCURY 60 Серийный номер от 1C050252 и выше
Комплект удлинителей - корпус карданного вала 12092A20 - Bigfoot 4-Х ТАКТНОГО ПЛМ MERCURY 60 Серийный номер от 1C050252 и выше
Компоненты водяной помпы 4-Х ТАКТНОГО ПЛМ MERCURY 60 Серийный номер от 1C050252 и выше
Компоненты гидроподъема 4-Х ТАКТНОГО ПЛМ MERCURY 60 Серийный номер от 1C050252 и выше
Корпус карданного вала 4-Х ТАКТНОГО ПЛМ MERCURY 60 Серийный номер от 1C050252 и выше
Корпус редуктора, карданный вал - Передаточное число 1.83:1 4-Х ТАКТНОГО ПЛМ MERCURY 60 Серийный номер от 1C050252 и выше
Корпус редуктора, карданный вал - Передаточное число 2.33:1 4-Х ТАКТНОГО ПЛМ MERCURY 60 Серийный номер от 1C050252 и выше
Корпус редуктора, приводной вал - Передаточное число 1,83: 1 4-Х ТАКТНОГО ПЛМ MERCURY 60 Серийный номер от 1C050252 и выше
Корпус редуктора, приводной вал - Передаточное число 2.33:1 4-Х ТАКТНОГО ПЛМ MERCURY 60 Серийный номер от 1C050252 и выше
Кронштейн транца 4-Х ТАКТНОГО ПЛМ MERCURY 60 Серийный номер от 1C050252 и выше
Масляный насос распредвала 4-Х ТАКТНОГО ПЛМ MERCURY 60 Серийный номер от 1C050252 и выше
Маховик 4-Х ТАКТНОГО ПЛМ MERCURY 60 Серийный номер от 1C050252 и выше
Набор ключей, дросселей и рупоров, 15000A14 4-Х ТАКТНОГО ПЛМ MERCURY 60 Серийный номер от 1C050252 и выше
Набор прокладок 4-Х ТАКТНОГО ПЛМ MERCURY 60 Серийный номер от 1C050252 и выше
Низ капота 4-Х ТАКТНОГО ПЛМ MERCURY 60 Серийный номер от 1C050252 и выше
Паросепаратор 4-Х ТАКТНОГО ПЛМ MERCURY 60 Серийный номер от 1C050252 и выше
Переходная пластина 4-Х ТАКТНОГО ПЛМ MERCURY 60 Серийный номер от 1C050252 и выше
Поворотный кронштейн 4-Х ТАКТНОГО ПЛМ MERCURY 60 Серийный номер от 1C050252 и выше
Рукоятка румпеля 4-Х ТАКТНОГО ПЛМ MERCURY 60 Серийный номер от 1C050252 и выше
Топливные шланги 4-Х ТАКТНОГО ПЛМ MERCURY 60 Серийный номер от 1C050252 и выше
Топливный насос 4-Х ТАКТНОГО ПЛМ MERCURY 60 Серийный номер от 1C050252 и выше
Электрические компоненты(1C104423/0P560349 и ниже) 4-Х ТАКТНОГО ПЛМ MERCURY 60 Серийный номер от 1C050252 и выше
Электрические компоненты(1C104424/0P560350 и выше) 4-Х ТАКТНОГО ПЛМ MERCURY 60 Серийный номер от 1C050252 и выше
Coastal Flush Kit, Outboard 4-Х ТАКТНОГО ПЛМ MERCURY 80 Серийный номер от 0P459572 и выше
Адапторная пластина 4-Х ТАКТНОГО ПЛМ MERCURY 80 Серийный номер от 0P459572 и выше
Аксессуары 4-Х ТАКТНОГО ПЛМ MERCURY 80 Серийный номер от 0P459572 и выше
Блок цилиндров 4-Х ТАКТНОГО ПЛМ MERCURY 80 Серийный номер от 0P459572 и выше
Верх капота 4-Х ТАКТНОГО ПЛМ MERCURY 80 Серийный номер от 0P459572 и выше
Впускной коллектор 4-Х ТАКТНОГО ПЛМ MERCURY 80 Серийный номер от 0P459572 и выше
Головка цилиндра и распредвал 4-Х ТАКТНОГО ПЛМ MERCURY 80 Серийный номер от 0P459572 и выше
Инструменты 4-Х ТАКТНОГО ПЛМ MERCURY 80 Серийный номер от 0P459572 и выше
Коленвал, поршни и шатуны 4-Х ТАКТНОГО ПЛМ MERCURY 80 Серийный номер от 0P459572 и выше
Компоненты блока цилиндров 4-Х ТАКТНОГО ПЛМ MERCURY 80 Серийный номер от 0P459572 и выше
Компоненты впускного коллектора 4-Х ТАКТНОГО ПЛМ MERCURY 80 Серийный номер от 0P459572 и выше
Компоненты румпеля (Часть 1) 4-Х ТАКТНОГО ПЛМ MERCURY 80 Серийный номер от 0P459572 и выше
Компоненты румпеля (Часть 2) 4-Х ТАКТНОГО ПЛМ MERCURY 80 Серийный номер от 0P459572 и выше
Корпус карданного вала 4-Х ТАКТНОГО ПЛМ MERCURY 80 Серийный номер от 0P459572 и выше
Корпус редуктора, карданный вал 4-Х ТАКТНОГО ПЛМ MERCURY 80 Серийный номер от 0P459572 и выше
Корпус редуктора, приводной вал 4-Х ТАКТНОГО ПЛМ MERCURY 80 Серийный номер от 0P459572 и выше
Кронштейн дроссельной заслонки 4-Х ТАКТНОГО ПЛМ MERCURY 80 Серийный номер от 0P459572 и выше
Кронштейн транца 4-Х ТАКТНОГО ПЛМ MERCURY 80 Серийный номер от 0P459572 и выше
Масляный насос 4-Х ТАКТНОГО ПЛМ MERCURY 80 Серийный номер от 0P459572 и выше
Модуль подачи топлива (Часть 1) 4-Х ТАКТНОГО ПЛМ MERCURY 80 Серийный номер от 0P459572 и выше
Модуль подачи топлива (Часть 2) 4-Х ТАКТНОГО ПЛМ MERCURY 80 Серийный номер от 0P459572 и выше
Набор прокладок 4-Х ТАКТНОГО ПЛМ MERCURY 80 Серийный номер от 0P459572 и выше
Низ капота 4-Х ТАКТНОГО ПЛМ MERCURY 80 Серийный номер от 0P459572 и выше
Поворотный кронштейн и поворотный штифт 4-Х ТАКТНОГО ПЛМ MERCURY 80 Серийный номер от 0P459572 и выше
Система гидроподъема 4-Х ТАКТНОГО ПЛМ MERCURY 80 Серийный номер от 0P459572 и выше
Стартер, 1B759587 и ниже 4-Х ТАКТНОГО ПЛМ MERCURY 80 Серийный номер от 0P459572 и выше
Удлинительный комплект-5 дюймов, корпус карданного вала 12092A19 4-Х ТАКТНОГО ПЛМ MERCURY 80 Серийный номер от 0P459572 и выше
Шланги модуля подачи топлива 4-Х ТАКТНОГО ПЛМ MERCURY 80 Серийный номер от 0P459572 и выше
Электрические компоненты 4-Х ТАКТНОГО ПЛМ MERCURY 80 Серийный номер от 0P459572 и выше
Электропроводка с/н 1B723942 и ниже 4-Х ТАКТНОГО ПЛМ MERCURY 80 Серийный номер от 0P459572 и выше
Электропроводка с/н 1B723943 и выше 4-Х ТАКТНОГО ПЛМ MERCURY 80 Серийный номер от 0P459572 и выше
Аксессуары 4-Х ТАКТНОГО ПЛМ MERCURY 80 Серийный номер от 1B227000 до 1B366822
Блок цилиндров и картер 4-Х ТАКТНОГО ПЛМ MERCURY 80 Серийный номер от 1B227000 до 1B366822
Верх капота 4-Х ТАКТНОГО ПЛМ MERCURY 80 Серийный номер от 1B227000 до 1B366822
Впускной коллектор 4-Х ТАКТНОГО ПЛМ MERCURY 80 Серийный номер от 1B227000 до 1B366822
Впускные / выпускные клапаны 4-Х ТАКТНОГО ПЛМ MERCURY 80 Серийный номер от 1B227000 до 1B366822
Выхлопная труба 4-Х ТАКТНОГО ПЛМ MERCURY 80 Серийный номер от 1B227000 до 1B366822
Глушитель шума впуска 4-Х ТАКТНОГО ПЛМ MERCURY 80 Серийный номер от 1B227000 до 1B366822
Головка цилиндра 4-Х ТАКТНОГО ПЛМ MERCURY 80 Серийный номер от 1B227000 до 1B366822
Датчики 4-Х ТАКТНОГО ПЛМ MERCURY 80 Серийный номер от 1B227000 до 1B366822
Инструменты 4-Х ТАКТНОГО ПЛМ MERCURY 80 Серийный номер от 1B227000 до 1B366822
Коленвал, поршни и шатуны 4-Х ТАКТНОГО ПЛМ MERCURY 80 Серийный номер от 1B227000 до 1B366822
Комплект прокладок 4-Х ТАКТНОГО ПЛМ MERCURY 80 Серийный номер от 1B227000 до 1B366822
Поворотный кронштейн и рулевой рычаг 4-Х ТАКТНОГО ПЛМ MERCURY 80 Серийный номер от 1B227000 до 1B366822
Рукоятка рулевого управления 4-Х ТАКТНОГО ПЛМ MERCURY 80 Серийный номер от 1B227000 до 1B366822
Рычаг дроссельной заслонки 4-Х ТАКТНОГО ПЛМ MERCURY 80 Серийный номер от 1B227000 до 1B366822
Стартер 4-Х ТАКТНОГО ПЛМ MERCURY 80 Серийный номер от 1B227000 до 1B366822
Топливный насос 4-Х ТАКТНОГО ПЛМ MERCURY 80 Серийный номер от 1B227000 до 1B366822
Топливный шланг 4-Х ТАКТНОГО ПЛМ MERCURY 80 Серийный номер от 1B227000 до 1B366822
Электрические компоненты, жгут проводов двигателя 4-Х ТАКТНОГО ПЛМ MERCURY 80 Серийный номер от 1B227000 до 1B366822
Электрические компоненты, катушка зажигания и ЭБУ 4-Х ТАКТНОГО ПЛМ MERCURY 80 Серийный номер от 1B227000 до 1B366822
Электрические компоненты, реле 4-Х ТАКТНОГО ПЛМ MERCURY 80 Серийный номер от 1B227000 до 1B366822
Аксессуары 4-Х ТАКТНОГО ПЛМ MERCURY 100 Серийный номер от 1B227000 до 1B366822
Блок цилиндров и картер 4-Х ТАКТНОГО ПЛМ MERCURY 100 Серийный номер от 1B227000 до 1B366822
Верх капота 4-Х ТАКТНОГО ПЛМ MERCURY 100 Серийный номер от 1B227000 до 1B366822
Впускной коллектор 4-Х ТАКТНОГО ПЛМ MERCURY 100 Серийный номер от 1B227000 до 1B366822
Впускные / выпускные клапаны 4-Х ТАКТНОГО ПЛМ MERCURY 100 Серийный номер от 1B227000 до 1B366822
Выхлопная труба 4-Х ТАКТНОГО ПЛМ MERCURY 100 Серийный номер от 1B227000 до 1B366822
Глушитель шума впуска 4-Х ТАКТНОГО ПЛМ MERCURY 100 Серийный номер от 1B227000 до 1B366822
Головка цилиндра 4-Х ТАКТНОГО ПЛМ MERCURY 100 Серийный номер от 1B227000 до 1B366822
Датчики 4-Х ТАКТНОГО ПЛМ MERCURY 100 Серийный номер от 1B227000 до 1B366822
Инструменты 4-Х ТАКТНОГО ПЛМ MERCURY 100 Серийный номер от 1B227000 до 1B366822
Коленвал, поршни и шатуны 4-Х ТАКТНОГО ПЛМ MERCURY 100 Серийный номер от 1B227000 до 1B366822
Комплект прокладок 4-Х ТАКТНОГО ПЛМ MERCURY 100 Серийный номер от 1B227000 до 1B366822
Комплект рулевой ручки 4-Х ТАКТНОГО ПЛМ MERCURY 100 Серийный номер от 1B227000 до 1B366822
Компоненты гидроподъема 4-Х ТАКТНОГО ПЛМ MERCURY 100 Серийный номер от 1B227000 до 1B366822
Корпус карданного вала 4-Х ТАКТНОГО ПЛМ MERCURY 100 Серийный номер от 1B227000 до 1B366822
Корпус редуктора (карданный вал) (Передаточное число 2,33:1) 4-Х ТАКТНОГО ПЛМ MERCURY 100 Серийный номер от 1B227000 до 1B366822
Корпус редуктора (приводной вал) (Передаточное число 2,33:1) 4-Х ТАКТНОГО ПЛМ MERCURY 100 Серийный номер от 1B227000 до 1B366822
Кронштейн транца 4-Х ТАКТНОГО ПЛМ MERCURY 100 Серийный номер от 1B227000 до 1B366822
Масляный насос 4-Х ТАКТНОГО ПЛМ MERCURY 100 Серийный номер от 1B227000 до 1B366822
Маховик 4-Х ТАКТНОГО ПЛМ MERCURY 100 Серийный номер от 1B227000 до 1B366822
Низ капота 4-Х ТАКТНОГО ПЛМ MERCURY 100 Серийный номер от 1B227000 до 1B366822
Паросепаратор (Часть 1) 4-Х ТАКТНОГО ПЛМ MERCURY 100 Серийный номер от 1B227000 до 1B366822
Паросепаратор (Часть 2) 4-Х ТАКТНОГО ПЛМ MERCURY 100 Серийный номер от 1B227000 до 1B366822
Поворотный кронштейн и рулевой рычаг 4-Х ТАКТНОГО ПЛМ MERCURY 100 Серийный номер от 1B227000 до 1B366822
Рукоятка рулевого управления 4-Х ТАКТНОГО ПЛМ MERCURY 100 Серийный номер от 1B227000 до 1B366822
Рычаг дроссельной заслонки 4-Х ТАКТНОГО ПЛМ MERCURY 100 Серийный номер от 1B227000 до 1B366822
Стартер 4-Х ТАКТНОГО ПЛМ MERCURY 100 Серийный номер от 1B227000 до 1B366822
Топливный насос 4-Х ТАКТНОГО ПЛМ MERCURY 100 Серийный номер от 1B227000 до 1B366822
Топливный шланг 4-Х ТАКТНОГО ПЛМ MERCURY 100 Серийный номер от 1B227000 до 1B366822
Электрические компоненты, жгут проводов двигателя 4-Х ТАКТНОГО ПЛМ MERCURY 100 Серийный номер от 1B227000 до 1B366822
Электрические компоненты, катушка зажигания и ЭБУ 4-Х ТАКТНОГО ПЛМ MERCURY 100 Серийный номер от 1B227000 до 1B366822
Электрические компоненты, реле 4-Х ТАКТНОГО ПЛМ MERCURY 100 Серийный номер от 1B227000 до 1B366822
Coastal Flush Kit, Outboard 4-Х ТАКТНОГО ПЛМ MERCURY 115 Серийный номер от 01B366823 и выше
Аксессуары 4-Х ТАКТНОГО ПЛМ MERCURY 115 Серийный номер от 01B366823 и выше
Блок цилиндров 4-Х ТАКТНОГО ПЛМ MERCURY 115 Серийный номер от 01B366823 и выше
Верх капота 4-Х ТАКТНОГО ПЛМ MERCURY 115 Серийный номер от 01B366823 и выше
Встроенный воздушный топливный модуль 4-Х ТАКТНОГО ПЛМ MERCURY 115 Серийный номер от 01B366823 и выше
Головка цилиндра и распределительный вал 4-Х ТАКТНОГО ПЛМ MERCURY 115 Серийный номер от 01B366823 и выше
Инструменты 4-Х ТАКТНОГО ПЛМ MERCURY 115 Серийный номер от 01B366823 и выше
Компоненты гидроподъема 4-Х ТАКТНОГО ПЛМ MERCURY 115 Серийный номер от 01B366823 и выше
Компоненты румпеля, 816366A52 (Часть 1) 4-Х ТАКТНОГО ПЛМ MERCURY 115 Серийный номер от 01B366823 и выше
Компоненты румпеля, 816366A52 (Часть 2) 4-Х ТАКТНОГО ПЛМ MERCURY 115 Серийный номер от 01B366823 и выше
Корпус карданного вала 4-Х ТАКТНОГО ПЛМ MERCURY 115 Серийный номер от 01B366823 и выше
Корпус шестерни, карданный вал 4-Х ТАКТНОГО ПЛМ MERCURY 115 Серийный номер от 01B366823 и выше
Корпус шестерни, приводной вал 4-Х ТАКТНОГО ПЛМ MERCURY 115 Серийный номер от 01B366823 и выше
Крепление модуля подачи топлива 4-Х ТАКТНОГО ПЛМ MERCURY 115 Серийный номер от 01B366823 и выше
Кронштейн в сборе, дроссель 4-Х ТАКТНОГО ПЛМ MERCURY 115 Серийный номер от 01B366823 и выше
Кронштейн транца 4-Х ТАКТНОГО ПЛМ MERCURY 115 Серийный номер от 01B366823 и выше
Масляный насос 4-Х ТАКТНОГО ПЛМ MERCURY 115 Серийный номер от 01B366823 и выше
Модуль подачи топлива 4-Х ТАКТНОГО ПЛМ MERCURY 115 Серийный номер от 01B366823 и выше
Низ капота 4-Х ТАКТНОГО ПЛМ MERCURY 115 Серийный номер от 01B366823 и выше
Переходная пластина 4-Х ТАКТНОГО ПЛМ MERCURY 115 Серийный номер от 01B366823 и выше
Поворотный кронштейн 4-Х ТАКТНОГО ПЛМ MERCURY 115 Серийный номер от 01B366823 и выше
Стартер, 1B759587 и ниже 4-Х ТАКТНОГО ПЛМ MERCURY 115 Серийный номер от 01B366823 и выше
Стартер, 1B759588 и выше 4-Х ТАКТНОГО ПЛМ MERCURY 115 Серийный номер от 01B366823 и выше
Удлинительный комплект-5 дюймов, корпус карданного вала 12092A19 4-Х ТАКТНОГО ПЛМ MERCURY 115 Серийный номер от 01B366823 и выше
Шланги модуля подачи топлива 4-Х ТАКТНОГО ПЛМ MERCURY 115 Серийный номер от 01B366823 и выше
Электрические компоненты 4-Х ТАКТНОГО ПЛМ MERCURY 115 Серийный номер от 01B366823 и выше
Блок цилиндров 4-Х ТАКТНОГО ПЛМ MERCURY 115 Серийный номер от 0T178500 до 0T800999
Верх капота 4-Х ТАКТНОГО ПЛМ MERCURY 115 Серийный номер от 0T178500 до 0T800999
Впускной коллектор 4-Х ТАКТНОГО ПЛМ MERCURY 115 Серийный номер от 0T178500 до 0T800999
Впускные и выпускные клапаны 4-Х ТАКТНОГО ПЛМ MERCURY 115 Серийный номер от 0T178500 до 0T800999
Выхлопная труба 4-Х ТАКТНОГО ПЛМ MERCURY 115 Серийный номер от 0T178500 до 0T800999
Глушитель шума впуска 4-Х ТАКТНОГО ПЛМ MERCURY 115 Серийный номер от 0T178500 до 0T800999
Головка цилиндра 4-Х ТАКТНОГО ПЛМ MERCURY 115 Серийный номер от 0T178500 до 0T800999
Датчики 4-Х ТАКТНОГО ПЛМ MERCURY 115 Серийный номер от 0T178500 до 0T800999
Дроссель и рычаг 4-Х ТАКТНОГО ПЛМ MERCURY 115 Серийный номер от 0T178500 до 0T800999
Инструменты (Часть 1) 4-Х ТАКТНОГО ПЛМ MERCURY 115 Серийный номер от 0T178500 до 0T800999
Инструменты (Часть 2) 4-Х ТАКТНОГО ПЛМ MERCURY 115 Серийный номер от 0T178500 до 0T800999
Коленвал, поршни и шатуны 4-Х ТАКТНОГО ПЛМ MERCURY 115 Серийный номер от 0T178500 до 0T800999
Компоненты гидроподъема 4-Х ТАКТНОГО ПЛМ MERCURY 115 Серийный номер от 0T178500 до 0T800999
Компоненты зажигания 4-Х ТАКТНОГО ПЛМ MERCURY 115 Серийный номер от 0T178500 до 0T800999
Компоненты набора рукоятки рулевого управления 4-Х ТАКТНОГО ПЛМ MERCURY 115 Серийный номер от 0T178500 до 0T800999
Корпус карданного вала 4-Х ТАКТНОГО ПЛМ MERCURY 115 Серийный номер от 0T178500 до 0T800999
Корпус шестерни, карданный вал(2.07:1) (S/N-0T590053 и ниже) 4-Х ТАКТНОГО ПЛМ MERCURY 115 Серийный номер от 0T178500 до 0T800999
Корпус шестерни, карданный вал(2.07:1) (S/N-0T590054 и выше) 4-Х ТАКТНОГО ПЛМ MERCURY 115 Серийный номер от 0T178500 до 0T800999
Корпус шестерни, приводной вал(2.07:1) (S/N-00T590053 и ниже) 4-Х ТАКТНОГО ПЛМ MERCURY 115 Серийный номер от 0T178500 до 0T800999
Корпус шестерни, приводной вал(2.07:1) (S/N-00T590054 и выше) 4-Х ТАКТНОГО ПЛМ MERCURY 115 Серийный номер от 0T178500 до 0T800999
Кронштейн транца 4-Х ТАКТНОГО ПЛМ MERCURY 115 Серийный номер от 0T178500 до 0T800999
Масляный насос 4-Х ТАКТНОГО ПЛМ MERCURY 115 Серийный номер от 0T178500 до 0T800999
Маховик 4-Х ТАКТНОГО ПЛМ MERCURY 115 Серийный номер от 0T178500 до 0T800999
Набор рукоятки рулевого управления 4-Х ТАКТНОГО ПЛМ MERCURY 115 Серийный номер от 0T178500 до 0T800999
Низ капота 4-Х ТАКТНОГО ПЛМ MERCURY 115 Серийный номер от 0T178500 до 0T800999
Поворотный кронштейн и рулевой рычаг 4-Х ТАКТНОГО ПЛМ MERCURY 115 Серийный номер от 0T178500 до 0T800999
Стартер 4-Х ТАКТНОГО ПЛМ MERCURY 115 Серийный номер от 0T178500 до 0T800999
Топливный насос (Часть 1) 4-Х ТАКТНОГО ПЛМ MERCURY 115 Серийный номер от 0T178500 до 0T800999
Топливный насос (Часть 2) 4-Х ТАКТНОГО ПЛМ MERCURY 115 Серийный номер от 0T178500 до 0T800999
Форсунка для впрыска топлива 4-Х ТАКТНОГО ПЛМ MERCURY 115 Серийный номер от 0T178500 до 0T800999
Электрические компоненты 4-Х ТАКТНОГО ПЛМ MERCURY 115 Серийный номер от 0T178500 до 0T800999
Power Tilt 4-Х ТАКТНОГО ПЛМ MERCURY 15 Carb(2CYL) Серийный номер от 0R235949 и выше
Shift , Manual 4-Х ТАКТНОГО ПЛМ MERCURY 15 Carb(2CYL) Серийный номер от 0R235949 и выше
Shift, Electric 4-Х ТАКТНОГО ПЛМ MERCURY 15 Carb(2CYL) Серийный номер от 0R235949 и выше
Аксессуары 4-Х ТАКТНОГО ПЛМ MERCURY 15 Carb(2CYL) Серийный номер от 0R235949 и выше
Блок цилиндров 4-Х ТАКТНОГО ПЛМ MERCURY 15 Carb(2CYL) Серийный номер от 0R235949 и выше
Верх капота 4-Х ТАКТНОГО ПЛМ MERCURY 15 Carb(2CYL) Серийный номер от 0R235949 и выше
Впускной коллектор и топливный насос 4-Х ТАКТНОГО ПЛМ MERCURY 15 Carb(2CYL) Серийный номер от 0R235949 и выше
Впускные, выпускные клапаны 4-Х ТАКТНОГО ПЛМ MERCURY 15 Carb(2CYL) Серийный номер от 0R235949 и выше
Головка цилиндра 4-Х ТАКТНОГО ПЛМ MERCURY 15 Carb(2CYL) Серийный номер от 0R235949 и выше
Зажимные Кронштейны, Manual Tilt 4-Х ТАКТНОГО ПЛМ MERCURY 15 Carb(2CYL) Серийный номер от 0R235949 и выше
Зажимные кронштейны, Power Tilt 4-Х ТАКТНОГО ПЛМ MERCURY 15 Carb(2CYL) Серийный номер от 0R235949 и выше
Инструменты 4-Х ТАКТНОГО ПЛМ MERCURY 15 Carb(2CYL) Серийный номер от 0R235949 и выше
Карбюратор 4-Х ТАКТНОГО ПЛМ MERCURY 15 Carb(2CYL) Серийный номер от 0R235949 и выше
Коленвал и масляный насос 4-Х ТАКТНОГО ПЛМ MERCURY 15 Carb(2CYL) Серийный номер от 0R235949 и выше
Коленвал, поршни и шатуны 4-Х ТАКТНОГО ПЛМ MERCURY 15 Carb(2CYL) Серийный номер от 0R235949 и выше
Комплект для преобразования рукоятки румпеля, электрический - 8M0051059 4-Х ТАКТНОГО ПЛМ MERCURY 15 Carb(2CYL) Серийный номер от 0R235949 и выше
Комплект прокладок 4-Х ТАКТНОГО ПЛМ MERCURY 15 Carb(2CYL) Серийный номер от 0R235949 и выше
Компоненты стартера 4-Х ТАКТНОГО ПЛМ MERCURY 15 Carb(2CYL) Серийный номер от 0R235949 и выше
Корпус карданного вала 4-Х ТАКТНОГО ПЛМ MERCURY 15 Carb(2CYL) Серийный номер от 0R235949 и выше
Корпус шестерни, карданный вал 4-Х ТАКТНОГО ПЛМ MERCURY 15 Carb(2CYL) Серийный номер от 0R235949 и выше
Корпус шестерни, приводной вал 4-Х ТАКТНОГО ПЛМ MERCURY 15 Carb(2CYL) Серийный номер от 0R235949 и выше
Маховик / Катушка зажигания 4-Х ТАКТНОГО ПЛМ MERCURY 15 Carb(2CYL) Серийный номер от 0R235949 и выше
Низ капота 4-Х ТАКТНОГО ПЛМ MERCURY 15 Carb(2CYL) Серийный номер от 0R235949 и выше
Рукоятка румпеля 4-Х ТАКТНОГО ПЛМ MERCURY 15 Carb(2CYL) Серийный номер от 0R235949 и выше
Рулевой рычаг / поворотный кронштейн, Manual Tilt 4-Х ТАКТНОГО ПЛМ MERCURY 15 Carb(2CYL) Серийный номер от 0R235949 и выше
Ручной стартер 4-Х ТАКТНОГО ПЛМ MERCURY 15 Carb(2CYL) Серийный номер от 0R235949 и выше
Электрические компоненты, выпрямитель 4-Х ТАКТНОГО ПЛМ MERCURY 15 Carb(2CYL) Серийный номер от 0R235949 и выше
Электрические компоненты, стартер и соленоиды 4-Х ТАКТНОГО ПЛМ MERCURY 15 Carb(2CYL) Серийный номер от 0R235949 и выше
Jet Unit 4-Х ТАКТНОГО ПЛМ MERCURY 60 Серийный номер от 0P515897 и выше
Manual Tilt Components 4-Х ТАКТНОГО ПЛМ MERCURY 60 Серийный номер от 0P515897 и выше
Shift Linkage, Remote 4-Х ТАКТНОГО ПЛМ MERCURY 60 Серийный номер от 0P515897 и выше
Shift Linkage, Tiller 4-Х ТАКТНОГО ПЛМ MERCURY 60 Серийный номер от 0P515897 и выше
Аксессуары 4-Х ТАКТНОГО ПЛМ MERCURY 60 Серийный номер от 0P515897 и выше
Блок цилиндров и картер 4-Х ТАКТНОГО ПЛМ MERCURY 60 Серийный номер от 0P515897 и выше
Верх капота 4-Х ТАКТНОГО ПЛМ MERCURY 60 Серийный номер от 0P515897 и выше
Впускной коллектор 4-Х ТАКТНОГО ПЛМ MERCURY 60 Серийный номер от 0P515897 и выше
Впускные, выпускные клапаны 4-Х ТАКТНОГО ПЛМ MERCURY 60 Серийный номер от 0P515897 и выше
Гидроподъем 4-Х ТАКТНОГО ПЛМ MERCURY 60 Серийный номер от 0P515897 и выше
Головка цилиндра 4-Х ТАКТНОГО ПЛМ MERCURY 60 Серийный номер от 0P515897 и выше
Дроссельная тяга, Jet 4-Х ТАКТНОГО ПЛМ MERCURY 60 Серийный номер от 0P515897 и выше
Дроссельная тяга, дистанция 4-Х ТАКТНОГО ПЛМ MERCURY 60 Серийный номер от 0P515897 и выше
Дроссельная тяга, румпель 4-Х ТАКТНОГО ПЛМ MERCURY 60 Серийный номер от 0P515897 и выше
Инструменты (Часть 1) 4-Х ТАКТНОГО ПЛМ MERCURY 60 Серийный номер от 0P515897 и выше
Инструменты (Часть 2) 4-Х ТАКТНОГО ПЛМ MERCURY 60 Серийный номер от 0P515897 и выше
Инструменты (Часть 3) 4-Х ТАКТНОГО ПЛМ MERCURY 60 Серийный номер от 0P515897 и выше
Катушка зажигания 1C104423/0P560349 и ниже 4-Х ТАКТНОГО ПЛМ MERCURY 60 Серийный номер от 0P515897 и выше
Катушка зажигания 1C104424/0P560350 и выше 4-Х ТАКТНОГО ПЛМ MERCURY 60 Серийный номер от 0P515897 и выше
Коленвал, поршни и шатуны 4-Х ТАКТНОГО ПЛМ MERCURY 60 Серийный номер от 0P515897 и выше
Комплект удлинителей - 2,5 дюйма, корпус карданного вала(879150A88) 4-Х ТАКТНОГО ПЛМ MERCURY 60 Серийный номер от 0P515897 и выше
Компоненты водяной помпы 4-Х ТАКТНОГО ПЛМ MERCURY 60 Серийный номер от 0P515897 и выше
Компоненты гидроподъема 4-Х ТАКТНОГО ПЛМ MERCURY 60 Серийный номер от 0P515897 и выше
Корпус карданного вала 4-Х ТАКТНОГО ПЛМ MERCURY 60 Серийный номер от 0P515897 и выше
Корпус редуктора, карданный вал - Передаточное число 1.83:1 4-Х ТАКТНОГО ПЛМ MERCURY 60 Серийный номер от 0P515897 и выше
Корпус редуктора, приводной вал - Передаточное число 1,83: 1 4-Х ТАКТНОГО ПЛМ MERCURY 60 Серийный номер от 0P515897 и выше
Кронштейн транца 4-Х ТАКТНОГО ПЛМ MERCURY 60 Серийный номер от 0P515897 и выше
Масляный насос распредвала 4-Х ТАКТНОГО ПЛМ MERCURY 60 Серийный номер от 0P515897 и выше
Маховик 4-Х ТАКТНОГО ПЛМ MERCURY 60 Серийный номер от 0P515897 и выше
Набор ключей, дросселей и рупоров, 15000A14 4-Х ТАКТНОГО ПЛМ MERCURY 60 Серийный номер от 0P515897 и выше
Низ капота 4-Х ТАКТНОГО ПЛМ MERCURY 60 Серийный номер от 0P515897 и выше
Паросепаратор 4-Х ТАКТНОГО ПЛМ MERCURY 60 Серийный номер от 0P515897 и выше
Переходная пластина 4-Х ТАКТНОГО ПЛМ MERCURY 60 Серийный номер от 0P515897 и выше
Поворотный кронштейн 4-Х ТАКТНОГО ПЛМ MERCURY 60 Серийный номер от 0P515897 и выше
Рукоятка рулевого управления 4-Х ТАКТНОГО ПЛМ MERCURY 60 Серийный номер от 0P515897 и выше
Рукоятка румпеля 4-Х ТАКТНОГО ПЛМ MERCURY 60 Серийный номер от 0P515897 и выше
Топливные шланги 4-Х ТАКТНОГО ПЛМ MERCURY 60 Серийный номер от 0P515897 и выше
Топливный насос 4-Х ТАКТНОГО ПЛМ MERCURY 60 Серийный номер от 0P515897 и выше
Электрические компоненты(1C104423/0P560349 и ниже) 4-Х ТАКТНОГО ПЛМ MERCURY 60 Серийный номер от 0P515897 и выше
Электрические компоненты(1C104424/0P560350 и выше) 4-Х ТАКТНОГО ПЛМ MERCURY 60 Серийный номер от 0P515897 и выше
Стартер 2-х тактного ПЛМ MARLIN 30F